Geben Sie hier Ihre MwSt.-Nummer ein und klicken Sie auf Überprüfen:
Sie brauchen den Ländercode Ihrer MwSt.-Nummer nicht einzugeben, da dieser bereits oben in Ihrer Rechnungsadresse ausgewählt wurde.
Ihre Angaben wurden überprüft. MwSt.-Nummer registriert auf:
,
.
Ihre Bestellung ist nun mehrwertsteuerfrei. Wir behalten uns das Recht vor, diese Angaben nach Ihrer Bestellung zu überprüfen und gegebenenfalls die Mehrwertsteuer wieder einzuführen.
Ihre MwSt.-Angaben wurden nicht erkannt oder waren ungültig. Ihre MwSt.-Nummer muss mit Ihrem Rechnungsland übereinstimmen, wie oben angegeben. Dies ist derzeit als angegeben. Sie brauchen den Ländercode Ihrer MwSt.-Nummer nicht einzugeben, da Sie diesen bereits in den Angaben zu Ihrer Rechnungsadresse oben ausgewählt haben.
Der Dienst zur Überprüfung von MwSt.-Nummern ist derzeit offline. Bitte geben Sie Ihre MwSt.-Daten im Feld „Kommentare“ oder „Besondere Hinweise“ unten an, und wir werden nach Ihrer Bestellung einen MwSt.-Rabatt gewähren.
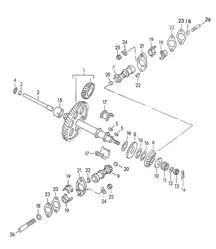
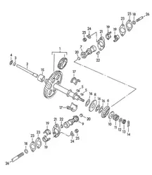
Die Sicherungsscheibe der Ölpumpe dient zur Fixierung der Ölpumpenbefestigung an klassischen Porsche-Motoren. Sie ist eine einfache, aber wichtige Sicherungsscheibe, die verhindert, dass sich die Ölpumpenbefestigung durch Motorvibrationen und Temperaturschwankungen löst.
Passend für:
Porsche 911 1965 - 1986
Porsche 911 Turbo 1975 - 1977
Porsche 914 1970 - 1976
Diagramm-Referenznummer 4
Es dient als mechanische Sicherung für die Ölpumpenbaugruppe und verringert so das Risiko, dass sich die Befestigungselemente mit der Zeit lösen. Durch die sichere Fixierung der Ölpumpenbaugruppe wird ein gleichmäßiger Öldruck und eine zuverlässige Motorschmierung gewährleistet.
Sicherungsscheiben sind so konstruiert, dass sie in Position gebogen werden. Nach dem Biegen können sie jedoch ermüden oder an Haltekraft verlieren, wenn sie wiederverwendet werden. Eine geschwächte oder wiederverwendete Sicherungsscheibe kann dazu führen, dass sich die Ölpumpenbefestigung lockert, was wiederum Öldruckprobleme und beschleunigten Motorverschleiß zur Folge haben kann. Der Austausch im Rahmen der Wartung ist eine kostengünstige Maßnahme zur Erhöhung der Motorzuverlässigkeit.
Wann ersetzen:
• Bei Ölpumpenausbau/-einbau oder Motorüberholungsarbeiten
• Falls die vorhandene Lasche der Unterlegscheibe zuvor verbogen/geradegestellt wurde
• Sichtbare Risse, Verformungen oder Materialermüdung im Bereich der Lasche
• Immer wenn im Rahmen von Wartungsarbeiten die Ölpumpenbefestigungsteile gelöst werden.
Zugehörige Referenznummern
Verwandte, ersetzte, Querverweisoder Alternativnummern zum Vergleich.
99903900100
Das von Ihnen angezeigte Produkt verweist auf diese Nummern
- Porsche 911 1965-1968 2.0L / 912 SWB (F)
- Porsche 911 1968-1973 2.2L / 2.4L / 2.7L RS LWB (F)
- Porsche 911 1974-1977 2.7L / 1976-77 3.0 Carrera
- Porsche 911 1978-1983 3.0L / SC
- Porsche 911 1984-1986 3.2L
- Porsche 911 1975-1977 3.0L Turbo (930)

