Geben Sie hier Ihre MwSt.-Nummer ein und klicken Sie auf Überprüfen:
Sie brauchen den Ländercode Ihrer MwSt.-Nummer nicht einzugeben, da dieser bereits oben in Ihrer Rechnungsadresse ausgewählt wurde.
Ihre Angaben wurden überprüft. MwSt.-Nummer registriert auf:
,
.
Ihre Bestellung ist nun mehrwertsteuerfrei. Wir behalten uns das Recht vor, diese Angaben nach Ihrer Bestellung zu überprüfen und gegebenenfalls die Mehrwertsteuer wieder einzuführen.
Ihre MwSt.-Angaben wurden nicht erkannt oder waren ungültig. Ihre MwSt.-Nummer muss mit Ihrem Rechnungsland übereinstimmen, wie oben angegeben. Dies ist derzeit als angegeben. Sie brauchen den Ländercode Ihrer MwSt.-Nummer nicht einzugeben, da Sie diesen bereits in den Angaben zu Ihrer Rechnungsadresse oben ausgewählt haben.
Der Dienst zur Überprüfung von MwSt.-Nummern ist derzeit offline. Bitte geben Sie Ihre MwSt.-Daten im Feld „Kommentare“ oder „Besondere Hinweise“ unten an, und wir werden nach Ihrer Bestellung einen MwSt.-Rabatt gewähren.
Bremspedal und Teile
- Porsche 911 1965-1968 2.0L / 912 SWB (F)
- Porsche 911 1968-1973 2.2L / 2.4L / 2.7L RS LWB (F)
- Porsche 911 1974-1977 2.7L / 1976-77 3.0 Carrera
- Porsche 911 1978-1983 3.0L / SC
- Porsche 911 1984-1986 3.2L
- Porsche 911 1987-1989 3.2L G50
- Porsche 911 1975-1977 3.0L Turbo (930)
- Porsche 911 1978-1989 3.3L Turbo (930)

Passt:
Porsche 911 - 1965 bis 1977
Porsche 911 - 1978 bis 1989 wenn Bremskraftverstärker (Servo) entfällt
Porsche 914 - 1970 bis 1976
Hinweis - Für den Einbau der Pedalbaugruppe sind keine Karosserieanpassungen am Fußraum erforderlich.
Wir haben dieses vom Motorsport inspirierte Zubehör, das viele Jahre nicht mehr erhältlich war, neu aufgelegt
Nur Linkslenker (LHD).
Die vom Porsche-Werk in den 911 SC RS eingebaute Waagebalken-Bremsanlage funktioniert, indem sie durch Verstellen des Bremsbalkens eine präzise Verteilung der Bremskräfte zwischen Vorder- und Hinterachse ermöglicht. Dies ermöglicht die maximale Bremsleistung für das Fahrzeug.
Bei Verwendung von (von Standard) verbesserten Bremssätteln mit anderen Kolbengrößen, anderen Belägen oder größeren Bremsscheiben kann die Bremskraft an den jeweiligen Achsen geändert werden, sodass ein Waagebalkenbremssystem verwendet werden sollte. Bremssättel mit vergrößerten Kolbengrößen können auch zu einem „weichen“ Bremspedal führen und das Waagebalken-Bremssystem verhindert dies.
Das Schwebebalkensystem verfügt über zwei parallel auf einer Halterung montierte Hauptbremszylinder, die eine präzise Einstellung zwischen Vorder- und Hinterachse ermöglichen.
Zugehörige Referenznummern
Verwandte, ersetzte, Querverweisoder Alternativnummern zum Vergleich.
91142305401
Das von Ihnen angezeigte Produkt verweist auf diese Nummern
- Porsche 911 1965-1968 2.0L / 912 SWB (F)
- Porsche 911 1968-1973 2.2L / 2.4L / 2.7L RS LWB (F)
- Porsche 911 1974-1977 2.7L / 1976-77 3.0 Carrera
- Porsche 911 1978-1983 3.0L / SC
- Porsche 911 1984-1986 3.2L
- Porsche 911 1987-1989 3.2L G50
- Porsche 911 1975-1977 3.0L Turbo (930)
- Porsche 911 1978-1989 3.3L Turbo (930)
- Porsche 914 (1970-1976)

Passt:
Porsche 911 - 1965 bis 1977
Porsche 911 - 1978 bis 1989 wenn Bremskraftverstärker (Servo) entfällt
Porsche 914 - 1970 bis 1976
Wir haben dieses vom Motorsport inspirierte Zubehör, das viele Jahre nicht mehr erhältlich war, neu aufgelegt
Nur Linkslenker (LHD).
Hinweis: Das Bodenblech muss modifiziert werden und im Bausatz ist das erforderliche Verstärkungsblech enthalten.
Wie beim 2.8 RSR und 3.0 RSR vom Porsche-Werk eingebaut, funktioniert eine Waagebalken-Bremsanlage, indem sie eine präzise Verteilung der Bremskräfte zwischen Vorder- und Hinterachse durch Einstellen des Bremsbalkens ermöglicht. Dies ermöglicht die maximale Bremsleistung für das Fahrzeug.
Bei Verwendung von (von Standard) verbesserten Bremssätteln mit anderen Kolbengrößen, anderen Belägen oder größeren Bremsscheiben kann die Bremskraft an den jeweiligen Achsen geändert werden, sodass ein Waagebalkenbremssystem verwendet werden sollte. Bremssättel mit vergrößerten Kolbengrößen können auch zu einem „weichen“ Bremspedal führen und das Waagebalken-Bremssystem verhindert dies.
Das Schwebebalkensystem verfügt über zwei parallel auf einer Halterung montierte Hauptbremszylinder, die eine präzise Einstellung zwischen Vorder- und Hinterachse ermöglichen.
Wenn Sie keine Änderungen an der Karosserie vornehmen möchten oder Ihnen Originalität nicht so wichtig ist, nutzen Sie die Ausgleichsarm-Bremsanlage des 911 SC RS (Artikelnummer 91142305401/1).
- Porsche 911 1965-1968 2.0L / 912 SWB (F)
- Porsche 911 1968-1973 2.2L / 2.4L / 2.7L RS LWB (F)
- Porsche 911 1974-1977 2.7L / 1976-77 3.0 Carrera
- Porsche 911 1978-1983 3.0L / SC
- Porsche 911 1984-1986 3.2L
- Porsche 911 1987-1989 3.2L G50
- Porsche 911 1975-1977 3.0L Turbo (930)
- Porsche 911 1978-1989 3.3L Turbo (930)
- Porsche 914 (1970-1976)
Passform:
Porsche 911 1965-77 (Linkslenker)
Porsche 912 1965-69 (Linkslenker)
Porsche 914 1970-76 (Linkslenker)
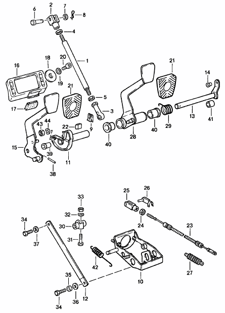
Diagrammreferenz Nr. 28
Zugehörige Referenznummern
Verwandte, ersetzte, Querverweisoder Alternativnummern zum Vergleich.
90142303500
Das von Ihnen angezeigte Produkt verweist auf diese Nummern
- Porsche 911 1965-1968 2.0L / 912 SWB (F)
- Porsche 911 1968-1973 2.2L / 2.4L / 2.7L RS LWB (F)
- Porsche 911 1974-1977 2.7L / 1976-77 3.0 Carrera
- Porsche 911 1978-1983 3.0L / SC
- Porsche 914 (1970-1976)
Im Pedalkasten; das Bremspedal dreht sich auf dem Außendurchmesser und das Kupplungspedal dreht sich auf dem Innendurchmesser dieses Rohrs.
Passform:
Porsche 911 1965-77
Porsche 912 1965-69
Porsche 914 1970-76
Diagrammreferenz Nr. 28
Zugehörige Referenznummern
Verwandte, ersetzte, Querverweisoder Alternativnummern zum Vergleich.
90142303500
Das von Ihnen angezeigte Produkt verweist auf diese Nummern
- Porsche 911 1965-1968 2.0L / 912 SWB (F)
- Porsche 911 1968-1973 2.2L / 2.4L / 2.7L RS LWB (F)
- Porsche 911 1974-1977 2.7L / 1976-77 3.0 Carrera
- Porsche 911 1978-1983 3.0L / SC
- Porsche 914 (1970-1976)
Wird einzeln verkauft.

Passform:
Porsche 911 2.0-3.3 01/63-07/89
Porsche 914 1.7-2.0 01/69-02/76
Klicken Sie auf „Vergrößern“, um das Diagramm großer Teile anzuzeigen.
Diagramm Ref. Nr. 14
Zugehörige Referenznummern
Verwandte, ersetzte, Querverweisoder Alternativnummern zum Vergleich.
91142354201
Das von Ihnen angezeigte Produkt verweist auf diese Nummern
- Porsche 911 1965-1968 2.0L / 912 SWB (F)
- Porsche 911 1968-1973 2.2L / 2.4L / 2.7L RS LWB (F)
- Porsche 911 1974-1977 2.7L / 1976-77 3.0 Carrera
- Porsche 911 1978-1983 3.0L / SC
- Porsche 911 1984-1986 3.2L
- Porsche 911 1987-1989 3.2L G50
- Porsche 911 1975-1977 3.0L Turbo (930)
- Porsche 911 1978-1989 3.3L Turbo (930)
- Porsche 914 (1970-1976)
Jeweils verkauft.

Passt:
Porsche 911 2.0-3.3 01/63-07/89
Porsche 914 1.7-2.0 01/69-02/76
Klicken Sie auf „Vergrößern“, um ein großes Teilediagramm anzuzeigen.
Diagramm Nr. 14
Zugehörige Referenznummern
Verwandte, ersetzte, Querverweisoder Alternativnummern zum Vergleich.
91142354201
Das von Ihnen angezeigte Produkt verweist auf diese Nummern
- Porsche 911 1965-1968 2.0L / 912 SWB (F)
- Porsche 911 1968-1973 2.2L / 2.4L / 2.7L RS LWB (F)
- Porsche 911 1974-1977 2.7L / 1976-77 3.0 Carrera
- Porsche 911 1978-1983 3.0L / SC
- Porsche 911 1984-1986 3.2L
- Porsche 911 1987-1989 3.2L G50
- Porsche 911 1975-1977 3.0L Turbo (930)
- Porsche 911 1978-1989 3.3L Turbo (930)
- Porsche 914 (1970-1976)
Passform:
Porsche 911 1974 - 1989
Porsche 911 (930) Turbo 1975 - 1989
Diagramm Referenz Nr. 1
Zugehörige Referenznummern
Verwandte, ersetzte, Querverweisoder Alternativnummern zum Vergleich.
91142352304
Das von Ihnen angezeigte Produkt verweist auf diese Nummern
- Porsche 911 1974-1977 2.7L / 1976-77 3.0 Carrera
- Porsche 911 1978-1983 3.0L / SC
- Porsche 911 1984-1986 3.2L
- Porsche 911 1987-1989 3.2L G50
- Porsche 911 1975-1977 3.0L Turbo (930)
- Porsche 911 1978-1989 3.3L Turbo (930)
- Porsche 914 (1970-1976)
Passform:
Für Linkslenker
Porsche 911 1974-89
Porsche 930 Turbo 1975-89
Diagrammreferenz Nr. 19
Zugehörige Referenznummern
Verwandte, ersetzte, Querverweisoder Alternativnummern zum Vergleich.
91142353103
Das von Ihnen angezeigte Produkt verweist auf diese Nummern
- Porsche 911 1974-1977 2.7L / 1976-77 3.0 Carrera
- Porsche 911 1978-1983 3.0L / SC
- Porsche 911 1984-1986 3.2L
- Porsche 911 1987-1989 3.2L G50
- Porsche 911 1975-1977 3.0L Turbo (930)
- Porsche 911 1978-1989 3.3L Turbo (930)

Passt:
Porsche 911 1978-89 RHD Autos
Porsche 930 Turbo 1978-89 RHD Autos
Klicken Sie auf „Vergrößern“, um ein großes Teilediagramm anzuzeigen.
Diagramm Nr. 29.
Zugehörige Referenznummern
Verwandte, ersetzte, Querverweisoder Alternativnummern zum Vergleich.
91142353202
Das von Ihnen angezeigte Produkt verweist auf diese Nummern
- Porsche 911 1974-1977 2.7L / 1976-77 3.0 Carrera
- Porsche 911 1978-1983 3.0L / SC
- Porsche 911 1984-1986 3.2L
- Porsche 911 1987-1989 3.2L G50
- Porsche 911 1978-1989 3.3L Turbo (930)

Passend für:
Nur Linkslenker-Fahrzeuge
Porsche 911 1978-89
Porsche 930 Turbo 1975-88
Porsche 968 1992-95
Porsche 944 1989-91
Klicken Sie auf „Vergrößern“, um ein Diagramm mit großen Teilen anzuzeigen.
Diagramm Ref.-Nr. (für 911) oder 9 (für 968 / 944)
Zugehörige Referenznummern
Verwandte, ersetzte, Querverweisoder Alternativnummern zum Vergleich.
9990210010H
Das von Ihnen angezeigte Produkt verweist auf diese Nummern
- Porsche 911 1978-1983 3.0L / SC
- Porsche 911 1984-1986 3.2L
- Porsche 911 1987-1989 3.2L G50
- Porsche 911 1975-1977 3.0L Turbo (930)
- Porsche 911 1978-1989 3.3L Turbo (930)
- Porsche 944S2 3.0L 16V 1989-91
- Porsche 944 Turbo 2.5L 8V 1989-91
- Porsche 968 3.0L 1992-94
- Porsche 968 Sport 3.0L 1994-95
- Porsche 968 CS 3.0L 1993-95
- Porsche 968 Turbo S 3.0L 1993-94
Passform:
Porsche 911/911S 1974-77
Porsche 911 1978-86 (Linkslenker)
Porsche 911 (930) Turbo 1975-77 (Linkslenker)
Porsche 911 (930) Turbo 1984-88 (Linkslenker)
Diagrammreferenz Nr. 11
- Porsche 911 1965-1968 2.0L / 912 SWB (F)
- Porsche 911 1974-1977 2.7L / 1976-77 3.0 Carrera
- Porsche 911 1978-1983 3.0L / SC
- Porsche 911 1984-1986 3.2L
- Porsche 911 1975-1977 3.0L Turbo (930)
- Porsche 911 1978-1989 3.3L Turbo (930)

Passend für:
Porsche 911 – 1987 bis 1989 (Rechtslenker)
Porsche 911 Turbo – 1989 (Rechtslenker)
Klicken Sie auf „Vergrößern“, um ein Diagramm mit großen Teilen anzuzeigen.
Diagramm Nr. 11
Zugehörige Referenznummern
Verwandte, ersetzte, Querverweisoder Alternativnummern zum Vergleich.
91142306400
Das von Ihnen angezeigte Produkt verweist auf diese Nummern
- Porsche 911 1987-1989 3.2L G50
- Porsche 911 1978-1989 3.3L Turbo (930)
Im Pedalkasten; das Bremspedal dreht sich auf dem Außendurchmesser und das Kupplungspedal dreht sich auf dem Innendurchmesser dieses Rohrs.
Passform:Porsche 911/911S 1974-77
Porsche 911 1978-86 (Linkslenker)
Porsche 911 (930) Turbo 1975-77
Porsche 911 (930) Turbo 1984-88 (Linkslenker)
Diagrammreferenz Nr. 11
Zugehörige Referenznummern
Verwandte, ersetzte, Querverweisoder Alternativnummern zum Vergleich.
91142306200
Das von Ihnen angezeigte Produkt verweist auf diese Nummern
- Porsche 911 1974-1977 2.7L / 1976-77 3.0 Carrera
- Porsche 911 1978-1983 3.0L / SC
- Porsche 911 1984-1986 3.2L
- Porsche 911 1987-1989 3.2L G50
- Porsche 911 1975-1977 3.0L Turbo (930)
- Porsche 911 1978-1989 3.3L Turbo (930)

Passend für:
Porsche 911 1974-83 SC / Autos mit Sportomatic-Getriebe SPM
Klicken Sie auf „Vergrößern“, um ein Diagramm mit großen Teilen anzuzeigen.
Diagramm Nr. 18
Zugehörige Referenznummern
Verwandte, ersetzte, Querverweisoder Alternativnummern zum Vergleich.
92542305301
Das von Ihnen angezeigte Produkt verweist auf diese Nummern
- Porsche 911 1974-1977 2.7L / 1976-77 3.0 Carrera
- Porsche 911 1978-1983 3.0L / SC
- Porsche 911 1975-1977 3.0L Turbo (930)

Passt:
Porsche 911 1978-86 RHD Autos
Porsche 911 Turbo 1978-89 RHD Autos
Klicken Sie auf „Vergrößern“, um ein großes Teilediagramm anzuzeigen.
Diagramm Nr. 18
Zugehörige Referenznummern
Verwandte, ersetzte, Querverweisoder Alternativnummern zum Vergleich.
91142305401
Das von Ihnen angezeigte Produkt verweist auf diese Nummern
- Porsche 911 1974-1977 2.7L / 1976-77 3.0 Carrera
- Porsche 911 1978-1983 3.0L / SC
- Porsche 911 1984-1986 3.2L
- Porsche 911 1987-1989 3.2L G50
- Porsche 911 1978-1989 3.3L Turbo (930)

Passt:
Porsche 911 1987-89 LHD Autos
Porsche 911 Turbo 1989 LHD Autos
Klicken Sie auf „Vergrößern“, um ein großes Teilediagramm anzuzeigen.
Diagramm Nr. 22
Zugehörige Referenznummern
Verwandte, ersetzte, Querverweisoder Alternativnummern zum Vergleich.
91142305307
Das von Ihnen angezeigte Produkt verweist auf diese Nummern
- Porsche 911 1987-1989 3.2L G50
- Porsche 911 1978-1989 3.3L Turbo (930)
-
Pedale für linksgelenkte Autos 911 1978-83 702-00
-
Pedale für rechtsgelenkte Autos 911 1978-83 702-05
-
Pedale für LINKSLENKER AUTOS 911 TURBO 1987-88 702-00
-
Pedale für RECHTSLENKER FAHRZEUGE 911 TURBO 1987-88 702-05
-
Pedale für LINKSLENKER-FAHRZEUGE 911 CARRERA 1978-89 / TURBO 1989- 702-06
-
Pedale für RECHTSLENKER 911 CARRERA 19787-89 / TURBO 1989- 702-07
-
Pedals for Left-Hand Drive cars with manual transmission 911 1970-73 702-00
-
Pedals for Left-Hand Drive cars 911 1970-73 SPM 702-10
-
Pedals for Right-Hand Drive cars 911 1970-73 SPM 702-15
-
Pedale für linksgelenkte Autos 911 1984-86 702-00
-
Pedale für rechtsgelenkte Autos 911 1984-86 702-05
-
Pedals for Left-Hand Drive Cars 911 1974-77 702-00
-
Pedals for Right-Hand Drive Cars 911 1974-77 702-05
-
Pedals for cars with brake booster 911 1974-77 702-10
-
Pedals for Left-hand Drive Cars 911 1974-77 SPM 702-15
-
Pedals for Right-hand Drive Cars 911 1974-77 SPM 702-20
-
Pedals for RIGHT-HAND DRIVE cars with manual transmission 911 1970-73 702-05
-
Pedale für linksgelenkte Fahrzeuge mit Schaltgetriebe 911 1965-69 702-00
-
Pedale für Rechtslenkerfahrzeuge mit Schaltgetriebe 911 1965-69 702-05
-
Pedals for Left-Hand Drive cars 911 1965-69 SPM 702-10
-
pedals for Right-Hand Drive Cars 911 1969 SPM 702-15
-
pedals for left-hand drive cars 911 TURBO 1975-77 702-00
-
pedals for right-hand drive cars 911 TURBO 1975-77 702-05
-
pedals for cars with brake booster 911 TURBO 1975-77 702-10
Porsche Bremspedal & Teile | Design911 Performance-Bremskomponenten für präzise Kontrolle
Das Bremspedal ist eine der wichtigsten Komponenten eines Porsche und verbindet die Eingaben des Fahrers direkt mit dem Bremssystem des Fahrzeugs. Ob auf der Straße, der Rennstrecke oder bei Rallyes – ein reaktionsschnelles Bremspedal sorgt für Sicherheit, Vertrauen und Kontrolle unter allen Fahrbedingungen. Bei leistungsgesteigerten oder klassischen Porsche-Modellen ist ein präzises Pedalgefühl für eine ausgewogene Bremsleistung unerlässlich.
Bei Design911 bieten wir ein umfangreiches Sortiment an Bremspedalen, Pedalbaugruppen, Halterungen, Sensoren und Rückholfedern, alle aus hochfesten Materialien gefertigt für Langlebigkeit und Präzision. Unsere Bremspedalkomponenten sind auf präzise Passform und verbesserte Kontrolle ausgelegt und bieten konsistentes Feedback, reibungslose Funktion und langfristige Zuverlässigkeit. Perfekt für Leistungssteigerungen, Rennvorbereitungen oder Restaurierungen – diese Teile sorgen dafür, dass Ihr Porsche genauso gut bremst wie er fährt.
Welche Funktion hat das Bremspedal?
Das Bremspedal wandelt den Druck des Fahrers in hydraulische oder elektronische Bremskraft um und überträgt diese Eingabe über den Hauptzylinder oder die Bremssensoren an das Bremssystem.
Kernfunktionen:
• Steuert den Hydraulikdruck aller Bremssättel für eine gleichmäßige Bremskraft.
• Bietet präzisen Pedalweg und Widerstand für sicheres Bremsen.
• Unterstützt eine gleichmäßige Bremsmodulation und Rückmeldung unter hoher Belastung.
• Verbindungen zu Bremsschaltern und Sensoren für elektronische Stabilitätssysteme.
• Sorgt für schnelles Zurückkehren und zuverlässiges Gefühl bei wiederholtem Bremsen.
Ein ordnungsgemäß konstruiertes und gewartetes Bremspedalsystem garantiert eine vorhersehbare Bremsleistung und maximiert die Kontrolle des Fahrers, insbesondere bei hohen Geschwindigkeiten oder auf der Rennstrecke.
Warum versagen Bremspedale und -komponenten?
Mit der Zeit können Bremspedale und zugehörige Komponenten durch Verschleiß, Korrosion oder Hitzebelastung verschleißen – insbesondere bei sportlicher Fahrweise.
Zu den häufigsten Fehlerursachen zählen:
• Übermäßiger Verschleiß an den Pedalzapfen oder -buchsen, der zu einer losen Bewegung führt.
• Korrosion oder Ermüdung von Metallkomponenten durch Bremsflüssigkeit oder Feuchtigkeit.
• Beschädigte oder gedehnte Rückholfedern verringern die Pedalreaktion.
• Defekte Bremslichtschalter oder Pedalsensoren.
• Verformungen oder Risse durch anhaltenden Druck oder Hitze.
Wenn diese Probleme auftreten, werden die Bremspräzision und -sicherheit beeinträchtigt. Ein rechtzeitiger Austausch oder eine Aufrüstung ist daher für eine zuverlässige Leistung unerlässlich.
Warum sollten Sie Ihr Porsche-Bremspedal ersetzen oder aufrüsten?
Der Austausch verschlissener oder veralteter Bremspedalkomponenten stellt die Bremspräzision, das Ansprechverhalten und das Vertrauen des Fahrers wieder her. Die Aufrüstung auf präzisionsgefertigte Teile kann zudem die Modulation und Haltbarkeit bei sportlicher Fahrweise verbessern.
Hauptvorteile:
• Stellt ein gleichmäßiges Pedalgefühl und Bremsverhalten wieder her.
• Verbessert die Sicherheit und Kontrolle bei starkem Bremsen.
• Verhindert Festkleben, Lärm und Vibrationen.
• Verbesserte Materialien widerstehen Korrosion und Ermüdung.
• Direkte Kompatibilität für Porsche 911, Boxster, Cayman, Panamera und Cayenne.
• Ideal für Restaurierungen, Rennaufbauten und Leistungssteigerungen.
Das Porsche-Bremspedalsortiment von Design911 vereint Präzision auf Motorsportniveau mit dauerhafter Zuverlässigkeit und gewährleistet so optimale Bremskontrolle für jeden Porsche-Fahrer.
Highlights
• Premium-Bremspedale und Pedalbeschläge von Porsche.
• Präzisionsgefertigt aus hochfestem Stahl und Aluminium.
• Verbesserte Beständigkeit gegen Verschleiß, Biegung und Korrosion.
• Stellt das Bremsgleichgewicht und das Fahrerfeedback wieder her.
• Passend für klassische und moderne Porsche-Modelle.
• Perfekt für Leistungstuning, Motorsport oder Restaurierungsprojekte.