Geben Sie hier Ihre MwSt.-Nummer ein und klicken Sie auf Überprüfen:
Sie brauchen den Ländercode Ihrer MwSt.-Nummer nicht einzugeben, da dieser bereits oben in Ihrer Rechnungsadresse ausgewählt wurde.
Ihre Angaben wurden überprüft. MwSt.-Nummer registriert auf:
,
.
Ihre Bestellung ist nun mehrwertsteuerfrei. Wir behalten uns das Recht vor, diese Angaben nach Ihrer Bestellung zu überprüfen und gegebenenfalls die Mehrwertsteuer wieder einzuführen.
Ihre MwSt.-Angaben wurden nicht erkannt oder waren ungültig. Ihre MwSt.-Nummer muss mit Ihrem Rechnungsland übereinstimmen, wie oben angegeben. Dies ist derzeit als angegeben. Sie brauchen den Ländercode Ihrer MwSt.-Nummer nicht einzugeben, da Sie diesen bereits in den Angaben zu Ihrer Rechnungsadresse oben ausgewählt haben.
Der Dienst zur Überprüfung von MwSt.-Nummern ist derzeit offline. Bitte geben Sie Ihre MwSt.-Daten im Feld „Kommentare“ oder „Besondere Hinweise“ unten an, und wir werden nach Ihrer Bestellung einen MwSt.-Rabatt gewähren.
Ausgleichsbehälterschläuche

Passform:
Porsche 944 Turbo 2.5L 1986-87
** nur mit Motortyp M44.50 und M44.51
Klicken Sie auf „Vergrößern“, um das Diagramm großer Teile anzuzeigen.
Diagramm Ref. Nr. 36
Zugehörige Referenznummern
Verwandte, ersetzte, Querverweisoder Alternativnummern zum Vergleich.
95110624706
Das von Ihnen angezeigte Produkt verweist auf diese Nummern
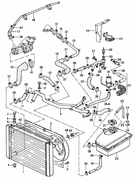
- Porsche 944 Turbo 2.5L 8V 1985-88

Passform:
Porsche 944 Turbo 2.5L 1986-87
Klicken Sie auf „Vergrößern“, um das Diagramm großer Teile anzuzeigen.
Diagramm Ref. Nr. 36
Zugehörige Referenznummern
Verwandte, ersetzte, Querverweisoder Alternativnummern zum Vergleich.
95110624706
Das von Ihnen angezeigte Produkt verweist auf diese Nummern
- Porsche 944 Turbo 2.5L 8V 1985-88

Passform:
Porsche 924S 1986-88
Porsche 944 1987-91
Porsche 968 1992-95
Klicken Sie auf „Vergrößern“, um das Diagramm anzuzeigen.
Diagrammreferenznummer 21.
Zugehörige Referenznummern
Verwandte, ersetzte, Querverweisoder Alternativnummern zum Vergleich.
94410625100
Das von Ihnen angezeigte Produkt verweist auf diese Nummern
- Porsche 924S 2.5L 1986-87
- Porsche 924S 2.5L 1988
- Porsche 944 2.5L 8V 1982-87
- Porsche 944 2.7L 8V 1988-89
- Porsche 944S 2.5L 16V 1987-88
- Porsche 944S2 3.0L 16V 1989-91
- Porsche 944 Turbo 2.5L 8V 1985-88
- Porsche 944 Turbo 2.5L 8V 1989-91
- Porsche 944 Turbo S 2.5L 8V 1988
- Porsche 968 3.0L 1992-94
- Porsche 968 Sport 3.0L 1994-95
- Porsche 968 CS 3.0L 1993-95
- Porsche 968 Turbo S 3.0L 1993-94

Passform:
Porsche 944 Turbo 1985-91
Klicken Sie auf „Vergrößern“, um das Diagramm anzuzeigen.
Diagrammreferenznummer 35.
Zugehörige Referenznummern
Verwandte, ersetzte, Querverweisoder Alternativnummern zum Vergleich.
95110625102
Das von Ihnen angezeigte Produkt verweist auf diese Nummern
- Porsche 944 Turbo 2.5L 8V 1985-88
- Porsche 944 Turbo 2.5L 8V 1989-91
- Porsche 944 Turbo S 2.5L 8V 1988

Passform:
Porsche 944 Turbo 1985-91
Klicken Sie auf „Vergrößern“, um das Diagramm anzuzeigen.
Diagrammreferenznummer 35.
Zugehörige Referenznummern
Verwandte, ersetzte, Querverweisoder Alternativnummern zum Vergleich.
95110625102
Das von Ihnen angezeigte Produkt verweist auf diese Nummern
- Porsche 944 Turbo 2.5L 8V 1985-88
- Porsche 944 Turbo 2.5L 8V 1989-91
- Porsche 944 Turbo S 2.5L 8V 1988

Passform:
Porsche 924S 1986-88
Porsche 944 1985-91
Porsche 968 1992-95
Klicken Sie auf „Vergrößern“, um das Diagramm großer Teile anzuzeigen.
Diagramm Ref. Nr. 27
Zugehörige Referenznummern
Verwandte, ersetzte, Querverweisoder Alternativnummern zum Vergleich.
94410692700
Das von Ihnen angezeigte Produkt verweist auf diese Nummern
- Porsche 924S 2.5L 1986-87
- Porsche 924S 2.5L 1988
- Porsche 944 2.5L 8V 1982-87
- Porsche 944 2.7L 8V 1988-89
- Porsche 944S 2.5L 16V 1987-88
- Porsche 944S2 3.0L 16V 1989-91
- Porsche 944 Turbo 2.5L 8V 1985-88
- Porsche 944 Turbo 2.5L 8V 1989-91
- Porsche 944 Turbo S 2.5L 8V 1988
- Porsche 968 3.0L 1992-94
- Porsche 968 Sport 3.0L 1994-95
- Porsche 968 CS 3.0L 1993-95
- Porsche 968 Turbo S 3.0L 1993-94
Referenznummer: 94410692700.

Passform:
Porsche 924S 1986-88
Porsche 944 1985-91
Porsche 968 1992-95
Hier erhalten Sie einen Einschraub-Anschlussstutzen aus Aluminium für den Kühler Ihres Porsche 924, 944 II, 944 turbo und 968, der den Kühler mit dem Schlauch des Ausgleichsbehälters verbindet.
Hergestellt in Deutschland
Klicken Sie auf „Vergrößern“, um das Diagramm großer Teile anzuzeigen.
Diagramm Referenz Nr. 27
Zugehörige Referenznummern
Verwandte, ersetzte, Querverweisoder Alternativnummern zum Vergleich.
94410692700
Das von Ihnen angezeigte Produkt verweist auf diese Nummern
- Porsche 924S 2.5L 1986-87
- Porsche 924S 2.5L 1988
- Porsche 944 2.5L 8V 1982-87
- Porsche 944 2.7L 8V 1988-89
- Porsche 944S 2.5L 16V 1987-88
- Porsche 944S2 3.0L 16V 1989-91
- Porsche 944 Turbo 2.5L 8V 1985-88
- Porsche 944 Turbo 2.5L 8V 1989-91
- Porsche 944 Turbo S 2.5L 8V 1988
- Porsche 968 3.0L 1992-94
- Porsche 968 Sport 3.0L 1994-95
- Porsche 968 CS 3.0L 1993-95
- Porsche 968 Turbo S 3.0L 1993-94

Passform:
Porsche 968 1992-95
Porsche 944 1985-91
Klicken Sie auf „Vergrößern“, um das Diagramm großer Teile anzuzeigen.
Diagrammreferenznummer 34.
Zugehörige Referenznummern
Verwandte, ersetzte, Querverweisoder Alternativnummern zum Vergleich.
95110624901
Das von Ihnen angezeigte Produkt verweist auf diese Nummern
- Porsche 944 2.7L 8V 1988-89
- Porsche 944S 2.5L 16V 1987-88
- Porsche 944S2 3.0L 16V 1989-91
- Porsche 944 Turbo 2.5L 8V 1985-88
- Porsche 944 Turbo 2.5L 8V 1989-91
- Porsche 944 Turbo S 2.5L 8V 1988

Passform:
Porsche 968 1992-95
Porsche 944 1985-91
Klicken Sie auf „Vergrößern“, um das Diagramm großer Teile anzuzeigen.
Diagrammreferenznummer 34.
Zugehörige Referenznummern
Verwandte, ersetzte, Querverweisoder Alternativnummern zum Vergleich.
95110624901
Das von Ihnen angezeigte Produkt verweist auf diese Nummern
- Porsche 944 2.7L 8V 1988-89
- Porsche 944S 2.5L 16V 1987-88
- Porsche 944S2 3.0L 16V 1989-91
- Porsche 944 Turbo 2.5L 8V 1985-88
- Porsche 944 Turbo 2.5L 8V 1989-91
- Porsche 944 Turbo S 2.5L 8V 1988
Expansion Tank Coolant Hoses – Reliable Cooling Connections for Porsche Vehicles
Expansion tank coolant hoses are essential components in your Porsche’s cooling system. They connect the coolant expansion tank (reservoir) to the radiator, water pump, and engine, allowing the system to maintain correct pressure and coolant levels during operation. These hoses ensure that excess coolant flows smoothly between the tank and the rest of the system — preventing overheating, leaks, and pressure loss.
At Design911, we supply a full range of genuine and manufacturer-quality expansion tank coolant hoses for Porsche models including 911, Boxster, Cayman, Cayenne, Macan, and Panamera. Each hose is engineered for precise fitment, heat resistance, and long-term durability, ensuring your Porsche’s cooling system performs exactly as intended by the manufacturer.
What Do Expansion Tank Coolant Hoses Do?
Expansion tank hoses act as the link between the coolant
reservoir and the engine cooling circuit, helping to:
- Transport
coolant to and from the expansion tank as temperatures fluctuate.
- Maintain
proper pressure balance within the cooling system.
- Allow
coolant recovery as the system heats up and cools down.
- Prevent air pockets that can cause inefficient cooling or engine overheating.
Without properly functioning hoses, the cooling system cannot maintain the balance of pressure and temperature required for optimal performance.
Why Do Expansion Tank Coolant Hoses Fail?
Due to constant exposure to heat, pressure, and coolant
chemicals, these hoses can degrade or fail over time. Common causes include:
- Rubber
fatigue or cracking from repeated heat cycles.
- Coolant
leaks caused by weakened hose ends or clamps.
- Swelling
or softening from prolonged coolant contact.
- Aging
materials losing elasticity and sealing ability.
- Corrosion or contamination around connectors and fittings.
Typical signs of failure include visible cracks, coolant leaks near the expansion tank, fluctuating coolant levels, or overheating warnings.
Why Replace Faulty Expansion Tank Coolant Hoses?
A damaged or leaking expansion tank hose can cause coolant loss, air pockets, or pressure imbalance, leading to overheating or potential engine damage. Replacing these hoses is a simple but critical maintenance step to keep your Porsche’s cooling system running reliably.
Benefits of replacement include:
- Restored coolant flow and pressure regulation.
- Prevention of leaks and air ingress.
- Enhanced engine performance and temperature stability.
- Long-lasting, manufacturer-quality durability and fitment.
All hoses in this range are made using high-grade, reinforced materials designed to meet or exceed factory standards, ensuring exceptional performance, heat resistance, and reliability under all driving conditions.