Geben Sie hier Ihre MwSt.-Nummer ein und klicken Sie auf Überprüfen:
Sie brauchen den Ländercode Ihrer MwSt.-Nummer nicht einzugeben, da dieser bereits oben in Ihrer Rechnungsadresse ausgewählt wurde.
Ihre Angaben wurden überprüft. MwSt.-Nummer registriert auf:
,
.
Ihre Bestellung ist nun mehrwertsteuerfrei. Wir behalten uns das Recht vor, diese Angaben nach Ihrer Bestellung zu überprüfen und gegebenenfalls die Mehrwertsteuer wieder einzuführen.
Ihre MwSt.-Angaben wurden nicht erkannt oder waren ungültig. Ihre MwSt.-Nummer muss mit Ihrem Rechnungsland übereinstimmen, wie oben angegeben. Dies ist derzeit als angegeben. Sie brauchen den Ländercode Ihrer MwSt.-Nummer nicht einzugeben, da Sie diesen bereits in den Angaben zu Ihrer Rechnungsadresse oben ausgewählt haben.
Der Dienst zur Überprüfung von MwSt.-Nummern ist derzeit offline. Bitte geben Sie Ihre MwSt.-Daten im Feld „Kommentare“ oder „Besondere Hinweise“ unten an, und wir werden nach Ihrer Bestellung einen MwSt.-Rabatt gewähren.
Bremskraftverstärker

Bremsflüssigkeit ist eine der wichtigsten Flüssigkeiten in einem Auto, denn ohne sie wäre ein sicheres Anhalten des Fahrzeugs nicht möglich. Die Bremsflüssigkeit überträgt die vom Fahrer auf das Bremspedal ausgeübte Kraft auf die Radbremse.
Um eine einwandfreie Funktion der Bremsen zu gewährleisten, muss die Bremsflüssigkeit regelmäßig bei der Inspektion oder Wartung gewechselt und mit dem richtigen Bremsflüssigkeitstester geprüft werden.
Die Bremsflüssigkeit sollte alle zwei Jahre gewechselt werden.
Je höher die DOT-Klasse, desto höher sind Siedetemperatur und Nasssiedepunkt. Höhere DOT-Klassen erlauben tendenziell längere Wartungsintervalle. Die DOT-Standards basieren auf dem amerikanischen FMVSS-116-Standard des Department of Transportation (DOT).
Siedepunkt und Viskosität
Trockensiedepunkt - beschreibt die Eigenschaft der verschlossenen, neuen Bremsflüssigkeit. In diesem Zustand ist die Bremsflüssigkeit nahezu wasserfrei (Substanz, die kein Wasser enthält). Der Trockensiedepunkt liegt üblicherweise zwischen 240 und 280°C.
Nasssiedepunkt - bestimmt die Eigenschaft der Bremsflüssigkeit am Ende ihrer Lebensdauer, bei einem Wassergehalt von 3,5% sollte die Flüssigkeit ausgetauscht werden. Dieser definierte Nasssiedepunkt darf nicht unterschritten werden.
Viskosität – beschreibt die Fließgeschwindigkeit der Bremsflüssigkeit. Je geringer die Viskosität, desto schneller fließt die Bremsflüssigkeit durch das Bremssystem und desto schneller werden die Bremssignale übertragen.
Wichtige Notizen
• Bremsflüssigkeit ist giftig und Sondermüll.
• Seien Sie beim Wechseln vorsichtig. Die Flüssigkeit schwächt Lacke und Kunststoffe.
• Es darf nicht mit Augen oder Haut in Berührung kommen. Verschüttete Flüssigkeit immer mit Wasser abspülen.
• Die Flüssigkeit nicht ins Trinkwasser geben oder mit Altöl mischen.
• Die Farbe der Bremsflüssigkeit sagt nichts über deren Qualität aus.
• Bremsflüssigkeit sollte in der Originalverpackung und an einem trockenen, kühlen und gut belüfteten Ort gelagert werden.
Informieren Sie sich hier über die Textar Produktverifizierung

DOT 4
Mit einem extrem hohen Siedepunkt und einer niedrigeren Viskosität als erforderlich erfüllt es die gesetzlichen Standards und übertrifft diese bei weitem. Auch für Fahrzeuge mit ABS geeignet.
Bildung von Dampfblasen
Diese Art von Angewohnheit lässt Raum für die Dampfsperre, die Bildung von Dampfblasen aufgrund des Siedens der Bremsflüssigkeit, die die normale Flüssigkeit ersetzen und komprimiert werden, wodurch das Bremspedal in den Vollhub gerät (schwammiges Pedal). Der Grund liegt in der Porosität der Rohre, aus denen der Bremskreislauf besteht, die mit der Zeit Feuchtigkeit in die Flüssigkeit ziehen und so den Siedepunkt drastisch senken. Die Folge ist eine verminderte Bremswirkung.
Brembo Premium-Bremsflüssigkeit
Brembo Premium-Bremsflüssigkeiten haben einen höheren Siedepunkt, der über dem Standard liegt, wodurch sie eine überlegene Beständigkeit gegen Dampfblasenbildung bieten und die Bremswirkung auch bei niedrigen Temperaturen gewährleisten. Mit hohen Korrosionsschutzeigenschaften und Oxidationsbeständigkeit ermöglicht Brembo-Bremsflüssigkeit auch langfristig unveränderte chemische/physikalische Eigenschaften der Flüssigkeit im Betriebskreislauf; Daher wird seine Integrität gewahrt.
Zugehörige Referenznummern
Verwandte, ersetzte, Querverweisoder Alternativnummern zum Vergleich.
L040
Das von Ihnen angezeigte Produkt verweist auf diese Nummern
Bremsflüssigkeit DOT 4 LV (niedrige Viskosität) Textar.

Textar DOT 4 LV (Low Viscosity) wird aufgrund seines hohen Siedepunkts und seiner hervorragenden Leistung bei sehr niedrigen Temperaturen besonders für den Einsatz in hydraulischen Brems- und Kupplungssystemen von Fahrzeugen mit ESP, ABS und ASR empfohlen.
DOT 4 LV (niedrige Viskosität)
Trockensiedepunkt ≥ 260° C
Nasssiedepunkt ≥ 165° C
Viskosität bei -40 °C < 750 mm2/s
Bremsflüssigkeit ist eine der wichtigsten Flüssigkeiten in einem Auto, denn ohne sie wäre ein sicheres Anhalten des Fahrzeugs nicht möglich. Die Bremsflüssigkeit überträgt die vom Fahrer auf das Bremspedal ausgeübte Kraft auf die Radbremse.
Um eine einwandfreie Funktion der Bremsen zu gewährleisten, muss die Bremsflüssigkeit regelmäßig bei der Inspektion oder Wartung gewechselt und mit dem richtigen Bremsflüssigkeitstester geprüft werden.
Die Bremsflüssigkeit sollte alle zwei Jahre gewechselt werden.
Je höher die DOT-Klasse, desto höher sind Siedetemperatur und Nasssiedepunkt. Höhere DOT-Klassen erlauben tendenziell längere Wartungsintervalle. Die DOT-Standards basieren auf dem amerikanischen FMVSS-116-Standard des Department of Transportation (DOT).
Siedepunkt und Viskosität
Trockensiedepunkt - beschreibt die Eigenschaft der verschlossenen, neuen Bremsflüssigkeit. In diesem Zustand ist die Bremsflüssigkeit nahezu wasserfrei (Substanz, die kein Wasser enthält). Der Trockensiedepunkt liegt üblicherweise zwischen 240 und 280°C.
Nasssiedepunkt - bestimmt die Eigenschaft der Bremsflüssigkeit am Ende ihrer Lebensdauer, bei einem Wassergehalt von 3,5% sollte die Flüssigkeit ausgetauscht werden. Dieser definierte Nasssiedepunkt darf nicht unterschritten werden. <
Viskosität – beschreibt die Fließgeschwindigkeit der Bremsflüssigkeit. Je geringer die Viskosität, desto schneller fließt die Bremsflüssigkeit durch das Bremssystem und desto schneller werden die Bremssignale übertragen.
Wichtige Notizen
• Bremsflüssigkeit ist giftig und Sondermüll.
• Seien Sie beim Wechseln vorsichtig. Die Flüssigkeit schwächt Lacke und Kunststoffe.
• Es darf nicht mit Augen oder Haut in Berührung kommen. Verschüttete Flüssigkeit immer mit Wasser abspülen.
• Die Flüssigkeit nicht ins Trinkwasser geben oder mit Altöl mischen.
• Die Farbe der Bremsflüssigkeit sagt nichts über deren Qualität aus.
• Bremsflüssigkeit sollte in der Originalverpackung und an einem trockenen, kühlen und gut belüfteten Ort gelagert werden.
Informieren Sie sich hier über die Textar Produktverifizierung
Zugehörige Referenznummern
Verwandte, ersetzte, Querverweisoder Alternativnummern zum Vergleich.
95006
Das von Ihnen angezeigte Produkt verweist auf diese Nummern

Bremsflüssigkeit ist eine der wichtigsten Flüssigkeiten in einem Auto, denn ohne sie wäre ein sicheres Anhalten des Fahrzeugs nicht möglich. Die Bremsflüssigkeit überträgt die vom Fahrer auf das Bremspedal ausgeübte Kraft auf die Radbremse.
Um eine einwandfreie Funktion der Bremsen zu gewährleisten, muss die Bremsflüssigkeit regelmäßig bei der Inspektion oder Wartung gewechselt und mit dem richtigen Bremsflüssigkeitstester geprüft werden.
Die Bremsflüssigkeit sollte alle zwei Jahre gewechselt werden.
Je höher die DOT-Klasse, desto höher sind Siedetemperatur und Nasssiedepunkt. Höhere DOT-Klassen erlauben tendenziell längere Wartungsintervalle. Die DOT-Standards basieren auf dem amerikanischen FMVSS-116-Standard des Department of Transportation (DOT).
Siedepunkt und Viskosität
Trockensiedepunkt - beschreibt die Eigenschaft der verschlossenen, neuen Bremsflüssigkeit. In diesem Zustand ist die Bremsflüssigkeit nahezu wasserfrei (Substanz, die kein Wasser enthält). Der Trockensiedepunkt liegt üblicherweise zwischen 240 und 280°C.
Nasssiedepunkt - bestimmt die Eigenschaft der Bremsflüssigkeit am Ende ihrer Lebensdauer, bei einem Wassergehalt von 3,5% sollte die Flüssigkeit ausgetauscht werden. Dieser definierte Nasssiedepunkt darf nicht unterschritten werden.
Viskosität – beschreibt die Fließgeschwindigkeit der Bremsflüssigkeit. Je geringer die Viskosität, desto schneller fließt die Bremsflüssigkeit durch das Bremssystem und desto schneller werden die Bremssignale übertragen.
Wichtige Notizen
• Bremsflüssigkeit ist giftig und Sondermüll.
• Seien Sie beim Wechseln vorsichtig. Die Flüssigkeit schwächt Lacke und Kunststoffe.
• Es darf nicht mit Augen oder Haut in Berührung kommen. Verschüttete Flüssigkeit immer mit Wasser abspülen.
• Die Flüssigkeit nicht ins Trinkwasser geben oder mit Altöl mischen.
• Die Farbe der Bremsflüssigkeit sagt nichts über deren Qualität aus.
• Bremsflüssigkeit sollte in der Originalverpackung und an einem trockenen, kühlen und gut belüfteten Ort gelagert werden.
Informieren Sie sich hier über die Textar Produktverifizierung
Zugehörige Referenznummern
Verwandte, ersetzte, Querverweisoder Alternativnummern zum Vergleich.
95002
Das von Ihnen angezeigte Produkt verweist auf diese Nummern
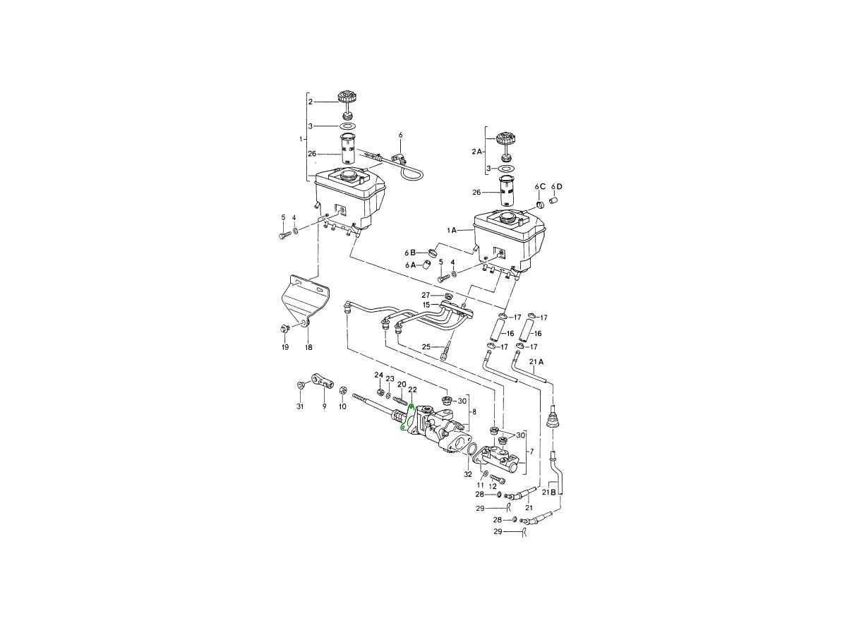
Dichtung für Bremskraftverstärkerzylinder
Hochwertige Ersatzdichtung für Bremskraftverstärkerzylinder, passend für Porsche 964 und 993 Modelle, einschließlich Carrera 4, Turbo und RS Varianten.
Diese Dichtung gewährleistet eine sichere Abdichtung zwischen Bremskraftverstärker und Bremszylinder und sorgt so für einwandfreie Funktion des Bremskraftreglers und gleichbleibende Bremsleistung. Sie ist ein entscheidendes Bauteil für die Effizienz und Sicherheit des Bremssystems.
Passend für:
Diagramm-Referenznummer 22
Diese nach OEM-Spezifikationen gefertigte Dichtung bietet eine präzise Passform und zuverlässige Dichtungsleistung – ideal für Wartung, Reparatur oder Restaurierung von Hochleistungsbremsanlagen von Porsche.
Hauptmerkmale
• Direkter Ersatz für die Bremskraftverstärkerzylinderdichtung
• Geeignet für Porsche 964 und 993 Carrera 4, Turbo und RS Modelle
• Gewährleistet die ordnungsgemäße Vakuumabdichtung im Bremssystem
• Passform und Leistung in Erstausrüsterqualität
• Langlebiges Material für dauerhafte Zuverlässigkeit
• Ideal für Wartung, Reparatur oder Restaurierung
Funktion und Zweck
Diese Dichtung dichtet die Verbindung innerhalb des Bremskraftverstärkersystems ab.
Es hilft dabei:
• Korrekten Unterdruck für die Bremsunterstützung aufrechterhalten
• Luftlecks im Bremssystem verhindern
• Gleichmäßiges Bremspedalgefühl sicherstellen
• Unterstützt ein sicheres und zuverlässiges Bremsverhalten
Warum Sie die Dichtung Ihres Bremskraftverstärkers austauschen sollten
Die Dichtungen von Bremssystemen können sich im Laufe der Zeit durch Hitze und Alterung verschlechtern.
Häufige Probleme sind:
• Vakuumlecks verringern die Bremskraft
• Verhärtetes oder rissiges Dichtungsmaterial
• Uneinheitliche Bremsleistung
• Reduzierte Systemeffizienz
Durch den Austausch der Dichtung werden die ordnungsgemäße Bremsfunktion und die Sicherheit wiederhergestellt.
Zugehörige Referenznummern
Verwandte, ersetzte, Querverweisoder Alternativnummern zum Vergleich.
96435585100
Das von Ihnen angezeigte Produkt verweist auf diese Nummern
- Porsche 964 (911) C4 1989-93
- Porsche 964 (911) RS 3.6L 1991-93
- Porsche 964 (911) RS 3.8L 1991-93
- Porsche 964 (911) TURBO 3.3L 1991-93
- Porsche 964 (911) TURBO 3.6L 1991-93
- Porsche 993 (911) C4 1994-97
- Porsche 993 (911) RS 1994-97
- Porsche 993 (911) C4S 1994-97
- Porsche 993 (911) TURBO 1994-96
- Porsche 993 (911) GT2 1994-97
- Porsche 993 (911) TURBO S 1994-97
Dichtung für Bremskraftverstärkerzylinder
Hochwertige Ersatzdichtung für Bremskraftverstärkerzylinder, passend für Porsche 964 und 993 Modelle, einschließlich Carrera 4, Turbo und RS Varianten.
Diese Dichtung gewährleistet eine sichere Abdichtung zwischen Bremskraftverstärker und Bremszylinder und sorgt so für einwandfreie Funktion des Bremskraftreglers und gleichbleibende Bremsleistung. Sie ist ein entscheidendes Bauteil für die Effizienz und Sicherheit des Bremssystems.
Passend für:
Diagramm-Referenznummer 22
Diese nach OEM-Spezifikationen gefertigte Dichtung bietet eine präzise Passform und zuverlässige Dichtungsleistung – ideal für Wartung, Reparatur oder Restaurierung von Hochleistungsbremsanlagen von Porsche.
Hauptmerkmale
• Direkter Ersatz für die Bremskraftverstärkerzylinderdichtung
• Geeignet für Porsche 964 und 993 Carrera 4, Turbo und RS Modelle
• Gewährleistet die ordnungsgemäße Vakuumabdichtung im Bremssystem
• Passform und Leistung in Erstausrüsterqualität
• Langlebiges Material für dauerhafte Zuverlässigkeit
• Ideal für Wartung, Reparatur oder Restaurierung
Funktion und Zweck
Diese Dichtung dichtet die Verbindung innerhalb des Bremskraftverstärkersystems ab.
Es hilft dabei:
• Korrekten Unterdruck für die Bremsunterstützung aufrechterhalten
• Luftlecks im Bremssystem verhindern
• Gleichmäßiges Bremspedalgefühl sicherstellen
• Unterstützt ein sicheres und zuverlässiges Bremsverhalten
Warum Sie die Dichtung Ihres Bremskraftverstärkers austauschen sollten
Die Dichtungen von Bremssystemen können sich im Laufe der Zeit durch Hitze und Alterung verschlechtern.
Häufige Probleme sind:
• Vakuumlecks verringern die Bremskraft
• Verhärtetes oder rissiges Dichtungsmaterial
• Uneinheitliche Bremsleistung
• Verringerte Systemeffizienz
Durch den Austausch der Dichtung werden die ordnungsgemäße Bremsfunktion und die Sicherheit wiederhergestellt.
Zugehörige Referenznummern
Verwandte, ersetzte, Querverweisoder Alternativnummern zum Vergleich.
96435585100
Das von Ihnen angezeigte Produkt verweist auf diese Nummern
- Porsche 964 (911) C4 1989-93
- Porsche 964 (911) RS 3.6L 1991-93
- Porsche 964 (911) RS 3.8L 1991-93
- Porsche 964 (911) TURBO 3.3L 1991-93
- Porsche 964 (911) TURBO 3.6L 1991-93
- Porsche 993 (911) C4 1994-97
- Porsche 993 (911) RS 1994-97
- Porsche 993 (911) C4S 1994-97
- Porsche 993 (911) TURBO 1994-96
- Porsche 993 (911) GT2 1994-97
- Porsche 993 (911) TURBO S 1994-97
Porsche Bremskraftverstärker | Design911 Präzisions-Ersatzteile für verbesserte Bremskraft und Kontrolle
Der Bremskraftverstärker, auch Bremskraftverstärker genannt, ist ein wichtiger Bestandteil des Bremssystems Ihres Porsche. Er nutzt Motorvakuum oder Hydraulikdruck, um die auf das Bremspedal ausgeübte Kraft zu verstärken. Das Bremsen wird dadurch sanfter, reaktionsschneller und weniger anstrengend. Ein einwandfrei funktionierender Bremskraftverstärker sorgt für müheloses Bremsen und bewahrt das typische Pedalgefühl eines Porsche. Bei einem Ausfall erhöht sich der Pedaldruck und die Bremsleistung lässt nach – ein Austausch ist daher für Sicherheit und Komfort unerlässlich.
Design911 bietet eine große Auswahl an Bremskraftverstärkern und -verstärkern, die auf präzise Passform und langfristige Zuverlässigkeit ausgelegt sind. Jede Einheit wird aus hochwertigen Materialien und mit fortschrittlicher Dichtungstechnologie gefertigt, um eine konstante Vakuumunterstützung und hydraulische Integrität zu gewährleisten. Ob für den Straßeneinsatz, die Restaurierung oder Leistungssteigerungen – unsere Bremskraftverstärker sorgen für die präzise Bremsung, die Ihr Porsche verdient.
Was macht ein Bremskraftverstärker?
Der Bremskraftverstärker vervielfacht die Kraft des Bremspedals, bevor er sie an den Hauptbremszylinder überträgt, und verringert so den zum Abbremsen des Fahrzeugs erforderlichen Kraftaufwand.
Kernfunktionen:
• Verstärkt die Pedalkraft für eine verbesserte Bremswirkung.
• Sorgt für ein sanftes und reaktionsschnelles Bremspedalgefühl.
• Unterstützt eine konstante Bremsleistung bei unterschiedlichen Geschwindigkeiten.
• Hilft, den Komfort und die Kontrolle des Fahrers beim Abbremsen aufrechtzuerhalten.
• Funktioniert in Verbindung mit ABS und Stabilitätssystemen für Gleichgewicht und Sicherheit.
Ein effizientes Servosystem sorgt dafür, dass Ihr Porsche mit der Präzision, Kraft und Reaktionsfähigkeit bremst, für die er entwickelt wurde.
Warum versagen oder verschlechtern sich Bremskraftverstärker?
Im Laufe der Zeit sind Servos Vakuumdruck, Feuchtigkeit und mechanischer Abnutzung ausgesetzt, die ihre inneren Dichtungen, Membranen oder Ventile beeinträchtigen können.
Zu den häufigsten Fehlerursachen zählen:
• Vakuumlecks, die durch abgenutzte oder gerissene Membranen verursacht werden.
• Korrosion oder Eindringen von Feuchtigkeit beeinträchtigen die inneren Komponenten.
• Defekte Rückschlagventile oder beschädigte Dichtungen.
• Reduzierte Vakuumversorgung aufgrund von Motorproblemen.
• Altersbedingter Verschleiß im Booster-Mechanismus.
Bei einem Ausfall des Servos kann es für den Fahrer zu einem harten Bremspedal, einem längeren Bremsweg oder einer uneinheitlichen Bremsunterstützung kommen, was die Sicherheit und Leistung beeinträchtigt.
Warum sollten Sie Ihren Porsche-Bremskraftverstärker ersetzen oder aufrüsten?
Der Austausch eines defekten oder ineffizienten Bremskraftverstärkers stellt die korrekte Bremsunterstützung wieder her und gewährleistet ein sicheres, vorhersehbares Bremsverhalten. Die präzisionsgefertigten Servos von Design911 sind auf Langlebigkeit, direkte Passform und Kompatibilität mit allen Porsche-Modellen ausgelegt.
Hauptvorteile:
• Stellt die richtige Bremsunterstützung und das richtige Pedalgefühl wieder her.
• Verbessert den Bremskomfort und die Kontrolle.
• Für eine lange Lebensdauer aus korrosionsbeständigen Materialien gefertigt.
• Entwickelt für konstante Vakuum- und Hydraulikleistung.
• Das direkt passende Design gewährleistet eine einfache Installation.
• Passend für klassische und moderne Porsche-Fahrzeuge.
Die Porsche-Bremskraftverstärker und -Booster von Design911 bieten die Sicherheit und Zuverlässigkeit, die für jede Fahrsituation erforderlich ist – vom Stadtverkehr bis hin zu Hochgeschwindigkeitsfahrten.
Highlights
• Premium-Bremskraftverstärker und -Booster von Porsche.
• Präzisionsgefertigt für Hydraulik- und Vakuumeffizienz.
• Stellt mühelose Bremskraft und sanfte Pedalreaktion wieder her.
• Korrosionsbeständige Konstruktion für lange Lebensdauer.
• Ideal für Leistungs-, Restaurierungs- oder Wartungsanwendungen.
• Kompatibel mit einer Vielzahl von Porsche-Modellen.