Geben Sie hier Ihre MwSt.-Nummer ein und klicken Sie auf Überprüfen:
Sie brauchen den Ländercode Ihrer MwSt.-Nummer nicht einzugeben, da dieser bereits oben in Ihrer Rechnungsadresse ausgewählt wurde.
Ihre Angaben wurden überprüft. MwSt.-Nummer registriert auf:
,
.
Ihre Bestellung ist nun mehrwertsteuerfrei. Wir behalten uns das Recht vor, diese Angaben nach Ihrer Bestellung zu überprüfen und gegebenenfalls die Mehrwertsteuer wieder einzuführen.
Ihre MwSt.-Angaben wurden nicht erkannt oder waren ungültig. Ihre MwSt.-Nummer muss mit Ihrem Rechnungsland übereinstimmen, wie oben angegeben. Dies ist derzeit als angegeben. Sie brauchen den Ländercode Ihrer MwSt.-Nummer nicht einzugeben, da Sie diesen bereits in den Angaben zu Ihrer Rechnungsadresse oben ausgewählt haben.
Der Dienst zur Überprüfung von MwSt.-Nummern ist derzeit offline. Bitte geben Sie Ihre MwSt.-Daten im Feld „Kommentare“ oder „Besondere Hinweise“ unten an, und wir werden nach Ihrer Bestellung einen MwSt.-Rabatt gewähren.
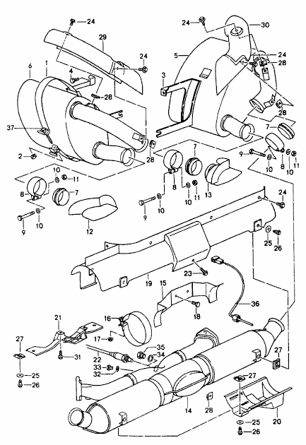
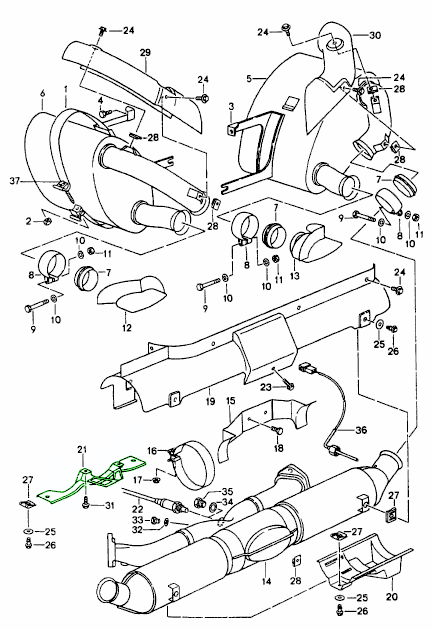
Halterungen/Klemmen/Riemen
Mit diesem Montagesatz stellen Sie die sichere Befestigung Ihres Auspuffendrohrs wieder her. Der Satz ist für Porsche 911 (993) Carrera 2 und Carrera 4 Modelle konzipiert und enthält alle notwendigen Halterungen, Schellen, Gurte und Befestigungselemente für die werksgerechte Montage Ihres Endrohrs. Egal ob Ihre vorhandenen Halterungen verschlissen, verrostet oder ausgeleiert sind – die Installation dieses Satzes gewährleistet präzise Ausrichtung, leisen Betrieb und lange Lebensdauer.
Passend für:
- Porsche 993 (911) C2 1994-97
- Porsche 993 (911) C4 1994-97
Was dieses Produkt bewirkt:
- Der Schalldämpfer-Montagesatz befestigt den/die Schalldämpfer (den hinteren Schalldämpferteil der Abgasanlage) am Fahrgestell/der Karosserie des Fahrzeugs unter dem Auto.
- Es gewährleistet die korrekte Ausrichtung des Schalldämpfers, hält ihn unter Vibrationen, Temperaturwechseln und Fahrbelastungen an Ort und Stelle und verhindert übermäßige Bewegungen, Klappern oder Kontakt mit der Karosserie oder der Aufhängung.
- Eine sachgemäße Montage gewährleistet die Unversehrtheit der Abgasanlage: Sie hält den Schalldämpfer in der richtigen Position, stellt sicher, dass die Halterungen/Bänder nicht gedehnt oder beschädigt werden, vermeidet Belastungen der Abgasrohre, verhindert den Kontakt mit dem Unterboden und beugt Abgasgeräuschen oder einem Versagen der Halterungen vor.
Symptome und Anzeichen dafür, dass ein Austausch erforderlich sein könnte:
- Starkes Klappern, Klopfen oder Vibrationen unter dem Auto hinten, insbesondere im Bereich des Auspuffs beim Beschleunigen, Bremsen oder Überfahren von Unebenheiten – eine verschlissene oder fehlende Halterung kann Bewegungen verursachen.
- Sichtbare Bewegung oder ein Durchhängen des Schalldämpfers weg von seiner werkseitigen Position; eine Fehlausrichtung oder ein Durchhängen bedeutet oft, dass die Halterungen/Aufhängungen ermüdet, korrodiert oder gebrochen sind.
- Beschädigte, korrodierte oder fehlende Halterungen, Gurte, Klemmen oder Buchsen im Bereich der Schalldämpferbefestigung – häufig bei älteren 993-Modellen, bei denen Streusalz, Hitze und Alter die Bauteile beeinträchtigt haben.
- Kontakt des Auspuffs mit Karosserie- oder Fahrwerksteilen – wenn sich der Schalldämpfer aufgrund einer fehlerhaften Befestigung verschiebt, können Abriebspuren, verbrannte Karosserieteile oder Beschädigungen an umliegenden Bauteilen auftreten.
- Reparatur der Abgasanlage oder Austausch des Schalldämpfers : Wenn Sie den Schalldämpfer ohnehin austauschen und feststellen, dass die Befestigungsteile verschlissen sind, stellt der Austausch des kompletten Satzes sicher, dass der neue Schalldämpfer korrekt montiert wird und zukünftige Probleme reduziert werden.
- Erhält die Funktion und Haltbarkeit der Abgasanlage : Die korrekte Montage reduziert die Belastung von Rohren, Verbindungen und dem Schalldämpferkörper – wodurch Risse, Leckagen oder Verbindungsfehler vermieden werden.
- Reduziert Lärm und Vibrationen : Ein sicherer Schalldämpfer verringert unerwünschte Bewegungen, verhindert Klappergeräusche und sorgt dafür, dass die Abgasanlage wie vorgesehen funktioniert.
- Gewährleistet Passform und Ausrichtung : Bei Premiumfahrzeugen wie dem 911 993 ist die korrekte Ausrichtung und Montage des Schalldämpfers Teil der gesamten Verarbeitungsqualität.
- Verhindert Schäden an anderen Bauteilen : Ein lockerer Schalldämpfer kann zu weiteren Schäden führen – zum Beispiel zu Hitzeschäden an Karosserieteilen, Beeinträchtigungen von Aufhängungselementen oder Beschädigungen an Aufhängungslaschen.
- Kostengünstige vorbeugende Wartung : Auch wenn der Schalldämpfer selbst noch in Ordnung ist, verschleißen die Befestigungsteile oft – ein Austausch, sobald er möglich ist, beugt zukünftigen Problemen vor und kann Arbeitskosten sparen.
Zugehörige Referenznummern
Verwandte, ersetzte, Querverweisoder Alternativnummern zum Vergleich.
PCG99311100
Das von Ihnen angezeigte Produkt verweist auf diese Nummern
- Porsche 993 (911) C2 1994-97
- Porsche 993 (911) C4 1994-97

Passend für:
Porsche 993 Turbo 1994-98
Klicken Sie auf „Vergrößern“, um ein Diagramm mit großen Teilen anzuzeigen.
Diagramm Ref. Nr. 19
Zugehörige Referenznummern
Verwandte, ersetzte, Querverweisoder Alternativnummern zum Vergleich.
99311324751
Das von Ihnen angezeigte Produkt verweist auf diese Nummern
- Porsche 993 (911) TURBO 1994-96
- Porsche 993 (911) TURBO S 1994-97

Ersatz-Wärmeschutzblech links für Kat.
Passt:
Porsche 993 Turbo 1994-98
Diagramm Nr. 34
Zugehörige Referenznummern
Verwandte, ersetzte, Querverweisoder Alternativnummern zum Vergleich.
99311324351
Das von Ihnen angezeigte Produkt verweist auf diese Nummern
- Porsche 993 (911) TURBO 1994-96
- Porsche 993 (911) TURBO S 1994-97

Ersatz-Hitzeschutzblech rechts für Kat.
Passt:
Porsche 993 Turbo 1994-98
Diagramm Nr. 23
- Porsche 993 (911) TURBO 1994-96
- Porsche 993 (911) TURBO S 1994-97
Ersatz-Hitzeschild für Kat.

Passend für:
Porsche 993 C2/4 1994-98, kein Turbo
Klicken Sie auf „Vergrößern“, um ein Diagramm mit großen Teilen anzuzeigen.
Diagramm Ref. Nr. 19
Zugehörige Referenznummern
Verwandte, ersetzte, Querverweisoder Alternativnummern zum Vergleich.
99321121402
Das von Ihnen angezeigte Produkt verweist auf diese Nummern
- Porsche 993 (911) C2 1994-97
- Porsche 993 (911) C4 1994-97
- Porsche 993 (911) RS 1994-97
- Porsche 993 (911) C2S 1994-97
- Porsche 993 (911) C4S 1994-97
Ersatzband für Cat passend für linke oder rechte Seite

Passt:
Porsche 993 C2 / C4 / C2S / C4S 1994-98
Klicken Sie auf „Vergrößern“, um ein großes Teilediagramm anzuzeigen.
Diagramm Nr. 16
Zugehörige Referenznummern
Verwandte, ersetzte, Querverweisoder Alternativnummern zum Vergleich.
99311322501
Das von Ihnen angezeigte Produkt verweist auf diese Nummern
- Porsche 993 (911) C2 1994-97
- Porsche 993 (911) C4 1994-97
- Porsche 993 (911) C2S 1994-97
- Porsche 993 (911) C4S 1994-97
Ersatzgurt für Cat, passend für die linke oder rechte Seite

Passend für:
Porsche 993 Turbo 1994-98
Diagramm Ref. Nr. 17
- Porsche 993 (911) TURBO 1994-96
- Porsche 993 (911) TURBO S 1994-97

Passend für:
Porsche 993 C2/4 1994-98, kein Turbo
Diagramm Ref. Nr. 15
- Porsche 993 (911) C2 1994-97
- Porsche 993 (911) C4 1994-97
- Porsche 993 (911) RS 1994-97
- Porsche 993 (911) C2S 1994-97
- Porsche 993 (911) C4S 1994-97

Passt:
Porsche 993 C2 / C4 1994-98 kein Turbo
Klicken Sie auf „Vergrößern“, um ein großes Teilediagramm anzuzeigen.
Diagramm Nr. 21
Zugehörige Referenznummern
Verwandte, ersetzte, Querverweisoder Alternativnummern zum Vergleich.
99311910602
Das von Ihnen angezeigte Produkt verweist auf diese Nummern
- Porsche 993 (911) C2 1994-97
- Porsche 993 (911) C4 1994-97
- Porsche 993 (911) RS 1994-97
Jeweils verkauft.

Passt:
Porsche 993 Carrera 1995-98
Klicken Sie auf „Vergrößern“, um ein großes Teilediagramm anzuzeigen.
Diagramm Nr. 3
Zugehörige Referenznummern
Verwandte, ersetzte, Querverweisoder Alternativnummern zum Vergleich.
99611110951
Das von Ihnen angezeigte Produkt verweist auf diese Nummern
- Porsche 993 (911) C2 1994-97
- Porsche 993 (911) C4 1994-97
- Porsche 993 (911) C2S 1994-97
- Porsche 993 (911) C4S 1994-97

Passt:
Porsche 993 Turbo 1994-98
Klicken Sie auf „Vergrößern“, um ein großes Teilediagramm anzuzeigen.
Diagramm Nr. 8
Zugehörige Referenznummern
Verwandte, ersetzte, Querverweisoder Alternativnummern zum Vergleich.
95911133500
Das von Ihnen angezeigte Produkt verweist auf diese Nummern
- Porsche 993 (911) TURBO 1994-96
- Porsche 993 (911) TURBO S 1994-97
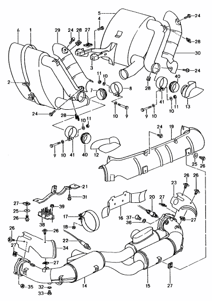
-Katalysator an Endschalldämpferschelle
- Endschalldämpfer an Endrohrschelle

Passt:
Porsche 993 Carrera 1994-98
Porsche 993 Turbo
Klicken Sie auf „Vergrößern“, um ein großes Teilediagramm anzuzeigen.
Diagramm Nr. 8
Zugehörige Referenznummern
Verwandte, ersetzte, Querverweisoder Alternativnummern zum Vergleich.
92811142700
Das von Ihnen angezeigte Produkt verweist auf diese Nummern
- Porsche 993 (911) C2 1994-97
- Porsche 993 (911) C4 1994-97
- Porsche 993 (911) RS 1994-97
- Porsche 993 (911) C2S 1994-97
- Porsche 993 (911) C4S 1994-97
- Porsche 993 (911) TURBO 1994-96
- Porsche 993 (911) GT2 1994-97
- Porsche 993 (911) TURBO S 1994-97
- Schelle vom Katalysator zum Endschalldämpfer
- Schelle vom Endschalldämpfer zum Endrohr

Passform:
Porsche 993 Carrera 1994-98
Porsche 993 Turbo
Klicken Sie auf „Vergrößern“, um das Diagramm großer Teile anzuzeigen.
Diagramm Ref. Nr. 8
Zugehörige Referenznummern
Verwandte, ersetzte, Querverweisoder Alternativnummern zum Vergleich.
92811142700
Das von Ihnen angezeigte Produkt verweist auf diese Nummern
- Porsche 993 (911) C2 1994-97
- Porsche 993 (911) C4 1994-97
- Porsche 993 (911) RS 1994-97
- Porsche 993 (911) C2S 1994-97
- Porsche 993 (911) C4S 1994-97
- Porsche 993 (911) TURBO 1994-96
- Porsche 993 (911) GT2 1994-97
- Porsche 993 (911) TURBO S 1994-97

Passt:
Porsche 993 C2 / C4 1994-98 (Nicht Turbo)
Klicken Sie auf „Vergrößern“, um ein großes Teilediagramm anzuzeigen
Diagramm Nr. 3
Zugehörige Referenznummern
Verwandte, ersetzte, Querverweisoder Alternativnummern zum Vergleich.
99311111
Das von Ihnen angezeigte Produkt verweist auf diese Nummern
- Porsche 993 (911) C2 1994-97
- Porsche 993 (911) C4 1994-97
- Porsche 993 (911) RS 1994-97
- Porsche 993 (911) C2S 1994-97
- Porsche 993 (911) C4S 1994-97
Ersatz-Hitzeschild für linke oder rechte Heckbox.
Original Porsche-Produkt.
Passt:
Porsche 993 C2/4 1994-98 kein Turbo
Klicken Sie auf „Vergrößern“, um ein großes Teilediagramm anzuzeigen.
Diagramm Nr. 30
Zugehörige Referenznummern
Verwandte, ersetzte, Querverweisoder Alternativnummern zum Vergleich.
99321121
Das von Ihnen angezeigte Produkt verweist auf diese Nummern
- Porsche 993 (911) C2 1994-97
- Porsche 993 (911) C4 1994-97
- Porsche 993 (911) RS 1994-97
- Porsche 993 (911) C2S 1994-97
- Porsche 993 (911) C4S 1994-97

Passend für:
Porsche 993 Turbo 1994-98
Klicken Sie auf „Vergrößern“, um ein Diagramm mit großen Teilen anzuzeigen.
Diagramm Nr. 29 (LINKS) / 30 (RECHTS)
Zugehörige Referenznummern
Verwandte, ersetzte, Querverweisoder Alternativnummern zum Vergleich.
99311121
Das von Ihnen angezeigte Produkt verweist auf diese Nummern
- Porsche 993 (911) TURBO 1994-96
- Porsche 993 (911) TURBO S 1994-97
-
air cleaner 993 1994-98 106-00
-
Abgasanlage Schalldämpfer Katalysator 993 CARRERA 1994-98 202-00
-
exhaust system repair kits 993 CARRERA 1994-98 202-01
-
exhaust system heat exchanger 993 CARRERA 1994-98 202-05
-
exhaust system heat exchanger 993 TURBO 1994-98 202-10
-
Abgasanlage Schalldämpfer Katalysator 993 TURBO 1994-98 202-15
-
Turboladerölpumpe für Turbolader 993 1994-98 202-16
-
stabiliser 993 1994-98 402-05
-
compressor and mounting driving mechanism for 993 CARRERA/4 1994-95 and 993 TURBO 1995-98 813-20
-
Scheinwerfer Nebelscheinwerferrichtung, Blinkerrichtung, Blinker 993 1994-98 905-00
Auspuffhalterungen, -bänder und -klemmen – sicher, leise und stark
Eine Porsche-Auspuffanlage besteht nicht nur aus Rohren und Schalldämpfern – sie wird durch ein Netzwerk aus Halterungen, Bändern und Schellen zusammengehalten, die alles sicher an seinem Platz halten. Diese wichtigen Komponenten absorbieren Vibrationen, sorgen für die korrekte Ausrichtung und verhindern Belastungen oder Schäden an Auspuffrohren und Schalldämpfern.
Bei Design911 führen wir ein umfassendes Sortiment an Auspuffmontageteilen, darunter Halterungen, Aufhänger, Bänder, Klemmen, Dichtungen und Befestigungselemente – allesamt für lange Haltbarkeit und perfekte Passform ausgelegt. Diese Komponenten aus hochfestem Edelstahl und korrosionsbeständigen Materialien sorgen dafür, dass Ihre Abgasanlage optimal gestützt bleibt und keine unerwünschten Geräusche oder Bewegungen verursacht.
Unabhängig davon, ob Sie einen vollständigen Auspuffaustausch oder eine kleinere Reparatur durchführen, stellt der Austausch abgenutzter oder verrosteter Befestigungsteile die ordnungsgemäße Passform wieder her und schützt den Auspuff Ihres Porsche vor Schäden durch Vibrationen oder Fehlausrichtung.
Welche Funktion haben Auspuffhalterungen, -bänder und -klemmen?
Diese kleinen, aber wichtigen Teile bilden das Rückgrat für die Stabilität und Integrität Ihres Abgassystems.
Kernfunktionen:
- Befestigen Sie die Abgasanlage am Fahrzeugchassis.
- Achten Sie auf die richtige Ausrichtung, um eine Belastung der Verbindungen und Flansche zu vermeiden.
- Absorbieren Sie Motorvibrationen, um Spannungen und Risse zu reduzieren.
- Sorgen Sie für dichte Verbindungen zwischen Rohren und Schalldämpfern.
- Verhindern Sie Klappern und unerwünschte Geräusche beim Beschleunigen und in Kurven.
Ohne ordnungsgemäß funktionierende Halterungen und Klemmen kann Ihr Auspuff durchhängen, vibrieren oder sich sogar lösen – wodurch kostspielige Schäden und Leistungsverluste drohen.
Warum versagen Auspuffhalterungen und -klemmen?
Durch ständige Hitze, Vibrationen und Witterungseinflüsse verschleißen die Auspuffbefestigungskomponenten mit der Zeit.
Zu den häufigsten Fehlerursachen zählen:
- Korrosion oder Rost durch Streusalz und Feuchtigkeit.
- Metallermüdung durch Wärmezyklen und Vibration.
- Durch wiederholte Belastung gerissene oder gedehnte Riemen .
- Lose oder gebrochene Klemmen führen zu Abgaslecks.
- Verschleiß der Gummihalterung, der zu Geräuschen oder Auspuffbewegungen führt.
Der Ausfall dieser Komponenten kann zu einer Fehlausrichtung des Auspuffs, Klappern, Lecks oder vorzeitigen Rohrschäden führen – Probleme, die sich schnell verschlimmern, wenn sie ignoriert werden.
Warum Komponenten ersetzen?
Durch den Austausch abgenutzter oder beschädigter Auspuffhalterungen wird sichergestellt, dass die Auspuffanlage Ihres Porsche stabil, leise und frei fließend bleibt.
Hauptvorteile:
- Stellt die Ausrichtung und Passform des Auspuffs wieder her.
- Verhindert Schäden an Schalldämpfern, Rohren und Verbindungen.
- Beseitigt Klappern, Vibrationen und Lecks.
- Langlebige Edelstahl- und hitzebeständige Konstruktion.
- Direkte Passformkompatibilität für alle Porsche-Modelle, klassisch und modern.
- Ideal für Wartung, Restaurierung oder Leistungssteigerung.
Eine sichere Abgasanlage verbessert nicht nur Komfort und Leistung, sondern verlängert auch die Lebensdauer anderer Komponenten – und sorgt so dafür, dass Ihr Porsche kultiviert und zuverlässig bleibt.
Highlights:
- Hochwertige Auspuffhalterungen, Klemmen und Befestigungsbänder.
- Präzisionsgefertigt für Porsche-Passform und Haltbarkeit.
- Verhindert Vibrationen, Bewegungen und Abgaslecks.
- Hergestellt aus korrosionsbeständigem Edelstahl.
- Perfekt für Restaurierungen oder Auspuffwartung.
- Sorgt für langfristige Stabilität und leisen Betrieb.