Geben Sie hier Ihre MwSt.-Nummer ein und klicken Sie auf Überprüfen:
Sie brauchen den Ländercode Ihrer MwSt.-Nummer nicht einzugeben, da dieser bereits oben in Ihrer Rechnungsadresse ausgewählt wurde.
Ihre Angaben wurden überprüft. MwSt.-Nummer registriert auf:
,
.
Ihre Bestellung ist nun mehrwertsteuerfrei. Wir behalten uns das Recht vor, diese Angaben nach Ihrer Bestellung zu überprüfen und gegebenenfalls die Mehrwertsteuer wieder einzuführen.
Ihre MwSt.-Angaben wurden nicht erkannt oder waren ungültig. Ihre MwSt.-Nummer muss mit Ihrem Rechnungsland übereinstimmen, wie oben angegeben. Dies ist derzeit als angegeben. Sie brauchen den Ländercode Ihrer MwSt.-Nummer nicht einzugeben, da Sie diesen bereits in den Angaben zu Ihrer Rechnungsadresse oben ausgewählt haben.
Der Dienst zur Überprüfung von MwSt.-Nummern ist derzeit offline. Bitte geben Sie Ihre MwSt.-Daten im Feld „Kommentare“ oder „Besondere Hinweise“ unten an, und wir werden nach Ihrer Bestellung einen MwSt.-Rabatt gewähren.
Ölfilter
Dieses kleine, aber entscheidende Bauteil sorgt für eine sichere und leckagefreie Abdichtung zwischen Ölablassschraube und Ölwanne und verhindert so das Austreten von Motoröl. Es ist nach den Originalvorgaben von Porsche gefertigt und gewährleistet dadurch eine zuverlässige Passform und Dichtleistung.
Verkauft jeweils
Passend für:
Porsche 986 Boxster
Porsche 987 Boxster
Porsche 981 Boxster
Porsche 982 (718) Boxster
Porsche 987C Cayman
Porsche 981C Cayman
Porsche 982 (718) Cayman
Porsche 996
Porsche 997
Porsche 991
Diagramm-Referenznummer 24
Dieser hochwertige OE Match Dichtring (auch als Quetschscheibe oder Dichtung bezeichnet) ist auf die von Porsche für verschiedene Modellplattformen verwendeten korrekten Innen-/Außendurchmesser und Materialstärken ausgelegt.
Der Dichtring eignet sich ideal für jeden Ölwechsel, bei dem die Ablassschraube entfernt und wieder eingesetzt wurde, sowie immer dann, wenn der Originalring Anzeichen von Druckstellen, Verformungen, Korrosion oder Beschädigungen aufweist. Diese OE-kompatible Version bietet eine passgenaue und gleichbleibende Dichtleistung, vergleichbar mit dem vom Hersteller spezifizierten Teil.
Der Dichtring der Ölablassschraube sitzt zwischen dem Kopf der Ablassschraube und der Oberfläche der Motorölwanne. Beim Anziehen der Ablassschraube mit dem vorgeschriebenen Drehmoment wird der Dichtring leicht zusammengedrückt und bildet eine flüssigkeitsdichte Barriere. Dadurch wird verhindert, dass Motoröl unter Druck oder Vibrationen aus der Ölwanne austritt. Eine intakte Abdichtung trägt zur Aufrechterhaltung des korrekten Ölstands bei und verhindert unschöne Leckagen unterwegs oder in der Werkstatt.
Funktion: Der Dichtring wird bei jedem Entfernen der Ölablassschraube eingesetzt und dabei zusammengepresst, wodurch eine gleichmäßige Abdichtung um die Ablassöffnung herum entsteht. Seine Funktion ist entscheidend, da selbst geringe Ölleckagen zu reduziertem Ölstand, potenziellen Motorschäden und Verunreinigungen an Fahrwerks- oder Abgaskomponenten führen können. Der OE-Match-Ring reproduziert die Dichtflächeneigenschaften des Originals, sodass Drehmoment und Kompressionsverhalten innerhalb der werkseitig vorgegebenen Toleranzen bleiben.
Die Dichtringe der Ölablassschraube sind Einwegdichtungen, die sich bei jedem Einsetzen der Schraube verformen. Die Wiederverwendung eines alten oder zusammengedrückten Rings kann zu Öltropfen oder -lecks führen, insbesondere bei Temperaturschwankungen und Vibrationen. Ein passender Dichtring in Erstausrüsterqualität (OE Match) gewährleistet eine zuverlässige Ölabdichtung und trägt so zur Erhaltung der Motorschmierung, zur Vermeidung von Ölverlust und zum Schutz vor Umwelteinflüssen bei.
Wann ersetzen:
• Jedes Mal, wenn die Ölablassschraube entfernt wird
• Wenn der vorhandene Dichtungsring Risse, Abflachungen oder Korrosion aufweist
• Bei der Durchführung des routinemäßigen Öl- und Filterwechsels
• Nachdem ein geringfügiger Ölaustritt an der Ablassschraube festgestellt wurde
• Bei Motorwartungsarbeiten oder beim Abnehmen der Ölwanne
Zugehörige Referenznummern
Verwandte, ersetzte, Querverweisoder Alternativnummern zum Vergleich.
90012310630
Das von Ihnen angezeigte Produkt verweist auf diese Nummern
- Porsche Boxster 986 2.5L 1997-99
- Porsche Boxster 986 2.7L 1999-02
- Porsche Boxster S 986 3.2L 1999-02
- Porsche Boxster 986 2.7L 2003-04
- Porsche Boxster S 986 3.2L 2003-04
- Porsche Boxster 987 2.7L 2005-08/08
- Porsche Boxster 987 S 3.2/3.4L 2005-08/08
- Porsche Boxster 987 MKII 2.9L 2009-12
- Porsche Boxster S 987 MKII 3.4L 2009-12
- Porsche Boxster 981 2.7L 2012-16
- Porsche Boxster 981 S / GTS 3.4L 2012-16
- Porsche Boxster 718 2.0L Manual (300 Bhp) 2017>>
- Porsche Boxster 718 2.0L PDK (300 Bhp) 2017>>
- Porsche Boxster S 718 2.5L Manual (350 Bhp) 05/2017>>
- Porsche Boxster S 718 2.5L PDK (350 Bhp) 05/2017>>
- Porsche 996 C2 3.4L 1997-08/01
- Porsche 996 C4 3.4L 1997-08/01
- Porsche 996 C2 3.6L 09/01-2005
- Porsche 996 C4 3.6L 09/01-2005
- Porsche 996 C4S 3.6L 09/01-2005
- Porsche 996 GT2 2001-05
- Porsche 996 GT3 MKI 1999-02
- Porsche 996 GT3 MKII 2003>>
- Porsche 996 GT3 RS 2003-04
- Porsche 997 MK1 Carrera 2 3.6L 2005-08
- Porsche 997 MK1 Carrera 2S 3.8L 2005-08
- Porsche 997 MK1 Carrera 4 3.6L 2005-08
- Porsche 997 MK1 Carrera 4S 3.8L 2005-08
- Porsche 997 MK1 TURBO 2007-09
- Porsche 997 MK1 GT3 2007-09
- Porsche 997 MK1 GT2 2007-09
- Porsche 997 MKII Carrera C2 3.6L 2009-12
- Porsche 997 MKII Carrera C4 3.6L 2009-12
- Porsche 997 MKII Carrera C2S 3.8L 2009-12
- Porsche 997 MKII Carrera C4S 3.8L 2009-12
- Porsche 997 MKII GT3 2010-11
- Porsche 997 MKII Turbo 2010-13
- Porsche 997 MKII GT2 RS 2011-13
- Porsche 991.1 Carrera C2 3.4L (350 Bhp) 2012-16
- Porsche 991.1 Carrera C2S / GTS 3.8L (400/430 Bhp) 2012-16
- Porsche 991.1 Carrera C4 3.4L (350 Bhp) 2012-16
- Porsche 991.1 Carrera C4S / GTS 3.8L (400/430 Bhp) 2012-16
- Porsche 991.1 Turbo 3.8L (520 Bhp) 2014-16
- Porsche 991.1 Turbo S 3.8L (560 Bhp) 2014-16
- Porsche 991.2 Turbo Coupe 3.8L (540 Bhp) 2016-19
- Porsche 991.2 Turbo S Coupe 3.8L (580 Bhp) 2016-19
- Porsche 991.2 Turbo Cabriolet 3.8L (540 Bhp) 2016-19
- Porsche 991.2 Turbo S Cabriolet 3.8L (580 Bhp) 2016-19
- Porsche Cayman 2.7L 987C 2006-08
- Porsche Cayman S 3.4L 987C 2005-08
- Porsche Cayman 2.9L 987C MKII 2009-12
- Porsche Cayman S / R 3.4L 987C MKII 2009-12
- Porsche Cayman 2.7L 981 2013-16
- Porsche Cayman S / GTS 3.4L 981 2013-16
- Porsche Cayman GT4 3.8L 2015-16
- Porsche Cayman 718 2.0L Manual (300 Bhp)
- Porsche Cayman 718 2.0L PDK (300 Bhp)
- Porsche Cayman S 718 2.5L Manual (350 Bhp)
- Porsche Cayman S 718 2.5L PDK (350 Bhp)
Dieses kleine, aber entscheidende Bauteil sorgt für eine sichere und leckagefreie Abdichtung zwischen Ölablassschraube und Ölwanne und verhindert so das Austreten von Motoröl. Es ist nach den Originalvorgaben von Porsche gefertigt und gewährleistet dadurch eine zuverlässige Passform und Dichtleistung.
Verkauft jeweils
Passend für:
Porsche 986 Boxster
Porsche 987 Boxster
Porsche 981 Boxster
Porsche 982 (718) Boxster
Porsche 987C Cayman
Porsche 981C Cayman
Porsche 982 (718) Cayman
Porsche 996
Porsche 997
Porsche 991
Diagramm-Referenznummer 24
Dieser hochwertige OE Match Dichtring (auch als Quetschscheibe oder Dichtung bezeichnet) ist auf die von Porsche für verschiedene Modellplattformen verwendeten korrekten Innen-/Außendurchmesser und Materialstärken ausgelegt.
Der Dichtring eignet sich ideal für jeden Ölwechsel, bei dem die Ablassschraube entfernt und wieder eingesetzt wurde, sowie immer dann, wenn der Originalring Anzeichen von Druckstellen, Verformungen, Korrosion oder Beschädigungen aufweist. Diese OE-kompatible Version bietet eine passgenaue und gleichbleibende Dichtleistung, vergleichbar mit dem vom Hersteller spezifizierten Teil.
Der Dichtring der Ölablassschraube sitzt zwischen dem Kopf der Ablassschraube und der Oberfläche der Motorölwanne. Beim Anziehen der Ablassschraube mit dem vorgeschriebenen Drehmoment wird der Dichtring leicht zusammengedrückt und bildet eine flüssigkeitsdichte Barriere. Dadurch wird verhindert, dass Motoröl unter Druck oder Vibrationen aus der Ölwanne austritt. Eine intakte Abdichtung trägt zur Aufrechterhaltung des korrekten Ölstands bei und verhindert unschöne Leckagen unterwegs oder in der Werkstatt.
Funktion: Der Dichtring wird bei jedem Entfernen der Ölablassschraube eingesetzt und dabei zusammengepresst, wodurch eine gleichmäßige Abdichtung um die Ablassöffnung herum entsteht. Seine Funktion ist entscheidend, da selbst geringe Ölleckagen zu reduziertem Ölstand, potenziellen Motorschäden und Verunreinigungen an Fahrwerks- oder Abgaskomponenten führen können. Der OE-Match-Ring reproduziert die Dichtflächeneigenschaften des Originals, sodass Drehmoment und Kompressionsverhalten innerhalb der werkseitig vorgegebenen Toleranzen bleiben.
Die Dichtringe der Ölablassschraube sind Einwegdichtungen, die sich bei jedem Einsetzen der Schraube verformen. Die Wiederverwendung eines alten oder zusammengedrückten Rings kann zu Öltropfen oder -lecks führen, insbesondere bei Temperaturschwankungen und Vibrationen. Ein passender Dichtring in Erstausrüsterqualität (OE Match) gewährleistet eine zuverlässige Ölabdichtung und trägt so zur Erhaltung der Motorschmierung, zur Vermeidung von Ölverlust und zum Schutz vor Umwelteinflüssen bei.
Wann ersetzen:
• Jedes Mal, wenn die Ölablassschraube entfernt wird
• Wenn der vorhandene Dichtungsring Risse, Abflachungen oder Korrosion aufweist
• Bei der Durchführung des routinemäßigen Öl- und Filterwechsels
• Nachdem ein geringfügiger Ölaustritt an der Ablassschraube festgestellt wurde
• Bei Motorwartungsarbeiten oder beim Abnehmen der Ölwanne
Zugehörige Referenznummern
Verwandte, ersetzte, Querverweisoder Alternativnummern zum Vergleich.
90012310630
Das von Ihnen angezeigte Produkt verweist auf diese Nummern
- Porsche Boxster 986 2.5L 1997-99
- Porsche Boxster 986 2.7L 1999-02
- Porsche Boxster S 986 3.2L 1999-02
- Porsche Boxster 986 2.7L 2003-04
- Porsche Boxster S 986 3.2L 2003-04
- Porsche Boxster 987 2.7L 2005-08/08
- Porsche Boxster 987 S 3.2/3.4L 2005-08/08
- Porsche Boxster 987 MKII 2.9L 2009-12
- Porsche Boxster S 987 MKII 3.4L 2009-12
- Porsche Boxster 981 2.7L 2012-16
- Porsche Boxster 981 S / GTS 3.4L 2012-16
- Porsche Boxster 718 2.0L Manual (300 Bhp) 2017>>
- Porsche Boxster 718 2.0L PDK (300 Bhp) 2017>>
- Porsche Boxster S 718 2.5L Manual (350 Bhp) 05/2017>>
- Porsche Boxster S 718 2.5L PDK (350 Bhp) 05/2017>>
- Porsche 996 C2 3.4L 1997-08/01
- Porsche 996 C4 3.4L 1997-08/01
- Porsche 996 C2 3.6L 09/01-2005
- Porsche 996 C4 3.6L 09/01-2005
- Porsche 996 C4S 3.6L 09/01-2005
- Porsche 996 GT2 2001-05
- Porsche 996 GT3 MKI 1999-02
- Porsche 996 GT3 MKII 2003>>
- Porsche 996 GT3 RS 2003-04
- Porsche 997 MK1 Carrera 2 3.6L 2005-08
- Porsche 997 MK1 Carrera 2S 3.8L 2005-08
- Porsche 997 MK1 Carrera 4 3.6L 2005-08
- Porsche 997 MK1 Carrera 4S 3.8L 2005-08
- Porsche 997 MK1 TURBO 2007-09
- Porsche 997 MK1 GT3 2007-09
- Porsche 997 MK1 GT2 2007-09
- Porsche 997 MKII Carrera C2 3.6L 2009-12
- Porsche 997 MKII Carrera C4 3.6L 2009-12
- Porsche 997 MKII Carrera C2S 3.8L 2009-12
- Porsche 997 MKII Carrera C4S 3.8L 2009-12
- Porsche 997 MKII GT3 2010-11
- Porsche 997 MKII Turbo 2010-13
- Porsche 997 MKII GT2 RS 2011-13
- Porsche 991.1 Carrera C2 3.4L (350 Bhp) 2012-16
- Porsche 991.1 Carrera C2S / GTS 3.8L (400/430 Bhp) 2012-16
- Porsche 991.1 Carrera C4 3.4L (350 Bhp) 2012-16
- Porsche 991.1 Carrera C4S / GTS 3.8L (400/430 Bhp) 2012-16
- Porsche 991.1 Turbo 3.8L (520 Bhp) 2014-16
- Porsche 991.1 Turbo S 3.8L (560 Bhp) 2014-16
- Porsche 991.2 Turbo Coupe 3.8L (540 Bhp) 2016-19
- Porsche 991.2 Turbo S Coupe 3.8L (580 Bhp) 2016-19
- Porsche 991.2 Turbo Cabriolet 3.8L (540 Bhp) 2016-19
- Porsche 991.2 Turbo S Cabriolet 3.8L (580 Bhp) 2016-19
- Porsche Cayman 2.7L 987C 2006-08
- Porsche Cayman S 3.4L 987C 2005-08
- Porsche Cayman 2.9L 987C MKII 2009-12
- Porsche Cayman S / R 3.4L 987C MKII 2009-12
- Porsche Cayman 2.7L 981 2013-16
- Porsche Cayman S / GTS 3.4L 981 2013-16
- Porsche Cayman GT4 3.8L 2015-16
- Porsche Cayman 718 2.0L Manual (300 Bhp)
- Porsche Cayman 718 2.0L PDK (300 Bhp)
- Porsche Cayman S 718 2.5L Manual (350 Bhp)
- Porsche Cayman S 718 2.5L PDK (350 Bhp)
Bitte beachten: Dichtungs-O-Ring muss separat bestellt werden – Teilenummer 90012310630/2
Passform:
Porsche 986 Boxster 1997 - 2004
Porsche 987.1 Boxster 2005 - 2008
Porsche 987.2 Boxster 2009 - 2012
Porsche 987C.1 Cayman 2005 - 2008
Porsche 987C.2 Cayman 2009 - 2012
Porsche 981 Boxster 2013 - 2016
Porsche 981 Cayman 2014 - 2016
Porsche 996 1998 - 2005
Porsche 997.1 2005 - 2008
Porsche 997.2 2009 - 2012
Porsche 991.1 2012 - 2016
Zugehörige Referenznummern
Verwandte, ersetzte, Querverweisoder Alternativnummern zum Vergleich.
90021900930
Das von Ihnen angezeigte Produkt verweist auf diese Nummern
- Porsche Boxster 986 2.5L 1997-99
- Porsche Boxster 986 2.7L 1999-02
- Porsche Boxster S 986 3.2L 1999-02
- Porsche Boxster 986 2.7L 2003-04
- Porsche Boxster S 986 3.2L 2003-04
- Porsche Boxster 987 2.7L 2005-08/08
- Porsche Boxster 987 S 3.2/3.4L 2005-08/08
- Porsche Boxster 987 MKII 2.9L 2009-12
- Porsche Boxster S 987 MKII 3.4L 2009-12
- Porsche Boxster 981 2.7L 2012-16
- Porsche Boxster 981 S / GTS 3.4L 2012-16
- Porsche 996 C2 3.4L 1997-08/01
- Porsche 996 C4 3.4L 1997-08/01
- Porsche 996 C2 3.6L 09/01-2005
- Porsche 996 C4 3.6L 09/01-2005
- Porsche 996 C4S 3.6L 09/01-2005
- Porsche 996 TURBO 2000-05
- Porsche 996 GT2 2001-05
- Porsche 996 GT3 MKI 1999-02
- Porsche 996 GT3 MKII 2003>>
- Porsche 996 GT3 RS 2003-04
- Porsche 997 MK1 Carrera 2 3.6L 2005-08
- Porsche 997 MK1 Carrera 2S 3.8L 2005-08
- Porsche 997 MK1 Carrera 4 3.6L 2005-08
- Porsche 997 MK1 Carrera 4S 3.8L 2005-08
- Porsche 997 MK1 TURBO 2007-09
- Porsche 997 MK1 GT3 2007-09
- Porsche 997 MK1 GT2 2007-09
- Porsche 997 MKII Carrera C2 3.6L 2009-12
- Porsche 997 MKII Carrera C4 3.6L 2009-12
- Porsche 997 MKII Carrera C2S 3.8L 2009-12
- Porsche 997 MKII Carrera C4S 3.8L 2009-12
- Porsche 997 MKII GT3 2010-11
- Porsche 997 MKII Turbo 2010-13
- Porsche 997 MKII GT2 RS 2011-13
- Porsche 991.1 Carrera C2 3.4L (350 Bhp) 2012-16
- Porsche 991.1 Carrera C2S / GTS 3.8L (400/430 Bhp) 2012-16
- Porsche 991.1 Carrera C4 3.4L (350 Bhp) 2012-16
- Porsche 991.1 Carrera C4S / GTS 3.8L (400/430 Bhp) 2012-16
- Porsche Cayman 2.7L 987C 2006-08
- Porsche Cayman S 3.4L 987C 2005-08
- Porsche Cayman 2.9L 987C MKII 2009-12
- Porsche Cayman S / R 3.4L 987C MKII 2009-12
- Porsche Cayman 2.7L 981 2013-16
- Porsche Cayman S / GTS 3.4L 981 2013-16
Bitte beachten: Dichtungs-O-Ring muss separat bestellt werden – Teilenummer 90012310630/2
Passform:
Porsche 986 Boxster 1997 - 2004
Porsche 987.1 Boxster 2005 - 2008
Porsche 987.2 Boxster 2009 - 2012
Porsche 987C.1 Cayman 2005 - 2008
Porsche 987C.2 Cayman 2009 - 2012
Porsche 981 Boxster 2013 - 2016
Porsche 981 Cayman 2014 - 2016
Porsche 996 1998 - 2005
Porsche 997.1 2005 - 2008
Porsche 997.2 2009 - 2012
Porsche 991.1 2012 - 2016
Zugehörige Referenznummern
Verwandte, ersetzte, Querverweisoder Alternativnummern zum Vergleich.
90021900930
Das von Ihnen angezeigte Produkt verweist auf diese Nummern
- Porsche Boxster 986 2.5L 1997-99
- Porsche Boxster 986 2.7L 1999-02
- Porsche Boxster S 986 3.2L 1999-02
- Porsche Boxster 986 2.7L 2003-04
- Porsche Boxster S 986 3.2L 2003-04
- Porsche Boxster 987 2.7L 2005-08/08
- Porsche Boxster 987 S 3.2/3.4L 2005-08/08
- Porsche Boxster 987 MKII 2.9L 2009-12
- Porsche Boxster S 987 MKII 3.4L 2009-12
- Porsche Boxster 981 2.7L 2012-16
- Porsche Boxster 981 S / GTS 3.4L 2012-16
- Porsche 996 C2 3.4L 1997-08/01
- Porsche 996 C4 3.4L 1997-08/01
- Porsche 996 C2 3.6L 09/01-2005
- Porsche 996 C4 3.6L 09/01-2005
- Porsche 996 C4S 3.6L 09/01-2005
- Porsche 996 TURBO 2000-05
- Porsche 996 GT2 2001-05
- Porsche 996 GT3 MKI 1999-02
- Porsche 996 GT3 MKII 2003>>
- Porsche 996 GT3 RS 2003-04
- Porsche 997 MK1 Carrera 2 3.6L 2005-08
- Porsche 997 MK1 Carrera 2S 3.8L 2005-08
- Porsche 997 MK1 Carrera 4 3.6L 2005-08
- Porsche 997 MK1 Carrera 4S 3.8L 2005-08
- Porsche 997 MK1 TURBO 2007-09
- Porsche 997 MK1 GT3 2007-09
- Porsche 997 MK1 GT2 2007-09
- Porsche 997 MKII Carrera C2 3.6L 2009-12
- Porsche 997 MKII Carrera C4 3.6L 2009-12
- Porsche 997 MKII Carrera C2S 3.8L 2009-12
- Porsche 997 MKII Carrera C4S 3.8L 2009-12
- Porsche 997 MKII GT3 2010-11
- Porsche 997 MKII Turbo 2010-13
- Porsche 997 MKII GT2 RS 2011-13
- Porsche 991.1 Carrera C2 3.4L (350 Bhp) 2012-16
- Porsche 991.1 Carrera C2S / GTS 3.8L (400/430 Bhp) 2012-16
- Porsche 991.1 Carrera C4 3.4L (350 Bhp) 2012-16
- Porsche 991.1 Carrera C4S / GTS 3.8L (400/430 Bhp) 2012-16
- Porsche Cayman 2.7L 987C 2006-08
- Porsche Cayman S 3.4L 987C 2005-08
- Porsche Cayman 2.9L 987C MKII 2009-12
- Porsche Cayman S / R 3.4L 987C MKII 2009-12
- Porsche Cayman 2.7L 981 2013-16
- Porsche Cayman S / GTS 3.4L 981 2013-16

Passt:
Porsche 996 Turbo/GT2 2001-05
Porsche 996 GT3 / GT3 RS 2000-05
Porsche 997 Turbo/GT2 2007-12
Porsche 997 GT3 2007-11
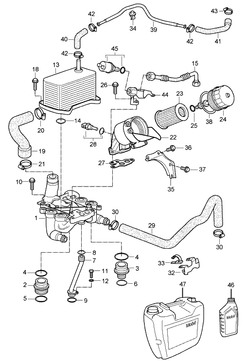
Klicken Sie auf das Bild, um ein Diagramm mit großen Teilen anzuzeigen.
Diagramm Nr. 24
Zugehörige Referenznummern
Verwandte, ersetzte, Querverweisoder Alternativnummern zum Vergleich.
99610728570
Das von Ihnen angezeigte Produkt verweist auf diese Nummern
- Porsche 996 TURBO 2000-05
- Porsche 996 GT2 2001-05
- Porsche 996 GT3 MKI 1999-02
- Porsche 996 GT3 MKII 2003>>
- Porsche 996 GT3 RS 2003-04
- Porsche 997 MK1 TURBO 2007-09
- Porsche 997 MK1 GT3 2007-09
- Porsche 997 MK1 GT2 2007-09
- Porsche 997 MKII GT3 2010-11
- Porsche 997 MKII Turbo 2010-13
- Porsche 997 MKII GT2 RS 2011-13

Passform:
Porsche 996 Turbo/GT2 2001-05
Porsche 996 GT3 / GT3 RS 2000-05
Porsche 997 Turbo/GT2 2007-12
Porsche 997 GT3 2007-11
Klicken Sie auf „Vergrößern“, um das Diagramm großer Teile anzuzeigen.
Diagramm Ref. Nr. 25
Zugehörige Referenznummern
Verwandte, ersetzte, Querverweisoder Alternativnummern zum Vergleich.
99970746540
Das von Ihnen angezeigte Produkt verweist auf diese Nummern
- Porsche 996 TURBO 2000-05
- Porsche 996 GT2 2001-05
- Porsche 996 GT3 MKI 1999-02
- Porsche 996 GT3 MKII 2003>>
- Porsche 996 GT3 RS 2003-04
- Porsche 997 MK1 TURBO 2007-09
- Porsche 997 MK1 GT3 2007-09
- Porsche 997 MK1 GT2 2007-09
- Porsche 997 MKII GT3 2010-11
- Porsche 997 MKII Turbo 2010-13
- Porsche 997 MKII GT2 RS 2011-13

Passend für:
Porsche 996 Turbo/GT2 2001-05
Porsche 996 GT3 / GT3 RS 2000-05
Porsche 997 Turbo/GT2 2007-12
Porsche 997 GT3 2007-11
Klicken Sie auf das Bild, um ein Diagramm mit großen Teilen anzuzeigen.
Diagramm Ref. Nr. 38
Zugehörige Referenznummern
Verwandte, ersetzte, Querverweisoder Alternativnummern zum Vergleich.
0PB115499A
Das von Ihnen angezeigte Produkt verweist auf diese Nummern
- Porsche 996 TURBO 2000-05
- Porsche 996 GT2 2001-05
- Porsche 996 GT3 MKI 1999-02
- Porsche 996 GT3 MKII 2003>>
- Porsche 996 GT3 RS 2003-04
- Porsche 997 MK1 TURBO 2007-09
- Porsche 997 MK1 GT3 2007-09
- Porsche 997 MK1 GT2 2007-09
- Porsche 997 MKII GT3 2010-11
- Porsche 997 MKII Turbo 2010-13
- Porsche 997 MKII GT2 RS 2011-13

Passt:
Porsche 986 Boxster
Porsche 987 Boxster
Porsche 981 Boxster
Porsche 987 Cayman
Porsche 981 Cayman
Porsche 996
Porsche 997
Porsche 997.1
Porsche 991
Porsche 955 Cayenne 2003-06 (mit M48.00/50 Motor)
Zugehörige Referenznummern
Verwandte, ersetzte, Querverweisoder Alternativnummern zum Vergleich.
00072192040
Das von Ihnen angezeigte Produkt verweist auf diese Nummern
- Porsche Boxster 986 2.5L 1997-99
- Porsche Boxster 986 2.7L 1999-02
- Porsche Boxster S 986 3.2L 1999-02
- Porsche Boxster 986 2.7L 2003-04
- Porsche Boxster S 986 3.2L 2003-04
- Porsche Boxster 987 2.7L 2005-08/08
- Porsche Boxster 987 S 3.2/3.4L 2005-08/08
- Porsche Boxster 987 MKII 2.9L 2009-12
- Porsche Boxster S 987 MKII 3.4L 2009-12
- Porsche Boxster 981 2.7L 2012-16
- Porsche Boxster 981 S / GTS 3.4L 2012-16
- Porsche 996 C2 3.4L 1997-08/01
- Porsche 996 C4 3.4L 1997-08/01
- Porsche 996 C2 3.6L 09/01-2005
- Porsche 996 C4 3.6L 09/01-2005
- Porsche 996 C4S 3.6L 09/01-2005
- Porsche 996 TURBO 2000-05
- Porsche 996 GT2 2001-05
- Porsche 996 GT3 MKI 1999-02
- Porsche 996 GT3 MKII 2003>>
- Porsche 996 GT3 RS 2003-04
- Porsche 997 MK1 Carrera 2 3.6L 2005-08
- Porsche 997 MK1 Carrera 2S 3.8L 2005-08
- Porsche 997 MK1 Carrera 4 3.6L 2005-08
- Porsche 997 MK1 Carrera 4S 3.8L 2005-08
- Porsche 997 MK1 TURBO 2007-09
- Porsche 997 MK1 GT3 2007-09
- Porsche 997 MK1 GT2 2007-09
- Porsche 997 MKII Carrera C2 3.6L 2009-12
- Porsche 997 MKII Carrera C4 3.6L 2009-12
- Porsche 997 MKII Carrera C2S 3.8L 2009-12
- Porsche 997 MKII Carrera C4S 3.8L 2009-12
- Porsche 997 MKII GT3 2010-11
- Porsche 997 MKII Turbo 2010-13
- Porsche 997 MKII GT2 RS 2011-13
- Porsche 991.1 Carrera C2 3.4L (350 Bhp) 2012-16
- Porsche 991.1 Carrera C2S / GTS 3.8L (400/430 Bhp) 2012-16
- Porsche 991.1 Carrera C4 3.4L (350 Bhp) 2012-16
- Porsche 991.1 Carrera C4S / GTS 3.8L (400/430 Bhp) 2012-16
- Porsche 991.1 Turbo 3.8L (520 Bhp) 2014-16
- Porsche 991.1 Turbo S 3.8L (560 Bhp) 2014-16
- Porsche 991.1 GT3 3.8L (475 Bhp) 2014-16
- Porsche 991.1 GT3 RS 4.0L (500 Bhp) 2015-16
- Porsche Cayman 2.7L 987C 2006-08
- Porsche Cayman S 3.4L 987C 2005-08
- Porsche Cayman 2.9L 987C MKII 2009-12
- Porsche Cayman S / R 3.4L 987C MKII 2009-12
- Porsche Cayman 2.7L 981 2013-16
- Porsche Cayman S / GTS 3.4L 981 2013-16
- Porsche Cayman GT4 3.8L 2015-16
- Porsche 955 Cayenne S 4.5L V8 2003-06
- Porsche 955 Cayenne Turbo 4.5L 2003-06
- Porsche 955 Cayenne Turbo S 4.5L 2006>>
- Porsche 957 Cayenne S / GTS 4.8L 2007-10
- Porsche 957 Cayenne Turbo / Turbo S 4.8L 2007-10
- Porsche 958 Cayenne S V8 4.8L Petrol (400Hp) 2010-17
- Porsche 958 Cayenne S V8 4.2L Diesel (382Hp) 2010-17
- Porsche 958 Cayenne Turbo V8 4.8L Petrol (500Hp) 2010-17
- Porsche 958 Cayenne Turbo S V8 4.8L Petrol (550Hp) 2010-17

Passend für:
Porsche 996 Carrera >>01
Porsche 996 GT3
Porsche 996 Turbo
Porsche 997 MK1 Carrera
Porsche 997 MK1 Turbo
Porsche 987C Cayman
Porsche 987 Boxster S
Porsche Cayenne 955 S
Porsche Cayenne 955 Turbo
Zugehörige Referenznummern
Verwandte, ersetzte, Querverweisoder Alternativnummern zum Vergleich.
99610722553
Das von Ihnen angezeigte Produkt verweist auf diese Nummern
- Porsche Boxster 987 S 3.2/3.4L 2005-08/08
- Porsche 996 C2 3.4L 1997-08/01
- Porsche 996 C4 3.4L 1997-08/01
- Porsche 996 TURBO 2000-05
- Porsche 996 GT2 2001-05
- Porsche 996 GT3 MKI 1999-02
- Porsche 996 GT3 MKII 2003>>
- Porsche 996 GT3 RS 2003-04
- Porsche 997 MK1 Carrera 2 3.6L 2005-08
- Porsche 997 MK1 Carrera 2S 3.8L 2005-08
- Porsche 997 MK1 Carrera 4 3.6L 2005-08
- Porsche 997 MK1 Carrera 4S 3.8L 2005-08
- Porsche 997 MK1 TURBO 2007-09
- Porsche 997 MK1 GT3 2007-09
- Porsche 997 MK1 GT2 2007-09
- Porsche 997 MKII GT3 2010-11
- Porsche 997 MKII GT2 RS 2011-13
- Porsche Cayman 2.7L 987C 2006-08
- Porsche Cayman S 3.4L 987C 2005-08
- Porsche 955 Cayenne S 4.5L V8 2003-06
- Porsche 955 Cayenne Turbo 4.5L 2003-06
Der kleinere der beiden O-Ringe, die an der Ölfilter-Abdeckkappe verwendet werden – 10 x 2.
Passform:
Porsche 996 Turbo / GT2 2001-05
Porsche 996 GT3 / RS 1999-05
Porsche 997-1 Turbo / GT2 2007-09
Porsche 997-2 GT2 RS 2010-13
Porsche 997 GT3 / RS 2007-11
Diagramm Ref. 21.
Zugehörige Referenznummern
Verwandte, ersetzte, Querverweisoder Alternativnummern zum Vergleich.
99970746540
Das von Ihnen angezeigte Produkt verweist auf diese Nummern
- Porsche 996 TURBO 2000-05
- Porsche 996 GT2 2001-05
- Porsche 996 GT3 MKI 1999-02
- Porsche 996 GT3 MKII 2003>>
- Porsche 996 GT3 RS 2003-04
- Porsche 997 MK1 TURBO 2007-09
- Porsche 997 MK1 GT3 2007-09
- Porsche 997 MK1 GT2 2007-09
- Porsche 997 MKII GT3 2010-11
- Porsche 997 MKII GT2 RS 2011-13

Passend für:
Porsche 997.2 Carrera / Turbo – 2009 bis 2013
Porsche 991.1 Carrera / Turbo – 2012 bis 2018
Porsche 987.2 Boxster – 2009 bis 2012
Porsche 987C.2 Cayman – 2009 bis 2012
Porsche 981 Boxster – 2012 bis 2016 (inkl. Spyder)
Porsche 981C Cayman – 2014 bis 2016 (inkl. GT4)
Porsche 982 (718) Boxster – ab 2017
Porsche 982C (718C) Cayman – ab 2017
Porsche 970 Panamera / S / GTS / Turbo - 2010 bis 2016
Porsche 955 Cayenne S / Turbo – 2003 bis 2006
Porsche 957 Cayenne S / GTS / Turbo - 2007 bis 2010
Porsche 958 Cayenne S / GTS / Turbo - 2011 2018
Produktbeschreibung
Entdecken Sie die magnetische Ablassschraube von Rennline, eine Lösung, die Einfachheit vereint und gleichzeitig optimalen Motorschutz gewährleistet. Dieser Stopfen ist so konstruiert, dass er winzige Eisenmetallpartikel, die am Motorölfilter vorbeischlüpfen könnten, anzieht und festhält.
Reinigen Sie beim Ölwechsel einfach die Magnetspitze, bevor Sie sie wieder einbauen, da so verhindert wird, dass Partikel die Innenteile des Motors zerkratzen.
Durch die Verwendung eines leistungsstarken N42-Neodym-Magneten weist dieser Stecker im Vergleich zur Standard-OEM-Version eine 18-fach höhere Festigkeit auf und weist eine beeindruckende Entmagnetisierungsbeständigkeit auf
Ersetzt die OEM-Teilenummer:
90021902031
PAF008309
Diagramm Nr. 5
Zugehörige Referenznummern
Verwandte, ersetzte, Querverweisoder Alternativnummern zum Vergleich.
M106
Das von Ihnen angezeigte Produkt verweist auf diese Nummern
- Porsche Boxster 987 MKII 2.9L 2009-12
- Porsche Boxster S 987 MKII 3.4L 2009-12
- Porsche Boxster 981 2.7L 2012-16
- Porsche Boxster 981 S / GTS 3.4L 2012-16
- Porsche Boxster 718 2.0L Manual (300 Bhp) 2017>>
- Porsche Boxster 718 2.0L PDK (300 Bhp) 2017>>
- Porsche Boxster S 718 2.5L Manual (350 Bhp) 05/2017>>
- Porsche Boxster S 718 2.5L PDK (350 Bhp) 05/2017>>
- Porsche Boxster T 718 2.0L Manual (300 Bhp) 01/2019>>
- Porsche Boxster T 718 2.0L PDK (300 Bhp) 01/2019>>
- Porsche Boxster GTS 718 2.5L Manual (365 Bhp) 05/2017>>
- Porsche Boxster GTS 718 2.5L PDK (365 Bhp) 05/2017>>
- Porsche 997 MKII Carrera C2 3.6L 2009-12
- Porsche 997 MKII Carrera C4 3.6L 2009-12
- Porsche 997 MKII Carrera C2S 3.8L 2009-12
- Porsche 997 MKII Carrera C4S 3.8L 2009-12
- Porsche 997 MKII Turbo 2010-13
- Porsche 997 MKII GT2 RS 2011-13
- Porsche 991.1 Carrera C2 3.4L (350 Bhp) 2012-16
- Porsche 991.1 Carrera C2S / GTS 3.8L (400/430 Bhp) 2012-16
- Porsche 991.1 Carrera C4 3.4L (350 Bhp) 2012-16
- Porsche 991.1 Carrera C4S / GTS 3.8L (400/430 Bhp) 2012-16
- Porsche 991.1 Turbo 3.8L (520 Bhp) 2014-16
- Porsche 991.1 Turbo S 3.8L (560 Bhp) 2014-16
- Porsche Cayman 2.9L 987C MKII 2009-12
- Porsche Cayman S / R 3.4L 987C MKII 2009-12
- Porsche Cayman 2.7L 981 2013-16
- Porsche Cayman S / GTS 3.4L 981 2013-16
- Porsche Cayman GT4 3.8L 2015-16
- Porsche Cayman 718 2.0L Manual (300 Bhp)
- Porsche Cayman 718 2.0L PDK (300 Bhp)
- Porsche Cayman S 718 2.5L Manual (350 Bhp)
- Porsche Cayman S 718 2.5L PDK (350 Bhp)
- Porsche Cayman T 718 2.0L Manual (300 Bhp)
- Porsche Cayman T 718 2.0L PDK (300 Bhp)
- Porsche Cayman GTS 718 2.5L Manual (365 Bhp)
- Porsche Cayman GTS 718 2.5L PDK (365 Bhp)
- Porsche 955 Cayenne S 4.5L V8 2003-06
- Porsche 955 Cayenne Turbo 4.5L 2003-06
- Porsche 955 Cayenne Turbo S 4.5L 2006>>
- Porsche 957 Cayenne S / GTS 4.8L 2007-10
- Porsche 957 Cayenne Turbo / Turbo S 4.8L 2007-10
- Porsche 958 Cayenne S V8 4.8L Petrol (400Hp) 2010-17
- Porsche 958 Cayenne GTS V8 4.8L Petrol (400Hp) 2010-17
- Porsche 958 Cayenne Turbo V8 4.8L Petrol (500Hp) 2010-17
- Porsche 958 Cayenne Turbo S V8 4.8L Petrol (550Hp) 2010-17
- Porsche 970.1 Panamera V6 3.6L 2WD 2009-13
- Porsche 970.1 Panamera 4 V6 3.6L 4WD 2009-13
- Porsche 970.1 Panamera S V8 4.8L 2009-13
- Porsche 970.1 Panamera 4S V8 4.8L 2009-13
- Porsche 970.1 Panamera GTS V8 4.8L 2011-13
- Porsche 970.1 Panamera Turbo V8 4.8L 2009-13
- Porsche 970.1 Panamera Turbo S V8 4.8L 2009-13
- Porsche 970.2 Panamera V6 3.6L 2WD (310Hp) 2014-16
- Porsche 970.2 Panamera 4 V6 3.6L 4WD (310Hp) 2014-16
- Porsche 970.2 Panamera S V6 Turbo 3.0L 2WD (420Hp) 2014-16
- Porsche 970.2 Panamera S V6 Turbo 3.0L 2WD Executive 2014-16
- Porsche 970.2 Panamera 4S V6 Turbo 3.0L 4WD (420Hp) 2014-16
- Porsche 970.2 Panamera 4S V6 Turbo 3.0L 4WD Executive 2014-16
- Porsche 970.2 Panamera GTS V8 4.8L 4WD (440Hp) 2014-16
- Porsche 970.2 Panamera Turbo V8 4.8L (520Hp) 2014-16
- Porsche 970.2 Panamera Turbo V8 Executive 2014-16
- Porsche 970.2 Panamera Turbo S V8 4.8L 2014-16
Porsche Ölfilter | Design911 Hochleistungsfilter für Motorschutz und Langlebigkeit
Ölfilter sind für die Funktionsfähigkeit und Leistung Ihres Porsche-Motors unerlässlich. Sie entfernen mikroskopisch kleine Partikel, Schlamm und Verunreinigungen aus dem Motoröl, sorgen für eine reibungslose Schmierung und reduzieren den Verschleiß wichtiger beweglicher Komponenten. Ein sauberer, hochwertiger Ölfilter erhält die Motorleistung, verhindert vorzeitigen Verschleiß und verlängert die Lebensdauer – ein Muss für jeden sportlichen oder klassischen Porsche.
Design911 bietet ein umfassendes Sortiment an Ölfiltern und Filtergehäusen für präzise Passform, hervorragende Filterleistung und langanhaltenden Schutz. Jedes Filterelement ist aus hochwertigen Materialien gefertigt, um einen optimalen Ölfluss zu gewährleisten und schädliche Partikel effektiv abzufangen. Ob für die Routinewartung, Restaurierung oder Motorsportvorbereitung – unsere Ölfilter bieten bewährte Zuverlässigkeit und sorgenfreie Fahrt.
Was machen Ölfilter?
Ölfilter sind ein wichtiger Bestandteil des Schmiersystems Ihres Porsche und sorgen dafür, dass nur sauberes, gefiltertes Öl durch den Motor zirkuliert.
Kernfunktionen:
• Metallspäne, Schmutz und Verbrennungsrückstände auffangen und entfernen.
• Sorgen Sie für Sauberkeit und Viskosität des Öls, um eine gleichmäßige Schmierung zu gewährleisten.
• Verhindert Schlammablagerungen und abrasiven Verschleiß an Motorteilen.
• Schützen Sie wichtige Komponenten wie Lager, Kolben und Nockenwellen.
• Unterstützt optimalen Öldruck und Leistung.
Eine hochwertige Ölfilterung trägt dazu bei, die typische Reaktionsfähigkeit und Zuverlässigkeit Ihres Porsche unter allen Fahrbedingungen aufrechtzuerhalten.
Warum versagen oder verschlechtern sich Ölfilter?
Mit der Zeit und der Kilometerleistung sammeln sich in Ölfiltern Ablagerungen an und sie verlieren an Effizienz, wodurch der Ölfluss eingeschränkt und der Motorschutz verringert wird.
Zu den häufigsten Fehlerursachen zählen:
• Verlängerte Wartungsintervalle führen zu verstopften oder gesättigten Filtern.
• Filtermedien von schlechter Qualität oder beschädigter Qualität kollabieren unter Druck.
• Verunreinigungen durch Schlamm oder verunreinigtes Öl.
• Dichtungsverschleiß, der zu Lecks oder Druckverlust führt.
• Unsachgemäße Montage oder Installation.
Ein verschlissener oder verstopfter Ölfilter kann zu Ölmangel, erhöhter Reibung und sogar schweren Motorschäden führen. Ein rechtzeitiger Austausch ist daher für Leistung und Langlebigkeit von entscheidender Bedeutung.
Warum sollten Sie Ihren Porsche-Ölfilter austauschen oder aufrüsten?
Regelmäßiger Ölfilterwechsel gewährleistet maximalen Motorschutz und optimale Leistung. Ein Upgrade auf einen Hochleistungsfilter kann zudem den Ölfluss und die Filtereffizienz unter hoher Belastung oder auf der Rennstrecke verbessern.
Hauptvorteile:
• Stellt die Ölreinheit und Druckstabilität wieder her.
• Verhindert Verschleiß und Verschmutzung des Motorinneren.
• Verlängert die Öllebensdauer und verbessert die Leistungszuverlässigkeit.
• Erhältlich in Papier-, Synthetik- und High-Flow-Performance-Designs.
• Kompatibel mit den Modellen Porsche 911, 944, 968, Boxster, Cayman, Panamera und Macan.
• Ideal für Wartungs-, Tuning- oder komplette Restaurierungsprojekte.
Die Porsche-Ölfilter von Design911 bieten die technische Präzision, den Schutz und die Haltbarkeit, die erforderlich sind, damit Ihr Motor Kilometer für Kilometer seine beste Leistung bringt.
Highlights
• Premium Porsche Ölfilter für alle Motortypen.
• Hocheffiziente Filterung für saubereres, länger haltbares Öl.
• Präzise Passform für luft- und wassergekühlte Porsche-Modelle.
• Entwickelt für Leistung, Zuverlässigkeit und Schutz.
• Perfekt für Service, Wartung oder Leistungssteigerungen.
• Erhältlich in Standard- und Hochdurchflusskonfigurationen.