Geben Sie hier Ihre MwSt.-Nummer ein und klicken Sie auf Überprüfen:
Sie brauchen den Ländercode Ihrer MwSt.-Nummer nicht einzugeben, da dieser bereits oben in Ihrer Rechnungsadresse ausgewählt wurde.
Ihre Angaben wurden überprüft. MwSt.-Nummer registriert auf:
,
.
Ihre Bestellung ist nun mehrwertsteuerfrei. Wir behalten uns das Recht vor, diese Angaben nach Ihrer Bestellung zu überprüfen und gegebenenfalls die Mehrwertsteuer wieder einzuführen.
Ihre MwSt.-Angaben wurden nicht erkannt oder waren ungültig. Ihre MwSt.-Nummer muss mit Ihrem Rechnungsland übereinstimmen, wie oben angegeben. Dies ist derzeit als angegeben. Sie brauchen den Ländercode Ihrer MwSt.-Nummer nicht einzugeben, da Sie diesen bereits in den Angaben zu Ihrer Rechnungsadresse oben ausgewählt haben.
Der Dienst zur Überprüfung von MwSt.-Nummern ist derzeit offline. Bitte geben Sie Ihre MwSt.-Daten im Feld „Kommentare“ oder „Besondere Hinweise“ unten an, und wir werden nach Ihrer Bestellung einen MwSt.-Rabatt gewähren.
Wasser-/Kühlmittelkühler
Rennsport- und Hochleistungskühler für alle Porsche-Modelle stellen eine hervorragende Leistungssteigerung und einen unglaublich langlebigen und zuverlässigen Erstausrüsterersatz dar.

Rennsport- und Hochleistungskühler für alle Porsche-Modelle. CSF ist bestrebt, die fortschrittlichsten, effizientesten und zuverlässigsten Kühlsysteme der Welt zu bauen und zu konstruieren. Vollaluminium, 100 % WIG-geschweißt, CNC-gefräste Halterungen, Befestigungsstifte und „Quick-Connect“-Einlass-/Auslassrohre, Drop-in-Passform ohne Änderungen, 2-reihiger Kern mit B-Tube-Technologie (+20 %), 1 Stunde handpoliert, rennstreckenerprobt und bewährt bei 110 °F, ISO 9001-zertifizierte Kühlsystemherstellung.
MASCHINENBAU
„B-Tube“ Technologie - Effizienteste Röhre der Welt
Lamellenlamelle mit hohem Wirkungsgrad
OE-Radial- und tiefgezogene Aluminium-Endtanks
Im Windkanal getestet für optimale Kühlleistung im Kühlerkern
Stabilere Verbindungskonstruktion für Halterungen, Lüfterhauben und Kondensatoren
OE-spezifische Montage
„Drop-in“-Montage, keine Änderungen erforderlich
CNC-gefräste Halterungen und Beschläge
Ablassschraube im Racing Style aus Vollaluminium
HERSTELLUNG
Im CAB-Ofen gelötet
ISO 9001/9002-Zertifizierung
Privatgeführte Fabriken mit komplett eigener Werkzeugausstattung
"Master Class" WIG-Schweißen
TESTEN
Einzeln auf Dichtheit geprüft
Vibrationszyklus getestet
Thermozyklus getestet
Berstdruckzyklus 10.000 Mal auf Festigkeit getestet
Korrosionsschutz durch Salzsprühnebelprüfung
Querverweisnummern
Links: 99110614101
Rechts: 99110614201
Zentrum: 99110613802 / 99110603890
Passform:
Porsche 997.1 GT3 - 2010 bis 2012
Porsche 991 turbo / turbo S - 2009 bis 2016
Zugehörige Referenznummern
Verwandte, ersetzte, Querverweisoder Alternativnummern zum Vergleich.
RADKIT99103
Das von Ihnen angezeigte Produkt verweist auf diese Nummern
- Porsche 997 MKII GT3 2010-11
- Porsche 997 MKII Turbo 2010-13
- Porsche 991.1 Turbo 3.8L (520bhp) 2014-16
- Porsche 991.1 Turbo S 3.8L (560Bhp) 2014-16
Kühlerkühlmittel. Porsche Boxster 987 / Cayman 987C / 997 (OE-Teilenummer 99710613102 / 99710613202)

Passform:
Porsche 987 Boxster 2005>>
Porsche 987C Cayman 2005-08
Porsche 997 2005-08
Kühlerflüssigkeit oder Kühlmittel ist der wichtigste Bestandteil des Kühlsystems Ihres Autos und schützt Ihren Motor vor Überhitzung. Ein Mangel an Kühlmittel kann zu Pannen und teuren Reparaturen führen.
Dieses Produkt wird mit 2 JAHREN Garantie geliefert
Zugehörige Referenznummern
Verwandte, ersetzte, Querverweisoder Alternativnummern zum Vergleich.
RADKIT997.MAH
Das von Ihnen angezeigte Produkt verweist auf diese Nummern
- Porsche Boxster 987 2.7L 2005 -08/08
- Porsche Boxster 987 S 3.2/3.4L 2005-08/08
- Porsche Boxster 987 MKII 2.9L 2009-2012
- Porsche Boxster S 987 MKII 3.4L 2009-2012
- Porsche 997 MK1 Carrera 2 3.6L 2005-08
- Porsche 997 MK1 Carrera 2S 3.8L 2005-08
- Porsche 997 MK1 Carrera 4 3.6L 2005-08
- Porsche 997 MK1 Carrera 4S 3.8L 2005-08
- Porsche 997 MK1 GT3 2007-09
- Porsche 997 MKII Carrera C2 3.6L 2009-12
- Porsche 997 MKII Carrera C4 3.6L 2009-12
- Porsche 997 MKII Carrera C2S 3.8L 2009-12
- Porsche 997 MKII Carrera C4S 3.8L 2009-12
- Porsche 997 MKII GT3 2010-11
- Porsche Cayman 2.7L 987C 2006-08
- Porsche Cayman S 3.4L 987C 2005-08
- Porsche Cayman 2.9L 987C MKII 2009-12
- Porsche Cayman S / R 3.4L 987C MKII 2009-12

Passend für:
Porsche 987 Boxster 2005>>
Porsche 987C Cayman 2005-08
Porsche 997 2005-08
Die Kühlflüssigkeit, auch Kühlmittel genannt, ist der wichtigste Bestandteil des Kühlsystems Ihres Autos und schützt den Motor vor Überhitzung. Ein niedriger Kühlmittelstand kann zu einer Panne und teuren Reparaturen führen.
Für dieses Produkt gilt eine 2-jährige Garantie.
Zugehörige Referenznummern
Verwandte, ersetzte, Querverweisoder Alternativnummern zum Vergleich.
RADKIT997.1.OEM
Das von Ihnen angezeigte Produkt verweist auf diese Nummern
- Porsche Boxster 987 2.7L 2005 -08/08
- Porsche Boxster 987 S 3.2/3.4L 2005-08/08
- Porsche Boxster 987 MKII 2.9L 2009-2012
- Porsche Boxster S 987 MKII 3.4L 2009-2012
- Porsche 997 MK1 Carrera 2 3.6L 2005-08
- Porsche 997 MK1 Carrera 2S 3.8L 2005-08
- Porsche 997 MK1 Carrera 4 3.6L 2005-08
- Porsche 997 MK1 Carrera 4S 3.8L 2005-08
- Porsche 997 MK1 GT3 2007-09
- Porsche 997 MKII Carrera C2 3.6L 2009-12
- Porsche 997 MKII Carrera C4 3.6L 2009-12
- Porsche 997 MKII Carrera C2S 3.8L 2009-12
- Porsche 997 MKII Carrera C4S 3.8L 2009-12
- Porsche 997 MKII GT3 2010-11
- Porsche Cayman 2.7L 987C 2006-08
- Porsche Cayman S 3.4L 987C 2005-08
- Porsche Cayman 2.9L 987C MKII 2009-12
- Porsche Cayman S / R 3.4L 987C MKII 2009-12
Kühler für Wasserkühlflüssigkeit. Porsche Boxster 987 / Cayman 987C / 997 (OE-Teilenummer 99710613102 / 99710613202)

Passend für:
Porsche 987 Boxster 2005>>
Porsche 987C Cayman 2005-08
Porsche 997 2005-08
Die Kühlflüssigkeit, auch Kühlmittel genannt, ist der wichtigste Bestandteil des Kühlsystems Ihres Autos und schützt den Motor vor Überhitzung. Ein niedriger Kühlmittelstand kann zu einer Panne und teuren Reparaturen führen.
Für dieses Produkt gilt eine 2-jährige Garantie.
Zugehörige Referenznummern
Verwandte, ersetzte, Querverweisoder Alternativnummern zum Vergleich.
RADKIT997.OEM
Das von Ihnen angezeigte Produkt verweist auf diese Nummern
- Porsche Boxster 987 2.7L 2005 -08/08
- Porsche Boxster 987 S 3.2/3.4L 2005-08/08
- Porsche Boxster 987 MKII 2.9L 2009-2012
- Porsche Boxster S 987 MKII 3.4L 2009-2012
- Porsche 997 MK1 Carrera 2 3.6L 2005-08
- Porsche 997 MK1 Carrera 2S 3.8L 2005-08
- Porsche 997 MK1 Carrera 4 3.6L 2005-08
- Porsche 997 MK1 Carrera 4S 3.8L 2005-08
- Porsche 997 MK1 GT3 2007-09
- Porsche 997 MKII Carrera C2 3.6L 2009-12
- Porsche 997 MKII Carrera C4 3.6L 2009-12
- Porsche 997 MKII Carrera C2S 3.8L 2009-12
- Porsche 997 MKII Carrera C4S 3.8L 2009-12
- Porsche 997 MKII GT3 2010-11
- Porsche Cayman 2.7L 987C 2006-08
- Porsche Cayman S 3.4L 987C 2005-08
- Porsche Cayman 2.9L 987C MKII 2009-12
- Porsche Cayman S / R 3.4L 987C MKII 2009-12
Passform:
Porsche 996 Turbo
Porsche GT2
Porsche 997 GT2 / GT2 RS 2008-11
Porsche 997 GT3 3.6L 2007-09
Porsche 997 GT3 / GT3 RS 3.8L 2010-11
Porsche 997 GT3 RS 4.0L 2011
Querverweisnummern
99610603775, 99610603773, 99610603772, 99610603771, 50595, 8MK376765111
CSF ist bestrebt, die fortschrittlichsten, effizientesten und zuverlässigsten Kühlsysteme der Welt zu entwickeln und zu konstruieren. Vollaluminium, 100 % WIG-geschweißt, CNC-gefräste Halterungen, Befestigungsstifte und „Quick-Connect“-Einlass-/Auslassrohre, Drop-in-Passform ohne Modifikationen , 2-reihiger Kern mit B-Tube-Technologie (+20 %), 1 Stunde handpoliert, rennstreckenerprobt und bewährt bei 43 °C, ISO 9001-zertifizierter Kühlsystemhersteller.
MASCHINENBAU
„B-Tube“-Technologie – Effizienteste Röhre der Welt
Hocheffiziente Lamellenlamelle
OE-Radial- und tiefgezogene Aluminium-Endtanks
Im Windkanal getestet für optimale Kühlleistung des Kühlerkerns
Stabilere Verbindungskonstruktion für Halterungen, Lüfterhauben und Kondensatoren
OE-spezifische Montage
„Drop-in“-Montage, die keine Änderungen erfordert
CNC-gefräste Halterungen und Beschläge
Ablassschraube im Racing-Stil aus Vollaluminium
HERSTELLUNG
Im CAB-Ofen gelötet
ISO 9001/9002-Zertifizierung
Privatgeführte Fabriken mit kompletten Werkzeugräumen im eigenen Haus
"Master Class" WIG-Schweißen
TESTEN
Einzeln auf Dichtheit geprüft
Vibrationszyklus getestet
Thermozyklus getestet
Berstdruckzyklus 10.000 Mal auf Festigkeit getestet
Salzsprühnebelgetestet für Korrosionsschutz
Zugehörige Referenznummern
Verwandte, ersetzte, Querverweisoder Alternativnummern zum Vergleich.
7053
Das von Ihnen angezeigte Produkt verweist auf diese Nummern
- Porsche 996 TURBO 2000-05
- Porsche 996 GT2 2001-05
- Porsche 997 MK1 GT3 2007-09
- Porsche 997 MK1 GT2 2007-09
- Porsche 997 MKII GT3 2010-11
- Porsche 997 MKII GT2 RS 2011-13
Passform:
Porsche 997 Turbo 2008>> I101 (Spezielle GT2-Motorteile)
Porsche 997 Turbo / GT2 / GT2RS 2007-11
Porsche 997 GT3 / GT3 RS 2010-11
Diagrammreferenz Nr. 11
Zugehörige Referenznummern
Verwandte, ersetzte, Querverweisoder Alternativnummern zum Vergleich.
99750448981
Das von Ihnen angezeigte Produkt verweist auf diese Nummern
- Porsche 997 MK1 TURBO 2007-09
- Porsche 997 MK1 GT3 2007-09
- Porsche 997 MK1 GT2 2007-09
- Porsche 997 MKII GT3 2010-11
- Porsche 997 MKII Turbo 2010-13
- Porsche 997 MKII GT2 RS 2011-13

-- x 10 Stück pro Fahrzeug erforderlich --
Porsche Carrera GT 2004-06
-- 4 x pro Fahrzeug erforderlich --
Porsche 986 Boxster 1997-04
Porsche 987 Boxster 2005-12
Porsche 987 Cayman 2006-12
Porsche 996 Carrera 1998-05
Porsche 996 Turbo / GT2 2001-05
Porsche 996 GT3 1999-05
Porsche 997 Carrera 2005-12
Porsche 997 GT3 2007-11
-- x2 pro Fahrzeug erforderlich --
Porsche 970 Panamera 2010-16
- Porsche Boxster 986 2.5L 1997-99
- Porsche Boxster 986 2.7L 1999-02
- Porsche Boxster S 986 3.2L 1999-02
- Porsche Boxster 986 2.7L 2003-04
- Porsche Boxster S 986 3.2L 2003-04
- Porsche Boxster 987 2.7L 2005 -08/08
- Porsche Boxster 987 S 3.2/3.4L 2005-08/08
- Porsche Boxster 987 MKII 2.9L 2009-2012
- Porsche Boxster S 987 MKII 3.4L 2009-2012
- Porsche 996 C2 3.4L 1997-08/01
- Porsche 996 C4 3.4L 1997-08/01
- Porsche 996 C2 3.6L 09/01-2005
- Porsche 996 C4 3.6L 09/01-2005
- Porsche 996 C4S 3.6L 09/01-2005
- Porsche 996 TURBO 2000-05
- Porsche 996 GT2 2001-05
- Porsche 996 GT3 MKI 1999-02
- Porsche 996 GT3 MKII 2003>>
- Porsche 996 GT3 RS 2003-04
- Porsche 997 MK1 Carrera 2 3.6L 2005-08
- Porsche 997 MK1 Carrera 2S 3.8L 2005-08
- Porsche 997 MK1 Carrera 4 3.6L 2005-08
- Porsche 997 MK1 Carrera 4S 3.8L 2005-08
- Porsche 997 MK1 TURBO 2007-09
- Porsche 997 MK1 GT3 2007-09
- Porsche 997 MK1 GT2 2007-09
- Porsche 997 MKII Carrera C2 3.6L 2009-12
- Porsche 997 MKII Carrera C4 3.6L 2009-12
- Porsche 997 MKII Carrera C2S 3.8L 2009-12
- Porsche 997 MKII Carrera C4S 3.8L 2009-12
- Porsche 997 MKII GT3 2010-11
- Porsche 997 MKII Turbo 2010-13
- Porsche 997 MKII GT2 RS 2011-13
- Porsche 991.2 Carrera 2 3.0L (370 Bhp) 2016-19
- Porsche 991.2 Carrera 2S / GTS 3.0L (420/450 Bhp) 2016-19
- Porsche 991.2 Carrera 4 3.0L (370 Bhp) 2016-19
- Porsche 991.2 Carrera 4S / GTS 3.0L (420/450 Bhp) 2016-19
- Porsche 991.2 Cabriolet 2 3.0L (370 Bhp) 2016-19
- Porsche 991.2 Cabriolet 2S / GTS 3.0L (420/450 Bhp) 2016-19
- Porsche 991.2 Cabriolet 4 3.0L (370 Bhp) 2016-19
- Porsche 991.2 Cabriolet 4S / GTS 3.0L (420/450 Bhp) 2016-19
- Porsche 991.2 Targa 4 3.0L (370 Bhp) 2016-19
- Porsche 991.2 Targa 4S / GTS 3.0L (420/450 Bhp) 2016-19
- Porsche Cayman 2.7L 987C 2006-08
- Porsche Cayman S 3.4L 987C 2005-08
- Porsche Cayman 2.9L 987C MKII 2009-12
- Porsche Cayman S / R 3.4L 987C MKII 2009-12
- Porsche Carrera GT
- Porsche 970.1 Panamera V6 3.6L 2WD 2009-13
- Porsche 970.1 Panamera 4 V6 3.6L 4WD 2009-13
- Porsche 970.1 Panamera S V8 4.8L 2009-13
- Porsche 970.1 Panamera 4S V8 4.8L 2009-13
- Porsche 970.1 Panamera GTS V8 4.8L 2011-13
- Porsche 970.1 Panamera Turbo V8 4.8L 2009-13
- Porsche 970.1 Panamera Turbo S V8 4.8L 2009-13
- Porsche 970.1 Panamera Diesel V6 3.0L 2011-13
- Porsche 970.1 Panamera S Hybrid V6 3.0L 2011-13
- Porsche 970.2 Panamera V6 3.6L 2WD (310Hp) 2014-16
- Porsche 970.2 Panamera 4 V6 3.6L 4WD (310Hp) 2014-16
- Porsche 970.2 Panamera S V6 Turbo 3.0L 2WD (420Hp) 2014-16
- Porsche 970.2 Panamera S V6 Turbo 3.0L 2WD Executive 2014-16
- Porsche 970.2 Panamera 4S V6 Turbo 3.0L 4WD (420Hp) 2014-16
- Porsche 970.2 Panamera 4S V6 Turbo 3.0L 4WD Executive 2014-16
- Porsche 970.2 Panamera GTS V8 4.8L 4WD (440Hp) 2014-16
- Porsche 970.2 Panamera Turbo V8 4.8L (520Hp) 2014-16
- Porsche 970.2 Panamera Turbo V8 Executive 2014-16
- Porsche 970.2 Panamera Turbo S V8 4.8L 2014-16
- Porsche 970.2 Panamera Diesel V6 3.0L (250Hp) 2014-16
- Porsche 970.2 Panamera S E-Hybrid V6 3.0L (416Hp) 2014-16

Passform:
Porsche 997 GT3 / RS 2007-11
- Porsche 997 MK1 GT3 2007-09
- Porsche 997 MKII GT3 2010-11

Passt:
Porsche 987 Boxster MKI 2005-08
Porsche 987 Boxster MKII 2009>>
Porsche 987C Cayman MKI 2006-08
Porsche 987C Cayman MKII 2009>>
Porsche 997 Carrera MKI 2005-08
Porsche 997 Carrera MKII 2009>>
Porsche 997 GT3 2007>>
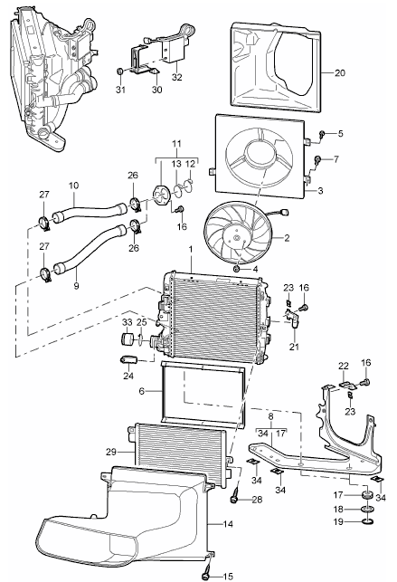
Klicken Sie auf das Bild für ein Diagramm mit großen Teilen.
Diagramm Nr. 24.
Zugehörige Referenznummern
Verwandte, ersetzte, Querverweisoder Alternativnummern zum Vergleich.
99710623102
Das von Ihnen angezeigte Produkt verweist auf diese Nummern
- Porsche Boxster 987 2.7L 2005 -08/08
- Porsche Boxster 987 S 3.2/3.4L 2005-08/08
- Porsche Boxster 987 MKII 2.9L 2009-2012
- Porsche Boxster S 987 MKII 3.4L 2009-2012
- Porsche 997 MK1 Carrera 2 3.6L 2005-08
- Porsche 997 MK1 Carrera 2S 3.8L 2005-08
- Porsche 997 MK1 Carrera 4 3.6L 2005-08
- Porsche 997 MK1 Carrera 4S 3.8L 2005-08
- Porsche 997 MK1 GT3 2007-09
- Porsche 997 MKII Carrera C2 3.6L 2009-12
- Porsche 997 MKII Carrera C4 3.6L 2009-12
- Porsche 997 MKII Carrera C2S 3.8L 2009-12
- Porsche 997 MKII Carrera C4S 3.8L 2009-12
- Porsche 997 MKII GT3 2010-11
- Porsche Cayman 2.7L 987C 2006-08
- Porsche Cayman S 3.4L 987C 2005-08
- Porsche Cayman 2.9L 987C MKII 2009-12
- Porsche Cayman S / R 3.4L 987C MKII 2009-12

Passt:
Porsche 987 Boxster MKI 2005-08
Porsche 987 Boxster MKII 2009>>
Porsche 987C Cayman MKI 2006-08
Porsche 987C Cayman MKII 2009>>
Porsche 997 Carrera MKI 2005-08
Porsche 997 Carrera MKII 2009>>
Porsche 997 Turbo 2007>>
Porsche 997 GT3 2007>>
Klicken Sie auf das Bild für ein Diagramm mit großen Teilen.
Diagramm Nr. 22.
- Porsche Boxster 987 2.7L 2005 -08/08
- Porsche Boxster 987 S 3.2/3.4L 2005-08/08
- Porsche Boxster 987 MKII 2.9L 2009-2012
- Porsche Boxster S 987 MKII 3.4L 2009-2012
- Porsche 997 MK1 Carrera 2 3.6L 2005-08
- Porsche 997 MK1 Carrera 2S 3.8L 2005-08
- Porsche 997 MK1 Carrera 4 3.6L 2005-08
- Porsche 997 MK1 Carrera 4S 3.8L 2005-08
- Porsche 997 MK1 TURBO 2007-09
- Porsche 997 MK1 GT3 2007-09
- Porsche 997 MKII Carrera C2 3.6L 2009-12
- Porsche 997 MKII Carrera C4 3.6L 2009-12
- Porsche 997 MKII Carrera C2S 3.8L 2009-12
- Porsche 997 MKII Carrera C4S 3.8L 2009-12
- Porsche 997 MKII GT3 2010-11
- Porsche 997 MKII Turbo 2010-13
- Porsche Cayman 2.7L 987C 2006-08
- Porsche Cayman S 3.4L 987C 2005-08
- Porsche Cayman 2.9L 987C MKII 2009-12
- Porsche Cayman S / R 3.4L 987C MKII 2009-12

Passt:
Porsche 987 Boxster MKI 2005-08
Porsche 987 Boxster MKII 2009>>
Porsche 987C Cayman MKI 2006-08
Porsche 987C Cayman MKII 2009>>
Porsche 997 Carrera MKI 2005-08
Porsche 997 Carrera MKII 2009>>
Porsche 997 GT3 2007>>
Klicken Sie auf das Bild für ein Diagramm mit großen Teilen.
Diagramm Nr. 21.
Zugehörige Referenznummern
Verwandte, ersetzte, Querverweisoder Alternativnummern zum Vergleich.
99710623201
Das von Ihnen angezeigte Produkt verweist auf diese Nummern
- Porsche Boxster 987 2.7L 2005 -08/08
- Porsche Boxster 987 S 3.2/3.4L 2005-08/08
- Porsche Boxster 987 MKII 2.9L 2009-2012
- Porsche Boxster S 987 MKII 3.4L 2009-2012
- Porsche 997 MK1 Carrera 2 3.6L 2005-08
- Porsche 997 MK1 Carrera 2S 3.8L 2005-08
- Porsche 997 MK1 Carrera 4 3.6L 2005-08
- Porsche 997 MK1 Carrera 4S 3.8L 2005-08
- Porsche 997 MK1 GT3 2007-09
- Porsche 997 MKII Carrera C2 3.6L 2009-12
- Porsche 997 MKII Carrera C4 3.6L 2009-12
- Porsche 997 MKII Carrera C2S 3.8L 2009-12
- Porsche 997 MKII Carrera C4S 3.8L 2009-12
- Porsche 997 MKII GT3 2010-11
- Porsche Cayman 2.7L 987C 2006-08
- Porsche Cayman S 3.4L 987C 2005-08
- Porsche Cayman 2.9L 987C MKII 2009-12
- Porsche Cayman S / R 3.4L 987C MKII 2009-12

Passform:
Porsche 987 Boxster - 2005 bis 2012
Porsche 987C Cayman - 2005 bis 2012
Porsche 997 - 2005 bis 2012
Klicken Sie auf „Vergrößern“, um das Diagramm großer Teile anzuzeigen.
Diagramm Referenz Nr. 1
Zugehörige Referenznummern
Verwandte, ersetzte, Querverweisoder Alternativnummern zum Vergleich.
99710613
Das von Ihnen angezeigte Produkt verweist auf diese Nummern
- Porsche Boxster 987 2.7L 2005 -08/08
- Porsche Boxster 987 S 3.2/3.4L 2005-08/08
- Porsche Boxster 987 MKII 2.9L 2009-2012
- Porsche Boxster S 987 MKII 3.4L 2009-2012
- Porsche 997 MK1 Carrera 2 3.6L 2005-08
- Porsche 997 MK1 Carrera 2S 3.8L 2005-08
- Porsche 997 MK1 Carrera 4 3.6L 2005-08
- Porsche 997 MK1 Carrera 4S 3.8L 2005-08
- Porsche 997 MK1 GT3 2007-09
- Porsche 997 MKII Carrera C2 3.6L 2009-12
- Porsche 997 MKII Carrera C4 3.6L 2009-12
- Porsche 997 MKII Carrera C2S 3.8L 2009-12
- Porsche 997 MKII Carrera C4S 3.8L 2009-12
- Porsche 997 MKII GT3 2010-11
- Porsche Cayman 2.7L 987C 2006-08
- Porsche Cayman S 3.4L 987C 2005-08
- Porsche Cayman 2.9L 987C MKII 2009-12
- Porsche Cayman S / R 3.4L 987C MKII 2009-12

Passform:
Porsche 987 Boxster - 2005 bis 2012
Porsche 987C Cayman - 2005 bis 2012
Porsche 997 - 2005 bis 2012
Zugehörige Referenznummern
Verwandte, ersetzte, Querverweisoder Alternativnummern zum Vergleich.
99710613
Das von Ihnen angezeigte Produkt verweist auf diese Nummern
- Porsche Boxster 987 2.7L 2005 -08/08
- Porsche Boxster 987 S 3.2/3.4L 2005-08/08
- Porsche Boxster 987 MKII 2.9L 2009-2012
- Porsche Boxster S 987 MKII 3.4L 2009-2012
- Porsche 997 MK1 Carrera 2 3.6L 2005-08
- Porsche 997 MK1 Carrera 2S 3.8L 2005-08
- Porsche 997 MK1 Carrera 4 3.6L 2005-08
- Porsche 997 MK1 Carrera 4S 3.8L 2005-08
- Porsche 997 MK1 GT3 2007-09
- Porsche 997 MKII Carrera C2 3.6L 2009-12
- Porsche 997 MKII Carrera C4 3.6L 2009-12
- Porsche 997 MKII Carrera C2S 3.8L 2009-12
- Porsche 997 MKII Carrera C4S 3.8L 2009-12
- Porsche 997 MKII GT3 2010-11
- Porsche Cayman 2.7L 987C 2006-08
- Porsche Cayman S 3.4L 987C 2005-08
- Porsche Cayman 2.9L 987C MKII 2009-12
- Porsche Cayman S / R 3.4L 987C MKII 2009-12

Passform:
Porsche 987 Boxster - 2005 bis 2012
Porsche 987C Cayman - 2005 bis 2012
Porsche 997 - 2005 bis 2012
Zugehörige Referenznummern
Verwandte, ersetzte, Querverweisoder Alternativnummern zum Vergleich.
99710613
Das von Ihnen angezeigte Produkt verweist auf diese Nummern
- Porsche Boxster 987 2.7L 2005 -08/08
- Porsche Boxster 987 S 3.2/3.4L 2005-08/08
- Porsche Boxster 987 MKII 2.9L 2009-2012
- Porsche Boxster S 987 MKII 3.4L 2009-2012
- Porsche 997 MK1 Carrera 2 3.6L 2005-08
- Porsche 997 MK1 Carrera 2S 3.8L 2005-08
- Porsche 997 MK1 Carrera 4 3.6L 2005-08
- Porsche 997 MK1 Carrera 4S 3.8L 2005-08
- Porsche 997 MK1 GT3 2007-09
- Porsche 997 MKII Carrera C2 3.6L 2009-12
- Porsche 997 MKII Carrera C4 3.6L 2009-12
- Porsche 997 MKII Carrera C2S 3.8L 2009-12
- Porsche 997 MKII Carrera C4S 3.8L 2009-12
- Porsche 997 MKII GT3 2010-11
- Porsche Cayman 2.7L 987C 2006-08
- Porsche Cayman S 3.4L 987C 2005-08
- Porsche Cayman 2.9L 987C MKII 2009-12
- Porsche Cayman S / R 3.4L 987C MKII 2009-12

Passend für:
Porsche 987.1 Boxster 2005-08
Porsche 987.2 Boxster 2009-12
Porsche 987C.1 Cayman 2006-08
Porsche 987C.2 Cayman 2009-12
Porsche 997.1 2005-08
Porsche 997.2 2009-12
Klicken Sie auf „Vergrößern“, um ein Diagramm mit großen Teilen anzuzeigen.
Diagramm Nr. 3.
Zugehörige Referenznummern
Verwandte, ersetzte, Querverweisoder Alternativnummern zum Vergleich.
99762413
Das von Ihnen angezeigte Produkt verweist auf diese Nummern
- Porsche Boxster 987 2.7L 2005 -08/08
- Porsche Boxster 987 S 3.2/3.4L 2005-08/08
- Porsche Boxster 987 MKII 2.9L 2009-2012
- Porsche Boxster S 987 MKII 3.4L 2009-2012
- Porsche 997 MK1 Carrera 2 3.6L 2005-08
- Porsche 997 MK1 Carrera 2S 3.8L 2005-08
- Porsche 997 MK1 Carrera 4 3.6L 2005-08
- Porsche 997 MK1 Carrera 4S 3.8L 2005-08
- Porsche 997 MK1 TURBO 2007-09
- Porsche 997 MK1 GT3 2007-09
- Porsche 997 MK1 GT2 2007-09
- Porsche 997 MKII Carrera C2 3.6L 2009-12
- Porsche 997 MKII Carrera C4 3.6L 2009-12
- Porsche 997 MKII Carrera C2S 3.8L 2009-12
- Porsche 997 MKII Carrera C4S 3.8L 2009-12
- Porsche 997 MKII GT3 2010-11
- Porsche 997 MKII Turbo 2010-13
- Porsche 997 MKII GT2 RS 2011-13
- Porsche Cayman 2.7L 987C 2006-08
- Porsche Cayman S 3.4L 987C 2005-08
- Porsche Cayman 2.9L 987C MKII 2009-12
- Porsche Cayman S / R 3.4L 987C MKII 2009-12

Passt:
Porsche 996 Turbo / GT2 1998-05
Porsche 997 GT2 / GT2RS 2008-11
Porsche 997 GT3 3.6L 2007-09
Porsche 997 GT3 / GT3 RS 3.8L 2010-11
Porsche 997 GT3 RS 4.0L 2011
Klicken Sie auf „Vergrößern“, um ein großes Teilediagramm anzuzeigen.
Diagramm Nr. 1.
Zugehörige Referenznummern
Verwandte, ersetzte, Querverweisoder Alternativnummern zum Vergleich.
99610603775
Das von Ihnen angezeigte Produkt verweist auf diese Nummern
- Porsche 996 TURBO 2000-05
- Porsche 996 GT2 2001-05
- Porsche 997 MK1 GT3 2007-09
- Porsche 997 MK1 GT2 2007-09
- Porsche 997 MKII GT3 2010-11
- Porsche 997 MKII GT2 RS 2011-13
-
water cooling - 2 - for 997 GT3 M97.76 2007-09 105-10
-
Wasserkühlung - 3 - für 997 GT3 M97.76 2007-09 105-15
-
Wasserkühlung - 3 - für 997 GT3 / GT3 RS M97.77 2010-11 und 997 GT3 RS 4.0 2011 105-16
-
Kühler Mitte 997 GT3 M97.76 2007-09 105-17
-
Kühlermitte 997 GT3 / GT3 RS M97.77 2010-11 und 997 GT3 RS 4.0 M97.74 2011 105-18
Wasserkühlmittelkühler – Effiziente Kühlleistung für Porsche-Motoren
Wasserkühler sind das Herzstück des Kühlsystems Ihres Porsche und sorgen für die perfekte Balance zwischen Leistung und Motortemperatur. Diese Komponenten leiten die Wärme des Kühlmittels ab, während es durch den Kühlerkern fließt. So wird sichergestellt, dass Ihr Motor mit maximaler Effizienz arbeitet und gleichzeitig eine Überhitzung verhindert wird – egal, ob Sie durch die Straßen der Stadt fahren oder auf der Rennstrecke Gas geben.
Bei Design911 bieten wir ein umfassendes Sortiment an originalen und hochwertigen Wasserkühlern für Porsche-Modelle, darunter 911, Boxster, Cayman, Cayenne, Macan, Panamera und Transaxle-Fahrzeuge. Jeder Kühler ist präzisionsgefertigt und bietet effizienten Wärmeaustausch, Korrosionsbeständigkeit und perfekte Passform. So wird dauerhafte Leistung und Zuverlässigkeit unter allen Fahrbedingungen gewährleistet.
Was machen Wasserkühlmittelkühler?
Kühler sind für das Motorkühlsystem Ihres Porsche unerlässlich. Zu ihren Hauptfunktionen gehören:
- Wärmeübertragung vom Kühlmittel an die Umgebungsluft.
- Regulierung der Kühlmitteltemperatur, um eine Überhitzung des Motors zu verhindern.
- Unterstützung des gesamten Wärmehaushalts für Leistung und Emissionseffizienz.
- Verbesserte Zuverlässigkeit durch Aufrechterhaltung optimaler Betriebstemperaturen in allen Klimazonen.
Durch die effiziente Wärmeableitung schützen Kühler Ihren Motor, verhindern vorzeitigen Verschleiß und sorgen für eine konstante Leistung unter Druck.
Warum fallen Heizkörper aus?
Obwohl Heizkörper auf Langlebigkeit ausgelegt sind, sind sie ständiger thermischer Belastung, Druck und Umwelteinflüssen ausgesetzt, die zu Ausfällen führen können. Häufige Ursachen sind:
- Korrosion oder Rost durch verunreinigtes oder altes Kühlmittel.
- Lecks aufgrund von Rissen in Tanks, beschädigten Kernen oder defekten Dichtungen.
- Verstopfungen durch Ablagerungen oder Kalkablagerungen in den Kühlmittelkanälen.
- Physische Schäden durch Straßenschmutz oder Steinschlag.
- Kühlmittelverunreinigung durch Öl oder Verbrennungsrückstände.
Zu den Symptomen eines Kühlerausfalls zählen Überhitzung, Kühlmittelverlust, sichtbare Lecks oder schwankende Temperaturwerte.
Warum einen defekten Heizkörper austauschen?
Ein beschädigter oder ineffizienter Kühler beeinträchtigt das Kühlsystem Ihres Porsche und kann zu Überhitzung und Motorschäden führen. Der Austausch Ihres Kühlers durch ein hochwertiges, herstellerkonformes Gerät gewährleistet optimale Kühlleistung, Zuverlässigkeit und Sicherheit.
Zu den Vorteilen des Austauschs gehören:
Wiederhergestellte Kühleffizienz und Wärmeableitung.
Verhinderung von Motorüberhitzung und Kühlmittelverlust.
Verbesserte Fahrzeugleistung und Kraftstoffeffizienz.
Langlebige, korrosionsbeständige Materialien für eine lange Lebensdauer.
Alle Kühler in unserem Sortiment sind mit hochwertigen Aluminiumkernen, Präzisionsschweißnähten und verstärkten Endtanks ausgestattet, um eine hervorragende Kühlleistung, Leckageschutz und langfristige Zuverlässigkeit zu gewährleisten – perfekt für Standard- und Hochleistungsanwendungen bei Porsche.