Geben Sie hier Ihre MwSt.-Nummer ein und klicken Sie auf Überprüfen:
Sie brauchen den Ländercode Ihrer MwSt.-Nummer nicht einzugeben, da dieser bereits oben in Ihrer Rechnungsadresse ausgewählt wurde.
Ihre Angaben wurden überprüft. MwSt.-Nummer registriert auf:
,
.
Ihre Bestellung ist nun mehrwertsteuerfrei. Wir behalten uns das Recht vor, diese Angaben nach Ihrer Bestellung zu überprüfen und gegebenenfalls die Mehrwertsteuer wieder einzuführen.
Ihre MwSt.-Angaben wurden nicht erkannt oder waren ungültig. Ihre MwSt.-Nummer muss mit Ihrem Rechnungsland übereinstimmen, wie oben angegeben. Dies ist derzeit als angegeben. Sie brauchen den Ländercode Ihrer MwSt.-Nummer nicht einzugeben, da Sie diesen bereits in den Angaben zu Ihrer Rechnungsadresse oben ausgewählt haben.
Der Dienst zur Überprüfung von MwSt.-Nummern ist derzeit offline. Bitte geben Sie Ihre MwSt.-Daten im Feld „Kommentare“ oder „Besondere Hinweise“ unten an, und wir werden nach Ihrer Bestellung einen MwSt.-Rabatt gewähren.
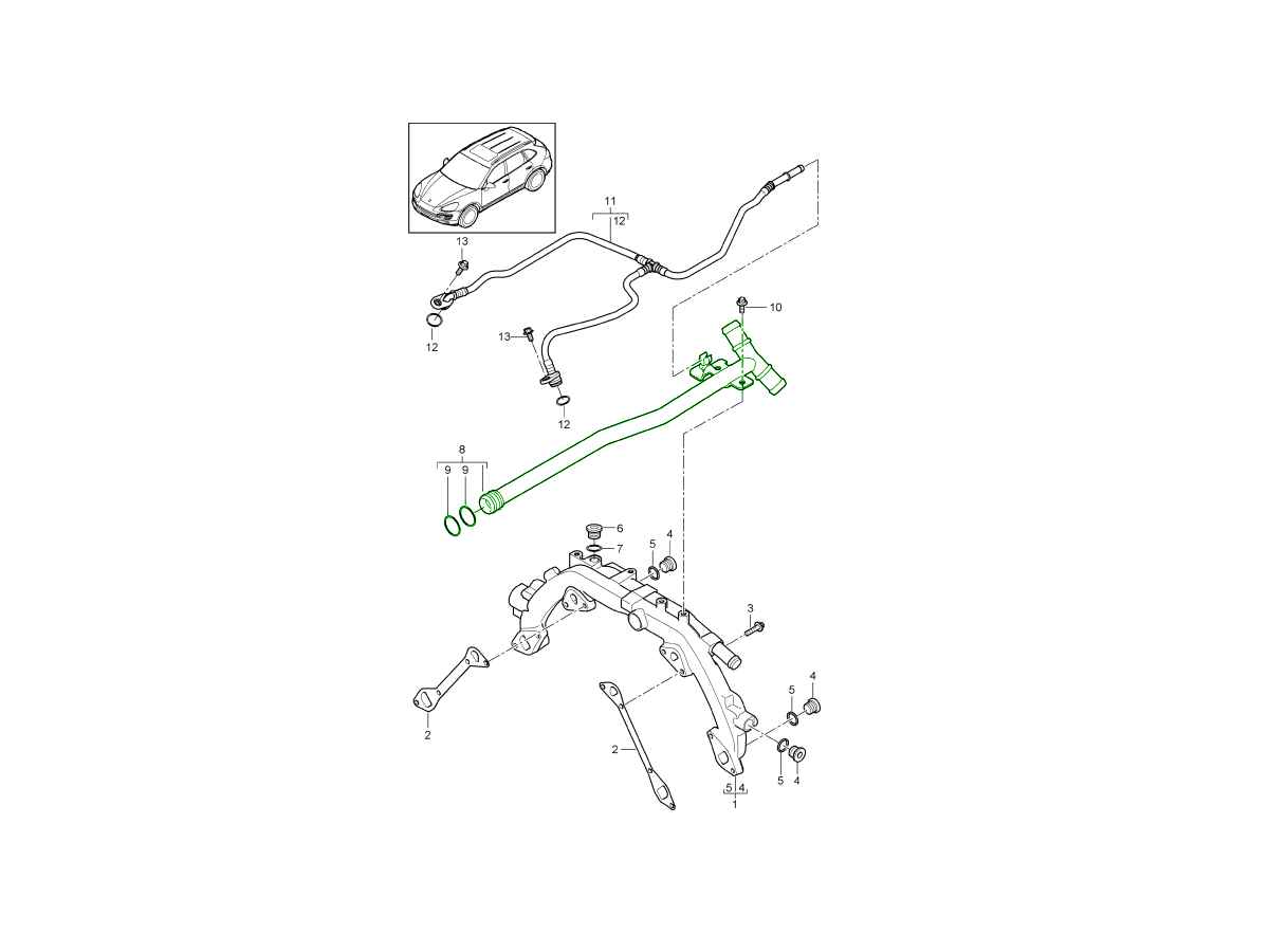
Motorblockschläuche
90º-Kühlmittelanschluss an der Lichtmaschine.
Passform:
Porsche 955 Cayenne S / Turbo 4.5L 2003-06
M 816 09867 >>
M 8260 4064 >>
Porsche 957 Cayenne 4.8L 2007-10
Porsche 958 Cayenne 4.8L 2010-18
Porsche 970 Panamera 4.8L 2010-16
Diagrammreferenz Nr. 10
Zugehörige Referenznummern
Verwandte, ersetzte, Querverweisoder Alternativnummern zum Vergleich.
94810646200
Das von Ihnen angezeigte Produkt verweist auf diese Nummern
- Porsche 955 Cayenne S 4.5L V8 2003-06
- Porsche 955 Cayenne Turbo 4.5L 2003-06
- Porsche 955 Cayenne Turbo S 4.5L 2006>>
- Porsche 957 Cayenne S/GTS 4.8L 2007-10
- Porsche 957 Cayenne Turbo / Turbo S 4.8L 2007-10
- Porsche 958 Cayenne S V8 4.8L Petrol 400HP 2010-17
- Porsche 958 Cayenne GTS V8 4.8L Petrol 400HP 2010-17
- Porsche 958 Cayenne Turbo V8 4.8L Petrol 500HP 2010-17
- Porsche 958 Cayenne Turbo S V8 4.8L Petrol 550HP 2010-17
- Porsche 970.1 Panamera S V8 4.8L 2009-13
- Porsche 970.1 Panamera 4S V8 4.8L 2009-13
- Porsche 970.1 Panamera GTS V8 4.8L 2011-13
- Porsche 970.1 Panamera Turbo V8 4.8L 2009-13
- Porsche 970.1 Panamera Turbo S V8 4.8L 2009-13
- Porsche 970.2 Panamera GTS V8 4.8L 4WD (440Hp) 2014-16
- Porsche 970.2 Panamera Turbo V8 4.8L (520Hp) 2014-16
- Porsche 970.2 Panamera Turbo V8 Executive 2014-16
- Porsche 970.2 Panamera Turbo S V8 4.8L 2014-16
90º-Kühlmittelanschluss an der Lichtmaschine.
Inklusive O-Ring; Hochwertige Metallkonstruktion
Passform:
Porsche 955 Cayenne S / Turbo 4.5L 2003-06
M 816 09867 >>
M 8260 4064 >>
Porsche 957 Cayenne 4.8L 2007-10
Porsche 958 Cayenne 4.8L 2010-18
Porsche 970 Panamera 4.8L 2010-16
Diagrammreferenz Nr. 10
Zugehörige Referenznummern
Verwandte, ersetzte, Querverweisoder Alternativnummern zum Vergleich.
94810646200PRM
Das von Ihnen angezeigte Produkt verweist auf diese Nummern
- Porsche 955 Cayenne S 4.5L V8 2003-06
- Porsche 955 Cayenne Turbo 4.5L 2003-06
- Porsche 955 Cayenne Turbo S 4.5L 2006>>
- Porsche 957 Cayenne S/GTS 4.8L 2007-10
- Porsche 957 Cayenne Turbo / Turbo S 4.8L 2007-10
- Porsche 958 Cayenne S V8 4.8L Petrol 400HP 2010-17
- Porsche 958 Cayenne GTS V8 4.8L Petrol 400HP 2010-17
- Porsche 958 Cayenne Turbo V8 4.8L Petrol 500HP 2010-17
- Porsche 958 Cayenne Turbo S V8 4.8L Petrol 550HP 2010-17
- Porsche 970.1 Panamera S V8 4.8L 2009-13
- Porsche 970.1 Panamera 4S V8 4.8L 2009-13
- Porsche 970.1 Panamera GTS V8 4.8L 2011-13
- Porsche 970.1 Panamera Turbo V8 4.8L 2009-13
- Porsche 970.1 Panamera Turbo S V8 4.8L 2009-13
- Porsche 970.2 Panamera GTS V8 4.8L 4WD (440Hp) 2014-16
- Porsche 970.2 Panamera Turbo V8 4.8L (520Hp) 2014-16
- Porsche 970.2 Panamera Turbo V8 Executive 2014-16
- Porsche 970.2 Panamera Turbo S V8 4.8L 2014-16
90º-Kühlmittelanschluss an der Lichtmaschine.
Passform:
Porsche 955 Cayenne S / Turbo 4.5L 2003-06
M 816 09867 >>
M 8260 4064 >>
Porsche 957 Cayenne 4.8L 2007-10
Porsche 958 Cayenne 4.8L 2010-18
Porsche 970 Panamera 4.8L 2010-16
Diagrammreferenz Nr. 10
Zugehörige Referenznummern
Verwandte, ersetzte, Querverweisoder Alternativnummern zum Vergleich.
94810646200
Das von Ihnen angezeigte Produkt verweist auf diese Nummern
- Porsche 955 Cayenne S 4.5L V8 2003-06
- Porsche 955 Cayenne Turbo 4.5L 2003-06
- Porsche 955 Cayenne Turbo S 4.5L 2006>>
- Porsche 957 Cayenne S/GTS 4.8L 2007-10
- Porsche 957 Cayenne Turbo / Turbo S 4.8L 2007-10
- Porsche 958 Cayenne S V8 4.8L Petrol 400HP 2010-17
- Porsche 958 Cayenne GTS V8 4.8L Petrol 400HP 2010-17
- Porsche 958 Cayenne Turbo V8 4.8L Petrol 500HP 2010-17
- Porsche 958 Cayenne Turbo S V8 4.8L Petrol 550HP 2010-17
- Porsche 970.1 Panamera S V8 4.8L 2009-13
- Porsche 970.1 Panamera 4S V8 4.8L 2009-13
- Porsche 970.1 Panamera GTS V8 4.8L 2011-13
- Porsche 970.1 Panamera Turbo V8 4.8L 2009-13
- Porsche 970.1 Panamera Turbo S V8 4.8L 2009-13
- Porsche 970.2 Panamera GTS V8 4.8L 4WD (440Hp) 2014-16
- Porsche 970.2 Panamera Turbo V8 4.8L (520Hp) 2014-16
- Porsche 970.2 Panamera Turbo V8 Executive 2014-16
- Porsche 970.2 Panamera Turbo S V8 4.8L 2014-16

Passform:
Porsche 970 Panamera 4.8L 2010-16
Klicken Sie auf „Vergrößern“, um das Diagramm großer Teile anzuzeigen.
Diagramm Ref. Nr. 33
Zugehörige Referenznummern
Verwandte, ersetzte, Querverweisoder Alternativnummern zum Vergleich.
97010640202
Das von Ihnen angezeigte Produkt verweist auf diese Nummern
- Porsche 970.1 Panamera S V8 4.8L 2009-13
- Porsche 970.1 Panamera 4S V8 4.8L 2009-13
- Porsche 970.1 Panamera GTS V8 4.8L 2011-13
- Porsche 970.1 Panamera Turbo V8 4.8L 2009-13
- Porsche 970.1 Panamera Turbo S V8 4.8L 2009-13
- Porsche 970.2 Panamera GTS V8 4.8L 4WD (440Hp) 2014-16
- Porsche 970.2 Panamera Turbo V8 4.8L (520Hp) 2014-16
- Porsche 970.2 Panamera Turbo V8 Executive 2014-16
- Porsche 970.2 Panamera Turbo S V8 4.8L 2014-16

Passform:
Porsche 970 Panamera 4.8L 2010-16
Klicken Sie auf „Vergrößern“, um das Diagramm großer Teile anzuzeigen.
Diagramm Ref. Nr. 33
Zugehörige Referenznummern
Verwandte, ersetzte, Querverweisoder Alternativnummern zum Vergleich.
97010640202
Das von Ihnen angezeigte Produkt verweist auf diese Nummern
- Porsche 970.1 Panamera S V8 4.8L 2009-13
- Porsche 970.1 Panamera 4S V8 4.8L 2009-13
- Porsche 970.1 Panamera GTS V8 4.8L 2011-13
- Porsche 970.1 Panamera Turbo V8 4.8L 2009-13
- Porsche 970.1 Panamera Turbo S V8 4.8L 2009-13
- Porsche 970.2 Panamera GTS V8 4.8L 4WD (440Hp) 2014-16
- Porsche 970.2 Panamera Turbo V8 4.8L (520Hp) 2014-16
- Porsche 970.2 Panamera Turbo V8 Executive 2014-16
- Porsche 970.2 Panamera Turbo S V8 4.8L 2014-16

Passform:
Porsche 970 Panamera 4.8L 2009-16
Porsche 958 Cayenne 4.8L 2010-18
Klicken Sie auf „Vergrößern“, um das Diagramm großer Teile anzuzeigen.
Diagramm Ref. Nr. 8
Zugehörige Referenznummern
Verwandte, ersetzte, Querverweisoder Alternativnummern zum Vergleich.
94810606921
Das von Ihnen angezeigte Produkt verweist auf diese Nummern
- Porsche 958 Cayenne S V8 4.8L Petrol 400HP 2010-17
- Porsche 958 Cayenne GTS V8 4.8L Petrol 400HP 2010-17
- Porsche 958 Cayenne Turbo V8 4.8L Petrol 500HP 2010-17
- Porsche 958 Cayenne Turbo S V8 4.8L Petrol 550HP 2010-17
- Porsche 970.1 Panamera S V8 4.8L 2009-13
- Porsche 970.1 Panamera 4S V8 4.8L 2009-13
- Porsche 970.1 Panamera GTS V8 4.8L 2011-13
- Porsche 970.1 Panamera Turbo V8 4.8L 2009-13
- Porsche 970.1 Panamera Turbo S V8 4.8L 2009-13
- Porsche 970.2 Panamera GTS V8 4.8L 4WD (440Hp) 2014-16
- Porsche 970.2 Panamera Turbo V8 4.8L (520Hp) 2014-16
- Porsche 970.2 Panamera Turbo V8 Executive 2014-16
- Porsche 970.2 Panamera Turbo S V8 4.8L 2014-16

Passform:
Porsche 970 Panamera 4.8L V8 2010-2016 S / GTS / TURBO
Porsche 958 Cayenne 4,8 l V8 2011-2018 S / GTS / TURBO / TURBO S
Panamera-Motorkennzeichen:
M48.20 / M48.40 / MCX.PA / MCX.RA / MCX.P / MCX.R / MCW.BA / MCW.CA / MCW.B / MCW.C
Cayenne-Motorkennzeichen:
M48.02 / M48.52 / MCF.TB / MCY.XA / MCF.T / MCY.X
Zugehörige Referenznummern
Verwandte, ersetzte, Querverweisoder Alternativnummern zum Vergleich.
94810602622
Das von Ihnen angezeigte Produkt verweist auf diese Nummern
- Porsche 958 Cayenne S V8 4.8L Petrol 400HP 2010-17
- Porsche 958 Cayenne GTS V8 4.8L Petrol 400HP 2010-17
- Porsche 958 Cayenne Turbo V8 4.8L Petrol 500HP 2010-17
- Porsche 958 Cayenne Turbo S V8 4.8L Petrol 550HP 2010-17
- Porsche 970.1 Panamera S V8 4.8L 2009-13
- Porsche 970.1 Panamera 4S V8 4.8L 2009-13
- Porsche 970.1 Panamera GTS V8 4.8L 2011-13
- Porsche 970.1 Panamera Turbo V8 4.8L 2009-13
- Porsche 970.1 Panamera Turbo S V8 4.8L 2009-13
- Porsche 970.2 Panamera GTS V8 4.8L 4WD (440Hp) 2014-16
- Porsche 970.2 Panamera Turbo V8 4.8L (520Hp) 2014-16
- Porsche 970.2 Panamera Turbo V8 Executive 2014-16
- Porsche 970.2 Panamera Turbo S V8 4.8L 2014-16

Passt:
Porsche 970 Panamera 4.8L V8 2010-2016 S / GTS / TURBO
Porsche 958 Cayenne 4.8L V8 2011-2018 S / GTS / TURBO / TURBO S
Panamera-Motorcodes:
M48.20 / M48.40 / MCX.PA / MCX.RA / MCX.P / MCX.R / MCW.BA / MCW.CA / MCW.B / MCW.C
Cayenne-Motorcodes:
M48.02 / M48.52 / MCF.TB / MCY.XA / MCF.T / MCY.X
Zugehörige Referenznummern
Verwandte, ersetzte, Querverweisoder Alternativnummern zum Vergleich.
94810602622
Das von Ihnen angezeigte Produkt verweist auf diese Nummern
- Porsche 958 Cayenne S V8 4.8L Petrol 400HP 2010-17
- Porsche 958 Cayenne GTS V8 4.8L Petrol 400HP 2010-17
- Porsche 958 Cayenne Turbo V8 4.8L Petrol 500HP 2010-17
- Porsche 958 Cayenne Turbo S V8 4.8L Petrol 550HP 2010-17
- Porsche 970.1 Panamera S V8 4.8L 2009-13
- Porsche 970.1 Panamera 4S V8 4.8L 2009-13
- Porsche 970.1 Panamera GTS V8 4.8L 2011-13
- Porsche 970.1 Panamera Turbo V8 4.8L 2009-13
- Porsche 970.1 Panamera Turbo S V8 4.8L 2009-13
- Porsche 970.2 Panamera GTS V8 4.8L 4WD (440Hp) 2014-16
- Porsche 970.2 Panamera Turbo V8 4.8L (520Hp) 2014-16
- Porsche 970.2 Panamera Turbo V8 Executive 2014-16
- Porsche 970.2 Panamera Turbo S V8 4.8L 2014-16

Passform:
Porsche 970 Panamera / S / GTS / Turbo 2010-16
Klicken Sie auf „Vergrößern“, um das Diagramm großer Teile anzuzeigen.
Diagramm Ref. Nr. 26
Zugehörige Referenznummern
Verwandte, ersetzte, Querverweisoder Alternativnummern zum Vergleich.
97010644503
Das von Ihnen angezeigte Produkt verweist auf diese Nummern
- Porsche 970.1 Panamera V6 3.6L 2WD 2009-13
- Porsche 970.1 Panamera 4 V6 3.6L 4WD 2009-13
- Porsche 970.1 Panamera S V8 4.8L 2009-13
- Porsche 970.1 Panamera 4S V8 4.8L 2009-13
- Porsche 970.1 Panamera GTS V8 4.8L 2011-13
- Porsche 970.1 Panamera Turbo V8 4.8L 2009-13
- Porsche 970.1 Panamera Turbo S V8 4.8L 2009-13
- Porsche 970.2 Panamera V6 3.6L 2WD (310Hp) 2014-16
- Porsche 970.2 Panamera 4 V6 3.6L 4WD (310Hp) 2014-16
- Porsche 970.2 Panamera S V6 Turbo 3.0L 2WD (420Hp) 2014-16
- Porsche 970.2 Panamera S V6 Turbo 3.0L 2WD Executive 2014-16
- Porsche 970.2 Panamera 4S V6 Turbo 3.0L 4WD (420Hp) 2014-16
- Porsche 970.2 Panamera 4S V6 Turbo 3.0L 4WD Executive 2014-16
- Porsche 970.2 Panamera GTS V8 4.8L 4WD (440Hp) 2014-16
- Porsche 970.2 Panamera Turbo V8 4.8L (520Hp) 2014-16
- Porsche 970.2 Panamera Turbo V8 Executive 2014-16
- Porsche 970.2 Panamera Turbo S V8 4.8L 2014-16

Passform:
Porsche 970 Panamera 2010-16
M >> CWA 001 886
M >> CXP 000 913
M >> CWB 001 356
Bitte beachten: Nur in Kombination mit Wasserschlauchadapter 948 106 061 20
Klicken Sie auf „Vergrößern“, um das Diagramm großer Teile anzuzeigen.
Diagramm Ref. Nr. 29
Zugehörige Referenznummern
Verwandte, ersetzte, Querverweisoder Alternativnummern zum Vergleich.
97010642001
Das von Ihnen angezeigte Produkt verweist auf diese Nummern
- Porsche 970.1 Panamera V6 3.6L 2WD 2009-13
- Porsche 970.1 Panamera 4 V6 3.6L 4WD 2009-13
- Porsche 970.1 Panamera S V8 4.8L 2009-13
- Porsche 970.1 Panamera 4S V8 4.8L 2009-13
- Porsche 970.1 Panamera GTS V8 4.8L 2011-13
- Porsche 970.1 Panamera Turbo V8 4.8L 2009-13
- Porsche 970.1 Panamera Turbo S V8 4.8L 2009-13
- Porsche 970.2 Panamera V6 3.6L 2WD (310Hp) 2014-16
- Porsche 970.2 Panamera 4 V6 3.6L 4WD (310Hp) 2014-16
- Porsche 970.2 Panamera S V6 Turbo 3.0L 2WD (420Hp) 2014-16
- Porsche 970.2 Panamera S V6 Turbo 3.0L 2WD Executive 2014-16
- Porsche 970.2 Panamera 4S V6 Turbo 3.0L 4WD (420Hp) 2014-16
- Porsche 970.2 Panamera 4S V6 Turbo 3.0L 4WD Executive 2014-16
- Porsche 970.2 Panamera GTS V8 4.8L 4WD (440Hp) 2014-16
- Porsche 970.2 Panamera Turbo V8 4.8L (520Hp) 2014-16
- Porsche 970.2 Panamera Turbo V8 Executive 2014-16
- Porsche 970.2 Panamera Turbo S V8 4.8L 2014-16

Passform:
Porsche 970 Panamera / S / GTS / Turbo 2010-16
Klicken Sie auf „Vergrößern“, um das Diagramm großer Teile anzuzeigen.
Diagramm Referenz Nr. 31
Zugehörige Referenznummern
Verwandte, ersetzte, Querverweisoder Alternativnummern zum Vergleich.
97010642500
Das von Ihnen angezeigte Produkt verweist auf diese Nummern
- Porsche 970.1 Panamera V6 3.6L 2WD 2009-13
- Porsche 970.1 Panamera 4 V6 3.6L 4WD 2009-13
- Porsche 970.1 Panamera S V8 4.8L 2009-13
- Porsche 970.1 Panamera 4S V8 4.8L 2009-13
- Porsche 970.1 Panamera GTS V8 4.8L 2011-13
- Porsche 970.1 Panamera Turbo V8 4.8L 2009-13
- Porsche 970.1 Panamera Turbo S V8 4.8L 2009-13
- Porsche 970.2 Panamera V6 3.6L 2WD (310Hp) 2014-16
- Porsche 970.2 Panamera 4 V6 3.6L 4WD (310Hp) 2014-16
- Porsche 970.2 Panamera S V6 Turbo 3.0L 2WD (420Hp) 2014-16
- Porsche 970.2 Panamera S V6 Turbo 3.0L 2WD Executive 2014-16
- Porsche 970.2 Panamera 4S V6 Turbo 3.0L 4WD (420Hp) 2014-16
- Porsche 970.2 Panamera 4S V6 Turbo 3.0L 4WD Executive 2014-16
- Porsche 970.2 Panamera GTS V8 4.8L 4WD (440Hp) 2014-16
- Porsche 970.2 Panamera Turbo V8 4.8L (520Hp) 2014-16
- Porsche 970.2 Panamera Turbo V8 Executive 2014-16
- Porsche 970.2 Panamera Turbo S V8 4.8L 2014-16
Passform:
Porsche 970 Panamera 4.8L 2009-16
Porsche 970 Panamera S 3.6L 2010-16
Diagramm Referenz Nr. 18
Zugehörige Referenznummern
Verwandte, ersetzte, Querverweisoder Alternativnummern zum Vergleich.
97010631103
Das von Ihnen angezeigte Produkt verweist auf diese Nummern
- Porsche 970.1 Panamera V6 3.6L 2WD 2009-13
- Porsche 970.1 Panamera 4 V6 3.6L 4WD 2009-13
- Porsche 970.1 Panamera S V8 4.8L 2009-13
- Porsche 970.1 Panamera 4S V8 4.8L 2009-13
- Porsche 970.1 Panamera GTS V8 4.8L 2011-13
- Porsche 970.1 Panamera Turbo V8 4.8L 2009-13
- Porsche 970.1 Panamera Turbo S V8 4.8L 2009-13
- Porsche 970.2 Panamera V6 3.6L 2WD (310Hp) 2014-16
- Porsche 970.2 Panamera 4 V6 3.6L 4WD (310Hp) 2014-16
- Porsche 970.2 Panamera GTS V8 4.8L 4WD (440Hp) 2014-16
- Porsche 970.2 Panamera Turbo V8 4.8L (520Hp) 2014-16
- Porsche 970.2 Panamera Turbo V8 Executive 2014-16
- Porsche 970.2 Panamera Turbo S V8 4.8L 2014-16
Passform:
Porsche 970 Panamera 4.8L 2009-16
Porsche 970 Panamera S 3.6L 2010-16
Diagramm Referenz Nr. 18
Zugehörige Referenznummern
Verwandte, ersetzte, Querverweisoder Alternativnummern zum Vergleich.
97010631103
Das von Ihnen angezeigte Produkt verweist auf diese Nummern
- Porsche 970.1 Panamera V6 3.6L 2WD 2009-13
- Porsche 970.1 Panamera 4 V6 3.6L 4WD 2009-13
- Porsche 970.1 Panamera S V8 4.8L 2009-13
- Porsche 970.1 Panamera 4S V8 4.8L 2009-13
- Porsche 970.1 Panamera GTS V8 4.8L 2011-13
- Porsche 970.1 Panamera Turbo V8 4.8L 2009-13
- Porsche 970.1 Panamera Turbo S V8 4.8L 2009-13
- Porsche 970.2 Panamera V6 3.6L 2WD (310Hp) 2014-16
- Porsche 970.2 Panamera 4 V6 3.6L 4WD (310Hp) 2014-16
- Porsche 970.2 Panamera GTS V8 4.8L 4WD (440Hp) 2014-16
- Porsche 970.2 Panamera Turbo V8 4.8L (520Hp) 2014-16
- Porsche 970.2 Panamera Turbo V8 Executive 2014-16
- Porsche 970.2 Panamera Turbo S V8 4.8L 2014-16

Passform:
Porsche 970 Panamera 2010-16
Klicken Sie auf „Vergrößern“, um das Diagramm großer Teile anzuzeigen.
Diagramm Ref. Nr. 5
Zugehörige Referenznummern
Verwandte, ersetzte, Querverweisoder Alternativnummern zum Vergleich.
97057258300
Das von Ihnen angezeigte Produkt verweist auf diese Nummern
- Porsche 970.1 Panamera V6 3.6L 2WD 2009-13
- Porsche 970.1 Panamera 4 V6 3.6L 4WD 2009-13
- Porsche 970.1 Panamera S V8 4.8L 2009-13
- Porsche 970.1 Panamera 4S V8 4.8L 2009-13
- Porsche 970.1 Panamera GTS V8 4.8L 2011-13
- Porsche 970.1 Panamera Turbo V8 4.8L 2009-13
- Porsche 970.1 Panamera Turbo S V8 4.8L 2009-13
- Porsche 970.1 Panamera Diesel V6 3.0L 2011-13
- Porsche 970.1 Panamera S Hybrid V6 3.0L 2011-13
- Porsche 970.2 Panamera V6 3.6L 2WD (310Hp) 2014-16
- Porsche 970.2 Panamera 4 V6 3.6L 4WD (310Hp) 2014-16
- Porsche 970.2 Panamera S V6 Turbo 3.0L 2WD (420Hp) 2014-16
- Porsche 970.2 Panamera S V6 Turbo 3.0L 2WD Executive 2014-16
- Porsche 970.2 Panamera 4S V6 Turbo 3.0L 4WD (420Hp) 2014-16
- Porsche 970.2 Panamera 4S V6 Turbo 3.0L 4WD Executive 2014-16
- Porsche 970.2 Panamera GTS V8 4.8L 4WD (440Hp) 2014-16
- Porsche 970.2 Panamera Turbo V8 4.8L (520Hp) 2014-16
- Porsche 970.2 Panamera Turbo V8 Executive 2014-16
- Porsche 970.2 Panamera Turbo S V8 4.8L 2014-16
- Porsche 970.2 Panamera Diesel V6 3.0L (250Hp) 2014-16
- Porsche 970.2 Panamera S E-Hybrid V6 3.0L (416Hp) 2014-16

Passform:
Porsche 970 Panamera / S / Turbo / GTS 2010-16
Klicken Sie auf „Vergrößern“, um das Diagramm großer Teile anzuzeigen.
Diagramm Ref. Nr. 30
Zugehörige Referenznummern
Verwandte, ersetzte, Querverweisoder Alternativnummern zum Vergleich.
97010641102
Das von Ihnen angezeigte Produkt verweist auf diese Nummern
- Porsche 970.1 Panamera V6 3.6L 2WD 2009-13
- Porsche 970.1 Panamera 4 V6 3.6L 4WD 2009-13
- Porsche 970.1 Panamera S V8 4.8L 2009-13
- Porsche 970.1 Panamera 4S V8 4.8L 2009-13
- Porsche 970.1 Panamera GTS V8 4.8L 2011-13
- Porsche 970.1 Panamera Turbo V8 4.8L 2009-13
- Porsche 970.1 Panamera Turbo S V8 4.8L 2009-13
- Porsche 970.2 Panamera V6 3.6L 2WD (310Hp) 2014-16
- Porsche 970.2 Panamera 4 V6 3.6L 4WD (310Hp) 2014-16
- Porsche 970.2 Panamera S V6 Turbo 3.0L 2WD (420Hp) 2014-16
- Porsche 970.2 Panamera S V6 Turbo 3.0L 2WD Executive 2014-16
- Porsche 970.2 Panamera 4S V6 Turbo 3.0L 4WD (420Hp) 2014-16
- Porsche 970.2 Panamera 4S V6 Turbo 3.0L 4WD Executive 2014-16
- Porsche 970.2 Panamera GTS V8 4.8L 4WD (440Hp) 2014-16
- Porsche 970.2 Panamera Turbo V8 4.8L (520Hp) 2014-16
- Porsche 970.2 Panamera Turbo V8 Executive 2014-16
- Porsche 970.2 Panamera Turbo S V8 4.8L 2014-16

Passform:
Porsche 970 Panamera 2010-16
Klicken Sie auf „Vergrößern“, um das Diagramm großer Teile anzuzeigen.
Diagramm Ref. Nr. 13
Zugehörige Referenznummern
Verwandte, ersetzte, Querverweisoder Alternativnummern zum Vergleich.
97010631201
Das von Ihnen angezeigte Produkt verweist auf diese Nummern
- Porsche 970.1 Panamera V6 3.6L 2WD 2009-13
- Porsche 970.1 Panamera 4 V6 3.6L 4WD 2009-13
- Porsche 970.1 Panamera S V8 4.8L 2009-13
- Porsche 970.1 Panamera 4S V8 4.8L 2009-13
- Porsche 970.1 Panamera GTS V8 4.8L 2011-13
- Porsche 970.1 Panamera Turbo V8 4.8L 2009-13
- Porsche 970.1 Panamera Turbo S V8 4.8L 2009-13
- Porsche 970.1 Panamera Diesel V6 3.0L 2011-13
- Porsche 970.1 Panamera S Hybrid V6 3.0L 2011-13
- Porsche 970.2 Panamera V6 3.6L 2WD (310Hp) 2014-16
- Porsche 970.2 Panamera 4 V6 3.6L 4WD (310Hp) 2014-16
- Porsche 970.2 Panamera S V6 Turbo 3.0L 2WD (420Hp) 2014-16
- Porsche 970.2 Panamera S V6 Turbo 3.0L 2WD Executive 2014-16
- Porsche 970.2 Panamera 4S V6 Turbo 3.0L 4WD (420Hp) 2014-16
- Porsche 970.2 Panamera 4S V6 Turbo 3.0L 4WD Executive 2014-16
- Porsche 970.2 Panamera GTS V8 4.8L 4WD (440Hp) 2014-16
- Porsche 970.2 Panamera Turbo V8 4.8L (520Hp) 2014-16
- Porsche 970.2 Panamera Turbo V8 Executive 2014-16
- Porsche 970.2 Panamera Turbo S V8 4.8L 2014-16
- Porsche 970.2 Panamera Diesel V6 3.0L (250Hp) 2014-16
- Porsche 970.2 Panamera S E-Hybrid V6 3.0L (416Hp) 2014-16
-
Wasserkühlung - 1 - (Modell: 4820,4840, 4870,4620, 4640,CWAA, CXNA,CXPA, CXRA,CXR, CWBA,CWB, CWCA,CWC) Panamera 970 (G1) 3.6L / 4.8L 2012-16 105-015
-
Wasserkühlung - 2 - (Modell: 4820,4840, 4870,CXPA, CXRA,CXR, CWBA,CWB, CWCA,CWC) Panamera 970 (G1) 4.8L 2010-16 105-025
-
Kühlmittelkühlsystem / Kühlmittelausgleichsbehälter (Modell: 4820,4840, 4870,4620, 4640,CXPA, CXRA,CXR, CWBA,CWB, CWAA,CXNA, CWCA,CWC) Panamera 970 (G1) 3.6L / 4.8L 2010-16 105-040
-
Warmluftleitung / Vorlauf / Rücklaufleitung Panamera 970 (G1) 2010-16 813-000
Motorblock-Kühlmittelschläuche – Porsche-Modelle mit Frontmotor | Zuverlässige Kühlung für Spitzenleistung
Motorblock-Kühlmittelschläuche sind entscheidend für die Aufrechterhaltung stabiler Motortemperaturen und die Vermeidung einer Überhitzung des Frontmotor-Kühlsystems Ihres Porsche. Diese Schläuche zirkulieren Kühlmittel zwischen Motorblock, Kühler und Heizungskern und sorgen so für eine gleichmäßige Temperaturregulierung und effiziente Wärmeableitung – unerlässlich für Leistung, Zuverlässigkeit und Langlebigkeit.
Bei Design911 bieten wir eine umfassende Auswahl an Original-Kühlmittelschläuchen in Herstellerqualität für Porsche-Modelle mit Frontmotor, einschließlich der Transaxle-Modelle Cayenne, Panamera und Macan. Jeder Schlauch ist präzise gefertigt und bietet perfekte Passform und höchste Hitzebeständigkeit. Er bietet die gleiche Haltbarkeit, Flexibilität und Leistung wie werkseitig installierte Komponenten.
Welche Funktion haben Kühlmittelschläuche im Motorblock?
Kühlmittelschläuche im Motorblock sind für den Kühlmitteltransport im gesamten Kühlkreislauf des Motors verantwortlich. Zu ihren Hauptfunktionen gehören:
- Transport von Kühlmittel zwischen Kühler, Wasserpumpe und Motorblock.
- Regulierung der Motortemperatur für effiziente Leistung.
- Aufrechterhaltung des Systemdrucks im Kühlsystem.
- Verhindert einen Hitzestau, der zu Überhitzung oder Dichtungsversagen führen kann.
Ordnungsgemäß funktionierende Kühlmittelschläuche sind unerlässlich, um sicherzustellen, dass der Frontmotor Ihres Porsche im optimalen Temperaturbereich arbeitet – insbesondere bei starker Beanspruchung oder langen Fahrten.
Warum versagen Kühlmittelschläuche im Motorblock?
Durch die ständige Einwirkung von Hitze, Druck und Kühlmittelchemikalien verschleißen diese Schläuche mit der Zeit. Häufige Fehlerursachen sind:
- Hitzeschäden durch längere Einwirkung hoher Motortemperaturen.
- Verschleiß oder Rissbildung des Gummis durch Alterung und Kühlmittelkorrosion.
- Undichtigkeiten an Verbindungsstellen oder Klemmen durch Druckschwankungen.
- Schwellungen oder weiche Stellen durch inneren chemischen Abbau.
- Mechanischer Abrieb durch Kontakt mit benachbarten Bauteilen.
Zu den Symptomen defekter Schläuche zählen sichtbare Kühlmittellecks, Überhitzung, niedriger Kühlmittelstand oder ein starker Kühlmittelgeruch aus dem Motorraum.
Warum sollten defekte Kühlmittelschläuche im Motorblock ausgetauscht werden?
Ein undichter oder geschwächter Schlauch kann schwerwiegende Störungen im Kühlsystem verursachen, darunter Überhitzung und Motorschäden. Der Austausch alter oder spröder Schläuche gewährleistet eine zuverlässige Kühlmittelzirkulation und sichert die Motorleistung Ihres Porsche.
Zu den Vorteilen des Austauschs gehören:
- Kühlleistung und Druckkontrolle wiederhergestellt.
- Vermeidung von Leckagen und Überhitzung.
- Verbesserte langfristige Zuverlässigkeit und Systemsicherheit.
- Materialien in Herstellerqualität für perfekte Passform und Hitzebeständigkeit.
Alle Ersatzschläuche dieser Reihe werden aus verstärkten, hochwertigen Gummimischungen hergestellt, die den Werksstandards entsprechen oder diese übertreffen und so Haltbarkeit und Zuverlässigkeit unter allen Fahrbedingungen gewährleisten.