Mejore el soporte de la barra de torsión trasera de su Porsche 911 con este juego de placas de resorte traseras deportivas de ajuste rápido. Ideal para los modelos 911 G50 de 1987-89 y Turbo de 1989, este juego reemplaza las placas fijas originales por unidades indexadas y ajustables con bujes de alto rendimiento y placa de acero de alta resistencia. El mecanismo de ajuste permite ajustar la altura de la suspensión y la precarga sin desmontarlo por completo, mientras que su construcción mejorada proporciona un comportamiento trasero más firme y consistente bajo carga. Ideal para restauraciones, bajadas o uso en circuito, este juego de montaje directo garantiza un rendimiento superior de los soportes de la suspensión trasera.
Se vende como un conjunto.
Se adapta a:
- Porsche 911 1987-1989 3.2L G50
- Porsche 911 1978-1989 3.3L Turbo (930)
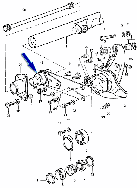
Diagrama Ref No 16
Qué hace este producto:
- En esta generación del Porsche 911 con suspensión trasera de barra de torsión, la placa de resorte es el componente que ancla el extremo de la barra de torsión al conjunto chasis-eje. Controla la altura de la suspensión, la precarga de la barra de torsión y ayuda a mantener la geometría correcta del eje trasero (caída, convergencia, etc.).
- La variante ajustable agrega un mecanismo de indexación para que pueda ajustar la altura del vehículo o la precarga sin desarmarlo por completo, lo cual es útil cuando se baja, se endurece o se modifica la pista.
- La categoría “deportiva” implica materiales mejorados (por ejemplo, caucho de mayor dureza, placa de acero mejorada) para reducir la flexión no deseada y mejorar la estabilidad de la parte trasera bajo carga.
Síntomas y signos de desgaste o cuándo actualizar:
- La altura del vehículo trasero es inconsistente o un lado está más bajo o más alto que el otro.
- La suspensión trasera se siente suelta, imprecisa o “flotando” en las curvas, especialmente al acelerar o frenar con fuerza.
- Desgaste desigual o excesivo de los neumáticos traseros (hombro interior/exterior) que indica que la geometría se desplaza bajo carga.
- El coche ha sido modificado (rebajado, resortes endurecidos, neumáticos más anchos) y las placas originales no ajustables limitan la configuración o el ajuste de la altura del vehículo.
- Inspección visual: la placa original está oxidada, los bujes están agrietados/colapsados, el mecanismo de indexación está desgastado o no existe.
Por qué es importante esta actualización:
- Mejora la precisión de la suspensión trasera: la placa ajustable asegura que el extremo de la barra de torsión esté montado con la precarga y la altura de manejo correctas, lo que ayuda a mantener la alineación bajo carga dinámica, mejorando el manejo y la vida útil de los neumáticos.
- Facilita el ajuste y la configuración: especialmente para automóviles rebajados o de alto rendimiento, el mecanismo de ajuste rápido hace que los cambios repetidos de configuración/altura de manejo sean más fáciles.
- Restaura la integridad estructural: las placas originales pueden haber envejecido, corroído o perdido su capacidad de ajuste; la actualización renueva este soporte clave.
- Maximiza el beneficio de otras actualizaciones: si has actualizado las barras de torsión, los resortes y los amortiguadores, asegurarte de que la placa de resorte tenga especificaciones de rendimiento garantiza que nada en el soporte trasero sea el eslabón débil.
Números de referencia relacionados
Números relacionados, reemplazados, de referencia cruzada o alternativos para comparación.
91133300906
El producto que está viendo hace referencia cruzada a estos números
- Porsche 911 1987-1989 3.2L G50
- Porsche 911 1978-1989 3.3L Turbo (930)


