Introduzca aquí su número de identificación fiscal (NIF o VAT number) y haga clic en Verificar:
No necesita incluir el código de país de su NIF, dado que ya lo ha indicado antes en su dirección de facturación.
Se han verificado sus datos. NIF registrado a nombre de:
###NUEVO MÉJICO###,
.
Su pedido cuenta ahora con una tasa cero a efectos de IVA. Nos reservamos el derecho a verificar estos datos después de que haya solicitado su pedido y a restablecer el IVA si fuese necesario.
Sus datos de identificación fiscal no han sido reconocidos o no son válidos. Su NIF debe coincidir con el país de facturación que especificó anteriormente. Actualmente se ha especificado como . No necesita incluir el código de país de su NIF, do que ya lo ha indicado antes en los datos de su dirección de facturación.
El servicio de verificación de NIF no está disponible en este momento. Le rogamos que indique sus datos del NIF en los comentarios e en el cuadro de instrucciones especiales que encontrará abajo y le aplicaremos un descuento en el IVA tras realizar su solicitud de pedido.
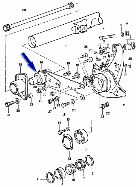
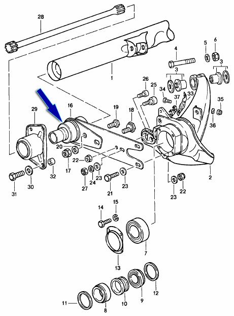
Placa de resorte
Incluye 4 bujes de placa de resorte de goma suave de alta resistencia (con dureza Shore A de 80 a 85)
Diámetro exterior: 75 mm
Diámetro interior: 48 mm
Espesor: 42 mm
Se adapta a:
Porsche 911 1968-89
Porsche 912 1968-69
Porsche 912 1976
Porsche 930 1978-79
Números de referencia relacionados
Números relacionados, reemplazados, de referencia cruzada o alternativos para comparación.
91133300900BHD
El producto que está viendo hace referencia cruzada a estos números
- Porsche 911 1965-1968 2.0L / 912 SWB (F)
- Porsche 911 1968-1973 2.2L / 2.4L / 2.7L RS LWB (F)
- Porsche 911 1974-1977 2.7L / 1976-77 3.0 Carrera
- Porsche 911 1978-1983 3.0L / SC
- Porsche 911 1984-1986 3.2L
- Porsche 911 1987-1989 3.2L G50
- Porsche 911 1975-1977 3.0L Turbo (930)
- Porsche 911 1978-1989 3.3L Turbo (930)
- Porsche 912E 4CYL 1976
Incluye 4 casquillos de placa de resorte de suavidad de goma estándar (con 55-60 Shore A)

Diámetro exterior: 75 mm
Diámetro interior: 48 mm
Espesores: 42 mm
Encaja:
Porsche 911 1968-89
Porsche 912 1968-69
Porsche 912 1976
Porsche 930 1978-79
Números de referencia relacionados
Números relacionados, reemplazados, de referencia cruzada o alternativos para comparación.
91133300900B
El producto que está viendo hace referencia cruzada a estos números
- Porsche 911 1965-1968 2.0L / 912 SWB (F)
- Porsche 911 1968-1973 2.2L / 2.4L / 2.7L RS LWB (F)
- Porsche 911 1974-1977 2.7L / 1976-77 3.0 Carrera
- Porsche 911 1978-1983 3.0L / SC
- Porsche 911 1984-1986 3.2L
- Porsche 911 1987-1989 3.2L G50
- Porsche 911 1975-1977 3.0L Turbo (930)
- Porsche 911 1978-1989 3.3L Turbo (930)
- Porsche 912E 4CYL 1976
Para Porsche 911, 912, 930 1968-1989 Sierra de placa de resorte
#rastreo de elefantes #
Los cojinetes PolyBronze son superiores a las alternativas de bujes de plástico, he aquí por qué:
Los soportes de suspensión son piezas prensadas de chapa gruesa. Tienden a estar fuera de redondez y tienen irregularidades que deforman los casquillos de poliuretano ordinarios, pellizcando y atascando la superficie de fricción. El poliuretano es "adherente" con un coeficiente de fricción intrínsecamente alto y combinado con casquillos de poliuretano que pellizcan crean mucha fricción. El resultado es una conducción dura y una menor adherencia de los neumáticos.
PolyBronze tiene un núcleo rígido de bronce que no se deforma. La camisa de poliuretano absorbe las irregularidades del montaje, mientras que el cojinete interno de bronce se mantiene firme, proporcionando un ajuste mecanizado de movimiento libre que se desplaza sobre una carrera de precisión. Los accesorios de engrase proporcionados facilitan la relubricación y una ranura en forma de 8 mantiene la grasa en su lugar.
La combinación ofrece cero chirridos y un movimiento de suspensión sin fricción. Muy adecuado para la calle o la pista, calidad de conducción.
PolyBronze es un cojinete de bronce de precisión revestido de una camisa de poliuretano. La combinación ofrece una conducción suave con el rendimiento extremo de un cojinete de metal.
✔ Sin chirridos ni atascamientos
✔ Calidad de conducción extremadamente suave
✔ Más fácil de instalar que los casquillos de goma
✔ Graseras y ranuras integradas
Nota: los casquillos de la placa de resorte de 1967 se cambiaron a mediados de año. Los siguientes números de chasis del 67 pasaron a los casquillos de estilo tardío del 69 al 89.
• '67 911 del número de serie del chasis 307 325
• '67 912 del número de serie del chasis 354 938
• '67 911 S del número de serie del chasis 305 101 A
Todos los números de chasis anteriores del 67 usan casquillos de estilo del 65 al 66.
Números de referencia relacionados
Números relacionados, reemplazados, de referencia cruzada o alternativos para comparación.
2061501
El producto que está viendo hace referencia cruzada a estos números
- Porsche 911 1968-1973 2.2L / 2.4L / 2.7L RS LWB (F)
- Porsche 911 1974-1977 2.7L / 1976-77 3.0 Carrera
- Porsche 911 1978-1983 3.0L / SC
- Porsche 911 1984-1986 3.2L
- Porsche 911 1987-1989 3.2L G50
- Porsche 911 1975-1977 3.0L Turbo (930)
- Porsche 911 1978-1989 3.3L Turbo (930)
- Porsche 912E 4CYL 1976
Se requiere 1 kit por vehículo
Se adapta
Porsche 911 SWB - 1965 a 1967
Porsche 911 - 1967 a 1989
Porsche 911 turbo - 1975 a 1989
Porsche 912 - 1966 a 1976
Bujes de placa de resorte con especificaciones estándar
Un verdadero reemplazo de buje de especificación original para placas de resorte.
El estado del casquillo de la placa de resorte se puede determinar observando el orificio en la cubierta de la placa. Debe ser concéntrico alrededor de la placa. Cuando los casquillos se deforman, la cubierta se vuelve no concéntrica alrededor de la placa y, en casos extremos, entra en contacto con ella (metal con metal).
Más que solo bujes, este es un kit completo que incluye bujes internos y externos (4 piezas), adhesivo, instrucciones, pernos largos para presionar los bujes y paño abrasivo para preparar la superficie.
El caucho es la mejor opción si desea recuperar la suspensión y el rendimiento originales con una solución sin mantenimiento. Descubra nuestros rodamientos PolyBronze para una solución de alto rendimiento.
Consulte también nuestra herramienta de extracción de bujes para simplificar la extracción de bujes viejos.
Notas: Los bujes de la placa de resorte de 1967 se cambiaron a mitad de año
Los siguientes números de chasis de 1967 pasaron a ser bujes de estilo tardío de 1969 a 1989.
• 1967 911 del número de chasis 307 325
• 1967 912 del chasis número de serie 354 938
• 1967 911 S del chasis número de serie 305101 A
Todos los números de chasis anteriores a 1967 utilizan bujes de estilo 1965-67.
Números de referencia relacionados
Números relacionados, reemplazados, de referencia cruzada o alternativos para comparación.
PR5204
El producto que está viendo hace referencia cruzada a estos números
- Porsche 911 1965-1968 2.0L / 912 SWB (F)
- Porsche 911 1968-1973 2.2L / 2.4L / 2.7L RS LWB (F)
- Porsche 911 1974-1977 2.7L / 1976-77 3.0 Carrera
- Porsche 911 1978-1983 3.0L / SC
- Porsche 911 1984-1986 3.2L
- Porsche 911 1987-1989 3.2L G50
- Porsche 911 1975-1977 3.0L Turbo (930)
- Porsche 911 1978-1989 3.3L Turbo (930)
- Porsche 912E 4CYL 1976
Placas de suspensión Porsche | Componentes de suspensión Design911 para altura de conducción, alineación y estabilidad
Las placas de resorte son un componente esencial del sistema de suspensión trasera de su Porsche, ya que conectan las barras de torsión con los brazos de arrastre y ayudan a controlar el recorrido de la suspensión y la altura de la carrocería. Actúan como puntos de pivote que absorben la energía durante la aceleración, el frenado y el paso por curva, garantizando un movimiento suave y manteniendo el equilibrio del chasis. Un correcto funcionamiento de las placas de resorte preserva la geometría de la suspensión, mejora el agarre y proporciona la respuesta de manejo característica de Porsche.
En Design911, ofrecemos una gama completa de placas de resorte y componentes, diseñados para ofrecer precisión, resistencia y un rendimiento duradero. Fabricadas con acero de alta calidad o aleaciones de alto rendimiento, nuestras placas de resorte ofrecen un ajuste preciso y un funcionamiento fiable en todas las condiciones de conducción. Ideales para mantenimiento, restauración de clásicos o puesta a punto de alto rendimiento, ayudan a mantener la estabilidad, la comodidad y el control del sistema de suspensión de su Porsche.
¿Qué hacen las placas de resorte?
Las placas de resorte juegan un papel vital en el control del movimiento y la alineación de la suspensión trasera, garantizando una distribución uniforme del peso y un manejo constante.
Funciones principales:
• Conecte las barras de torsión a los brazos de arrastre para un movimiento de suspensión adecuado.
• Regular la altura de manejo y el recorrido de la suspensión.
• Mantener una alineación constante de las ruedas traseras bajo carga.
• Absorbe el impacto de la carretera para mejorar la comodidad y el agarre en la conducción.
• Proporciona una articulación de suspensión suave para un manejo equilibrado.
En perfectas condiciones, las placas de resorte garantizan que su Porsche se mantenga estable, cómodo y responda, tanto en la carretera como en la pista.
¿Por qué fallan o se degradan las placas de resorte?
Debido al movimiento constante, la tensión de la carga y la exposición ambiental, las placas de resorte están sujetas a desgaste y corrosión con el tiempo.
Las causas comunes de falla incluyen:
• Corrosión u óxido que debilita el material de la placa.
• Bujes o soportes desgastados que provocan juego excesivo y vibración.
• Grietas por fatiga por tensión torsional continua.
• Daños por impacto causados por baches o conducción agresiva.
• Alineación incorrecta o ajustes de altura de manejo.
Cuando las placas de resorte fallan, es posible que notes una altura de manejo desigual, una mala alineación o inestabilidad en la parte trasera: señales claras de que es necesario reemplazarlas para restablecer el equilibrio y la seguridad.
¿Por qué reemplazar o actualizar las placas de resorte de su Porsche?
Reemplazar las placas de resorte desgastadas o dañadas restaura la geometría de la suspensión, la precisión de la alineación y el rendimiento general de manejo. Las placas mejoradas ofrecen mayor ajuste y durabilidad, ideales para configuraciones de alto rendimiento o preparación para pista.
Beneficios clave:
• Restaura la geometría correcta de la suspensión y la alineación trasera.
• Mejora la consistencia de la altura de conducción y la estabilidad de manejo.
• Reduce la vibración, el ruido y el movimiento de la parte trasera.
• Disponible en diseños ajustables o fijos para varios modelos Porsche.
• Se adapta a Porsche 911, 912, 914, 944 y modelos clásicos refrigerados por aire.
• Perfecto para aplicaciones de restauración, servicio o deportes de motor.
Las placas de resorte Porsche de Design911 combinan ingeniería de precisión y rendimiento duradero, lo que garantiza que su Porsche se maneje con la resistencia y estabilidad para las que fue diseñado.
Reflejos
• Placas de resorte Porsche de primera calidad y componentes de suspensión relacionados.
• Construcción en acero de alta resistencia o aleación de alto rendimiento.
• Restaura la alineación, la altura de conducción y el equilibrio de la suspensión.
• Disponible en variantes ajustables y de rendimiento.
• Adecuado para modelos Porsche clásicos y modernos.
• Perfecto para mantenimiento, ajuste de rendimiento o proyectos de restauración completa.