Introduzca aquí su número de identificación fiscal (NIF o VAT number) y haga clic en Verificar:
No necesita incluir el código de país de su NIF, dado que ya lo ha indicado antes en su dirección de facturación.
Se han verificado sus datos. NIF registrado a nombre de:
###NUEVO MÉJICO###,
.
Su pedido cuenta ahora con una tasa cero a efectos de IVA. Nos reservamos el derecho a verificar estos datos después de que haya solicitado su pedido y a restablecer el IVA si fuese necesario.
Sus datos de identificación fiscal no han sido reconocidos o no son válidos. Su NIF debe coincidir con el país de facturación que especificó anteriormente. Actualmente se ha especificado como . No necesita incluir el código de país de su NIF, do que ya lo ha indicado antes en los datos de su dirección de facturación.
El servicio de verificación de NIF no está disponible en este momento. Le rogamos que indique sus datos del NIF en los comentarios e en el cuadro de instrucciones especiales que encontrará abajo y le aplicaremos un descuento en el IVA tras realizar su solicitud de pedido.
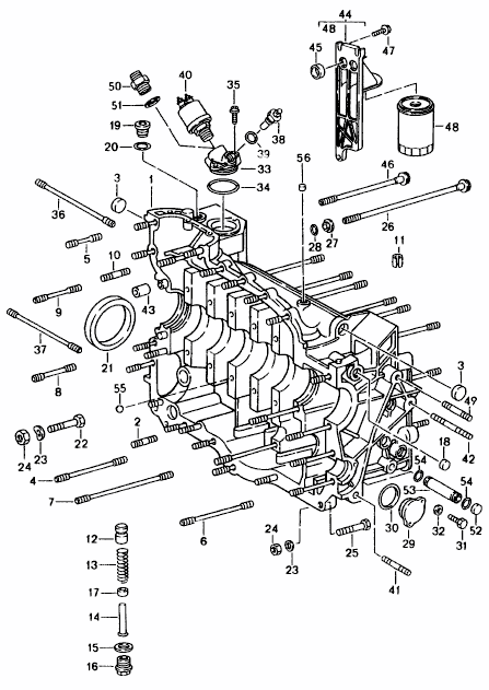
Piezas del cárter

¡Santos tornillos rotos, Batman! Incluso la última generación de cabezales DFI (9A1) en los motores enfriados por agua informan pernos de escape rotos. Las tareas que van desde una simple actualización del sistema de escape hasta la extracción del motor, están constantemente plagadas de pernos del colector de escape rotos, oxidados y rotos. En raras ocasiones se puede realizar una extracción precisa del perno roto con el motor en el automóvil, e incluso después de la extracción, la tarea requiere mucho tiempo y, si no se realiza con cuidado, puede provocar daños en la cabeza o una reparación defectuosa. La respuesta de STOMSKI RACING a estos problemas es el SR069, un kit que le permite perforar los pernos rotos con facilidad, precisión y flexibilidad, con el motor aún en el automóvil, ahorrando tiempo y dolores de cabeza. Una placa fresada con CNC indexa con precisión los pernos rotos y/o los orificios de los pernos. Usando nuestros tornillos de mariposa de diseño único, la placa SR069 se bloquea en su lugar (al enroscar un tornillo de mariposa sobre un perno roto o al usar un perno suministrado roscado a través del tornillo de mariposa SR069). Con las brocas piloto y las guías de broca incluidas, se puede perforar el perno defectuoso, produciendo un orificio perfectamente perpendicular y centrado que, si es necesario, se puede perforar con un macho de roscar M8x1.25 incluido.
El kit incluye accesorio de aluminio anodizado, brocas, grifo con extensión, plantillas/guías de perforación, tornillos de mariposa y herrajes en un estuche de almacenamiento resistente. También incluye nuestra guía de perforación SR065D.
- Porsche Boxster 987 MKII 2.9L 2009-12
- Porsche Boxster S 987 MKII 3.4L 2009-12
- Porsche 997 MKII Carrera C2 3.6L 2009-12
- Porsche 997 MKII Carrera C4 3.6L 2009-12
- Porsche 997 MKII Carrera C2S 3.8L 2009-12
- Porsche 997 MKII Carrera C4S 3.8L 2009-12
- Porsche 997 MKII GT3 2010-11
- Porsche 997 MKII Turbo 2010-13
- Porsche 997 MKII GT2 RS 2011-13
- Porsche 991.1 Carrera C2 3.4L (350 Bhp) 2012-16
- Porsche 991.1 Carrera C2S / GTS 3.8L (400/430 Bhp) 2012-16
- Porsche 991.1 Carrera C4 3.4L (350 Bhp) 2012-16
- Porsche 991.1 Carrera C4S / GTS 3.8L (400/430 Bhp) 2012-16
- Porsche 991.1 Turbo 3.8L (520 Bhp) 2014-16
- Porsche 991.1 Turbo S 3.8L (560 Bhp) 2014-16
- Porsche 991.1 R 4.0L (500 Bhp) 2016
- Porsche 991.1 GT3 3.8L (475 Bhp) 2014-16
- Porsche 991.1 GT3 RS 4.0L (500 Bhp) 2015-16
- Porsche 991.2 Carrera 2 3.0L (370 Bhp) 2016-19
- Porsche 991.2 Carrera 2S / GTS 3.0L (420/450 Bhp) 2016-19
- Porsche 991.2 Carrera 4 3.0L (370 Bhp) 2016-19
- Porsche 991.2 Carrera 4S / GTS 3.0L (420/450 Bhp) 2016-19
- Porsche 991.2 Cabriolet 2 3.0L (370 Bhp) 2016-19
- Porsche 991.2 Cabriolet 2S / GTS 3.0L (420/450 Bhp) 2016-19
- Porsche 991.2 Cabriolet 4 3.0L (370 Bhp) 2016-19
- Porsche 991.2 Cabriolet 4S / GTS 3.0L (420/450 Bhp) 2016-19
- Porsche 991.2 Targa 4 3.0L (370 Bhp) 2016-19
- Porsche 991.2 Targa 4S / GTS 3.0L (420/450 Bhp) 2016-19
- Porsche 991.2 Turbo Coupe 3.8L (540 Bhp) 2016-19
- Porsche 991.2 Turbo S Coupe 3.8L (580 Bhp) 2016-19
- Porsche 991.2 Turbo Cabriolet 3.8L (540 Bhp) 2016-19
- Porsche 991.2 Turbo S Cabriolet 3.8L (580 Bhp) 2016-19
- Porsche 991.2 Speedster 4.0L (510Bhp) 2019
- Porsche 991.2 GT3 4.0L (500 Bhp) / GT3 RS 4.0L (520 Bhp) 2017-19
- Porsche 991.2 GT2 RS 3.8L PDK (700 bhp) 2018-19
- Porsche Cayman 2.9L 987C MKII 2009-12
- Porsche Cayman S / R 3.4L 987C MKII 2009-12
Tenga en cuenta: La junta tórica de sellado debe pedirse por separado – Número de pieza 90012310630/2
Se adapta a:
Porsche 986 Boxster 1997 - 2004
Porsche 987,1 Boxster 2005 - 2008
Porsche 987,2 Boxster 2009 - 2012
Porsche 987C.1 Cayman 2005-2008
Porsche 987C.2 Cayman 2009-2012
Porsche 981 Boxster 2013 - 2016
Porsche 981 Caimán 2014 - 2016
Porsche 996 1998-2005
Porsche 997.1 2005-2008
Porsche 997.2 2009-2012
Porsche 991.1 2012-2016
Números de referencia relacionados
Números relacionados, reemplazados, de referencia cruzada o alternativos para comparación.
90021900930
El producto que está viendo hace referencia cruzada a estos números
- Porsche Boxster 986 2.5L 1997-99
- Porsche Boxster 986 2.7L 1999-02
- Porsche Boxster S 986 3.2L 1999-02
- Porsche Boxster 986 2.7L 2003-04
- Porsche Boxster S 986 3.2L 2003-04
- Porsche Boxster 987 2.7L 2005-08/08
- Porsche Boxster 987 S 3.2/3.4L 2005-08/08
- Porsche Boxster 987 MKII 2.9L 2009-12
- Porsche Boxster S 987 MKII 3.4L 2009-12
- Porsche Boxster 981 2.7L 2012-16
- Porsche Boxster 981 S / GTS 3.4L 2012-16
- Porsche 996 C2 3.4L 1997-08/01
- Porsche 996 C4 3.4L 1997-08/01
- Porsche 996 C2 3.6L 09/01-2005
- Porsche 996 C4 3.6L 09/01-2005
- Porsche 996 C4S 3.6L 09/01-2005
- Porsche 996 TURBO 2000-05
- Porsche 996 GT2 2001-05
- Porsche 996 GT3 MKI 1999-02
- Porsche 996 GT3 MKII 2003>>
- Porsche 996 GT3 RS 2003-04
- Porsche 997 MK1 Carrera 2 3.6L 2005-08
- Porsche 997 MK1 Carrera 2S 3.8L 2005-08
- Porsche 997 MK1 Carrera 4 3.6L 2005-08
- Porsche 997 MK1 Carrera 4S 3.8L 2005-08
- Porsche 997 MK1 TURBO 2007-09
- Porsche 997 MK1 GT3 2007-09
- Porsche 997 MK1 GT2 2007-09
- Porsche 997 MKII Carrera C2 3.6L 2009-12
- Porsche 997 MKII Carrera C4 3.6L 2009-12
- Porsche 997 MKII Carrera C2S 3.8L 2009-12
- Porsche 997 MKII Carrera C4S 3.8L 2009-12
- Porsche 997 MKII GT3 2010-11
- Porsche 997 MKII Turbo 2010-13
- Porsche 997 MKII GT2 RS 2011-13
- Porsche 991.1 Carrera C2 3.4L (350 Bhp) 2012-16
- Porsche 991.1 Carrera C2S / GTS 3.8L (400/430 Bhp) 2012-16
- Porsche 991.1 Carrera C4 3.4L (350 Bhp) 2012-16
- Porsche 991.1 Carrera C4S / GTS 3.8L (400/430 Bhp) 2012-16
- Porsche Cayman 2.7L 987C 2006-08
- Porsche Cayman S 3.4L 987C 2005-08
- Porsche Cayman 2.9L 987C MKII 2009-12
- Porsche Cayman S / R 3.4L 987C MKII 2009-12
- Porsche Cayman 2.7L 981 2013-16
- Porsche Cayman S / GTS 3.4L 981 2013-16
Tenga en cuenta: la junta tórica de sellado debe pedirse por separado: número de pieza 90012310630/2
Se adapta a:
Porsche 986 Boxster 1997 - 2004
Porsche 987,1 Boxster 2005 - 2008
Porsche 987,2 Boxster 2009 - 2012
Porsche 987C.1 Cayman 2005-2008
Porsche 987C.2 Cayman 2009-2012
Porsche 981 Boxster 2013 - 2016
Porsche 981 Caimán 2014 - 2016
Porsche 996 1998-2005
Porsche 997.1 2005-2008
Porsche 997.2 2009-2012
Porsche 991.1 2012-2016
Números de referencia relacionados
Números relacionados, reemplazados, de referencia cruzada o alternativos para comparación.
90021900930
El producto que está viendo hace referencia cruzada a estos números
- Porsche Boxster 986 2.5L 1997-99
- Porsche Boxster 986 2.7L 1999-02
- Porsche Boxster S 986 3.2L 1999-02
- Porsche Boxster 986 2.7L 2003-04
- Porsche Boxster S 986 3.2L 2003-04
- Porsche Boxster 987 2.7L 2005-08/08
- Porsche Boxster 987 S 3.2/3.4L 2005-08/08
- Porsche Boxster 987 MKII 2.9L 2009-12
- Porsche Boxster S 987 MKII 3.4L 2009-12
- Porsche Boxster 981 2.7L 2012-16
- Porsche Boxster 981 S / GTS 3.4L 2012-16
- Porsche 996 C2 3.4L 1997-08/01
- Porsche 996 C4 3.4L 1997-08/01
- Porsche 996 C2 3.6L 09/01-2005
- Porsche 996 C4 3.6L 09/01-2005
- Porsche 996 C4S 3.6L 09/01-2005
- Porsche 996 TURBO 2000-05
- Porsche 996 GT2 2001-05
- Porsche 996 GT3 MKI 1999-02
- Porsche 996 GT3 MKII 2003>>
- Porsche 996 GT3 RS 2003-04
- Porsche 997 MK1 Carrera 2 3.6L 2005-08
- Porsche 997 MK1 Carrera 2S 3.8L 2005-08
- Porsche 997 MK1 Carrera 4 3.6L 2005-08
- Porsche 997 MK1 Carrera 4S 3.8L 2005-08
- Porsche 997 MK1 TURBO 2007-09
- Porsche 997 MK1 GT3 2007-09
- Porsche 997 MK1 GT2 2007-09
- Porsche 997 MKII Carrera C2 3.6L 2009-12
- Porsche 997 MKII Carrera C4 3.6L 2009-12
- Porsche 997 MKII Carrera C2S 3.8L 2009-12
- Porsche 997 MKII Carrera C4S 3.8L 2009-12
- Porsche 997 MKII GT3 2010-11
- Porsche 997 MKII Turbo 2010-13
- Porsche 997 MKII GT2 RS 2011-13
- Porsche 991.1 Carrera C2 3.4L (350 Bhp) 2012-16
- Porsche 991.1 Carrera C2S / GTS 3.8L (400/430 Bhp) 2012-16
- Porsche 991.1 Carrera C4 3.4L (350 Bhp) 2012-16
- Porsche 991.1 Carrera C4S / GTS 3.8L (400/430 Bhp) 2012-16
- Porsche Cayman 2.7L 987C 2006-08
- Porsche Cayman S 3.4L 987C 2005-08
- Porsche Cayman 2.9L 987C MKII 2009-12
- Porsche Cayman S / R 3.4L 987C MKII 2009-12
- Porsche Cayman 2.7L 981 2013-16
- Porsche Cayman S / GTS 3.4L 981 2013-16
Aluminio anodizado duro, con imán, 18 x 1,5 mm

Encaja:
Porsche 996 1997-04
Porsche 997 2005-08
Porsche 986 Boxster 1997-04
Porsche 987 Boxster 2005-08
Porsche 987C Caimán 2005-08
Un tapón de drenaje de aceite del sumidero magnético es un tipo de tapón de drenaje de aceite que contiene un pequeño imán diseñado para atraer y capturar partículas metálicas que pueden estar presentes en el aceite de su motor. Si bien este tipo de tapón de drenaje no es exclusivo de Porsche y puede usarse en varios vehículos, puede brindar varios beneficios, entre ellos:
Longevidad mejorada del motor: el imán en el tapón de drenaje ayuda a capturar pequeñas partículas metálicas, como hierro, acero o aluminio, que pueden circular en el aceite del motor. La eliminación de estas partículas puede reducir el desgaste de los componentes del motor, extendiendo potencialmente su vida útil.
Rendimiento mejorado del motor: al reducir la presencia de contaminantes en el aceite, un tapón de drenaje magnético puede ayudar a mantener las propiedades lubricantes del aceite, lo cual es crucial para el buen funcionamiento del motor. El aceite limpio también puede contribuir a mejorar la eficiencia del combustible.
Detección temprana de problemas: dado que el tapón de drenaje magnético recoge residuos metálicos, puede servir como sistema de alerta temprana. Al inspeccionar el tapón de drenaje durante los cambios de aceite, puede tener una idea del estado del motor y detectar cualquier desgaste o daño inusual antes de que se convierta en un problema importante.
Costos de mantenimiento reducidos: inspeccionar y limpiar periódicamente un tapón de drenaje magnético puede evitar que se desarrollen problemas mayores con el tiempo. Abordar los problemas potenciales a tiempo puede ahorrarle dinero en reparaciones más extensas en el futuro.
Tranquilidad: saber que está tomando medidas para proteger su motor del desgaste prematuro puede brindarle tranquilidad como propietario de un vehículo. Es una modificación relativamente económica y sencilla que puede proporcionar mayor seguridad.
Fácil instalación: Los tapones de drenaje magnéticos suelen ser sencillos de instalar. A menudo reemplazan el tapón de drenaje existente y no requieren herramientas ni modificaciones especiales.
Si bien los tapones de drenaje magnéticos pueden ofrecer estos beneficios, es esencial recordar que no sustituyen los cambios regulares de aceite ni el mantenimiento adecuado. Los cambios regulares de aceite con el aceite y el filtro adecuados siguen siendo cruciales para la salud y la longevidad de su motor. Además, es posible que los tapones de drenaje magnéticos no capturen todos los tipos de contaminantes, por lo que deben verse como una medida complementaria y no como una solución integral.
Números de referencia relacionados
Números relacionados, reemplazados, de referencia cruzada o alternativos para comparación.
90021900930
El producto que está viendo hace referencia cruzada a estos números
- Porsche Boxster 986 2.5L 1997-99
- Porsche Boxster 986 2.7L 1999-02
- Porsche Boxster S 986 3.2L 1999-02
- Porsche Boxster 986 2.7L 2003-04
- Porsche Boxster S 986 3.2L 2003-04
- Porsche Boxster 987 2.7L 2005-08/08
- Porsche Boxster 987 S 3.2/3.4L 2005-08/08
- Porsche 996 C2 3.4L 1997-08/01
- Porsche 996 C4 3.4L 1997-08/01
- Porsche 996 C2 3.6L 09/01-2005
- Porsche 996 C4 3.6L 09/01-2005
- Porsche 996 C4S 3.6L 09/01-2005
- Porsche 997 MK1 Carrera 2 3.6L 2005-08
- Porsche 997 MK1 Carrera 2S 3.8L 2005-08
- Porsche 997 MK1 Carrera 4 3.6L 2005-08
- Porsche 997 MK1 Carrera 4S 3.8L 2005-08
- Porsche 997 MK1 TURBO 2007-09
- Porsche 997 MK1 GT3 2007-09
- Porsche 997 MK1 GT2 2007-09
- Porsche 997 MKII Carrera C2 3.6L 2009-12
- Porsche 997 MKII Carrera C4 3.6L 2009-12
- Porsche 997 MKII Carrera C2S 3.8L 2009-12
- Porsche 997 MKII Carrera C4S 3.8L 2009-12
- Porsche Cayman 2.7L 987C 2006-08
- Porsche Cayman S 3.4L 987C 2005-08

Encaja:
Porsche 911 1978-89
Porsche 964 1989-94
Porsche 993 1995-98
Porsche 996 Turbo/GT2 2001-05
Porsche 997 Turbo/GT2 2007-09
Porsche 997 GT2 RS 2011
Haga clic en 'Acercar' para ver un diagrama de piezas grandes.
Diagrama de referencia nº 13
Números de referencia relacionados
Números relacionados, reemplazados, de referencia cruzada o alternativos para comparación.
93010753101
El producto que está viendo hace referencia cruzada a estos números
- Porsche 911 1974-1977 2.7L / 1976-77 3.0 Carrera
- Porsche 911 1978-1983 3.0L / SC
- Porsche 911 1984-1986 3.2L
- Porsche 911 1987-1989 3.2L G50
- Porsche 911 1978-1989 3.3L Turbo (930)
- Porsche 964 (911) C2 1989-93
- Porsche 964 (911) C4 1989-93
- Porsche 964 (911) RS 3.6L 1991-93
- Porsche 964 (911) RS 3.8L 1991-93
- Porsche 964 (911) TURBO 3.3L 1991-93
- Porsche 964 (911) TURBO 3.6L 1991-93
- Porsche 993 (911) C2 1994-97
- Porsche 993 (911) C4 1994-97
- Porsche 993 (911) RS 1994-97
- Porsche 993 (911) C2S 1994-97
- Porsche 993 (911) C4S 1994-97
- Porsche 993 (911) TURBO 1994-96
- Porsche 993 (911) GT2 1994-97
- Porsche 993 (911) TURBO S 1994-97
- Porsche 996 TURBO 2000-05
- Porsche 996 GT2 2001-05
- Porsche 997 MK1 TURBO 2007-09
- Porsche 997 MK1 GT2 2007-09
- Porsche 997 MKII GT2 RS 2011-13

Encaja:
Porsche 911 1978-89
Porsche 964 1989-94
Porsche 993 1995-98
Porsche 996 Turbo/GT2 2001-05
Porsche 997 Turbo/GT2 2007-09
Porsche 997 GT2 RS 2011
Haga clic en 'Acercar' para ver el diagrama de piezas grandes.
Diagrama ref no 13
Números de referencia relacionados
Números relacionados, reemplazados, de referencia cruzada o alternativos para comparación.
93010753101
El producto que está viendo hace referencia cruzada a estos números
- Porsche 911 1974-1977 2.7L / 1976-77 3.0 Carrera
- Porsche 911 1978-1983 3.0L / SC
- Porsche 911 1984-1986 3.2L
- Porsche 911 1987-1989 3.2L G50
- Porsche 911 1978-1989 3.3L Turbo (930)
- Porsche 964 (911) C2 1989-93
- Porsche 964 (911) C4 1989-93
- Porsche 964 (911) RS 3.6L 1991-93
- Porsche 964 (911) RS 3.8L 1991-93
- Porsche 964 (911) TURBO 3.3L 1991-93
- Porsche 964 (911) TURBO 3.6L 1991-93
- Porsche 993 (911) C2 1994-97
- Porsche 993 (911) C4 1994-97
- Porsche 993 (911) RS 1994-97
- Porsche 993 (911) C2S 1994-97
- Porsche 993 (911) C4S 1994-97
- Porsche 993 (911) TURBO 1994-96
- Porsche 993 (911) GT2 1994-97
- Porsche 993 (911) TURBO S 1994-97
- Porsche 996 TURBO 2000-05
- Porsche 996 GT2 2001-05
- Porsche 997 MK1 TURBO 2007-09
- Porsche 997 MK1 GT2 2007-09
- Porsche 997 MKII GT2 RS 2011-13

Se adapta a:
Porsche 911/930 1974-89
Porsche 964 1989-94
Porsche 993 1995-98
Porsche 996 Turbo/GT2 2001-05
Porsche 997 Turbo/GT2 2005 >>
Porsche 996 GT3 / 997 GT3
Diagrama ref n° 16
Números de referencia relacionados
Números relacionados, reemplazados, de referencia cruzada o alternativos para comparación.
91110751200
El producto que está viendo hace referencia cruzada a estos números
- Porsche 911 1974-1977 2.7L / 1976-77 3.0 Carrera
- Porsche 911 1978-1983 3.0L / SC
- Porsche 911 1984-1986 3.2L
- Porsche 911 1987-1989 3.2L G50
- Porsche 911 1975-1977 3.0L Turbo (930)
- Porsche 911 1978-1989 3.3L Turbo (930)
- Porsche 964 (911) C2 1989-93
- Porsche 964 (911) C4 1989-93
- Porsche 964 (911) RS 3.6L 1991-93
- Porsche 964 (911) RS 3.8L 1991-93
- Porsche 964 (911) TURBO 3.3L 1991-93
- Porsche 964 (911) TURBO 3.6L 1991-93
- Porsche 993 (911) C2 1994-97
- Porsche 993 (911) C4 1994-97
- Porsche 993 (911) RS 1994-97
- Porsche 993 (911) C2S 1994-97
- Porsche 993 (911) C4S 1994-97
- Porsche 993 (911) TURBO 1994-96
- Porsche 993 (911) GT2 1994-97
- Porsche 993 (911) TURBO S 1994-97
- Porsche 996 TURBO 2000-05
- Porsche 996 GT2 2001-05
- Porsche 996 GT3 MKI 1999-02
- Porsche 996 GT3 MKII 2003>>
- Porsche 996 GT3 RS 2003-04
- Porsche 997 MK1 TURBO 2007-09
- Porsche 997 MK1 GT3 2007-09
- Porsche 997 MK1 GT2 2007-09
- Porsche 997 MKII Turbo 2010-13
- Porsche 997 MKII GT2 RS 2011-13

Encaja:
Porsche 911/930 1974-89
Porsche 964 1989-94
Porsche 993 1995-98
Porsche 996 Turbo/GT2 2001-05
Porsche 997 Turbo/GT2 2005 >>
Porsche 996 GT3 / 997 GT3
Haga clic en 'Acercar' para ver un diagrama de piezas grandes.
Diagrama de referencia nº 16
Números de referencia relacionados
Números relacionados, reemplazados, de referencia cruzada o alternativos para comparación.
91110751200
El producto que está viendo hace referencia cruzada a estos números
- Porsche 911 1974-1977 2.7L / 1976-77 3.0 Carrera
- Porsche 911 1978-1983 3.0L / SC
- Porsche 911 1984-1986 3.2L
- Porsche 911 1987-1989 3.2L G50
- Porsche 911 1975-1977 3.0L Turbo (930)
- Porsche 911 1978-1989 3.3L Turbo (930)
- Porsche 964 (911) C2 1989-93
- Porsche 964 (911) C4 1989-93
- Porsche 964 (911) RS 3.6L 1991-93
- Porsche 964 (911) RS 3.8L 1991-93
- Porsche 964 (911) TURBO 3.3L 1991-93
- Porsche 964 (911) TURBO 3.6L 1991-93
- Porsche 993 (911) C2 1994-97
- Porsche 993 (911) C4 1994-97
- Porsche 993 (911) RS 1994-97
- Porsche 993 (911) C2S 1994-97
- Porsche 993 (911) C4S 1994-97
- Porsche 993 (911) TURBO 1994-96
- Porsche 993 (911) GT2 1994-97
- Porsche 993 (911) TURBO S 1994-97
- Porsche 996 TURBO 2000-05
- Porsche 996 GT2 2001-05
- Porsche 996 GT3 MKI 1999-02
- Porsche 996 GT3 MKII 2003>>
- Porsche 996 GT3 RS 2003-04
- Porsche 997 MK1 TURBO 2007-09
- Porsche 997 MK1 GT3 2007-09
- Porsche 997 MK1 GT2 2007-09
- Porsche 997 MKII Turbo 2010-13
- Porsche 997 MKII GT2 RS 2011-13

Encaja:
Porsche 987,2 Boxster-2009 a 2012
Porsche 981 Boxster-2012 a 2016
Porsche 718 Boxster - 2017 en adelante
Porsche 987,2 Caimán-2009 a 2012
Porsche 981 Caimán - 2013 a 2016
Porsche 718 Caimán - 2017 en adelante
Porsche 997,2-2009 a 2012
Porsche 991 - 2012 a 2019
Porsche 95B Macan-2014 a 2017
Porsche 970 Panamera-2009 a 2016
Porsche 958 Cayenne-2010 a 2017
Haga clic en 'Acercar' para ver un diagrama de piezas grandes.
Diagrama de referencia nº 4
Números de referencia relacionados
Números relacionados, reemplazados, de referencia cruzada o alternativos para comparación.
PAF008270
El producto que está viendo hace referencia cruzada a estos números
- Porsche Boxster 987 MKII 2.9L 2009-12
- Porsche Boxster S 987 MKII 3.4L 2009-12
- Porsche Boxster 981 2.7L 2012-16
- Porsche Boxster 981 S / GTS 3.4L 2012-16
- Porsche Boxster 981 Spyder 3.8L 2016
- Porsche Boxster 718 2.0L Manual (300 Bhp) 2017>>
- Porsche Boxster 718 2.0L PDK (300 Bhp) 2017>>
- Porsche Boxster S 718 2.5L Manual (350 Bhp) 05/2017>>
- Porsche Boxster S 718 2.5L PDK (350 Bhp) 05/2017>>
- Porsche Boxster T 718 2.0L Manual (300 Bhp) 01/2019>>
- Porsche Boxster T 718 2.0L PDK (300 Bhp) 01/2019>>
- Porsche Boxster GTS 718 2.5L Manual (365 Bhp) 05/2017>>
- Porsche Boxster GTS 718 2.5L PDK (365 Bhp) 05/2017>>
- Porsche Boxster GTS 718 4.0L Manual (400 Bhp) 01/2019>>
- Porsche Boxster GTS 718 4.0L PDK (400 Bhp) 01/2019>>
- Porsche Boxster Spyder / Sypder RS 718 4.0L 01/2019>>
- Porsche Boxster 25 Years 718 4.0L Manual (400 Bhp) 01/2020>>
- Porsche Boxster 25 Years 718 4.0L PDK (400 Bhp) 01/2020>>
- Porsche 997 MKII Carrera C2 3.6L 2009-12
- Porsche 997 MKII Carrera C4 3.6L 2009-12
- Porsche 997 MKII Carrera C2S 3.8L 2009-12
- Porsche 997 MKII Carrera C4S 3.8L 2009-12
- Porsche 997 MKII GT3 2010-11
- Porsche 997 MKII Turbo 2010-13
- Porsche 997 MKII GT2 RS 2011-13
- Porsche 991.1 Carrera C2 3.4L (350 Bhp) 2012-16
- Porsche 991.1 Carrera C2S / GTS 3.8L (400/430 Bhp) 2012-16
- Porsche 991.1 Carrera C4 3.4L (350 Bhp) 2012-16
- Porsche 991.1 Carrera C4S / GTS 3.8L (400/430 Bhp) 2012-16
- Porsche 991.1 Turbo 3.8L (520 Bhp) 2014-16
- Porsche 991.1 Turbo S 3.8L (560 Bhp) 2014-16
- Porsche 991.1 R 4.0L (500 Bhp) 2016
- Porsche 991.1 GT3 3.8L (475 Bhp) 2014-16
- Porsche 991.1 GT3 RS 4.0L (500 Bhp) 2015-16
- Porsche 991.2 Carrera 2 3.0L (370 Bhp) 2016-19
- Porsche 991.2 Carrera 2S / GTS 3.0L (420/450 Bhp) 2016-19
- Porsche 991.2 Carrera 4 3.0L (370 Bhp) 2016-19
- Porsche 991.2 Carrera 4S / GTS 3.0L (420/450 Bhp) 2016-19
- Porsche 991.2 Cabriolet 2 3.0L (370 Bhp) 2016-19
- Porsche 991.2 Cabriolet 2S / GTS 3.0L (420/450 Bhp) 2016-19
- Porsche 991.2 Cabriolet 4 3.0L (370 Bhp) 2016-19
- Porsche 991.2 Cabriolet 4S / GTS 3.0L (420/450 Bhp) 2016-19
- Porsche 991.2 Targa 4 3.0L (370 Bhp) 2016-19
- Porsche 991.2 Targa 4S / GTS 3.0L (420/450 Bhp) 2016-19
- Porsche 991.2 Turbo Coupe 3.8L (540 Bhp) 2016-19
- Porsche 991.2 Turbo S Coupe 3.8L (580 Bhp) 2016-19
- Porsche 991.2 Turbo Cabriolet 3.8L (540 Bhp) 2016-19
- Porsche 991.2 Turbo S Cabriolet 3.8L (580 Bhp) 2016-19
- Porsche 991.2 Speedster 4.0L (510Bhp) 2019
- Porsche 991.2 GT3 4.0L (500 Bhp) / GT3 RS 4.0L (520 Bhp) 2017-19
- Porsche 991.2 GT2 RS 3.8L PDK (700 bhp) 2018-19
- Porsche Cayman 2.9L 987C MKII 2009-12
- Porsche Cayman S / R 3.4L 987C MKII 2009-12
- Porsche Cayman 2.7L 981 2013-16
- Porsche Cayman S / GTS 3.4L 981 2013-16
- Porsche Cayman GT4 3.8L 2015-16
- Porsche Cayman 718 2.0L Manual (300 Bhp)
- Porsche Cayman 718 2.0L PDK (300 Bhp)
- Porsche Cayman S 718 2.5L Manual (350 Bhp)
- Porsche Cayman S 718 2.5L PDK (350 Bhp)
- Porsche Cayman T 718 2.0L Manual (300 Bhp)
- Porsche Cayman T 718 2.0L PDK (300 Bhp)
- Porsche Cayman GTS 718 2.5L Manual (365 Bhp)
- Porsche Cayman GTS 718 2.5L PDK (365 Bhp)
- Porsche Cayman GTS 718 4.0L Manual (400 Bhp)
- Porsche Cayman GTS 718 4.0L PDK (400 Bhp)
- Porsche Cayman GT4 718 4.0L / GT4 RS 718 4.0L
- Porsche 958 Cayenne V6 3.6L Petrol (300Hp) 2010-17
- Porsche 958 Cayenne V6 3.0L Diesel (245Hp) 2010-17
- Porsche 958 Cayenne S V6 3.0L Hybrid (380Hp) 2010-17
- Porsche 958 Cayenne S V8 4.8L Petrol (400Hp) 2010-17
- Porsche 958 Cayenne S V8 4.2L Diesel (382Hp) 2010-17
- Porsche 958 Cayenne GTS V8 4.8L Petrol (400Hp) 2010-17
- Porsche 958 Cayenne Turbo V8 4.8L Petrol (500Hp) 2010-17
- Porsche 958 Cayenne Turbo S V8 4.8L Petrol (550Hp) 2010-17
- Porsche 970.1 Panamera V6 3.6L 2WD 2009-13
- Porsche 970.1 Panamera 4 V6 3.6L 4WD 2009-13
- Porsche 970.1 Panamera S V8 4.8L 2009-13
- Porsche 970.1 Panamera 4S V8 4.8L 2009-13
- Porsche 970.1 Panamera GTS V8 4.8L 2011-13
- Porsche 970.1 Panamera Turbo V8 4.8L 2009-13
- Porsche 970.1 Panamera Turbo S V8 4.8L 2009-13
- Porsche 970.1 Panamera Diesel V6 3.0L 2011-13
- Porsche 970.1 Panamera S Hybrid V6 3.0L 2011-13
- Porsche 970.2 Panamera V6 3.6L 2WD (310Hp) 2014-16
- Porsche 970.2 Panamera 4 V6 3.6L 4WD (310Hp) 2014-16
- Porsche 970.2 Panamera S V6 Turbo 3.0L 2WD (420Hp) 2014-16
- Porsche 970.2 Panamera S V6 Turbo 3.0L 2WD Executive 2014-16
- Porsche 970.2 Panamera 4S V6 Turbo 3.0L 4WD (420Hp) 2014-16
- Porsche 970.2 Panamera 4S V6 Turbo 3.0L 4WD Executive 2014-16
- Porsche 970.2 Panamera GTS V8 4.8L 4WD (440Hp) 2014-16
- Porsche 970.2 Panamera Turbo V8 4.8L (520Hp) 2014-16
- Porsche 970.2 Panamera Turbo V8 Executive 2014-16
- Porsche 970.2 Panamera Turbo S V8 4.8L 2014-16
- Porsche 970.2 Panamera Diesel V6 3.0L (250Hp) 2014-16
- Porsche 970.2 Panamera S E-Hybrid V6 3.0L (416Hp) 2014-16
- Porsche 95B.1 Macan Petrol 2.0L (237Bhp) 2014-18
- Porsche 95B.1 Macan S Petrol 3.0L V6 (340Bhp) 2014-18
- Porsche 95B.1 Macan S Diesel 3.0L V6 (258Bhp) 2014-18
- Porsche 95B.1 Macan GTS Petrol 3.0L V6 (360Bhp) 2014-18
- Porsche 95B.1 Macan Turbo 3.6L V6 (400Bhp) 2014-18
Se adapta a:
Porsche 986 Boxster 2.5L 1997-99
Porsche 986 Boxster 2.7L 2000-04
Porsche 986 Boxster S 3.2L 2000-04
Porsche 987-1 Boxster 2.7L 2005-08
Porsche 987-1 Boxster S 3.4L 2005-08
Porsche 987-1 Caimán 2.7L 2005-08
Porsche 987-1 Caimán S 3.4L 2005-08
Porsche 987-2 Boxster 2.9L 2009-12
Porsche 987-2 Boxster S 3.4L 2009-12
Porsche 987-2 Boxster Spyder 3.4L 2011-12
Porsche 987-2 Caimán 2.9L 2009-12
Porsche 987-2 Caimán S 3.4L 2009-12
Porsche 987-2 Caimán R 3.4L 2012
Porsche 981 Boxster 2.7L 2012-16
Porsche 981 Boxster S 3.4L 2012-16
Porsche 981 Boxster GTS 3.4L 2015-16
Porsche 981 Boxster Spyder 3.8L 2016
Porsche 981 Caimán 2.7L 2014-16
Porsche 981 Caimán S 3.4L 2014-16
Porsche 981 Caimán GTS 3.4L 2014-16
Porsche 981 Caimán GT4 3.8L 2016
Porsche 718 (982) Boxster 2.0L 2017>>
Porsche 718 (982) Boxster T 2.0L 2020>>
Porsche 718 (982) Boxster S 2.5L 2017>>
Porsche 718 (982) Boxster GTS 2.5L 2018-19
Porsche 718 (982) Boxster GTS 4.0L 2019>>
Porsche 718 (982) Boxster Spyder 4.0L 2019>> - Excluye RS
Porsche 718 (982) Cayman 2.0L 2017>>
Porsche 718 (982) Cayman T 2.0L 2020>>
Porsche 718 (982) Cayman S 2.5L 2017>>
Porsche 718 (982) Cayman GTS 2.5L 2018-19
Porsche 718 (982) Cayman GTS 4.0L 2019>>
Porsche 718 (982) Cayman GT4 4.0L 2019>> - Excluye RS
Porsche 996-1 Carrera 3.4L 1998-01
Porsche 996-1 Carrera 4 3.4L 1999-01
Porsche 996-2 Carrera 3.6L 2002-04
Porsche 996-2 Carrera 4 3.6L 2002-04
Porsche 996-2 Carrera 4S 3.6L 2002-05
Porsche 996-2 Targa 3.6L 2002-04
Porsche 997-1 Carrera 3.6L 2005-08
Porsche 997-1 Carrera 4 3.6L 2006-08
Porsche 997-1 Carrera S 3.8L 2005-08
Porsche 997-1 Carrera 4S 3.8L 2006-08
Porsche 997-1 Targa 4 3.6L 2007-08
Porsche 997-1 Targa 4S 3.8L 2007-08
Porsche 997-2 Carrera 3.6L 2009-12
Porsche 997-2 Carrera 4 3.6L 2009-12
Porsche 997-2 Carrera S 3.8L 2009-12
Porsche 997-2 Carrera GTS 3.8L 2011-12
Porsche 997-2 Carrera 4 GTS 3.8L 2011-12
Porsche 997-2 Carrera 4S 3.8L 2009-12
Porsche 997-2 Targa 4 3.6L 2009-12
Porsche 997-2 Targa 4S 3.8L 2009-12
Porsche 997-2 Turbo/S 3.8L 2010-13
Porsche 991-1 Carrera 3.4L 2012-16
Porsche 991-1 Carrera 4 3.4L 2012-16
Porsche 991-1 Carrera S 3.8L 2012-16
Porsche 991-1 Carrera 4S 3.8L 2012-16
Porsche 991-1 Carrera GTS 3.8L 2015-16
Porsche 991-1 Carrera 4 GTS 3.8L 2016
Porsche 991-1 Targa 4 3.4L 2015-16
Porsche 991-1 Targa 4S 3.8L 2015-16
Porsche 991-1 Targa 4 GTS 3.8L 2015-16
Porsche 991-2 Carrera 3.0L 2017-19
Porsche 991-2 Carrera 4 3.0L 2017-19
Porsche 991-2 Carrera S 3.0L 2017-19
Porsche 991-2 Carrera 4S 3.0L 2017-19
Porsche 991-2 Carrera GTS 3.0L 2017-19
Porsche 991-2 Carrera 4 GTS 3.0L 2017-19
Porsche 991-2 Targa 3.0L 2017-19
Porsche 991-2 Targa 4 3.0L 2017-19
Porsche 991-2 Targa 4 GTS 3.0L 2017-19
Porsche 991-1 Turbo 3.8L 2014-16
Porsche 991-2 Turbo 3.8L 2017-20
Porsche 992-1 Carrera 3.0L 2019-24
Porsche 992-1 Carrera T 3.0L 2023-24
Porsche 992-1 Carrera S 3.0L 2019-24
Porsche 992-1 Carrera GTS 3.0L 2022-24
Porsche 992-1 Carrera 4 3.0L 2019-24
Porsche 992-1 Carrera 4S 3.0L 2019-24
Porsche 992-1 Carrera 4 GTS 3.0L 2022-24
Porsche 992-1 Targa 4 3.0L 2019-24
Porsche 992-1 Targa 4S 3.0L 2019-24
Porsche 992-1 Targa 4 GTS 3.0L 2022-24
Porsche 992-1 Turbo / S 3.7L 2020>>
Porsche 992-2 Carrera 3.0L 2024>>
Porsche 992-2 Carrera T 3.0L 2024>>
Porsche 992-2 Carrera S 3.0L 2024>>
Porsche 992-2 Carrera GTS T-Híbrido 3.6L 2024>>
Porsche 992-2 Carrera 4 GTS T-Híbrido 3.6L 2024>>
Porsche 955 Cayenne S 4.5L V8 2003-06
Porsche 955 Cayenne Turbo 4.5L V8 2003-06
Porsche 957 Cayenne S 4.8L V8 2007-10
Porsche 957 Cayenne GTS 4.8L V8 2008-10
Porsche 957 Cayenne Turbo 4.8L V8 2007-10
Porsche 958-1 Cayenne S 4.8L V8 2011-14
Porsche 958-1 Cayenne GTS 4.8L V8 2011-14
Porsche 958-1 Cayenne Turbo 4.8L V8 2011-14
Porsche 958-1 Cayenne Turbo S 4.8L V8 2011-14
Porsche 958-2 Cayenne S 3.6L V6 2015-18
Porsche 958-2 Cayenne GTS 3.6L V6 2015-18
Porsche 958-2 Cayenne Turbo 4.8L V8 2015-18
Porsche 958-2 Cayenne Turbo S 4.8L V8 2015-18
Porsche 970-1 Panamera 3.6L V6 2010-13
Porsche 970-1 Panamera 4 3.6L V6 2010-13
Porsche 970-1 Panamera S 4.8L V8 2010-13
Porsche 970-1 Panamera 4S 4.8L V8 2010-13
Porsche 970-1 Panamera GTS 4.8L V8 2013
Porsche 970-1 Panamera Turbo 4.8L V8 2010-13
Porsche 970-1 Panamera Turbo S 4.8L V8 2010-13
Porsche 970-2 Panamera 3.6L V6 2014-16
Porsche 970-2 Panamera 4 3.6L V6 2014-16
Porsche 970-2 Panamera S 3.0L V6 2014-16
Porsche 970-2 Panamera 4S 3.0L V6 2014-16
Porsche 970-2 Panamera GTS 4.8L V8 2014-16
Porsche 970-2 Panamera Turbo 4.8L 2014-16
Porsche 970-2 Panamera Turbo S 4.8L 2014-16
Porsche 95B-1 Macan S 3.0L V6 2014-18
Porsche 95B-1 Macan GTS 3.0L V6 2014-18
Porsche 95B-1 Macan Turbo 3.6L V6 2014-18
Diagrama ref. 5.
Números de referencia relacionados
Números relacionados, reemplazados, de referencia cruzada o alternativos para comparación.
0PB105249
El producto que está viendo hace referencia cruzada a estos números
- Porsche Boxster 986 2.5L 1997-99
- Porsche Boxster 986 2.7L 1999-02
- Porsche Boxster S 986 3.2L 1999-02
- Porsche Boxster 986 2.7L 2003-04
- Porsche Boxster S 986 3.2L 2003-04
- Porsche Boxster 987 2.7L 2005-08/08
- Porsche Boxster 987 S 3.2/3.4L 2005-08/08
- Porsche Boxster 987 MKII 2.9L 2009-12
- Porsche Boxster S 987 MKII 3.4L 2009-12
- Porsche Boxster 981 2.7L 2012-16
- Porsche Boxster 981 S / GTS 3.4L 2012-16
- Porsche Boxster 981 Spyder 3.8L 2016
- Porsche Boxster 718 2.0L Manual (300 Bhp) 2017>>
- Porsche Boxster 718 2.0L PDK (300 Bhp) 2017>>
- Porsche Boxster S 718 2.5L Manual (350 Bhp) 05/2017>>
- Porsche Boxster S 718 2.5L PDK (350 Bhp) 05/2017>>
- Porsche Boxster T 718 2.0L Manual (300 Bhp) 01/2019>>
- Porsche Boxster T 718 2.0L PDK (300 Bhp) 01/2019>>
- Porsche Boxster GTS 718 2.5L Manual (365 Bhp) 05/2017>>
- Porsche Boxster GTS 718 2.5L PDK (365 Bhp) 05/2017>>
- Porsche Boxster GTS 718 4.0L Manual (400 Bhp) 01/2019>>
- Porsche Boxster GTS 718 4.0L PDK (400 Bhp) 01/2019>>
- Porsche Boxster Spyder / Sypder RS 718 4.0L 01/2019>>
- Porsche Boxster 25 Years 718 4.0L Manual (400 Bhp) 01/2020>>
- Porsche Boxster 25 Years 718 4.0L PDK (400 Bhp) 01/2020>>
- Porsche 996 C2 3.4L 1997-08/01
- Porsche 996 C4 3.4L 1997-08/01
- Porsche 996 C2 3.6L 09/01-2005
- Porsche 996 C4 3.6L 09/01-2005
- Porsche 996 C4S 3.6L 09/01-2005
- Porsche 997 MK1 Carrera 2 3.6L 2005-08
- Porsche 997 MK1 Carrera 2S 3.8L 2005-08
- Porsche 997 MK1 Carrera 4 3.6L 2005-08
- Porsche 997 MK1 Carrera 4S 3.8L 2005-08
- Porsche 997 MKII Carrera C2 3.6L 2009-12
- Porsche 997 MKII Carrera C4 3.6L 2009-12
- Porsche 997 MKII Carrera C2S 3.8L 2009-12
- Porsche 997 MKII Carrera C4S 3.8L 2009-12
- Porsche 997 MKII Turbo 2010-13
- Porsche 991.1 Carrera C2 3.4L (350 Bhp) 2012-16
- Porsche 991.1 Carrera C2S / GTS 3.8L (400/430 Bhp) 2012-16
- Porsche 991.1 Carrera C4 3.4L (350 Bhp) 2012-16
- Porsche 991.1 Carrera C4S / GTS 3.8L (400/430 Bhp) 2012-16
- Porsche 991.1 Turbo 3.8L (520 Bhp) 2014-16
- Porsche 991.1 Turbo S 3.8L (560 Bhp) 2014-16
- Porsche 991.2 Carrera 2 3.0L (370 Bhp) 2016-19
- Porsche 991.2 Carrera 2S / GTS 3.0L (420/450 Bhp) 2016-19
- Porsche 991.2 Carrera 4 3.0L (370 Bhp) 2016-19
- Porsche 991.2 Carrera 4S / GTS 3.0L (420/450 Bhp) 2016-19
- Porsche 991.2 Cabriolet 2 3.0L (370 Bhp) 2016-19
- Porsche 991.2 Cabriolet 2S / GTS 3.0L (420/450 Bhp) 2016-19
- Porsche 991.2 Cabriolet 4 3.0L (370 Bhp) 2016-19
- Porsche 991.2 Cabriolet 4S / GTS 3.0L (420/450 Bhp) 2016-19
- Porsche 991.2 Targa 4 3.0L (370 Bhp) 2016-19
- Porsche 991.2 Targa 4S / GTS 3.0L (420/450 Bhp) 2016-19
- Porsche 991.2 Turbo Coupe 3.8L (540 Bhp) 2016-19
- Porsche 991.2 Turbo S Coupe 3.8L (580 Bhp) 2016-19
- Porsche 991.2 Turbo Cabriolet 3.8L (540 Bhp) 2016-19
- Porsche 991.2 Turbo S Cabriolet 3.8L (580 Bhp) 2016-19
- Porsche 992.1 Carrera 2 3.0L 2019-24
- Porsche 992.1 Carrera 4 3.0L 2019-24
- Porsche 992.1 Carrera 2 Cabriolet 3.0L 2019-24
- Porsche 992.1 Carrera 4 Cabriolet 3.0L 2019-24
- Porsche 992.1 Carrera 2S / GTS 3.0L 2019-24
- Porsche 992.1 Carrera 4S / GTS 3.0L 2019-24
- Porsche 992.1 Carrera 2S / GTS Cabriolet 3.0L 2019-24
- Porsche 992.1 Carrera 4S / GTS Cabriolet 3.0L 2019-24
- Porsche 992.1 Targa 4 3.0L 2020-24
- Porsche 992.1 Targa 4S / GTS 3.0L 2020-24
- Porsche 992.1 Turbo 3.8L 2020-24
- Porsche 992.1 Turbo S 3.8L 2020-24
- Porsche 992.1 Turbo Cabriolet 3.8L 2020-24
- Porsche 992.1 Turbo S Cabriolet 3.8L 2020-24
- Porsche 992.1 (911) Sport Classic 3.8L 2023
- Porsche 992.1 (911) Dakar 3.0L 2023-24
- Porsche 992.2 Carrera 2 3.0L 2024>>
- Porsche 992.2 Carrera 2 GTS 3.6L 2024>>
- Porsche 992.2 Carrera 4 GTS 3.6L 2024>>
- Porsche 992.2 Carrera 2 3.0L Cabriolet 2024>>
- Porsche 992.2 Carrera 2 GTS 3.6L Cabriolet 2024>>
- Porsche 992.2 Carrera 4 GTS 3.6L Cabriolet 2024>>
- Porsche 992.2 Targa 4 GTS 3.6L 2024>>
- Porsche 992.2 Turbo 3.6L 2024>>
- Porsche Cayman 2.7L 987C 2006-08
- Porsche Cayman S 3.4L 987C 2005-08
- Porsche Cayman 2.9L 987C MKII 2009-12
- Porsche Cayman S / R 3.4L 987C MKII 2009-12
- Porsche Cayman 2.7L 981 2013-16
- Porsche Cayman S / GTS 3.4L 981 2013-16
- Porsche Cayman GT4 3.8L 2015-16
- Porsche Cayman 718 2.0L Manual (300 Bhp)
- Porsche Cayman 718 2.0L PDK (300 Bhp)
- Porsche Cayman S 718 2.5L Manual (350 Bhp)
- Porsche Cayman S 718 2.5L PDK (350 Bhp)
- Porsche Cayman T 718 2.0L Manual (300 Bhp)
- Porsche Cayman T 718 2.0L PDK (300 Bhp)
- Porsche Cayman GTS 718 2.5L Manual (365 Bhp)
- Porsche Cayman GTS 718 2.5L PDK (365 Bhp)
- Porsche Cayman GTS 718 4.0L Manual (400 Bhp)
- Porsche Cayman GTS 718 4.0L PDK (400 Bhp)
- Porsche Cayman GT4 718 4.0L / GT4 RS 718 4.0L
- Porsche 955 Cayenne S 4.5L V8 2003-06
- Porsche 955 Cayenne Turbo 4.5L 2003-06
- Porsche 955 Cayenne Turbo S 4.5L 2006>>
- Porsche 957 Cayenne 3.6L 2007-10
- Porsche 957 Cayenne S / GTS 4.8L 2007-10
- Porsche 957 Cayenne Turbo / Turbo S 4.8L 2007-10
- Porsche 958 Cayenne V6 3.6L Petrol (300Hp) 2010-17
- Porsche 958 Cayenne S V8 4.8L Petrol (400Hp) 2010-17
- Porsche 958 Cayenne GTS V8 4.8L Petrol (400Hp) 2010-17
- Porsche 958 Cayenne Turbo V8 4.8L Petrol (500Hp) 2010-17
- Porsche 958 Cayenne Turbo S V8 4.8L Petrol (550Hp) 2010-17
- Porsche 970.1 Panamera V6 3.6L 2WD 2009-13
- Porsche 970.1 Panamera 4 V6 3.6L 4WD 2009-13
- Porsche 970.1 Panamera S V8 4.8L 2009-13
- Porsche 970.1 Panamera 4S V8 4.8L 2009-13
- Porsche 970.1 Panamera GTS V8 4.8L 2011-13
- Porsche 970.1 Panamera Turbo V8 4.8L 2009-13
- Porsche 970.1 Panamera Turbo S V8 4.8L 2009-13
- Porsche 970.2 Panamera V6 3.6L 2WD (310Hp) 2014-16
- Porsche 970.2 Panamera 4 V6 3.6L 4WD (310Hp) 2014-16
- Porsche 970.2 Panamera S V6 Turbo 3.0L 2WD (420Hp) 2014-16
- Porsche 970.2 Panamera S V6 Turbo 3.0L 2WD Executive 2014-16
- Porsche 970.2 Panamera 4S V6 Turbo 3.0L 4WD (420Hp) 2014-16
- Porsche 970.2 Panamera 4S V6 Turbo 3.0L 4WD Executive 2014-16
- Porsche 970.2 Panamera GTS V8 4.8L 4WD (440Hp) 2014-16
- Porsche 970.2 Panamera Turbo V8 4.8L (520Hp) 2014-16
- Porsche 970.2 Panamera Turbo V8 Executive 2014-16
- Porsche 970.2 Panamera Turbo S V8 4.8L 2014-16
- Porsche 95B.1 Macan S Petrol 3.0L V6 (340Bhp) 2014-18
- Porsche 95B.1 Macan GTS Petrol 3.0L V6 (360Bhp) 2014-18
- Porsche 95B.1 Macan Turbo 3.6L V6 (400Bhp) 2014-18
Se adapta a:
Porsche 986 Boxster 2.5L 1997-99
Porsche 986 Boxster 2.7L 2000-04
Porsche 986 Boxster S 3.2L 2000-04
Porsche 987-1 Boxster 2.7L 2005-08
Porsche 987-1 Boxster S 3.4L 2005-08
Porsche 987-1 Caimán 2.7L 2005-08
Porsche 987-1 Caimán S 3.4L 2005-08
Porsche 987-2 Boxster 2.9L 2009-12
Porsche 987-2 Boxster S 3.4L 2009-12
Porsche 987-2 Boxster Spyder 3.4L 2011-12
Porsche 987-2 Caimán 2.9L 2009-12
Porsche 987-2 Caimán S 3.4L 2009-12
Porsche 987-2 Caimán R 3.4L 2012
Porsche 981 Boxster 2.7L 2012-16
Porsche 981 Boxster S 3.4L 2012-16
Porsche 981 Boxster GTS 3.4L 2015-16
Porsche 981 Boxster Spyder 3.8L 2016
Porsche 981 Caimán 2.7L 2014-16
Porsche 981 Caimán S 3.4L 2014-16
Porsche 981 Caimán GTS 3.4L 2014-16
Porsche 981 Caimán GT4 3.8L 2016
Porsche 718 (982) Boxster 2.0L 2017>>
Porsche 718 (982) Boxster T 2.0L 2020>>
Porsche 718 (982) Boxster S 2.5L 2017>>
Porsche 718 (982) Boxster GTS 2.5L 2018-19
Porsche 718 (982) Boxster GTS 4.0L 2019>>
Porsche 718 (982) Boxster Spyder 4.0L 2019>> - Excluye RS
Porsche 718 (982) Cayman 2.0L 2017>>
Porsche 718 (982) Cayman T 2.0L 2020>>
Porsche 718 (982) Cayman S 2.5L 2017>>
Porsche 718 (982) Cayman GTS 2.5L 2018-19
Porsche 718 (982) Cayman GTS 4.0L 2019>>
Porsche 718 (982) Cayman GT4 4.0L 2019>> - Excluye RS
Porsche 996-1 Carrera 3.4L 1998-01
Porsche 996-1 Carrera 4 3.4L 1999-01
Porsche 996-2 Carrera 3.6L 2002-04
Porsche 996-2 Carrera 4 3.6L 2002-04
Porsche 996-2 Carrera 4S 3.6L 2002-05
Porsche 996-2 Targa 3.6L 2002-04
Porsche 997-1 Carrera 3.6L 2005-08
Porsche 997-1 Carrera 4 3.6L 2006-08
Porsche 997-1 Carrera S 3.8L 2005-08
Porsche 997-1 Carrera 4S 3.8L 2006-08
Porsche 997-1 Targa 4 3.6L 2007-08
Porsche 997-1 Targa 4S 3.8L 2007-08
Porsche 997-2 Carrera 3.6L 2009-12
Porsche 997-2 Carrera 4 3.6L 2009-12
Porsche 997-2 Carrera S 3.8L 2009-12
Porsche 997-2 Carrera GTS 3.8L 2011-12
Porsche 997-2 Carrera 4 GTS 3.8L 2011-12
Porsche 997-2 Carrera 4S 3.8L 2009-12
Porsche 997-2 Targa 4 3.6L 2009-12
Porsche 997-2 Targa 4S 3.8L 2009-12
Porsche 997-2 Turbo/S 3.8L 2010-13
Porsche 991-1 Carrera 3.4L 2012-16
Porsche 991-1 Carrera 4 3.4L 2012-16
Porsche 991-1 Carrera S 3.8L 2012-16
Porsche 991-1 Carrera 4S 3.8L 2012-16
Porsche 991-1 Carrera GTS 3.8L 2015-16
Porsche 991-1 Carrera 4 GTS 3.8L 2016
Porsche 991-1 Targa 4 3.4L 2015-16
Porsche 991-1 Targa 4S 3.8L 2015-16
Porsche 991-1 Targa 4 GTS 3.8L 2015-16
Porsche 991-2 Carrera 3.0L 2017-19
Porsche 991-2 Carrera 4 3.0L 2017-19
Porsche 991-2 Carrera S 3.0L 2017-19
Porsche 991-2 Carrera 4S 3.0L 2017-19
Porsche 991-2 Carrera GTS 3.0L 2017-19
Porsche 991-2 Carrera 4 GTS 3.0L 2017-19
Porsche 991-2 Targa 3.0L 2017-19
Porsche 991-2 Targa 4 3.0L 2017-19
Porsche 991-2 Targa 4 GTS 3.0L 2017-19
Porsche 991-1 Turbo 3.8L 2014-16
Porsche 991-2 Turbo 3.8L 2017-20
Porsche 992-1 Carrera 3.0L 2019-24
Porsche 992-1 Carrera T 3.0L 2023-24
Porsche 992-1 Carrera S 3.0L 2019-24
Porsche 992-1 Carrera GTS 3.0L 2022-24
Porsche 992-1 Carrera 4 3.0L 2019-24
Porsche 992-1 Carrera 4S 3.0L 2019-24
Porsche 992-1 Carrera 4 GTS 3.0L 2022-24
Porsche 992-1 Targa 4 3.0L 2019-24
Porsche 992-1 Targa 4S 3.0L 2019-24
Porsche 992-1 Targa 4 GTS 3.0L 2022-24
Porsche 992-1 Turbo / S 3.7L 2020>>
Porsche 992-2 Carrera 3.0L 2024>>
Porsche 992-2 Carrera T 3.0L 2024>>
Porsche 992-2 Carrera S 3.0L 2024>>
Porsche 992-2 Carrera GTS T-Híbrido 3.6L 2024>>
Porsche 992-2 Carrera 4 GTS T-Híbrido 3.6L 2024>>
Porsche 955 Cayenne S 4.5L V8 2003-06
Porsche 955 Cayenne Turbo 4.5L V8 2003-06
Porsche 957 Cayenne S 4.8L V8 2007-10
Porsche 957 Cayenne GTS 4.8L V8 2008-10
Porsche 957 Cayenne Turbo 4.8L V8 2007-10
Porsche 958-1 Cayenne S 4.8L V8 2011-14
Porsche 958-1 Cayenne GTS 4.8L V8 2011-14
Porsche 958-1 Cayenne Turbo 4.8L V8 2011-14
Porsche 958-1 Cayenne Turbo S 4.8L V8 2011-14
Porsche 958-2 Cayenne S 3.6L V6 2015-18
Porsche 958-2 Cayenne GTS 3.6L V6 2015-18
Porsche 958-2 Cayenne Turbo 4.8L V8 2015-18
Porsche 958-2 Cayenne Turbo S 4.8L V8 2015-18
Porsche 970-1 Panamera 3.6L V6 2010-13
Porsche 970-1 Panamera 4 3.6L V6 2010-13
Porsche 970-1 Panamera S 4.8L V8 2010-13
Porsche 970-1 Panamera 4S 4.8L V8 2010-13
Porsche 970-1 Panamera GTS 4.8L V8 2013
Porsche 970-1 Panamera Turbo 4.8L V8 2010-13
Porsche 970-1 Panamera Turbo S 4.8L V8 2010-13
Porsche 970-2 Panamera 3.6L V6 2014-16
Porsche 970-2 Panamera 4 3.6L V6 2014-16
Porsche 970-2 Panamera S 3.0L V6 2014-16
Porsche 970-2 Panamera 4S 3.0L V6 2014-16
Porsche 970-2 Panamera GTS 4.8L V8 2014-16
Porsche 970-2 Panamera Turbo 4.8L 2014-16
Porsche 970-2 Panamera Turbo S 4.8L 2014-16
Porsche 95B-1 Macan S 3.0L V6 2014-18
Porsche 95B-1 Macan GTS 3.0L V6 2014-18
Porsche 95B-1 Macan Turbo 3.6L V6 2014-18
Diagrama ref. 5.
Números de referencia relacionados
Números relacionados, reemplazados, de referencia cruzada o alternativos para comparación.
0PB105249
El producto que está viendo hace referencia cruzada a estos números
- Porsche Boxster 986 2.5L 1997-99
- Porsche Boxster 986 2.7L 1999-02
- Porsche Boxster S 986 3.2L 1999-02
- Porsche Boxster 986 2.7L 2003-04
- Porsche Boxster S 986 3.2L 2003-04
- Porsche Boxster 987 2.7L 2005-08/08
- Porsche Boxster 987 S 3.2/3.4L 2005-08/08
- Porsche Boxster 987 MKII 2.9L 2009-12
- Porsche Boxster S 987 MKII 3.4L 2009-12
- Porsche Boxster 981 2.7L 2012-16
- Porsche Boxster 981 S / GTS 3.4L 2012-16
- Porsche Boxster 981 Spyder 3.8L 2016
- Porsche Boxster 718 2.0L Manual (300 Bhp) 2017>>
- Porsche Boxster 718 2.0L PDK (300 Bhp) 2017>>
- Porsche Boxster S 718 2.5L Manual (350 Bhp) 05/2017>>
- Porsche Boxster S 718 2.5L PDK (350 Bhp) 05/2017>>
- Porsche Boxster T 718 2.0L Manual (300 Bhp) 01/2019>>
- Porsche Boxster T 718 2.0L PDK (300 Bhp) 01/2019>>
- Porsche Boxster GTS 718 2.5L Manual (365 Bhp) 05/2017>>
- Porsche Boxster GTS 718 2.5L PDK (365 Bhp) 05/2017>>
- Porsche Boxster GTS 718 4.0L Manual (400 Bhp) 01/2019>>
- Porsche Boxster GTS 718 4.0L PDK (400 Bhp) 01/2019>>
- Porsche Boxster Spyder / Sypder RS 718 4.0L 01/2019>>
- Porsche Boxster 25 Years 718 4.0L Manual (400 Bhp) 01/2020>>
- Porsche Boxster 25 Years 718 4.0L PDK (400 Bhp) 01/2020>>
- Porsche 996 C2 3.4L 1997-08/01
- Porsche 996 C4 3.4L 1997-08/01
- Porsche 996 C2 3.6L 09/01-2005
- Porsche 996 C4 3.6L 09/01-2005
- Porsche 996 C4S 3.6L 09/01-2005
- Porsche 997 MK1 Carrera 2 3.6L 2005-08
- Porsche 997 MK1 Carrera 2S 3.8L 2005-08
- Porsche 997 MK1 Carrera 4 3.6L 2005-08
- Porsche 997 MK1 Carrera 4S 3.8L 2005-08
- Porsche 997 MKII Carrera C2 3.6L 2009-12
- Porsche 997 MKII Carrera C4 3.6L 2009-12
- Porsche 997 MKII Carrera C2S 3.8L 2009-12
- Porsche 997 MKII Carrera C4S 3.8L 2009-12
- Porsche 997 MKII Turbo 2010-13
- Porsche 991.1 Carrera C2 3.4L (350 Bhp) 2012-16
- Porsche 991.1 Carrera C2S / GTS 3.8L (400/430 Bhp) 2012-16
- Porsche 991.1 Carrera C4 3.4L (350 Bhp) 2012-16
- Porsche 991.1 Carrera C4S / GTS 3.8L (400/430 Bhp) 2012-16
- Porsche 991.1 Turbo 3.8L (520 Bhp) 2014-16
- Porsche 991.1 Turbo S 3.8L (560 Bhp) 2014-16
- Porsche 991.2 Carrera 2 3.0L (370 Bhp) 2016-19
- Porsche 991.2 Carrera 2S / GTS 3.0L (420/450 Bhp) 2016-19
- Porsche 991.2 Carrera 4 3.0L (370 Bhp) 2016-19
- Porsche 991.2 Carrera 4S / GTS 3.0L (420/450 Bhp) 2016-19
- Porsche 991.2 Cabriolet 2 3.0L (370 Bhp) 2016-19
- Porsche 991.2 Cabriolet 2S / GTS 3.0L (420/450 Bhp) 2016-19
- Porsche 991.2 Cabriolet 4 3.0L (370 Bhp) 2016-19
- Porsche 991.2 Cabriolet 4S / GTS 3.0L (420/450 Bhp) 2016-19
- Porsche 991.2 Targa 4 3.0L (370 Bhp) 2016-19
- Porsche 991.2 Targa 4S / GTS 3.0L (420/450 Bhp) 2016-19
- Porsche 991.2 Turbo Coupe 3.8L (540 Bhp) 2016-19
- Porsche 991.2 Turbo S Coupe 3.8L (580 Bhp) 2016-19
- Porsche 991.2 Turbo Cabriolet 3.8L (540 Bhp) 2016-19
- Porsche 991.2 Turbo S Cabriolet 3.8L (580 Bhp) 2016-19
- Porsche 992.1 Carrera 2 3.0L 2019-24
- Porsche 992.1 Carrera 4 3.0L 2019-24
- Porsche 992.1 Carrera 2 Cabriolet 3.0L 2019-24
- Porsche 992.1 Carrera 4 Cabriolet 3.0L 2019-24
- Porsche 992.1 Carrera 2S / GTS 3.0L 2019-24
- Porsche 992.1 Carrera 4S / GTS 3.0L 2019-24
- Porsche 992.1 Carrera 2S / GTS Cabriolet 3.0L 2019-24
- Porsche 992.1 Carrera 4S / GTS Cabriolet 3.0L 2019-24
- Porsche 992.1 Targa 4 3.0L 2020-24
- Porsche 992.1 Targa 4S / GTS 3.0L 2020-24
- Porsche 992.1 Turbo 3.8L 2020-24
- Porsche 992.1 Turbo S 3.8L 2020-24
- Porsche 992.1 Turbo Cabriolet 3.8L 2020-24
- Porsche 992.1 Turbo S Cabriolet 3.8L 2020-24
- Porsche 992.1 (911) Sport Classic 3.8L 2023
- Porsche 992.1 (911) Dakar 3.0L 2023-24
- Porsche 992.2 Carrera 2 3.0L 2024>>
- Porsche 992.2 Carrera 2 GTS 3.6L 2024>>
- Porsche 992.2 Carrera 4 GTS 3.6L 2024>>
- Porsche 992.2 Carrera 2 3.0L Cabriolet 2024>>
- Porsche 992.2 Carrera 2 GTS 3.6L Cabriolet 2024>>
- Porsche 992.2 Carrera 4 GTS 3.6L Cabriolet 2024>>
- Porsche 992.2 Targa 4 GTS 3.6L 2024>>
- Porsche 992.2 Turbo 3.6L 2024>>
- Porsche Cayman 2.7L 987C 2006-08
- Porsche Cayman S 3.4L 987C 2005-08
- Porsche Cayman 2.9L 987C MKII 2009-12
- Porsche Cayman S / R 3.4L 987C MKII 2009-12
- Porsche Cayman 2.7L 981 2013-16
- Porsche Cayman S / GTS 3.4L 981 2013-16
- Porsche Cayman GT4 3.8L 2015-16
- Porsche Cayman 718 2.0L Manual (300 Bhp)
- Porsche Cayman 718 2.0L PDK (300 Bhp)
- Porsche Cayman S 718 2.5L Manual (350 Bhp)
- Porsche Cayman S 718 2.5L PDK (350 Bhp)
- Porsche Cayman T 718 2.0L Manual (300 Bhp)
- Porsche Cayman T 718 2.0L PDK (300 Bhp)
- Porsche Cayman GTS 718 2.5L Manual (365 Bhp)
- Porsche Cayman GTS 718 2.5L PDK (365 Bhp)
- Porsche Cayman GTS 718 4.0L Manual (400 Bhp)
- Porsche Cayman GTS 718 4.0L PDK (400 Bhp)
- Porsche Cayman GT4 718 4.0L / GT4 RS 718 4.0L
- Porsche 955 Cayenne S 4.5L V8 2003-06
- Porsche 955 Cayenne Turbo 4.5L 2003-06
- Porsche 955 Cayenne Turbo S 4.5L 2006>>
- Porsche 957 Cayenne 3.6L 2007-10
- Porsche 957 Cayenne S / GTS 4.8L 2007-10
- Porsche 957 Cayenne Turbo / Turbo S 4.8L 2007-10
- Porsche 958 Cayenne V6 3.6L Petrol (300Hp) 2010-17
- Porsche 958 Cayenne S V8 4.8L Petrol (400Hp) 2010-17
- Porsche 958 Cayenne GTS V8 4.8L Petrol (400Hp) 2010-17
- Porsche 958 Cayenne Turbo V8 4.8L Petrol (500Hp) 2010-17
- Porsche 958 Cayenne Turbo S V8 4.8L Petrol (550Hp) 2010-17
- Porsche 970.1 Panamera V6 3.6L 2WD 2009-13
- Porsche 970.1 Panamera 4 V6 3.6L 4WD 2009-13
- Porsche 970.1 Panamera S V8 4.8L 2009-13
- Porsche 970.1 Panamera 4S V8 4.8L 2009-13
- Porsche 970.1 Panamera GTS V8 4.8L 2011-13
- Porsche 970.1 Panamera Turbo V8 4.8L 2009-13
- Porsche 970.1 Panamera Turbo S V8 4.8L 2009-13
- Porsche 970.2 Panamera V6 3.6L 2WD (310Hp) 2014-16
- Porsche 970.2 Panamera 4 V6 3.6L 4WD (310Hp) 2014-16
- Porsche 970.2 Panamera S V6 Turbo 3.0L 2WD (420Hp) 2014-16
- Porsche 970.2 Panamera S V6 Turbo 3.0L 2WD Executive 2014-16
- Porsche 970.2 Panamera 4S V6 Turbo 3.0L 4WD (420Hp) 2014-16
- Porsche 970.2 Panamera 4S V6 Turbo 3.0L 4WD Executive 2014-16
- Porsche 970.2 Panamera GTS V8 4.8L 4WD (440Hp) 2014-16
- Porsche 970.2 Panamera Turbo V8 4.8L (520Hp) 2014-16
- Porsche 970.2 Panamera Turbo V8 Executive 2014-16
- Porsche 970.2 Panamera Turbo S V8 4.8L 2014-16
- Porsche 95B.1 Macan S Petrol 3.0L V6 (340Bhp) 2014-18
- Porsche 95B.1 Macan GTS Petrol 3.0L V6 (360Bhp) 2014-18
- Porsche 95B.1 Macan Turbo 3.6L V6 (400Bhp) 2014-18
Se adapta a:
Porsche 986 Boxster 2.5L 1997-99
Porsche 986 Boxster 2.7L 2000-04
Porsche 986 Boxster S 3.2L 2000-04
Porsche 987-1 Boxster 2.7L 2005-08
Porsche 987-1 Boxster S 3.4L 2005-08
Porsche 987-1 Caimán 2.7L 2005-08
Porsche 987-1 Caimán S 3.4L 2005-08
Porsche 987-2 Boxster 2.9L 2009-12
Porsche 987-2 Boxster S 3.4L 2009-12
Porsche 987-2 Boxster Spyder 3.4L 2011-12
Porsche 987-2 Caimán 2.9L 2009-12
Porsche 987-2 Caimán S 3.4L 2009-12
Porsche 987-2 Caimán R 3.4L 2012
Porsche 981 Boxster 2.7L 2012-16
Porsche 981 Boxster S 3.4L 2012-16
Porsche 981 Boxster GTS 3.4L 2015-16
Porsche 981 Boxster Spyder 3.8L 2016
Porsche 981 Caimán 2.7L 2014-16
Porsche 981 Caimán S 3.4L 2014-16
Porsche 981 Caimán GTS 3.4L 2014-16
Porsche 981 Caimán GT4 3.8L 2016
Porsche 718 (982) Boxster 2.0L 2017>>
Porsche 718 (982) Boxster T 2.0L 2020>>
Porsche 718 (982) Boxster S 2.5L 2017>>
Porsche 718 (982) Boxster GTS 2.5L 2018-19
Porsche 718 (982) Boxster GTS 4.0L 2019>>
Porsche 718 (982) Boxster Spyder 4.0L 2019>> - Excluye RS
Porsche 718 (982) Cayman 2.0L 2017>>
Porsche 718 (982) Cayman T 2.0L 2020>>
Porsche 718 (982) Cayman S 2.5L 2017>>
Porsche 718 (982) Cayman GTS 2.5L 2018-19
Porsche 718 (982) Cayman GTS 4.0L 2019>>
Porsche 718 (982) Cayman GT4 4.0L 2019>> - Excluye RS
Porsche 996-1 Carrera 3.4L 1998-01
Porsche 996-1 Carrera 4 3.4L 1999-01
Porsche 996-2 Carrera 3.6L 2002-04
Porsche 996-2 Carrera 4 3.6L 2002-04
Porsche 996-2 Carrera 4S 3.6L 2002-05
Porsche 996-2 Targa 3.6L 2002-04
Porsche 997-1 Carrera 3.6L 2005-08
Porsche 997-1 Carrera 4 3.6L 2006-08
Porsche 997-1 Carrera S 3.8L 2005-08
Porsche 997-1 Carrera 4S 3.8L 2006-08
Porsche 997-1 Targa 4 3.6L 2007-08
Porsche 997-1 Targa 4S 3.8L 2007-08
Porsche 997-2 Carrera 3.6L 2009-12
Porsche 997-2 Carrera 4 3.6L 2009-12
Porsche 997-2 Carrera S 3.8L 2009-12
Porsche 997-2 Carrera GTS 3.8L 2011-12
Porsche 997-2 Carrera 4 GTS 3.8L 2011-12
Porsche 997-2 Carrera 4S 3.8L 2009-12
Porsche 997-2 Targa 4 3.6L 2009-12
Porsche 997-2 Targa 4S 3.8L 2009-12
Porsche 997-2 Turbo/S 3.8L 2010-13
Porsche 991-1 Carrera 3.4L 2012-16
Porsche 991-1 Carrera 4 3.4L 2012-16
Porsche 991-1 Carrera S 3.8L 2012-16
Porsche 991-1 Carrera 4S 3.8L 2012-16
Porsche 991-1 Carrera GTS 3.8L 2015-16
Porsche 991-1 Carrera 4 GTS 3.8L 2016
Porsche 991-1 Targa 4 3.4L 2015-16
Porsche 991-1 Targa 4S 3.8L 2015-16
Porsche 991-1 Targa 4 GTS 3.8L 2015-16
Porsche 991-2 Carrera 3.0L 2017-19
Porsche 991-2 Carrera 4 3.0L 2017-19
Porsche 991-2 Carrera S 3.0L 2017-19
Porsche 991-2 Carrera 4S 3.0L 2017-19
Porsche 991-2 Carrera GTS 3.0L 2017-19
Porsche 991-2 Carrera 4 GTS 3.0L 2017-19
Porsche 991-2 Targa 3.0L 2017-19
Porsche 991-2 Targa 4 3.0L 2017-19
Porsche 991-2 Targa 4 GTS 3.0L 2017-19
Porsche 991-1 Turbo 3.8L 2014-16
Porsche 991-2 Turbo 3.8L 2017-20
Porsche 992-1 Carrera 3.0L 2019-24
Porsche 992-1 Carrera T 3.0L 2023-24
Porsche 992-1 Carrera S 3.0L 2019-24
Porsche 992-1 Carrera GTS 3.0L 2022-24
Porsche 992-1 Carrera 4 3.0L 2019-24
Porsche 992-1 Carrera 4S 3.0L 2019-24
Porsche 992-1 Carrera 4 GTS 3.0L 2022-24
Porsche 992-1 Targa 4 3.0L 2019-24
Porsche 992-1 Targa 4S 3.0L 2019-24
Porsche 992-1 Targa 4 GTS 3.0L 2022-24
Porsche 992-1 Turbo / S 3.7L 2020>>
Porsche 992-2 Carrera 3.0L 2024>>
Porsche 992-2 Carrera T 3.0L 2024>>
Porsche 992-2 Carrera S 3.0L 2024>>
Porsche 992-2 Carrera GTS T-Híbrido 3.6L 2024>>
Porsche 992-2 Carrera 4 GTS T-Híbrido 3.6L 2024>>
Porsche 955 Cayenne S 4.5L V8 2003-06
Porsche 955 Cayenne Turbo 4.5L V8 2003-06
Porsche 957 Cayenne S 4.8L V8 2007-10
Porsche 957 Cayenne GTS 4.8L V8 2008-10
Porsche 957 Cayenne Turbo 4.8L V8 2007-10
Porsche 958-1 Cayenne S 4.8L V8 2011-14
Porsche 958-1 Cayenne GTS 4.8L V8 2011-14
Porsche 958-1 Cayenne Turbo 4.8L V8 2011-14
Porsche 958-1 Cayenne Turbo S 4.8L V8 2011-14
Porsche 958-2 Cayenne S 3.6L V6 2015-18
Porsche 958-2 Cayenne GTS 3.6L V6 2015-18
Porsche 958-2 Cayenne Turbo 4.8L V8 2015-18
Porsche 958-2 Cayenne Turbo S 4.8L V8 2015-18
Porsche 970-1 Panamera 3.6L V6 2010-13
Porsche 970-1 Panamera 4 3.6L V6 2010-13
Porsche 970-1 Panamera S 4.8L V8 2010-13
Porsche 970-1 Panamera 4S 4.8L V8 2010-13
Porsche 970-1 Panamera GTS 4.8L V8 2013
Porsche 970-1 Panamera Turbo 4.8L V8 2010-13
Porsche 970-1 Panamera Turbo S 4.8L V8 2010-13
Porsche 970-2 Panamera 3.6L V6 2014-16
Porsche 970-2 Panamera 4 3.6L V6 2014-16
Porsche 970-2 Panamera S 3.0L V6 2014-16
Porsche 970-2 Panamera 4S 3.0L V6 2014-16
Porsche 970-2 Panamera GTS 4.8L V8 2014-16
Porsche 970-2 Panamera Turbo 4.8L 2014-16
Porsche 970-2 Panamera Turbo S 4.8L 2014-16
Porsche 95B-1 Macan S 3.0L V6 2014-18
Porsche 95B-1 Macan GTS 3.0L V6 2014-18
Porsche 95B-1 Macan Turbo 3.6L V6 2014-18
Diagrama ref. 5.
Números de referencia relacionados
Números relacionados, reemplazados, de referencia cruzada o alternativos para comparación.
0PB105249
El producto que está viendo hace referencia cruzada a estos números
- Porsche Boxster 986 2.5L 1997-99
- Porsche Boxster 986 2.7L 1999-02
- Porsche Boxster S 986 3.2L 1999-02
- Porsche Boxster 986 2.7L 2003-04
- Porsche Boxster S 986 3.2L 2003-04
- Porsche Boxster 987 2.7L 2005-08/08
- Porsche Boxster 987 S 3.2/3.4L 2005-08/08
- Porsche Boxster 987 MKII 2.9L 2009-12
- Porsche Boxster S 987 MKII 3.4L 2009-12
- Porsche Boxster 981 2.7L 2012-16
- Porsche Boxster 981 S / GTS 3.4L 2012-16
- Porsche Boxster 981 Spyder 3.8L 2016
- Porsche Boxster 718 2.0L Manual (300 Bhp) 2017>>
- Porsche Boxster 718 2.0L PDK (300 Bhp) 2017>>
- Porsche Boxster S 718 2.5L Manual (350 Bhp) 05/2017>>
- Porsche Boxster S 718 2.5L PDK (350 Bhp) 05/2017>>
- Porsche Boxster T 718 2.0L Manual (300 Bhp) 01/2019>>
- Porsche Boxster T 718 2.0L PDK (300 Bhp) 01/2019>>
- Porsche Boxster GTS 718 2.5L Manual (365 Bhp) 05/2017>>
- Porsche Boxster GTS 718 2.5L PDK (365 Bhp) 05/2017>>
- Porsche Boxster GTS 718 4.0L Manual (400 Bhp) 01/2019>>
- Porsche Boxster GTS 718 4.0L PDK (400 Bhp) 01/2019>>
- Porsche Boxster Spyder / Sypder RS 718 4.0L 01/2019>>
- Porsche Boxster 25 Years 718 4.0L Manual (400 Bhp) 01/2020>>
- Porsche Boxster 25 Years 718 4.0L PDK (400 Bhp) 01/2020>>
- Porsche 996 C2 3.4L 1997-08/01
- Porsche 996 C4 3.4L 1997-08/01
- Porsche 996 C2 3.6L 09/01-2005
- Porsche 996 C4 3.6L 09/01-2005
- Porsche 996 C4S 3.6L 09/01-2005
- Porsche 997 MK1 Carrera 2 3.6L 2005-08
- Porsche 997 MK1 Carrera 2S 3.8L 2005-08
- Porsche 997 MK1 Carrera 4 3.6L 2005-08
- Porsche 997 MK1 Carrera 4S 3.8L 2005-08
- Porsche 997 MKII Carrera C2 3.6L 2009-12
- Porsche 997 MKII Carrera C4 3.6L 2009-12
- Porsche 997 MKII Carrera C2S 3.8L 2009-12
- Porsche 997 MKII Carrera C4S 3.8L 2009-12
- Porsche 997 MKII Turbo 2010-13
- Porsche 991.1 Carrera C2 3.4L (350 Bhp) 2012-16
- Porsche 991.1 Carrera C2S / GTS 3.8L (400/430 Bhp) 2012-16
- Porsche 991.1 Carrera C4 3.4L (350 Bhp) 2012-16
- Porsche 991.1 Carrera C4S / GTS 3.8L (400/430 Bhp) 2012-16
- Porsche 991.1 Turbo 3.8L (520 Bhp) 2014-16
- Porsche 991.1 Turbo S 3.8L (560 Bhp) 2014-16
- Porsche 991.2 Carrera 2 3.0L (370 Bhp) 2016-19
- Porsche 991.2 Carrera 2S / GTS 3.0L (420/450 Bhp) 2016-19
- Porsche 991.2 Carrera 4 3.0L (370 Bhp) 2016-19
- Porsche 991.2 Carrera 4S / GTS 3.0L (420/450 Bhp) 2016-19
- Porsche 991.2 Cabriolet 2 3.0L (370 Bhp) 2016-19
- Porsche 991.2 Cabriolet 2S / GTS 3.0L (420/450 Bhp) 2016-19
- Porsche 991.2 Cabriolet 4 3.0L (370 Bhp) 2016-19
- Porsche 991.2 Cabriolet 4S / GTS 3.0L (420/450 Bhp) 2016-19
- Porsche 991.2 Targa 4 3.0L (370 Bhp) 2016-19
- Porsche 991.2 Targa 4S / GTS 3.0L (420/450 Bhp) 2016-19
- Porsche 991.2 Turbo Coupe 3.8L (540 Bhp) 2016-19
- Porsche 991.2 Turbo S Coupe 3.8L (580 Bhp) 2016-19
- Porsche 991.2 Turbo Cabriolet 3.8L (540 Bhp) 2016-19
- Porsche 991.2 Turbo S Cabriolet 3.8L (580 Bhp) 2016-19
- Porsche 992.1 Carrera 2 3.0L 2019-24
- Porsche 992.1 Carrera 4 3.0L 2019-24
- Porsche 992.1 Carrera 2 Cabriolet 3.0L 2019-24
- Porsche 992.1 Carrera 4 Cabriolet 3.0L 2019-24
- Porsche 992.1 Carrera 2S / GTS 3.0L 2019-24
- Porsche 992.1 Carrera 4S / GTS 3.0L 2019-24
- Porsche 992.1 Carrera 2S / GTS Cabriolet 3.0L 2019-24
- Porsche 992.1 Carrera 4S / GTS Cabriolet 3.0L 2019-24
- Porsche 992.1 Targa 4 3.0L 2020-24
- Porsche 992.1 Targa 4S / GTS 3.0L 2020-24
- Porsche 992.1 Turbo 3.8L 2020-24
- Porsche 992.1 Turbo S 3.8L 2020-24
- Porsche 992.1 Turbo Cabriolet 3.8L 2020-24
- Porsche 992.1 Turbo S Cabriolet 3.8L 2020-24
- Porsche 992.1 (911) Sport Classic 3.8L 2023
- Porsche 992.1 (911) Dakar 3.0L 2023-24
- Porsche 992.2 Carrera 2 3.0L 2024>>
- Porsche 992.2 Carrera 2 GTS 3.6L 2024>>
- Porsche 992.2 Carrera 4 GTS 3.6L 2024>>
- Porsche 992.2 Carrera 2 3.0L Cabriolet 2024>>
- Porsche 992.2 Carrera 2 GTS 3.6L Cabriolet 2024>>
- Porsche 992.2 Carrera 4 GTS 3.6L Cabriolet 2024>>
- Porsche 992.2 Targa 4 GTS 3.6L 2024>>
- Porsche 992.2 Turbo 3.6L 2024>>
- Porsche Cayman 2.7L 987C 2006-08
- Porsche Cayman S 3.4L 987C 2005-08
- Porsche Cayman 2.9L 987C MKII 2009-12
- Porsche Cayman S / R 3.4L 987C MKII 2009-12
- Porsche Cayman 2.7L 981 2013-16
- Porsche Cayman S / GTS 3.4L 981 2013-16
- Porsche Cayman GT4 3.8L 2015-16
- Porsche Cayman 718 2.0L Manual (300 Bhp)
- Porsche Cayman 718 2.0L PDK (300 Bhp)
- Porsche Cayman S 718 2.5L Manual (350 Bhp)
- Porsche Cayman S 718 2.5L PDK (350 Bhp)
- Porsche Cayman T 718 2.0L Manual (300 Bhp)
- Porsche Cayman T 718 2.0L PDK (300 Bhp)
- Porsche Cayman GTS 718 2.5L Manual (365 Bhp)
- Porsche Cayman GTS 718 2.5L PDK (365 Bhp)
- Porsche Cayman GTS 718 4.0L Manual (400 Bhp)
- Porsche Cayman GTS 718 4.0L PDK (400 Bhp)
- Porsche Cayman GT4 718 4.0L / GT4 RS 718 4.0L
- Porsche 955 Cayenne S 4.5L V8 2003-06
- Porsche 955 Cayenne Turbo 4.5L 2003-06
- Porsche 955 Cayenne Turbo S 4.5L 2006>>
- Porsche 957 Cayenne S / GTS 4.8L 2007-10
- Porsche 957 Cayenne Turbo / Turbo S 4.8L 2007-10
- Porsche 958 Cayenne V6 3.6L Petrol (300Hp) 2010-17
- Porsche 958 Cayenne S V8 4.8L Petrol (400Hp) 2010-17
- Porsche 958 Cayenne GTS V8 4.8L Petrol (400Hp) 2010-17
- Porsche 958 Cayenne Turbo V8 4.8L Petrol (500Hp) 2010-17
- Porsche 958 Cayenne Turbo S V8 4.8L Petrol (550Hp) 2010-17
- Porsche 970.1 Panamera V6 3.6L 2WD 2009-13
- Porsche 970.1 Panamera 4 V6 3.6L 4WD 2009-13
- Porsche 970.1 Panamera S V8 4.8L 2009-13
- Porsche 970.1 Panamera 4S V8 4.8L 2009-13
- Porsche 970.1 Panamera GTS V8 4.8L 2011-13
- Porsche 970.1 Panamera Turbo V8 4.8L 2009-13
- Porsche 970.1 Panamera Turbo S V8 4.8L 2009-13
- Porsche 970.2 Panamera V6 3.6L 2WD (310Hp) 2014-16
- Porsche 970.2 Panamera 4 V6 3.6L 4WD (310Hp) 2014-16
- Porsche 970.2 Panamera S V6 Turbo 3.0L 2WD (420Hp) 2014-16
- Porsche 970.2 Panamera S V6 Turbo 3.0L 2WD Executive 2014-16
- Porsche 970.2 Panamera 4S V6 Turbo 3.0L 4WD (420Hp) 2014-16
- Porsche 970.2 Panamera 4S V6 Turbo 3.0L 4WD Executive 2014-16
- Porsche 970.2 Panamera GTS V8 4.8L 4WD (440Hp) 2014-16
- Porsche 970.2 Panamera Turbo V8 4.8L (520Hp) 2014-16
- Porsche 970.2 Panamera Turbo V8 Executive 2014-16
- Porsche 970.2 Panamera Turbo S V8 4.8L 2014-16
- Porsche 95B.1 Macan S Petrol 3.0L V6 (340Bhp) 2014-18
- Porsche 95B.1 Macan GTS Petrol 3.0L V6 (360Bhp) 2014-18
- Porsche 95B.1 Macan Turbo 3.6L V6 (400Bhp) 2014-18
-
crankcase left 997 GT3 M97.76 2007-09 101-05
-
crankcase left 997 GT3 / GT3 RS M97.77 2010-11 and 997 GT3 RS 4.0 M97.74 2011 101-06
-
crankcase right 997 GT3 M97.76 2007-09 101-10
-
crankcase right 997 GT3 / GT3 RS M97.77 2010-11 and 997 GT3 RS 4.0 M97.74 2011 101-11
-
oil supply return line 997 GT3 / GT3 RS M97.77 2010-11 and 997 GT3 RS 4.0 M97.74 2011 104-21
-
bomba de agua, carcasa de bomba de agua 997 GT3 / GT3 RS M97.77 2010-11 y 997 GT3 RS 4.0 M97.74 2011 105-01
-
Carcasa del cárter - A101, A102 - 997.2 Carrera 3.6L / 3.8L 2009-12 101-005
-
Cigüeñal - A101, A102 - 997.2 Carrera 3.6L / 3.8L 2009-12 102-000
-
Carcasa del cárter - A170 - 997.2 Turbo 3.8L 2010-13 101-005
-
Carcasa del cárter, izquierda - 9770 - 997.2 GT2 RS 3.6L 2010-11 101-007
-
Carcasa del cárter, derecha - 9970 - 997.2 GT2 RS 3.6L 2010-11 101-008
-
Cigüeñal - A170 - 997.2 TURBO 3.8L 2010-13 102-000
Piezas de precisión para el cárter: resistencia, equilibrio y fiabilidad para motores Porsche
El cárter constituye el núcleo de cada motor Porsche y alberga componentes giratorios clave como el cigüeñal, los cojinetes y las bielas. Proporciona rigidez estructural, contención de aceite y una alineación precisa de las piezas móviles del motor, lo que lo hace crucial tanto para el rendimiento como para la longevidad.
En Design911, ofrecemos una amplia gama de componentes de cárter diseñados con precisión, incluyendo cojinetes, sellos, válvulas de ventilación, pasadores, tapones y fijaciones, todos fabricados con tolerancias rigurosas. Cada pieza está fabricada con materiales de alta resistencia y resistentes al calor para garantizar una larga durabilidad y un rendimiento óptimo en las condiciones de conducción más exigentes.
Ya sea que esté restaurando un 911 refrigerado por aire o realizando el mantenimiento de un 992 moderno, nuestras piezas de cárter con calidad de fabricante garantizan un ajuste perfecto, un sellado hermético y un rendimiento confiable durante los próximos años.
¿Qué función cumplen las piezas del cárter?
Los componentes del cárter desempeñan funciones estructurales y de lubricación vitales dentro del motor, protegiendo las piezas internas y manteniendo el equilibrio de presión.
Funciones principales:
- Aloja y soporta el cigüeñal, las bielas y los cojinetes.
- Contener y distribuir aceite para lubricar componentes móviles.
- Mantener la rigidez estructural para evitar vibraciones y desalineaciones.
- Controle la ventilación del cárter para reducir la contaminación del aceite y la acumulación de presión.
Tanto en los motores Porsche clásicos como en los de alto rendimiento, el cárter garantiza estabilidad, rotación suave y gestión confiable del aceite, clave para lograr una potencia constante y un desgaste reducido.
¿Por qué fallan las piezas del cárter?
Con el tiempo, los componentes del cárter pueden degradarse debido a los ciclos de calor, la vibración, la contaminación del aceite y la fatiga mecánica. Si se descuidan, estas fallas pueden provocar fugas de aceite, desequilibrios de presión e incluso daños catastróficos en el motor.
Las causas comunes de falla incluyen:
- Desgaste del sello de aceite que provoca fugas y pérdida de presión.
- Fatiga del cojinete debido a cargas elevadas prolongadas o baja presión de aceite.
- Superficies deformadas debido al sobrecalentamiento o la corrosión.
- Válvulas de ventilación obstruidas que provocan acumulación de presión y fuga de aceite.
- Fatiga de los sujetadores que provoca aflojamiento estructural o vibración.
Reemplazar las piezas desgastadas del cárter durante un intervalo de reconstrucción o mantenimiento del motor es esencial para preservar el control del aceite, la alineación y la integridad del cigüeñal.
¿Por qué reemplazarlo con piezas de cárter diseñadas con precisión?
Los componentes del cárter de alta calidad garantizan que el motor de su Porsche conserve su resistencia, capacidad de sellado y alineación precisa, esenciales para el rendimiento, la confiabilidad y la longevidad.
Beneficios clave:
- Restaura la alineación interna para una rotación suave del cigüeñal.
- Previene fugas de aceite y pérdida de presión , manteniendo el rendimiento del motor.
- Mejora el control de la lubricación y la vida útil de los rodamientos.
- Reduce la vibración y el ruido causados por componentes desgastados o sueltos.
- Fabricado con materiales resistentes a la corrosión y al calor para una resistencia duradera.
- Ajuste y tolerancia perfectos para motores Porsche refrigerados por aire y por agua .
Los ingenieros y restauradores confían en las piezas de precisión del cárter para mantener la legendaria confiabilidad y el equilibrio mecánico de Porsche, ya sea en la carretera o en la pista.
Reflejos:
- Amplia gama de sellos de cárter, cojinetes, pernos y componentes de ventilación.
- Piezas mecanizadas con precisión diseñadas para un rendimiento en condiciones de alta carga y alta temperatura.
- Materiales y tolerancias de calidad del fabricante.
- Perfecto para restauraciones de motores clásicos y reconstrucciones de alto rendimiento.
- Mejora la gestión del aceite, la rigidez estructural y la confiabilidad.
- Compatible con arquitecturas de motores Porsche modernos y refrigerados por aire.