Introduzca aquí su número de identificación fiscal (NIF o VAT number) y haga clic en Verificar:
No necesita incluir el código de país de su NIF, dado que ya lo ha indicado antes en su dirección de facturación.
Se han verificado sus datos. NIF registrado a nombre de:
###NUEVO MÉJICO###,
.
Su pedido cuenta ahora con una tasa cero a efectos de IVA. Nos reservamos el derecho a verificar estos datos después de que haya solicitado su pedido y a restablecer el IVA si fuese necesario.
Sus datos de identificación fiscal no han sido reconocidos o no son válidos. Su NIF debe coincidir con el país de facturación que especificó anteriormente. Actualmente se ha especificado como . No necesita incluir el código de país de su NIF, do que ya lo ha indicado antes en los datos de su dirección de facturación.
El servicio de verificación de NIF no está disponible en este momento. Le rogamos que indique sus datos del NIF en los comentarios e en el cuadro de instrucciones especiales que encontrará abajo y le aplicaremos un descuento en el IVA tras realizar su solicitud de pedido.
Brazo de suspensión TRASEROS
Se requiere 1 kit por automóvil

Encaja:
Porsche 981 Boxster - Sólo delantero
Porsche 981 Cayman - Sólo delantero
Porsche 991 - Sólo delantero
Porsche 982 (718) Cayman / Boxster Solo delantero
Hay que cambiar el casquillo central del brazo de suspensión para alojar el brazo de la horquilla. (comprado por separado)
Los brazos de las ruedas Elephant Racing brindan ruedas ajustables y capacidad anti-inmersión cuando se usan en la parte delantera.
Suspensión delantera
El doble regulador roscado facilita la extensión o acortamiento del brazo.
Esto facilita el ajuste de las ruedas, un ajuste importante que la fábrica omitió. Imprescindible para automóviles con brazos de control inferiores extensibles estilo GT3 para corregir el aumento involuntario de las ruedas causado por los LCA extendidos.
También se puede ajustar el comportamiento anti-inmersión . Bajar la parte delantera del brazo utilizando los espaciadores proporcionados reduce la caída frontal al frenar. Ajustable en incrementos de 2 mm.
Totalmente sellado contra la intemperie : las botas adecuadas en la junta heim mantienen el agua y los contaminantes fuera para prolongar su vida útil.
Números de referencia relacionados
Números relacionados, reemplazados, de referencia cruzada o alternativos para comparación.
2180032
El producto que está viendo hace referencia cruzada a estos números
- Porsche Boxster 981 2.7L 2012-16
- Porsche Boxster 981 S / GTS 3.4L 2012-16
- Porsche Boxster 981 Spyder 3.8L 2016
- Porsche Boxster 718 2.0L Manual (300 Bhp)
- Porsche Boxster 718 2.0L PDK (300 Bhp)
- Porsche Boxster S 718 2.5L Manual (350 Bhp)
- Porsche Boxster S 718 2.5L PDK (350 Bhp)
- Porsche Boxster T 718 2.0L Manual (300 Bhp)
- Porsche Boxster T 718 2.0L PDK (300 Bhp)
- Porsche Boxster GTS 718 2.5L Manual (365 Bhp)
- Porsche Boxster GTS 718 2.5L PDK (365 Bhp)
- Porsche Boxster GTS 718 4.0L Manual (400 Bhp)
- Porsche Boxster GTS 718 4.0L PDK (400 Bhp)
- Porsche Boxster Spyder 718 4.0L (420 Bhp)
- Porsche Boxster 25 Years 718 4.0L Manual (400 Bhp)
- Porsche Boxster 25 Years 718 4.0L PDK (400 Bhp)
- Porsche 991.1 Carrera C2 3.4L (350Bhp) 2012-16
- Porsche 991.1 Carrera C2S 3.8L (400Bhp) 2012-16
- Porsche 991.1 Carrera C4 3.4L (350Bhp) 2012-16
- Porsche 991.1 Carrera C4S 3.8L (400Bhp) 2012-16
- Porsche 991.1 Turbo 3.8L (520bhp) 2014-16
- Porsche 991.1 Turbo S 3.8L (560Bhp) 2014-16
- Porsche 991.2 Carrera 2 3.0L (370 Bhp) 2016-19
- Porsche 991.2 Carrera 2S 3.0L (420 Bhp) 2016-19
- Porsche 991.2 Carrera 4 3.0L (370 Bhp) 2016-19
- Porsche 991.2 Carrera 4S 3.0L (420 Bhp) 2016-19
- Porsche 991.2 Cabriolet 2 3.0L (370 Bhp) 2016-19
- Porsche 991.2 Cabriolet 2S 3.0L (420 Bhp) 2016-19
- Porsche 991.2 Cabriolet 4 3.0L (370 Bhp) 2016-19
- Porsche 991.2 Cabriolet 4S 3.0L (420 Bhp) 2016-19
- Porsche 991.2 Targa 4 3.0L (370 Bhp) 2016-19
- Porsche 991.2 Targa 4S 3.0L (420 Bhp) 2016-19
- Porsche 991.2 Turbo Coupe 3.8L (540 Bhp) 2016-19
- Porsche 991.2 Turbo S Coupe 3.8L (580 Bhp) 2016-19
- Porsche 991.2 Turbo Cabriolet 3.8L (540 Bhp) 2016-19
- Porsche 991.2 Turbo S Cabriolet 3.8L (580 Bhp) 2016-19
- Porsche Cayman 2.7L 981 2013-16
- Porsche Cayman S / GTS 3.4L 981 2013-16
- Porsche Cayman 718 2.0L Manual (300Bhp)
- Porsche Cayman 718 2.0L PDK (300Bhp)
- Porsche Cayman S 718 2.5L Manual (350Bhp)
- Porsche Cayman S 718 2.5L PDK (350Bhp)
- Porsche Cayman T 718 2.0L Manual (300Bhp)
- Porsche Cayman T 718 2.0L PDK (300 Bhp)
- Porsche Cayman GTS 718 2.5L Manual (365 Bhp)
- Porsche Cayman GTS 718 2.5L PDK (365 Bhp)
- Porsche Cayman GTS 718 4.0L Manual (400 Bhp)
- Porsche Cayman GTS 718 4.0L PDK (400 Bhp)
- Porsche Cayman GT4 718 4.0L / GT4 RS 718 4.0L
Se requiere 1 par por auto
#rastreo de elefantes #
Encaja
Porsche 991 2012 en adelante - solo trasero
Hemos desarrollado la horquilla trasera ajustable 991 para proporcionar la inclinación y la precisión que necesita. Mecanizados a partir de aluminio billet, anodizados duros y completamente sellados contra la intemperie, estos brazos son lo suficientemente fuertes para la pista y lo suficientemente duraderos para un uso prolongado en la calle.
Fácil ajuste de inclinación: el ajustador doble realiza cambios de inclinación rápidos y precisos en minutos. Marcar en su auto de carrera o agregar camber para el día de pista ocasional ahora es una operación simple.
Rango de inclinación: el rango extendido de ajuste le permite obtener una inclinación agresiva. O puede volver a marcarlo para obtener una alineación de calles de fábrica en automóviles reducidos.
Detalle de la horquilla inferior trasera ajustable Porsche 991
Articulación Heim : elimina la deflexión de la suspensión asociada con la compresión del caucho. Para lograr una precisión de conducción superior, se utilizan juntas de cojinete esférico tipo Heim en lugar de los casquillos de goma que se encuentran en los brazos de control OEM. Los brazos son completamente reconstruibles con juntas de heim reemplazables.
Totalmente sellado contra la intemperie: la funda de goma protege la unión del heim para evitar la entrada de agua y contaminantes durante una vida útil prolongada.
El kit incluye los dos brazos inferiores traseros. Ordene un kit por auto
Números de referencia relacionados
Números relacionados, reemplazados, de referencia cruzada o alternativos para comparación.
2180012
El producto que está viendo hace referencia cruzada a estos números
- Porsche 991.1 Carrera C2 3.4L (350Bhp) 2012-16
- Porsche 991.1 Carrera C2S 3.8L (400Bhp) 2012-16
- Porsche 991.1 Carrera C4 3.4L (350Bhp) 2012-16
- Porsche 991.1 Carrera C4S 3.8L (400Bhp) 2012-16
- Porsche 991.1 Turbo 3.8L (520bhp) 2014-16
- Porsche 991.1 Turbo S 3.8L (560Bhp) 2014-16
- Porsche 991.2 Carrera 2 3.0L (370 Bhp) 2016-19
- Porsche 991.2 Carrera 2S 3.0L (420 Bhp) 2016-19
- Porsche 991.2 Carrera 4 3.0L (370 Bhp) 2016-19
- Porsche 991.2 Carrera 4S 3.0L (420 Bhp) 2016-19
- Porsche 991.2 Cabriolet 2 3.0L (370 Bhp) 2016-19
- Porsche 991.2 Cabriolet 2S 3.0L (420 Bhp) 2016-19
- Porsche 991.2 Cabriolet 4 3.0L (370 Bhp) 2016-19
- Porsche 991.2 Cabriolet 4S 3.0L (420 Bhp) 2016-19
- Porsche 991.2 Targa 4 3.0L (370 Bhp) 2016-19
- Porsche 991.2 Targa 4S 3.0L (420 Bhp) 2016-19
- Porsche 991.2 Turbo Coupe 3.8L (540 Bhp) 2016-19
- Porsche 991.2 Turbo S Coupe 3.8L (580 Bhp) 2016-19
- Porsche 991.2 Turbo Cabriolet 3.8L (540 Bhp) 2016-19
- Porsche 991.2 Turbo S Cabriolet 3.8L (580 Bhp) 2016-19

Encaja:
Porsche 991.1 2016 >> (Autos producidos a partir de la semana 45 en adelante)
Porsche 991.2 2017>>
Porsche 991 Turbo 2016>> (Automóviles producidos a partir de la semana 45 en adelante)
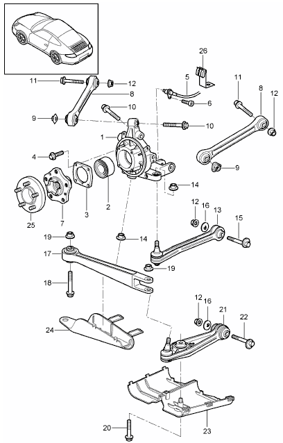
Haga clic en 'Acercar' para ver el diagrama de piezas grandes.
Diagrama ref no 20
Números de referencia relacionados
Números relacionados, reemplazados, de referencia cruzada o alternativos para comparación.
99133104
El producto que está viendo hace referencia cruzada a estos números
- Porsche 991.1 Carrera C2 3.4L (350Bhp) 2012-16
- Porsche 991.1 Carrera C2S 3.8L (400Bhp) 2012-16
- Porsche 991.1 Carrera C4 3.4L (350Bhp) 2012-16
- Porsche 991.1 Carrera C4S 3.8L (400Bhp) 2012-16
- Porsche 991.1 Turbo 3.8L (520bhp) 2014-16
- Porsche 991.1 Turbo S 3.8L (560Bhp) 2014-16
- Porsche 991.2 Carrera 2 3.0L (370 Bhp) 2016-19
- Porsche 991.2 Carrera 2S 3.0L (420 Bhp) 2016-19
- Porsche 991.2 Carrera 4 3.0L (370 Bhp) 2016-19
- Porsche 991.2 Carrera 4S 3.0L (420 Bhp) 2016-19
- Porsche 991.2 Cabriolet 2 3.0L (370 Bhp) 2016-19
- Porsche 991.2 Cabriolet 2S 3.0L (420 Bhp) 2016-19
- Porsche 991.2 Cabriolet 4 3.0L (370 Bhp) 2016-19
- Porsche 991.2 Cabriolet 4S 3.0L (420 Bhp) 2016-19
- Porsche 991.2 Targa 4 3.0L (370 Bhp) 2016-19
- Porsche 991.2 Targa 4S 3.0L (420 Bhp) 2016-19
- Porsche 991.2 Turbo Coupe 3.8L (540 Bhp) 2016-19
- Porsche 991.2 Turbo S Coupe 3.8L (580 Bhp) 2016-19
- Porsche 991.2 Turbo Cabriolet 3.8L (540 Bhp) 2016-19
- Porsche 991.2 Turbo S Cabriolet 3.8L (580 Bhp) 2016-19

Encaja:
Porsche 991.1 2012-16
Porsche 991.2 2017>>
Porsche 991 Turbo 2014>>
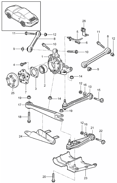
Haga clic en 'Acercar' para ver el diagrama de piezas grandes.
Diagrama ref no 14
Números de referencia relacionados
Números relacionados, reemplazados, de referencia cruzada o alternativos para comparación.
99133106104
El producto que está viendo hace referencia cruzada a estos números
- Porsche 991.1 Carrera C2 3.4L (350Bhp) 2012-16
- Porsche 991.1 Carrera C2S 3.8L (400Bhp) 2012-16
- Porsche 991.1 Carrera C4 3.4L (350Bhp) 2012-16
- Porsche 991.1 Carrera C4S 3.8L (400Bhp) 2012-16
- Porsche 991.1 Turbo 3.8L (520bhp) 2014-16
- Porsche 991.1 Turbo S 3.8L (560Bhp) 2014-16
- Porsche 991.2 Carrera 2 3.0L (370 Bhp) 2016-19
- Porsche 991.2 Carrera 2S 3.0L (420 Bhp) 2016-19
- Porsche 991.2 Carrera 4 3.0L (370 Bhp) 2016-19
- Porsche 991.2 Carrera 4S 3.0L (420 Bhp) 2016-19
- Porsche 991.2 Cabriolet 2 3.0L (370 Bhp) 2016-19
- Porsche 991.2 Cabriolet 2S 3.0L (420 Bhp) 2016-19
- Porsche 991.2 Cabriolet 4 3.0L (370 Bhp) 2016-19
- Porsche 991.2 Cabriolet 4S 3.0L (420 Bhp) 2016-19
- Porsche 991.2 Targa 4 3.0L (370 Bhp) 2016-19
- Porsche 991.2 Targa 4S 3.0L (420 Bhp) 2016-19
- Porsche 991.2 Turbo Coupe 3.8L (540 Bhp) 2016-19
- Porsche 991.2 Turbo S Coupe 3.8L (580 Bhp) 2016-19
- Porsche 991.2 Turbo Cabriolet 3.8L (540 Bhp) 2016-19
- Porsche 991.2 Turbo S Cabriolet 3.8L (580 Bhp) 2016-19

Encaja:
Porsche 991,1 2012-16
Porsche 991.2 2017>>
Porsche 991 Turbo 2014>>
Porsche 992 Carrera 2019>>
Para automóviles con eje trasero estándar (código de opción: 0N1)
Porsche 992 Turbo 2020>>
Para automóviles con eje trasero estándar (código de opción: 0N5)
Haga clic en 'Acercar' para ver un diagrama de piezas grandes.
Diagrama de referencia nº 13
Números de referencia relacionados
Números relacionados, reemplazados, de referencia cruzada o alternativos para comparación.
9P1505237B
El producto que está viendo hace referencia cruzada a estos números
- Porsche 991.1 Carrera C2 3.4L (350Bhp) 2012-16
- Porsche 991.1 Carrera C2S 3.8L (400Bhp) 2012-16
- Porsche 991.1 Carrera C4 3.4L (350Bhp) 2012-16
- Porsche 991.1 Carrera C4S 3.8L (400Bhp) 2012-16
- Porsche 991.1 Turbo 3.8L (520bhp) 2014-16
- Porsche 991.1 Turbo S 3.8L (560Bhp) 2014-16
- Porsche 991.1 R 4.0L (500 Bhp) 2016
- Porsche 991.1 GT3 3.8L (475Bhp) 2014-16
- Porsche 991.1 GT3 RS 4.0L (500Bhp) 2015-16
- Porsche 991.2 Carrera 2 3.0L (370 Bhp) 2016-19
- Porsche 991.2 Carrera 2S 3.0L (420 Bhp) 2016-19
- Porsche 991.2 Carrera 4 3.0L (370 Bhp) 2016-19
- Porsche 991.2 Carrera 4S 3.0L (420 Bhp) 2016-19
- Porsche 991.2 Cabriolet 2 3.0L (370 Bhp) 2016-19
- Porsche 991.2 Cabriolet 2S 3.0L (420 Bhp) 2016-19
- Porsche 991.2 Cabriolet 4 3.0L (370 Bhp) 2016-19
- Porsche 991.2 Cabriolet 4S 3.0L (420 Bhp) 2016-19
- Porsche 991.2 Targa 4 3.0L (370 Bhp) 2016-19
- Porsche 991.2 Targa 4S 3.0L (420 Bhp) 2016-19
- Porsche 991.2 Turbo Coupe 3.8L (540 Bhp) 2016-19
- Porsche 991.2 Turbo S Coupe 3.8L (580 Bhp) 2016-19
- Porsche 991.2 Turbo Cabriolet 3.8L (540 Bhp) 2016-19
- Porsche 991.2 Turbo S Cabriolet 3.8L (580 Bhp) 2016-19
- Porsche 991.2 GT2 RS 3.8L PDK (700 bhp) 2018-19
- Porsche 992.1 Carrera 2 3.0L 2019-24
- Porsche 992.1 Carrera 4 3.0L 2019-24
- Porsche 992.1 Carrera 2 Cabriolet 3.0L 2019-24
- Porsche 992.1 Carrera 4 Cabriolet 3.0L 2019-24
- Porsche 992.1 Carrera 2S / GTS 3.0L 2019-24
- Porsche 992.1 Carrera 4S / GTS 3.0L 2019-24
- Porsche 992.1 Carrera 2S / GTS Cabriolet 3.0L 2019-24
- Porsche 992.1 Carrera 4S / GTS Cabriolet 3.0L 2019-24
- Porsche 992.1 Targa 4 3.0L 2020-24
- Porsche 992.1 Targa 4S / GTS 3.0L 2020-24
- Porsche 992.1 Turbo 3.8L 2020-24
- Porsche 992.1 Turbo S 3.8L 2020-24
- Porsche 992.1 Turbo Cabriolet 3.8L 2020-24
- Porsche 992.1 Turbo S Cabriolet 3.8L 2020-24

Encaja:
Porsche 991,1 2012-16
Porsche 991.2 2017>>
Porsche 991 Turbo 2014>>
Porsche 992 Carrera 2019>>
Para automóviles con eje trasero estándar (código de opción: 0N1)
Porsche 992 Turbo 2020>>
Para automóviles con eje trasero estándar (código de opción: 0N5)
Haga clic en 'Acercar' para ver un diagrama de piezas grandes.
Diagrama de referencia nº 13
Números de referencia relacionados
Números relacionados, reemplazados, de referencia cruzada o alternativos para comparación.
9P1505237B
El producto que está viendo hace referencia cruzada a estos números
- Porsche 991.1 Carrera C2 3.4L (350Bhp) 2012-16
- Porsche 991.1 Carrera C2S 3.8L (400Bhp) 2012-16
- Porsche 991.1 Carrera C4 3.4L (350Bhp) 2012-16
- Porsche 991.1 Carrera C4S 3.8L (400Bhp) 2012-16
- Porsche 991.1 Turbo 3.8L (520bhp) 2014-16
- Porsche 991.1 Turbo S 3.8L (560Bhp) 2014-16
- Porsche 991.2 Carrera 2 3.0L (370 Bhp) 2016-19
- Porsche 991.2 Carrera 2S 3.0L (420 Bhp) 2016-19
- Porsche 991.2 Carrera 4 3.0L (370 Bhp) 2016-19
- Porsche 991.2 Carrera 4S 3.0L (420 Bhp) 2016-19
- Porsche 991.2 Cabriolet 2 3.0L (370 Bhp) 2016-19
- Porsche 991.2 Cabriolet 2S 3.0L (420 Bhp) 2016-19
- Porsche 991.2 Cabriolet 4 3.0L (370 Bhp) 2016-19
- Porsche 991.2 Cabriolet 4S 3.0L (420 Bhp) 2016-19
- Porsche 991.2 Targa 4 3.0L (370 Bhp) 2016-19
- Porsche 991.2 Targa 4S 3.0L (420 Bhp) 2016-19
- Porsche 991.2 Turbo Coupe 3.8L (540 Bhp) 2016-19
- Porsche 991.2 Turbo S Coupe 3.8L (580 Bhp) 2016-19
- Porsche 991.2 Turbo Cabriolet 3.8L (540 Bhp) 2016-19
- Porsche 991.2 Turbo S Cabriolet 3.8L (580 Bhp) 2016-19
- Porsche 992.1 Carrera 2 3.0L 2019-24
- Porsche 992.1 Carrera 4 3.0L 2019-24
- Porsche 992.1 Carrera 2 Cabriolet 3.0L 2019-24
- Porsche 992.1 Carrera 4 Cabriolet 3.0L 2019-24
- Porsche 992.1 Carrera 2S / GTS 3.0L 2019-24
- Porsche 992.1 Carrera 4S / GTS 3.0L 2019-24
- Porsche 992.1 Carrera 2S / GTS Cabriolet 3.0L 2019-24
- Porsche 992.1 Carrera 4S / GTS Cabriolet 3.0L 2019-24
- Porsche 992.1 Targa 4 3.0L 2020-24
- Porsche 992.1 Targa 4S / GTS 3.0L 2020-24
- Porsche 992.1 Turbo 3.8L 2020-24
- Porsche 992.1 Turbo S 3.8L 2020-24
- Porsche 992.1 Turbo Cabriolet 3.8L 2020-24
- Porsche 992.1 Turbo S Cabriolet 3.8L 2020-24
Se adapta a:
Porsche 991.1 2012-16
Porsche 991.2 2017>>
Porsche 991 Turbo 2014>>
Porsche 992 Carrera 2019>>
Para vehículos con eje trasero estándar (código de opción: 0N1)
Porsche 992 Turbo 2020 >>
Para vehículos con eje trasero estándar (código de opción: 0N5)
Haga clic en “Ampliar” para ver un diagrama de piezas grande.
Diagrama ref n° 13
Números de referencia relacionados
Números relacionados, reemplazados, de referencia cruzada o alternativos para comparación.
9P1505237B
El producto que está viendo hace referencia cruzada a estos números
- Porsche 991.1 Carrera C2 3.4L (350Bhp) 2012-16
- Porsche 991.1 Carrera C2S 3.8L (400Bhp) 2012-16
- Porsche 991.1 Carrera C4 3.4L (350Bhp) 2012-16
- Porsche 991.1 Carrera C4S 3.8L (400Bhp) 2012-16
- Porsche 991.1 Turbo 3.8L (520bhp) 2014-16
- Porsche 991.1 Turbo S 3.8L (560Bhp) 2014-16
- Porsche 991.2 Carrera 2 3.0L (370 Bhp) 2016-19
- Porsche 991.2 Carrera 2S 3.0L (420 Bhp) 2016-19
- Porsche 991.2 Carrera 4 3.0L (370 Bhp) 2016-19
- Porsche 991.2 Carrera 4S 3.0L (420 Bhp) 2016-19
- Porsche 991.2 Cabriolet 2 3.0L (370 Bhp) 2016-19
- Porsche 991.2 Cabriolet 2S 3.0L (420 Bhp) 2016-19
- Porsche 991.2 Cabriolet 4 3.0L (370 Bhp) 2016-19
- Porsche 991.2 Cabriolet 4S 3.0L (420 Bhp) 2016-19
- Porsche 991.2 Targa 4 3.0L (370 Bhp) 2016-19
- Porsche 991.2 Targa 4S 3.0L (420 Bhp) 2016-19
- Porsche 991.2 Turbo Coupe 3.8L (540 Bhp) 2016-19
- Porsche 991.2 Turbo S Coupe 3.8L (580 Bhp) 2016-19
- Porsche 991.2 Turbo Cabriolet 3.8L (540 Bhp) 2016-19
- Porsche 991.2 Turbo S Cabriolet 3.8L (580 Bhp) 2016-19
- Porsche 992.1 Carrera 2 3.0L 2019-24
- Porsche 992.1 Carrera 4 3.0L 2019-24
- Porsche 992.1 Carrera 2 Cabriolet 3.0L 2019-24
- Porsche 992.1 Carrera 4 Cabriolet 3.0L 2019-24
- Porsche 992.1 Carrera 2S / GTS 3.0L 2019-24
- Porsche 992.1 Carrera 4S / GTS 3.0L 2019-24
- Porsche 992.1 Carrera 2S / GTS Cabriolet 3.0L 2019-24
- Porsche 992.1 Carrera 4S / GTS Cabriolet 3.0L 2019-24
- Porsche 992.1 Targa 4 3.0L 2020-24
- Porsche 992.1 Targa 4S / GTS 3.0L 2020-24
- Porsche 992.1 Turbo 3.8L 2020-24
- Porsche 992.1 Turbo S 3.8L 2020-24
- Porsche 992.1 Turbo Cabriolet 3.8L 2020-24
- Porsche 992.1 Turbo S Cabriolet 3.8L 2020-24
Se vende individualmente; se adapta al lado izquierdo o derecho.

Porsche 991 Carrera 2012-19
Porsche 991 Turbo 2014-2020 - Excluye GT2
Porsche 992-1 Carrera 2019-24
Porsche 992-1 Turbo 2020>>
Diagrama ref. 1.
Números de referencia relacionados
Números relacionados, reemplazados, de referencia cruzada o alternativos para comparación.
9P1505311
El producto que está viendo hace referencia cruzada a estos números
- Porsche 991.1 Carrera C2 3.4L (350Bhp) 2012-16
- Porsche 991.1 Carrera C2S 3.8L (400Bhp) 2012-16
- Porsche 991.1 Carrera C4 3.4L (350Bhp) 2012-16
- Porsche 991.1 Carrera C4S 3.8L (400Bhp) 2012-16
- Porsche 991.1 Turbo 3.8L (520bhp) 2014-16
- Porsche 991.1 Turbo S 3.8L (560Bhp) 2014-16
- Porsche 991.2 Carrera 2 3.0L (370 Bhp) 2016-19
- Porsche 991.2 Carrera 2S 3.0L (420 Bhp) 2016-19
- Porsche 991.2 Carrera 4 3.0L (370 Bhp) 2016-19
- Porsche 991.2 Carrera 4S 3.0L (420 Bhp) 2016-19
- Porsche 991.2 Cabriolet 2 3.0L (370 Bhp) 2016-19
- Porsche 991.2 Cabriolet 2S 3.0L (420 Bhp) 2016-19
- Porsche 991.2 Cabriolet 4 3.0L (370 Bhp) 2016-19
- Porsche 991.2 Cabriolet 4S 3.0L (420 Bhp) 2016-19
- Porsche 991.2 Targa 4 3.0L (370 Bhp) 2016-19
- Porsche 991.2 Targa 4S 3.0L (420 Bhp) 2016-19
- Porsche 991.2 Turbo Coupe 3.8L (540 Bhp) 2016-19
- Porsche 991.2 Turbo S Coupe 3.8L (580 Bhp) 2016-19
- Porsche 991.2 Turbo Cabriolet 3.8L (540 Bhp) 2016-19
- Porsche 991.2 Turbo S Cabriolet 3.8L (580 Bhp) 2016-19
- Porsche 992.1 Carrera 2 3.0L 2019-24
- Porsche 992.1 Carrera 4 3.0L 2019-24
- Porsche 992.1 Carrera 2 Cabriolet 3.0L 2019-24
- Porsche 992.1 Carrera 4 Cabriolet 3.0L 2019-24
- Porsche 992.1 Carrera 2S / GTS 3.0L 2019-24
- Porsche 992.1 Carrera 4S / GTS 3.0L 2019-24
- Porsche 992.1 Carrera 2S / GTS Cabriolet 3.0L 2019-24
- Porsche 992.1 Carrera 4S / GTS Cabriolet 3.0L 2019-24
- Porsche 992.1 Targa 4 3.0L 2020-24
- Porsche 992.1 Targa 4S / GTS 3.0L 2020-24
- Porsche 992.1 Turbo 3.8L 2020-24
- Porsche 992.1 Turbo S 3.8L 2020-24
- Porsche 992.1 Turbo Cabriolet 3.8L 2020-24
- Porsche 992.1 Turbo S Cabriolet 3.8L 2020-24
- Porsche 992.1 (911) Sport Classic 3.8L 2023
- Porsche 992.1 (911) Dakar 3.0L 2023-24
- Porsche 992.2 Turbo 3.6L 2024>>
Diseñado para el brazo de control del eje trasero de Porsche 996 y 997, proporciona ajuste exacto de fábrica, resistencia y resistencia a la corrosión.
Vendidos cada uno.
Se adapta a:
Porsche 996 1998-2005
Porsche 997.1 2005-2008
Porsche 997.2 2009-2012
Diagrama ref. n.° 18
Tamaño de rosca/especificaciones: M14 × 1,5 × 100 mm
Sustitución: La parte 90037805109 queda sustituida por la 90037805101
Este perno asegura el brazo de control de la suspensión trasera al soporte de la rueda o al bastidor auxiliar, proporcionando la fuerza de sujeción necesaria para mantener una alineación precisa de la suspensión y minimizar el movimiento bajo carga.
Con el paso de los años, las cargas de alto torque, la vibración y la exposición a las condiciones de la carretera pueden debilitar o corroer los pernos de la suspensión. Un perno dañado puede provocar una alineación incorrecta, inestabilidad en la conducción o ruido al frenar y tomar curvas.
Cuándo reemplazar:
• Durante el reemplazo del brazo de control, el servicio de alineación o la reconstrucción de la suspensión trasera
• Si los pernos originales muestran corrosión, estiramiento o desgaste de la rosca
• Como parte del mantenimiento preventivo al volver a montar las juntas de suspensión portantes
Reemplazar con hardware Porsche original garantiza integridad estructural, ajuste preciso y rendimiento duradero.
Números de referencia relacionados
Números relacionados, reemplazados, de referencia cruzada o alternativos para comparación.
90037805101
El producto que está viendo hace referencia cruzada a estos números
Fabricados según las especificaciones de fábrica para los brazos de control del eje trasero de los modelos 996 y 997, brindan el ajuste y la resistencia que su suspensión de alto rendimiento merece.
Vendidos cada uno.
Se adapta a:
Porsche 996 1998-2005
Porsche 997.1 2005-2008
Porsche 997.2 2009-2012
Diagrama ref. n.° 18
Tamaño de rosca/especificaciones: M14 × 1,5 × 100 mm
Sustitución: 90037805109, 90037805101
Dado que el perno de montaje del brazo de control soporta importantes cargas estructurales y está sujeto a vibraciones y tensiones de torsión, puede desgastarse, estirarse, corroerse o fatigarse con el tiempo. Esto reduce su capacidad para mantener una alineación y una fuerza de sujeción correctas, lo que puede provocar problemas de manejo o desgaste de los componentes. Su reemplazo es especialmente importante al realizar tareas de mantenimiento de la suspensión trasera, reemplazo del brazo de control o alineación. Instalar el perno correcto restaura la integridad del montaje y garantiza que la geometría del eje trasero se mantenga estable bajo carga.
Números de referencia relacionados
Números relacionados, reemplazados, de referencia cruzada o alternativos para comparación.
90037805101
El producto que está viendo hace referencia cruzada a estos números

Encaja
991.1 y 991.2 Carrera y Carrera S
991.1 y 991.2 Carrera 4 y Carrera 4S
991.1 y 991.2 GTS
991.1 y 991.2 turbo
Descripción del producto:
El juego de brazos traseros "Dogbone" de BBi Autosport actualiza los brazos de control de fábrica con unidades mecanizadas y anodizadas diseñadas para albergar cojinetes esféricos.
El conjunto completo reemplaza los brazos con casquillos de goma y recupera el control, la estabilidad y la previsibilidad en la suspensión, al igual que los modelos RS.
Estas son piezas completamente reparables.
Números de referencia relacionados
Números relacionados, reemplazados, de referencia cruzada o alternativos para comparación.
BBIDOGBONE991
El producto que está viendo hace referencia cruzada a estos números
- Porsche 991.1 Carrera C2 3.4L (350Bhp) 2012-16
- Porsche 991.1 Carrera C2S 3.8L (400Bhp) 2012-16
- Porsche 991.1 Carrera C4 3.4L (350Bhp) 2012-16
- Porsche 991.1 Carrera C4S 3.8L (400Bhp) 2012-16
- Porsche 991.1 Turbo 3.8L (520bhp) 2014-16
- Porsche 991.1 Turbo S 3.8L (560Bhp) 2014-16
- Porsche 991.2 Carrera 2 3.0L (370 Bhp) 2016-19
- Porsche 991.2 Carrera 2S 3.0L (420 Bhp) 2016-19
- Porsche 991.2 Carrera 4 3.0L (370 Bhp) 2016-19
- Porsche 991.2 Carrera 4S 3.0L (420 Bhp) 2016-19
- Porsche 991.2 Cabriolet 2 3.0L (370 Bhp) 2016-19
- Porsche 991.2 Cabriolet 2S 3.0L (420 Bhp) 2016-19
- Porsche 991.2 Cabriolet 4 3.0L (370 Bhp) 2016-19
- Porsche 991.2 Cabriolet 4S 3.0L (420 Bhp) 2016-19
- Porsche 991.2 Targa 4 3.0L (370 Bhp) 2016-19
- Porsche 991.2 Targa 4S 3.0L (420 Bhp) 2016-19
- Porsche 991.2 Turbo Coupe 3.8L (540 Bhp) 2016-19
- Porsche 991.2 Turbo S Coupe 3.8L (580 Bhp) 2016-19
- Porsche 991.2 Turbo Cabriolet 3.8L (540 Bhp) 2016-19
- Porsche 991.2 Turbo S Cabriolet 3.8L (580 Bhp) 2016-19
1 kit requerido por coche
#rastreo de elefantes #
Encaja
Porsche 991 2012 en adelante - solo trasero
Porsche 991 Turbo 2012 en adelante - solo trasero
Los cartuchos Monoball reemplazan los bujes de la barra de dirección trasera de fábrica con cojinetes esféricos de acero endurecido. Los cojinetes esféricos permiten el movimiento libre en varios ejes y eliminan la deflexión asociada con el caucho, lo que da como resultado una sujeción más precisa de la punta y la inclinación.
La carcasa mecanizada de alta tolerancia permite una instalación sencilla con ajuste a presión. Los espaciadores correctos aseguran un ajuste adecuado.
Los cojinetes excéntricos están hechos de acero endurecido, enchapados y sellados contra la intemperie para evitar la entrada de contaminantes en la carretera.
Estos rodamientos están hechos para durar.
El kit incluye 4 rodamientos monobola. 2 cojinetes por brazo, para ambas barras de dirección.
Ordene un kit por auto
Números de referencia relacionados
Números relacionados, reemplazados, de referencia cruzada o alternativos para comparación.
2260015
El producto que está viendo hace referencia cruzada a estos números
- Porsche 991.1 Carrera C2 3.4L (350Bhp) 2012-16
- Porsche 991.1 Carrera C2S 3.8L (400Bhp) 2012-16
- Porsche 991.1 Carrera C4 3.4L (350Bhp) 2012-16
- Porsche 991.1 Carrera C4S 3.8L (400Bhp) 2012-16
- Porsche 991.1 Turbo 3.8L (520bhp) 2014-16
- Porsche 991.1 Turbo S 3.8L (560Bhp) 2014-16
- Porsche 991.2 Carrera 2 3.0L (370 Bhp) 2016-19
- Porsche 991.2 Carrera 2S 3.0L (420 Bhp) 2016-19
- Porsche 991.2 Carrera 4 3.0L (370 Bhp) 2016-19
- Porsche 991.2 Carrera 4S 3.0L (420 Bhp) 2016-19
- Porsche 991.2 Cabriolet 2 3.0L (370 Bhp) 2016-19
- Porsche 991.2 Cabriolet 2S 3.0L (420 Bhp) 2016-19
- Porsche 991.2 Cabriolet 4 3.0L (370 Bhp) 2016-19
- Porsche 991.2 Cabriolet 4S 3.0L (420 Bhp) 2016-19
- Porsche 991.2 Targa 4 3.0L (370 Bhp) 2016-19
- Porsche 991.2 Targa 4S 3.0L (420 Bhp) 2016-19
- Porsche 991.2 Turbo Coupe 3.8L (540 Bhp) 2016-19
- Porsche 991.2 Turbo S Coupe 3.8L (580 Bhp) 2016-19
- Porsche 991.2 Turbo Cabriolet 3.8L (540 Bhp) 2016-19
- Porsche 991.2 Turbo S Cabriolet 3.8L (580 Bhp) 2016-19
1 kit requerido por coche
#rastreo de elefantes #
Encaja
Porsche 991 2012 en adelante - solo trasero
Porsche 991 Turbo 2012 en adelante - solo trasero
Este kit de cartucho de monobola reemplaza los bujes de barra de seguimiento interior y exterior.
Los cojinetes excéntricos internos proporcionan un mayor rango de ajuste de la convergencia. Esto es para compensar el aumento de la inclinación o el descenso del automóvil que no se puede llevar al rango de convergencia. El cojinete concéntrico exterior reemplaza el buje de caucho y elimina la desviación debido a la compresión del caucho.
Aumento de inclinación : coloque el excéntrico para maximizar la longitud de la horquilla inferior, agregando aproximadamente 0,86 grados de inclinación negativa en la suspensión trasera y 0,39 grados en la suspensión delantera. Rentable para autos que solo quieren camber adicional. Para obtener aún más inclinación y facilidad de ajuste, vea nuestros brazos de control totalmente ajustables tipo GT3.
Camber decreciente : coloque el excéntrico para minimizar la longitud de la horquilla inferior. Perfecto para autos bajos que tienen demasiada inclinación negativa y quieren volver a la configuración de inclinación de fábrica para minimizar el desgaste de las llantas en la calle. Hace que la inclinación trasera sea aproximadamente 0,86 grados más positiva, la inclinación frontal sea aproximadamente 0,39 grados más positiva.
Los cojinetes excéntricos están hechos de acero endurecido, enchapados y sellados contra la intemperie para evitar la entrada de contaminantes en la carretera. Estos rodamientos están hechos para durar.
Números de referencia relacionados
Números relacionados, reemplazados, de referencia cruzada o alternativos para comparación.
2260013
El producto que está viendo hace referencia cruzada a estos números
- Porsche 991.1 Carrera C2 3.4L (350Bhp) 2012-16
- Porsche 991.1 Carrera C2S 3.8L (400Bhp) 2012-16
- Porsche 991.1 Carrera C4 3.4L (350Bhp) 2012-16
- Porsche 991.1 Carrera C4S 3.8L (400Bhp) 2012-16
- Porsche 991.1 Turbo 3.8L (520bhp) 2014-16
- Porsche 991.1 Turbo S 3.8L (560Bhp) 2014-16
- Porsche 991.2 Carrera 2 3.0L (370 Bhp) 2016-19
- Porsche 991.2 Carrera 2S 3.0L (420 Bhp) 2016-19
- Porsche 991.2 Carrera 4 3.0L (370 Bhp) 2016-19
- Porsche 991.2 Carrera 4S 3.0L (420 Bhp) 2016-19
- Porsche 991.2 Cabriolet 2 3.0L (370 Bhp) 2016-19
- Porsche 991.2 Cabriolet 2S 3.0L (420 Bhp) 2016-19
- Porsche 991.2 Cabriolet 4 3.0L (370 Bhp) 2016-19
- Porsche 991.2 Cabriolet 4S 3.0L (420 Bhp) 2016-19
- Porsche 991.2 Targa 4 3.0L (370 Bhp) 2016-19
- Porsche 991.2 Targa 4S 3.0L (420 Bhp) 2016-19
- Porsche 991.2 Turbo Coupe 3.8L (540 Bhp) 2016-19
- Porsche 991.2 Turbo S Coupe 3.8L (580 Bhp) 2016-19
- Porsche 991.2 Turbo Cabriolet 3.8L (540 Bhp) 2016-19
- Porsche 991.2 Turbo S Cabriolet 3.8L (580 Bhp) 2016-19
Se vende individualmente; se adapta al lado izquierdo o derecho.
Se adapta a:
Porsche 991-1 Carrera 2012-16
Porsche 991-2 Carrera 2017-19 - Modelos sin eje trasero direccional (PR 170)
Diagrama ref. 9.
Números de referencia relacionados
Números relacionados, reemplazados, de referencia cruzada o alternativos para comparación.
9P1501529A
El producto que está viendo hace referencia cruzada a estos números
- Porsche 991.1 Carrera C2 3.4L (350Bhp) 2012-16
- Porsche 991.1 Carrera C2S 3.8L (400Bhp) 2012-16
- Porsche 991.1 Carrera C4 3.4L (350Bhp) 2012-16
- Porsche 991.1 Carrera C4S 3.8L (400Bhp) 2012-16
- Porsche 991.2 Carrera 2 3.0L (370 Bhp) 2016-19
- Porsche 991.2 Carrera 2S 3.0L (420 Bhp) 2016-19
- Porsche 991.2 Carrera 4 3.0L (370 Bhp) 2016-19
- Porsche 991.2 Carrera 4S 3.0L (420 Bhp) 2016-19
- Porsche 991.2 Cabriolet 2 3.0L (370 Bhp) 2016-19
- Porsche 991.2 Cabriolet 2S 3.0L (420 Bhp) 2016-19
- Porsche 991.2 Cabriolet 4 3.0L (370 Bhp) 2016-19
- Porsche 991.2 Cabriolet 4S 3.0L (420 Bhp) 2016-19
- Porsche 991.2 Targa 4 3.0L (370 Bhp) 2016-19
- Porsche 991.2 Targa 4S 3.0L (420 Bhp) 2016-19

Porsche 991 Carrera 2012-19
Porsche 991 Turbo 2014-2020 - Excluye GT2
Porsche 992-1 Carrera 2019-24
Porsche 992-1 Turbo 2020>>
Diagrama ref. 21.
Números de referencia relacionados
Números relacionados, reemplazados, de referencia cruzada o alternativos para comparación.
9P150522
El producto que está viendo hace referencia cruzada a estos números
- Porsche 991.1 Carrera C2 3.4L (350Bhp) 2012-16
- Porsche 991.1 Carrera C2S 3.8L (400Bhp) 2012-16
- Porsche 991.1 Carrera C4 3.4L (350Bhp) 2012-16
- Porsche 991.1 Carrera C4S 3.8L (400Bhp) 2012-16
- Porsche 991.1 Turbo 3.8L (520bhp) 2014-16
- Porsche 991.1 Turbo S 3.8L (560Bhp) 2014-16
- Porsche 991.2 Carrera 2 3.0L (370 Bhp) 2016-19
- Porsche 991.2 Carrera 2S 3.0L (420 Bhp) 2016-19
- Porsche 991.2 Carrera 4 3.0L (370 Bhp) 2016-19
- Porsche 991.2 Carrera 4S 3.0L (420 Bhp) 2016-19
- Porsche 991.2 Cabriolet 2 3.0L (370 Bhp) 2016-19
- Porsche 991.2 Cabriolet 2S 3.0L (420 Bhp) 2016-19
- Porsche 991.2 Cabriolet 4 3.0L (370 Bhp) 2016-19
- Porsche 991.2 Cabriolet 4S 3.0L (420 Bhp) 2016-19
- Porsche 991.2 Targa 4 3.0L (370 Bhp) 2016-19
- Porsche 991.2 Targa 4S 3.0L (420 Bhp) 2016-19
- Porsche 991.2 Turbo Coupe 3.8L (540 Bhp) 2016-19
- Porsche 991.2 Turbo S Coupe 3.8L (580 Bhp) 2016-19
- Porsche 991.2 Turbo Cabriolet 3.8L (540 Bhp) 2016-19
- Porsche 991.2 Turbo S Cabriolet 3.8L (580 Bhp) 2016-19
- Porsche 992.1 Carrera 2 3.0L 2019-24
- Porsche 992.1 Carrera 4 3.0L 2019-24
- Porsche 992.1 Carrera 2 Cabriolet 3.0L 2019-24
- Porsche 992.1 Carrera 4 Cabriolet 3.0L 2019-24
- Porsche 992.1 Carrera 2S / GTS 3.0L 2019-24
- Porsche 992.1 Carrera 4S / GTS 3.0L 2019-24
- Porsche 992.1 Carrera 2S / GTS Cabriolet 3.0L 2019-24
- Porsche 992.1 Carrera 4S / GTS Cabriolet 3.0L 2019-24
- Porsche 992.1 Targa 4 3.0L 2020-24
- Porsche 992.1 Targa 4S / GTS 3.0L 2020-24
- Porsche 992.1 Turbo 3.8L 2020-24
- Porsche 992.1 Turbo S 3.8L 2020-24
- Porsche 992.1 Turbo Cabriolet 3.8L 2020-24
- Porsche 992.1 Turbo S Cabriolet 3.8L 2020-24
- Porsche 992.1 (911) Sport Classic 3.8L 2023
- Porsche 992.1 (911) Dakar 3.0L 2023-24
- Porsche 992.2 Turbo 3.6L 2024>>
Se vende cada uno: se adapta al lado izquierdo y derecho, se requieren 2 por automóvil

Encaja:
Porsche 991,1 Carrera/Carrera S-2012 a 2016
Porsche 991,1 Carrera 4/Carrera 4S-2012 a 2016
Porsche 991,2 Carrera/Carrera S-2016 a 2019
Porsche 991,2 Carrera 4/Carrera 4S-2016 a 2019
Haga clic en 'Acercar' para ver un diagrama de piezas grandes.
Diagrama de referencia nº 9
Números de referencia relacionados
Números relacionados, reemplazados, de referencia cruzada o alternativos para comparación.
9P1501529A
El producto que está viendo hace referencia cruzada a estos números
- Porsche 991.1 Carrera C2 3.4L (350Bhp) 2012-16
- Porsche 991.1 Carrera C2S 3.8L (400Bhp) 2012-16
- Porsche 991.1 Carrera C4 3.4L (350Bhp) 2012-16
- Porsche 991.1 Carrera C4S 3.8L (400Bhp) 2012-16
- Porsche 991.2 Carrera 2 3.0L (370 Bhp) 2016-19
- Porsche 991.2 Carrera 2S 3.0L (420 Bhp) 2016-19
- Porsche 991.2 Carrera 4 3.0L (370 Bhp) 2016-19
- Porsche 991.2 Carrera 4S 3.0L (420 Bhp) 2016-19
- Porsche 991.2 Cabriolet 2 3.0L (370 Bhp) 2016-19
- Porsche 991.2 Cabriolet 2S 3.0L (420 Bhp) 2016-19
- Porsche 991.2 Cabriolet 4 3.0L (370 Bhp) 2016-19
- Porsche 991.2 Cabriolet 4S 3.0L (420 Bhp) 2016-19
- Porsche 991.2 Targa 4 3.0L (370 Bhp) 2016-19
- Porsche 991.2 Targa 4S 3.0L (420 Bhp) 2016-19
Brazos de control de vía trasera Porsche | Componentes de suspensión Design911 para alineación, agarre y estabilidad de manejo
Los brazos de control de vía traseros son componentes vitales de la suspensión que mantienen la alineación precisa de las ruedas, el equilibrio de manejo y la estabilidad en curvas y frenadas. Estos brazos conectan el chasis a los bujes de las ruedas traseras, lo que permite un movimiento controlado de la suspensión y mantiene las ruedas correctamente posicionadas respecto a la carretera. Los brazos de control de vía de alta calidad garantizan un contacto uniforme con los neumáticos, una geometría óptima y el rendimiento ágil y sensible que define la maniobrabilidad de un Porsche.
En Design911, contamos con una amplia gama de brazos de control de vía trasera y sus accesorios, diseñados con precisión para ofrecer resistencia, durabilidad y un ajuste perfecto. Fabricados en acero reforzado o aleaciones ligeras de aluminio, estos componentes proporcionan una rigidez duradera y un rendimiento mejorado. Ya sea para el mantenimiento de la suspensión, la corrección de la alineación o la mejora del rendimiento, nuestros brazos de control le devuelven la confianza, la estabilidad y la precisión en las curvas a su Porsche.
¿Qué hacen los brazos de control de la vía trasera?
Los brazos de control de la vía trasera juegan un papel clave para garantizar una geometría de suspensión estable y un manejo constante.
Funciones principales:
• Mantener la alineación de las ruedas traseras y la geometría de la suspensión.
• Controlar el movimiento lateral y longitudinal de las ruedas.
• Mejora la tracción, el agarre y la estabilidad en las curvas.
• Distribuye la carga y la tensión de manera uniforme en todo el chasis.
• Reduce la vibración y mejora la comodidad general de conducción.
Los brazos de control de la pista que funcionan correctamente garantizan una respuesta precisa de la dirección, un mejor agarre y el manejo equilibrado por el que son famosos los vehículos Porsche.
¿Por qué fallan o se degradan los brazos de control de la vía trasera?
Los brazos de control traseros están sujetos a cargas elevadas, movimiento constante y exposición ambiental, lo que provoca desgaste o fatiga con el tiempo.
Las causas comunes de falla incluyen:
• Bujes de caucho o poliuretano desgastados o deteriorados.
• Corrosión que debilita la estructura del brazo.
• Desgaste de la rótula que produce juego o ruido.
• Daños por impacto de baches o bordillos.
• Fatiga o agrietamiento bajo fuertes fuerzas en las curvas.
Cuando los brazos de control traseros se desgastan o fallan, los síntomas pueden incluir desgaste desigual de los neumáticos, vibración, mala estabilidad de manejo y ruido en la parte trasera, todo lo cual afecta la seguridad y el rendimiento.
¿Por qué reemplazar o actualizar los brazos de control de la pista trasera de su Porsche?
Reemplazar los brazos de control desgastados restaura la precisión de manejo, la comodidad de conducción y la alineación de su Porsche. Los brazos mejorados ofrecen una construcción más rígida y mejor ajuste para conducción de alto rendimiento o uso en circuito.
Beneficios clave:
• Restaura la alineación correcta de las ruedas y la geometría de la suspensión.
• Mejora la tracción, el equilibrio en las curvas y la estabilidad de frenado.
• Elimina ruidos, vibraciones y asperezas.
• Disponible con opciones de bujes de caucho o de alto rendimiento.
• Compatible con Porsche 911, 944, 968, Boxster, Cayman, Panamera, Cayenne y otros modelos.
• Ideal para mantenimiento, restauraciones o mejoras de rendimiento.
Los brazos de control de la pista trasera Porsche de Design911 combinan resistencia, precisión y confiabilidad, lo que garantiza que su Porsche brinde el control y la serenidad para los que fue diseñado.
Reflejos
• Brazos de control y componentes de suspensión trasera Porsche de primera calidad.
• Diseñado con acero de alta resistencia o aleaciones ligeras.
• Restaura la geometría de la suspensión, el manejo y la alineación.
• Disponible en diseños de rendimiento fijo o ajustable.
• Perfecto para modelos Porsche clásicos y modernos.
• Ideal para mantenimiento, mejoras de suspensión o preparación para carreras.