Enter your VAT number here and click Verify:
Your details have been verified. VAT number registered to:
,
.
Your order will now be zero rated for VAT purposes. We reserve the right to verify these details after your order request has been made and reinstate VAT if required.
Your VAT details were not recognised or were invalid. Your VAT number must be matched to your Billing Country as specified above. This is currently specified as . You do not need to enter the country code part of your VAT number as this has already been selected in your billing address details above.
The VAT number checking service is currently offline. Please supply your VAT details within the comments or special instructions field below and we will apply a VAT discount after placing your order request.
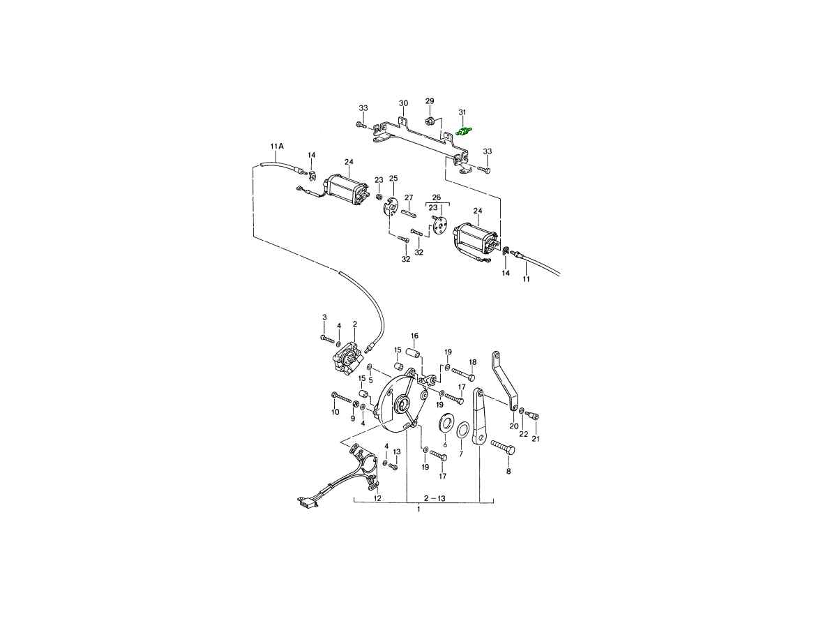
Bonded Rubber Buffer – Sunroof & Convertible Top Motor Mount
High-quality bonded rubber-metal buffer designed for multiple Porsche applications including sunroof-equipped Porsche 928 models and convertible Porsche 911, 964, and 993 models.
On Porsche 928 models, this component functions as a sunroof
mounting buffer, helping to stabilise and isolate movement within the sunroof
mechanism. On convertible 911, 964, and 993 models, it is used to secure the
convertible top motor bracket, providing essential vibration damping and
structural support.
Fits:
Diagram ref no 31
Manufactured using a durable rubber-metal bonded construction, this component is engineered to withstand repeated movement, vibration, and environmental exposure while maintaining flexibility and strength.
A direct replacement part, this rubber buffer is essential for maintaining proper operation, reducing vibration, and ensuring long-term reliability of roof and motor mounting systems.
Key Features
• Direct replacement bonded rubber-metal buffer
• Suitable for Porsche 928 (sunroof models)
• Also fits Porsche 911, 964, and 993 convertible models
• Used for sunroof mounting and convertible top motor bracket
• Reduces vibration and stabilises mounted components
• Durable rubber-metal bonded construction
• OEM-style fit and function
Function and Purpose
This bonded rubber buffer acts as both a mounting support and vibration isolator.
It helps to:
• Stabilise sunroof or convertible motor components
• Reduce vibration and noise during operation
• Prevent excessive movement or stress on mounting points
• Protect surrounding components from wear
Why Replace Your Rubber Buffer
Over time, rubber-metal mounts can degrade due to age and mechanical stress.
Common issues include:
• Cracked or hardened rubber
• Reduced vibration damping
• Increased noise or movement
• Misalignment of sunroof or convertible motor components
Related reference numbers
Related, superseded, cross reference or alternative numbers for comparison.
9997033080A
The product you are viewing cross references to these numbers
- Porsche 911 1984-1986 3.2L
- Porsche 911 1987-1989 3.2L G50
- Porsche 911 1978-1989 3.3L Turbo (930)
- Porsche 964 (911) C2 1989-93
- Porsche 964 (911) C4 1989-93
- Porsche 993 (911) C2 1994-97
- Porsche 993 (911) C4 1994-97
- Porsche 928 4.5L 1978-82
- Porsche 928S 4.7L 1981-83
- Porsche 928S2 4.7L 1984-86
- Porsche 928S4 5.0L 1987-92
- Porsche 928GT 5.0L 1989-91
- Porsche 928GTS 5.4L 1992-95