Enter your VAT number here and click Verify:
Your details have been verified. VAT number registered to:
,
.
Your order will now be zero rated for VAT purposes. We reserve the right to verify these details after your order request has been made and reinstate VAT if required.
Your VAT details were not recognised or were invalid. Your VAT number must be matched to your Billing Country as specified above. This is currently specified as . You do not need to enter the country code part of your VAT number as this has already been selected in your billing address details above.
The VAT number checking service is currently offline. Please supply your VAT details within the comments or special instructions field below and we will apply a VAT discount after placing your order request.
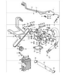
Fits:
Porsche 911
cars with Mechanical Fuel Injection (MFI)
The mechanical fuel injection (MFI) pump is mounted on its base at the top of the engine. For the RSR, Porsche determined that additional support was necessary to prevent the pump from rocking under the stresses of racing. To address this, we've precisely recreated the original MFI pump brace, along with a custom plug for the oil pressure warning light (commonly known as the "idiot light") switch, which must be used due to clearance interference with the brace.
Mounts to the MFI fuel pump body with included bracket.
Install this on a road car for better reliability of your MFI pump as it will not allow the pump to flex.
Related reference numbers
Related, superseded, cross reference or alternative numbers for comparison.
90111002700
The product you are viewing cross references to these numbers
- Porsche 911 1968-1973 2.2L / 2.4L / 2.7L RS LWB (F)
- Porsche 911 1974-1977 2.7L / 1976-77 3.0 Carrera

