Enter your VAT number here and click Verify:
Your details have been verified. VAT number registered to:
,
.
Your order will now be zero rated for VAT purposes. We reserve the right to verify these details after your order request has been made and reinstate VAT if required.
Your VAT details were not recognised or were invalid. Your VAT number must be matched to your Billing Country as specified above. This is currently specified as . You do not need to enter the country code part of your VAT number as this has already been selected in your billing address details above.
The VAT number checking service is currently offline. Please supply your VAT details within the comments or special instructions field below and we will apply a VAT discount after placing your order request.
Control Arms Rear
- Porsche 911 1965-1968 2.0L / 912 SWB (F)
- Porsche 911 1968-1973 2.2L / 2.4L / 2.7L RS LWB (F)
- Porsche 911 1974-1977 2.7L / 1976-77 3.0 Carrera
- Porsche 911 1978-1983 3.0L / SC
- Porsche 911 1984-1986 3.2L
- Porsche 911 1987-1989 3.2L G50
- Porsche 911 1975-1977 3.0L Turbo (930)
- Porsche 911 1978-1989 3.3L Turbo (930)

SET OF 4
Fits:
Porsche 911/912/930 All 1966-89 Front and Rear
Looking for the ultimate in strut mounts? Rennline Front and Rear Monoball Kit combines both our front strut top monoball and rear trailing arm monoball bushings into a single package to give you a simple solution to massivly improve the handling of your 911. This kit combines our part numbers MB11 and MB12 which includes front strut tops and rear trailing arm monoball mounts. CNC machined and assembeled in house right here in the USA all monoballs feature the highest quality teflon lined motorsports spherical bearings, and precision machined housings. Proven on the street and the track, these will ensure optimal suspension geometry through the suspension's entire range of motion. Includes 2x front and 2x rear trailing arm monoball mounts.
Related reference numbers
Related, superseded, cross reference or alternative numbers for comparison.
MB11KIT
The product you are viewing cross references to these numbers
- Porsche 911 1965-1968 2.0L / 912 SWB (F)
- Porsche 911 1968-1973 2.2L / 2.4L / 2.7L RS LWB (F)
- Porsche 911 1974-1977 2.7L / 1976-77 3.0 Carrera
- Porsche 911 1978-1983 3.0L / SC
- Porsche 911 1984-1986 3.2L
- Porsche 911 1987-1989 3.2L G50
- Porsche 911 1975-1977 3.0L Turbo (930)
- Porsche 911 1978-1989 3.3L Turbo (930)

Fits:
Porsche 911 1965-73
This kit includes
1 X SPF0893K Gear Linkage Bush Kit 2 Bushes, SuperPro Grease
1 X SPF1436K Front Strut Mount Bush Kit 2 Bushes, 2 Steel Tubes, SuperPro Grease
1 X SPF0526K Front Sway Bar link Bush Kit 4 Bushes, SuperPro Grease
1 X SPF1450-18K Front Sway Bar To Cross Member Mount Kit 2 Bushes, SuperPro Grease
1 X SPF0236AK Front Torsion Bar Pivot Bush Kit 4 Bushes, SuperPro Grease
1 X SPF1375K Rear Engine Mounting Bush Kit 8 Bushes, 4 Steel Tubes, SuperPro Grease
1 X SPF0095-22K Rear Sway Bar Bottom Link Bush Kit 2 Bushes, SuperPro Grease
1 X SPF0134-22K Rear Sway Bar To Chassis Bush 2 Bushes, SuperPro Grease
1 X SPF0236K Torsion Bar Pivot Bush Kit 4 Bushes, SuperPro Grease
1 X SPF0988K Rear Trailing (Banana) Arm Front Bush Kit 4 Bushes, SuperPro Grease
Replacing your car rubber suspension bushes with Polyurethane Suspension Bushes will give you:
- Better road holding
- Constant steering geometry
- Increased tyre life
- More responsive steering
- Longer service life of suspension components.
- Porsche 911 1965-1968 2.0L / 912 SWB (F)
- Porsche 911 1968-1973 2.2L / 2.4L / 2.7L RS LWB (F)
One kit includes 2 bushings, (1 car set)
Fit:
Porsche 911/912/930 All - 1969-89
- Porsche 911 1968-1973 2.2L / 2.4L / 2.7L RS LWB (F)
- Porsche 911 1974-1977 2.7L / 1976-77 3.0 Carrera
- Porsche 911 1978-1983 3.0L / SC
- Porsche 911 1984-1986 3.2L
- Porsche 911 1987-1989 3.2L G50
- Porsche 911 1975-1977 3.0L Turbo (930)
- Porsche 911 1978-1989 3.3L Turbo (930)
- Porsche 944 2.5L 8V 1982-87
- Porsche 944 2.7L 8V 1988-89
- Porsche 944S 2.5L 16V 1987-88
- Porsche 944S2 3.0L 16V 1989-91
- Porsche 944 Turbo 2.5L 8V 1985-88
- Porsche 944 Turbo 2.5L 8V 1989-91
- Porsche 944 Turbo S 2.5L 8V 1988

Fits:
Porsche 911 / 912 / 930 1965-89
Porsche 964 / 993 1989-98
Porsche 944 / 968 / 924 1976-95 w/ aluminium control arms
Easily removes the following bushings:
• 911 / 930 / 912 trailing arm bushing
• 964 / 993 front lower control arm rear bushing
• 944 front lower control arm front bushing (aluminium arms)
It used to be a difficult task
This clever tool is a real time saver that makes easy work of removing split bushings. Doing the job with the arms still on the car for 911, 964, and 993 saves time and labor.
Split bushings are actually two separate bushings, each pressed in from opposite sides of the arm. Removing them requires driving them out from the parting line where they meet, in the center of the arm. This has traditionally been a difficult job that requires removing the arm and fumbling with a punch to try and drive out the bushings from the center.
Easy & quick
This tool makes it easy to engage the parting line and drive out the bushing. It is so easy that the job can be performed without removing the arm from the 911, 964, and 993.
Pro Mechanics and DIY'ers alike will appreciate the time saving this tool provides.
Combine with bushing installation tools part #2020904 to complete the job.
Related reference numbers
Related, superseded, cross reference or alternative numbers for comparison.
2020903
The product you are viewing cross references to these numbers
- Porsche 911 1965-1968 2.0L / 912 SWB (F)
- Porsche 911 1968-1973 2.2L / 2.4L / 2.7L RS LWB (F)
- Porsche 911 1974-1977 2.7L / 1976-77 3.0 Carrera
- Porsche 911 1978-1983 3.0L / SC
- Porsche 911 1984-1986 3.2L
- Porsche 911 1987-1989 3.2L G50
- Porsche 911 1975-1977 3.0L Turbo (930)
- Porsche 911 1978-1989 3.3L Turbo (930)
- Porsche 964 (911) C2 1989-93
- Porsche 964 (911) C4 1989-93
- Porsche 964 (911) RS 3.6L 1991-93
- Porsche 964 (911) RS 3.8L 1991-93
- Porsche 964 (911) TURBO 3.3L 1991-93
- Porsche 964 (911) TURBO 3.6L 1991-93
- Porsche 993 (911) C2 1994-97
- Porsche 993 (911) C4 1994-97
- Porsche 993 (911) RS 1994-97
- Porsche 993 (911) C2S 1994-97
- Porsche 993 (911) C4S 1994-97
- Porsche 993 (911) TURBO 1994-96
- Porsche 993 (911) GT2 1994-97
- Porsche 993 (911) TURBO S 1994-97
- Porsche 924 2.0L 1976-79
- Porsche 924 2.0L 1980-85
- Porsche 924 Turbo 2.0L 1979-81
- Porsche 924 Turbo 2.0L 1982-84
- Porsche 924 Carrera GT 2.0L 1981
- Porsche 924 Carrera GTS 2.0L 1982
- Porsche 924S 2.5L 1986-87
- Porsche 924S 2.5L 1988
- Porsche 944 2.5L 8V 1982-87
- Porsche 944 2.7L 8V 1988-89
- Porsche 944S 2.5L 16V 1987-88
- Porsche 944S2 3.0L 16V 1989-91
- Porsche 944 Turbo 2.5L 8V 1985-88
- Porsche 944 Turbo 2.5L 8V 1989-91
- Porsche 944 Turbo S 2.5L 8V 1988
- Porsche 968 3.0L 1992-94
- Porsche 968 Sport 3.0L 1994-95
- Porsche 968 CS 3.0L 1993-95
- Porsche 968 Turbo S 3.0L 1993-94
Stabilizer Bar Bush Rear - 18mm.
Drop Link Bush Rear - 18mm.
Fits - left and right side.

SET OF 4
Replacement for Porsche parts No. 91133379302
Fits:
Porsche 911 1974-77 Rear
Porsche 911 Turbo 1975-77
Porsche 914 1970-76 Rear
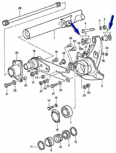
Click 'Zoom in' for large parts diagram.
Diagram Ref No 2.
Powerflex Heritage Collection. For Modern Day Classics.
A range of bushes engineered for the road to compliment your classic car.
POWERFLEX Heritage Collection bushes are manufactured using modern day materials with properties biased for the road. These dark grey coloured bushes will improve any collector's car, whilst retaining the same standard appearance of a rubber bush.
Related reference numbers
Related, superseded, cross reference or alternative numbers for comparison.
PFR57-412-18H
The product you are viewing cross references to these numbers
- Porsche 911 1974-1977 2.7L / 1976-77 3.0 Carrera
- Porsche 911 1978-1983 3.0L / SC
- Porsche 911 1975-1977 3.0L Turbo (930)
- Porsche 914 (1970-1976)

Fits:
Porsche 911/912/930 1965-89
This tool allows installation of the trailing arm bushing without removing the arms from the car, and without a shop press. Can be used for installation rubber bushings as well as our Monoball Cartridges (hyperlink).
Recommended for use in combination with Split Bushing Removal Tool part #2020903
Related reference numbers
Related, superseded, cross reference or alternative numbers for comparison.
2020904
The product you are viewing cross references to these numbers
- Porsche 911 1965-1968 2.0L / 912 SWB (F)
- Porsche 911 1968-1973 2.2L / 2.4L / 2.7L RS LWB (F)
- Porsche 911 1974-1977 2.7L / 1976-77 3.0 Carrera
- Porsche 911 1978-1983 3.0L / SC
- Porsche 911 1984-1986 3.2L
- Porsche 911 1987-1989 3.2L G50
- Porsche 911 1975-1977 3.0L Turbo (930)
- Porsche 911 1978-1989 3.3L Turbo (930)
- Porsche 944 2.5L 8V 1982-87
- Porsche 944 2.7L 8V 1988-89
- Porsche 944S 2.5L 16V 1987-88
- Porsche 944S2 3.0L 16V 1989-91
- Porsche 944 Turbo 2.5L 8V 1985-88
- Porsche 944 Turbo 2.5L 8V 1989-91
- Porsche 944 Turbo S 2.5L 8V 1988
SET OF 4 for TWO Arms.
OEM Part Number: 90133105900

Fits:
Porsche 911 1970-89
Click 'Zoom in' for large parts diagram.
Diagram Ref No 3
Powerflex Heritage Collection. For Modern Day Classics.
A range of bushes engineered for the road to compliment your classic car.
POWERFLEX Heritage Collection bushes are manufactured using modern day materials with properties biased for the road. These dark grey coloured bushes will improve any collector's car, whilst retaining the same standard appearance of a rubber bush.
Related reference numbers
Related, superseded, cross reference or alternative numbers for comparison.
PFR57-410H
The product you are viewing cross references to these numbers
- Porsche 911 1974-1977 2.7L / 1976-77 3.0 Carrera
- Porsche 911 1978-1983 3.0L / SC
- Porsche 911 1984-1986 3.2L
- Porsche 911 1987-1989 3.2L G50
- Porsche 911 1975-1977 3.0L Turbo (930)
- Porsche 911 1978-1989 3.3L Turbo (930)
PAIR, 1 pair required per car

Fits:
Porsche 911/912/930/914 1965-89
Performance
Today's sticky tire compounds generate corner loads that easily compress factory rubber bushings causing wandering alignment settings. The result is that camber and toe change unpredictably, making steering imprecise and the car difficult to drive fast.
Monoball Cartridges replace compliant factory rubber bushings with hardened-steel spherical bearings. Unlike poly bushings that bind and resist movement, true spherical bearings allow free motion on multiple axis.
• Precise, razor sharp handling
• Holds alignment settings true
• Weather-Sealed for long life
• Eliminates camber loss due to compression
• Extremely low friction
Weather Seals
Our proprietary-design Monoball cartridges have optional weather seals to keep dirt out and extend product life.
This is the only Monoball suitable for street or extended track use. Dirt and water contaminate ordinary products and accelerate wear.
Fitment
Front monoballs fit easily into the stock camber plates of 67-89 911/912/930 cars (911 341 018 00). Cars with pre-67 camber plates are recommended to switch to a 67-89 camber plate for fitment. 65 cars without camber plates require grinding to enlarge the strut top opening to allow fitment of the cartridges.
Easy Bushing Replacement How-To
Your existing bushings are pressed in place, they will need to be pressed out, and you will need to press in the new bushings but it's really easy when you have the right tools. To ease and speed the bushing removal and installation process without using a shop press please see our purpose designed Split Bushing Removal Tool and our Bushing Installation tool.
Click 'Zoom in' for large parts diagram.
Diagram ref no 3
Related reference numbers
Related, superseded, cross reference or alternative numbers for comparison.
2020901
The product you are viewing cross references to these numbers
- Porsche 911 1965-1968 2.0L / 912 SWB (F)
- Porsche 911 1968-1973 2.2L / 2.4L / 2.7L RS LWB (F)
- Porsche 911 1974-1977 2.7L / 1976-77 3.0 Carrera
- Porsche 911 1978-1983 3.0L / SC
- Porsche 911 1984-1986 3.2L
- Porsche 911 1987-1989 3.2L G50
- Porsche 911 1975-1977 3.0L Turbo (930)
- Porsche 911 1978-1989 3.3L Turbo (930)
SET OF 4 for 2 Arms.
OEM Part Number: 90133105900

Fits:
Porsche 911 1970-89
Click 'Zoom in' for large parts diagram.
Diagram Ref No 3
Powerflex. Replacing your car rubber suspension bushes with Polyurethane Suspension Bushes will give you:
- Better road holding
- Constant steering geometry
- Increased tyre life
- More responsitive steering
- Longer service life of suspension components.
Related reference numbers
Related, superseded, cross reference or alternative numbers for comparison.
PFR57-410
The product you are viewing cross references to these numbers
- Porsche 911 1974-1977 2.7L / 1976-77 3.0 Carrera
- Porsche 911 1978-1983 3.0L / SC
- Porsche 911 1984-1986 3.2L
- Porsche 911 1987-1989 3.2L G50
- Porsche 911 1975-1977 3.0L Turbo (930)
- Porsche 911 1978-1989 3.3L Turbo (930)
SET OF 4 for TWO Arms.
OEM Part Number: 90133105900

Fits:
Porsche 911 1970-89
Click 'Zoom in' for large parts diagram.
Diagram Ref No 3
Powerflex Black Series - Designed for the Track - Ready to Race - Engineered to be the best.
Powerflex Black Series bushes are manufactured using a 95 Shore A compound to provide maximum control of chassis geometry. This compound can be up to 80% more resistant to load than standard rubber and 25% stiffer than our purple performance material.
If your requirements are purely for the ultimate in handling and chassis performance then Powerflex Black Series are unique, offering the most precise and accurate alignment for your chassis.
Replacing your car rubber suspension bushes with Polyurethane Suspension Bushes will give you:
- Better road holding
- Constant steering geometry
- Increased tyre life
- More responsitive steering
- Longer service life of suspension components.
Related reference numbers
Related, superseded, cross reference or alternative numbers for comparison.
PFR57-410BLK
The product you are viewing cross references to these numbers
- Porsche 911 1974-1977 2.7L / 1976-77 3.0 Carrera
- Porsche 911 1978-1983 3.0L / SC
- Porsche 911 1984-1986 3.2L
- Porsche 911 1987-1989 3.2L G50
- Porsche 911 1975-1977 3.0L Turbo (930)
- Porsche 911 1978-1989 3.3L Turbo (930)
Replacement for Porsche parts No. 90133105900
SET OF 4

Fits:
Porsche 911 1970-89
Porsche 912
Porsche 911 SWB
Replacing your car rubber suspension bushes with Polyurethane Suspension Bushes will give you:
- Better road holding
- Constant steering geometry
- Increased tyre life
- More responsive steering
- Longer service life of suspension components.
Click 'Zoom in' for large parts diagram.
Diagram Ref No 3
Related reference numbers
Related, superseded, cross reference or alternative numbers for comparison.
SPF0988K
The product you are viewing cross references to these numbers
- Porsche 911 1965-1968 2.0L / 912 SWB (F)
- Porsche 911 1968-1973 2.2L / 2.4L / 2.7L RS LWB (F)
- Porsche 911 1974-1977 2.7L / 1976-77 3.0 Carrera
- Porsche 911 1978-1983 3.0L / SC
- Porsche 911 1984-1986 3.2L
- Porsche 911 1987-1989 3.2L G50
- Porsche 911 1975-1977 3.0L Turbo (930)
- Porsche 911 1978-1989 3.3L Turbo (930)
-
shock absorber strut 911 1978-83 402-00
-
rear axle 911 1978-83 501-00
-
shock absorber strut 911 1987-89 402-00
-
rear axle 911 1987-89 501-00
-
Spring strut, shock absorber strut, lubricants 911 1970-73 402-00
-
shock absorber strut 911 1984-86 402-00
-
rear axle 911 1984-86 501-00
-
Shock Absorber Strut 911 1974-77 402-00
-
Rear axle 911 1974-77 501-00
-
rear axle 911 1970-73 501-00
-
spring strut, shock absorber strut 911 1969 402-05
-
rear axle 911 UPTO 1968 501-00
-
rear axle 911 1969 501-05
-
shock absorber strut 911 TURBO 1975-77 402-00
-
rear axle 911 TURBO 1975-77 501-00
Upgrade Your Porsche Suspension with Adjustable Rear Control Arms: Technical Specifications and Benefits
Technical specifications of Adjustable Rear Control Arms:
- Adjustable rear control arms are suspension components designed to provide precise adjustment of the vehicle's rear suspension geometry.
- They are typically made from high-strength steel or lightweight alloys for durability and performance.
- Adjustable rear control arms feature threaded or eccentric mounts that allow for fine-tuning of camber and toe settings.
- They come in various designs and lengths to fit different Porsche models and suspension setups.
- Adjustable rear control arms are available as upgrade options or standard replacements for Porsche vehicles.
Benefits of upgrading or replacing Adjustable Rear Control Arms for your Porsche:
Enhanced rear suspension geometry: Adjustable rear control arms allow for precise adjustment of camber and toe angles, optimizing the rear suspension geometry for improved handling, stability, and tire wear.
Improved cornering performance: By fine-tuning the rear suspension settings, adjustable control arms can help reduce understeer or oversteer tendencies, enhancing the vehicle's cornering capabilities and overall balance.
Increased traction and grip: Proper alignment of the rear wheels achieved through adjustable control arms ensures optimal tire contact with the road surface, resulting in improved traction, grip, and acceleration.
Minimized tire wear: By maintaining proper rear alignment, adjustable control arms help prevent uneven tire wear and extend the lifespan of your tires, saving you money in the long run.
Customizability and adaptability: Adjustable rear control arms offer the flexibility to adjust the rear suspension settings to suit specific driving preferences, track conditions, or modifications made to the vehicle.
At Design911, we specialize in providing the correct parts and professional advice for your Porsche. We offer a wide range of adjustable rear control arms designed specifically for Porsche models, including both OEM replacements and performance upgrades. Our knowledgeable team is dedicated to helping you find the right control arms for your Porsche, considering factors such as model, year, suspension setup, and desired adjustments. With our expertise and commitment to customer satisfaction, we can guide you in selecting the perfect control arms to enhance your Porsche's suspension performance and handling characteristics. Contact us today to benefit from our comprehensive support and access high-quality parts tailored to your needs.