Engine Bolts / Studs
- Porsche 911 1965-1968 2.0L / 912 SWB (F)
- Porsche 911 1968-1973 2.2L / 2.4L / 2.7L RS LWB (F)
- Porsche 911 1974-1977 2.7L / 1976-77 3.0 Carrera
- Porsche 911 1978-1983 3.0L / SC
- Porsche 911 1984-1986 3.2L
- Porsche 911 1987-1989 3.2L G50
- Porsche 911 1975-1977 3.0L Turbo (930)
- Porsche 911 1978-1989 3.3L Turbo (930)
Fits:
Porsche 911 1978 -89
Porsche 930 1978-89
Click picture for large parts diagram.
Diagram Ref No 26, 27, 28, 29, 46.
Related reference numbers
Related, superseded, cross reference or alternative numbers for comparison.
ENGINEKIT11
The product you are viewing cross references to these numbers
- Porsche 911 1978-1983 3.0L / SC
- Porsche 911 1984-1986 3.2L
- Porsche 911 1987-1989 3.2L G50
- Porsche 911 1978-1989 3.3L Turbo (930)
PACK OF 12. Normally 24 studs per engine.

Fits:
Porsche 911 1965-89
Porsche 964 1989-94
Porsche 993 1994-98
This product supersedes Porsche's old part numbers:
- 99310117051
Solves the problems of loose head studs, The exhaust leak you hear in the 911 may actually be the cylinder head leaking where the studs have pulled loose. As Porsche increased displacement of the 911 engine, the different rates of thermal expansion have caused head studs to break or pull out from the engine case.
Click 'Zoom in' for large parts diagram.
Diagram Ref No 2.
Related reference numbers
Related, superseded, cross reference or alternative numbers for comparison.
99310117054
The product you are viewing cross references to these numbers
- Porsche 911 1965-1968 2.0L / 912 SWB (F)
- Porsche 911 1968-1973 2.2L / 2.4L / 2.7L RS LWB (F)
- Porsche 911 1974-1977 2.7L / 1976-77 3.0 Carrera
- Porsche 911 1978-1983 3.0L / SC
- Porsche 911 1984-1986 3.2L
- Porsche 911 1987-1989 3.2L G50
- Porsche 911 1975-1977 3.0L Turbo (930)
- Porsche 911 1978-1989 3.3L Turbo (930)
- Porsche 964 (911) C2 1989-93
- Porsche 964 (911) C4 1989-93
- Porsche 964 (911) RS 3.6L 1991-93
- Porsche 964 (911) RS 3.8L 1991-93
- Porsche 964 (911) TURBO 3.3L 1991-93
- Porsche 964 (911) TURBO 3.6L 1991-93
- Porsche 993 (911) C2 1994-97
- Porsche 993 (911) C4 1994-97
- Porsche 993 (911) RS 1994-97
- Porsche 993 (911) C2S 1994-97
- Porsche 993 (911) C4S 1994-97
- Porsche 993 (911) TURBO 1994-96
- Porsche 993 (911) GT2 1994-97
- Porsche 993 (911) TURBO S 1994-97
PACK OF 24. Normally 24 studs per engine.

Fits:
Porsche 911 1965-89
Porsche 964 1989-94
Porsche 993 1994-98
This product supersedes Porsche's old part numbers:
- 99310117051
Solves the problems of loose head studs, The exhaust leak you hear in the 911 may actually be the cylinder head leaking where the studs have pulled loose. As Porsche increased displacement of the 911 engine, the different rates of thermal expansion have caused head studs to break or pull out from the engine case.
Click 'Zoom in' for large parts diagram.
Diagram Ref No 2.
Related reference numbers
Related, superseded, cross reference or alternative numbers for comparison.
99310117054
The product you are viewing cross references to these numbers
- Porsche 911 1965-1968 2.0L / 912 SWB (F)
- Porsche 911 1968-1973 2.2L / 2.4L / 2.7L RS LWB (F)
- Porsche 911 1974-1977 2.7L / 1976-77 3.0 Carrera
- Porsche 911 1978-1983 3.0L / SC
- Porsche 911 1984-1986 3.2L
- Porsche 911 1987-1989 3.2L G50
- Porsche 911 1975-1977 3.0L Turbo (930)
- Porsche 911 1978-1989 3.3L Turbo (930)
- Porsche 964 (911) C2 1989-93
- Porsche 964 (911) C4 1989-93
- Porsche 964 (911) RS 3.6L 1991-93
- Porsche 964 (911) RS 3.8L 1991-93
- Porsche 964 (911) TURBO 3.3L 1991-93
- Porsche 964 (911) TURBO 3.6L 1991-93
- Porsche 993 (911) C2 1994-97
- Porsche 993 (911) C4 1994-97
- Porsche 993 (911) RS 1994-97
- Porsche 993 (911) C2S 1994-97
- Porsche 993 (911) C4S 1994-97
- Porsche 993 (911) TURBO 1994-96
- Porsche 993 (911) GT2 1994-97
- Porsche 993 (911) TURBO S 1994-97
SET OF 24 STUDS (Original Porsche Quality)

Fits:
Porsche 911 1965-89
Porsche 964 1989-94
Porsche 993 1994-98
Click picture for large parts diagram.
Diagram Ref No 2.
Related reference numbers
Related, superseded, cross reference or alternative numbers for comparison.
99310117054
The product you are viewing cross references to these numbers
- Porsche 911 1965-1968 2.0L / 912 SWB (F)
- Porsche 911 1968-1973 2.2L / 2.4L / 2.7L RS LWB (F)
- Porsche 911 1974-1977 2.7L / 1976-77 3.0 Carrera
- Porsche 911 1978-1983 3.0L / SC
- Porsche 911 1984-1986 3.2L
- Porsche 911 1987-1989 3.2L G50
- Porsche 911 1975-1977 3.0L Turbo (930)
- Porsche 911 1978-1989 3.3L Turbo (930)
- Porsche 964 (911) C2 1989-93
- Porsche 964 (911) C4 1989-93
- Porsche 964 (911) RS 3.6L 1991-93
- Porsche 964 (911) RS 3.8L 1991-93
- Porsche 964 (911) TURBO 3.3L 1991-93
- Porsche 964 (911) TURBO 3.6L 1991-93
- Porsche 993 (911) C2 1994-97
- Porsche 993 (911) C4 1994-97
- Porsche 993 (911) RS 1994-97
- Porsche 993 (911) C2S 1994-97
- Porsche 993 (911) C4S 1994-97
- Porsche 993 (911) TURBO 1994-96
- Porsche 993 (911) GT2 1994-97
- Porsche 993 (911) TURBO S 1994-97

Fits:
Porsche 911 1965-89
Porsche 964 1989-94
Porsche 993 1994-98
Click 'Zoom in' for large parts diagram.
Diagram ref no 11
Related reference numbers
Related, superseded, cross reference or alternative numbers for comparison.
99310117054
The product you are viewing cross references to these numbers
- Porsche 911 1965-1968 2.0L / 912 SWB (F)
- Porsche 911 1968-1973 2.2L / 2.4L / 2.7L RS LWB (F)
- Porsche 911 1974-1977 2.7L / 1976-77 3.0 Carrera
- Porsche 911 1978-1983 3.0L / SC
- Porsche 911 1984-1986 3.2L
- Porsche 911 1987-1989 3.2L G50
- Porsche 911 1975-1977 3.0L Turbo (930)
- Porsche 911 1978-1989 3.3L Turbo (930)
- Porsche 964 (911) C2 1989-93
- Porsche 964 (911) C4 1989-93
- Porsche 964 (911) RS 3.6L 1991-93
- Porsche 964 (911) RS 3.8L 1991-93
- Porsche 964 (911) TURBO 3.3L 1991-93
- Porsche 964 (911) TURBO 3.6L 1991-93
- Porsche 993 (911) C2 1994-97
- Porsche 993 (911) C4 1994-97
- Porsche 993 (911) RS 1994-97
- Porsche 993 (911) C2S 1994-97
- Porsche 993 (911) C4S 1994-97
- Porsche 993 (911) TURBO 1994-96
- Porsche 993 (911) GT2 1994-97
- Porsche 993 (911) TURBO S 1994-97
Normally 24 studs per engine.
Solves the problems of loose head studs, The exhaust leak you hear in the 911 may actually be the cylinder head leaking where the studs have pulled loose. As Porsche increased displacement of the 911 engine, the different rates of thermal expansion have caused head studs to break or pull out from the engine case.
Superior Tested/Proven strength. (compared to Dilavar & Raceware)
Fits:
Porsche 911 1965-89
Porsche 964 1989-94
Porsche 993 1994-98
This product supersedes Porsche's old part numbers:
- 993 101 170 51
Click picture for large parts diagram.
Diagram Ref No 2.
Related reference numbers
Related, superseded, cross reference or alternative numbers for comparison.
99310117054
The product you are viewing cross references to these numbers
- Porsche 911 1965-1968 2.0L / 912 SWB (F)
- Porsche 911 1968-1973 2.2L / 2.4L / 2.7L RS LWB (F)
- Porsche 911 1974-1977 2.7L / 1976-77 3.0 Carrera
- Porsche 911 1978-1983 3.0L / SC
- Porsche 911 1984-1986 3.2L
- Porsche 911 1987-1989 3.2L G50
- Porsche 911 1975-1977 3.0L Turbo (930)
- Porsche 911 1978-1989 3.3L Turbo (930)
- Porsche 964 (911) C2 1989-93
- Porsche 964 (911) C4 1989-93
- Porsche 964 (911) RS 3.6L 1991-93
- Porsche 964 (911) RS 3.8L 1991-93
- Porsche 964 (911) TURBO 3.3L 1991-93
- Porsche 964 (911) TURBO 3.6L 1991-93
- Porsche 993 (911) C2 1994-97
- Porsche 993 (911) C4 1994-97
- Porsche 993 (911) RS 1994-97
- Porsche 993 (911) C2S 1994-97
- Porsche 993 (911) C4S 1994-97
- Porsche 993 (911) TURBO 1994-96
- Porsche 993 (911) GT2 1994-97
- Porsche 993 (911) TURBO S 1994-97
Normally 24 studs per engine.

Solves the problems of loose head studs, The exhaust leak you hear in the 911 may actually be the cylinder head leaking where the studs have pulled loose. As Porsche increased displacement of the 911 engine, the different rates of thermal expansion have caused head studs to break or pull out from the engine case.
Superior Tested/Proven strength. (compared to Dilavar & Raceware)
Fits:
Porsche 911 1965-89
Porsche 964 1989-94
Porsche 993 1994-98
This product supersedes Porsche's old part numbers:
- 993 101 170 51
Click picture for large parts diagram.
Diagram Ref No 2.
Related reference numbers
Related, superseded, cross reference or alternative numbers for comparison.
99310117054
The product you are viewing cross references to these numbers
- Porsche 911 1965-1968 2.0L / 912 SWB (F)
- Porsche 911 1968-1973 2.2L / 2.4L / 2.7L RS LWB (F)
- Porsche 911 1974-1977 2.7L / 1976-77 3.0 Carrera
- Porsche 911 1978-1983 3.0L / SC
- Porsche 911 1984-1986 3.2L
- Porsche 911 1987-1989 3.2L G50
- Porsche 911 1975-1977 3.0L Turbo (930)
- Porsche 911 1978-1989 3.3L Turbo (930)
- Porsche 964 (911) C2 1989-93
- Porsche 964 (911) C4 1989-93
- Porsche 964 (911) RS 3.6L 1991-93
- Porsche 964 (911) RS 3.8L 1991-93
- Porsche 964 (911) TURBO 3.3L 1991-93
- Porsche 964 (911) TURBO 3.6L 1991-93
- Porsche 993 (911) C2 1994-97
- Porsche 993 (911) C4 1994-97
- Porsche 993 (911) RS 1994-97
- Porsche 993 (911) C2S 1994-97
- Porsche 993 (911) C4S 1994-97
- Porsche 993 (911) TURBO 1994-96
- Porsche 993 (911) GT2 1994-97
- Porsche 993 (911) TURBO S 1994-97
Fits:
Porsche 911 1974-89 (12pcs Required)
Porsche 911 2.7L Carrera 1973 (24pcs Required)
Related reference numbers
Related, superseded, cross reference or alternative numbers for comparison.
91110117200
The product you are viewing cross references to these numbers
- Porsche 911 1974-1977 2.7L / 1976-77 3.0 Carrera
- Porsche 911 1978-1983 3.0L / SC
- Porsche 911 1984-1986 3.2L
- Porsche 911 1987-1989 3.2L G50
- Porsche 911 1975-1977 3.0L Turbo (930)
- Porsche 911 1978-1989 3.3L Turbo (930)
Exhaust heat exchanger fitting kit. Includes studs and nuts made out of titanium.
These titanium components are resistant to rust and corrosion, which can be a common issue with traditional steel studs and nuts. This corrosion resistance ensures that the studs and nuts maintain their integrity, allowing for easy removal and installation when necessary. They are the perfect upgrade for Porsche enthusiasts who demand the ease of access to vehicle's exhaust system.
Fits:
Porsche 911 3.2L 1984-89
- Porsche 911 1984-1986 3.2L
- Porsche 911 1987-1989 3.2L G50
Exhaust heat exchanger fitting kit. Includes studs and nuts made out of titanium.
These titanium components are resistant to rust and corrosion, which can be a common issue with traditional steel studs and nuts. This corrosion resistance ensures that the studs and nuts maintain their integrity, allowing for easy removal and installation when necessary. They are the perfect upgrade for Porsche enthusiasts who demand the ease of access to vehicle's exhaust system.
Fits:
Porsche 911 1965-83
- Porsche 911 1965-1968 2.0L / 912 SWB (F)
- Porsche 911 1968-1973 2.2L / 2.4L / 2.7L RS LWB (F)
- Porsche 911 1974-1977 2.7L / 1976-77 3.0 Carrera
- Porsche 911 1978-1983 3.0L / SC
Fits:
Porsche 911 1965-89
Porsche 964 1990-94
Porsche 993 1995-98
Porsche 914-6 1970-76
Click 'Zoom in' for the large parts diagram.
Diagram ref no 7.
Related reference numbers
Related, superseded, cross reference or alternative numbers for comparison.
99906205103
The product you are viewing cross references to these numbers
- Porsche 911 1965-1968 2.0L / 912 SWB (F)
- Porsche 911 1968-1973 2.2L / 2.4L / 2.7L RS LWB (F)
- Porsche 911 1974-1977 2.7L / 1976-77 3.0 Carrera
- Porsche 911 1978-1983 3.0L / SC
- Porsche 911 1984-1986 3.2L
- Porsche 911 1987-1989 3.2L G50
- Porsche 911 1975-1977 3.0L Turbo (930)
- Porsche 911 1978-1989 3.3L Turbo (930)
- Porsche 964 (911) C2 1989-93
- Porsche 964 (911) C4 1989-93
- Porsche 964 (911) RS 3.6L 1991-93
- Porsche 964 (911) RS 3.8L 1991-93
- Porsche 964 (911) TURBO 3.3L 1991-93
- Porsche 964 (911) TURBO 3.6L 1991-93
- Porsche 993 (911) C2 1994-97
- Porsche 993 (911) C4 1994-97
- Porsche 993 (911) RS 1994-97
- Porsche 993 (911) C2S 1994-97
- Porsche 993 (911) C4S 1994-97
- Porsche 993 (911) TURBO 1994-96
- Porsche 993 (911) GT2 1994-97
- Porsche 993 (911) TURBO S 1994-97
- Porsche 914 (1970-1976)

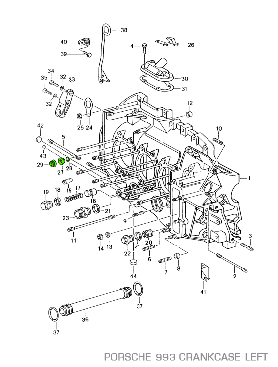
Fits:
Porsche 911 1970-89
Click picture for large parts diagram.
Diagram Ref No 24.
Related reference numbers
Related, superseded, cross reference or alternative numbers for comparison.
93010117201
The product you are viewing cross references to these numbers
- Porsche 911 1968-1973 2.2L / 2.4L / 2.7L RS LWB (F)
- Porsche 911 1974-1977 2.7L / 1976-77 3.0 Carrera
- Porsche 911 1978-1983 3.0L / SC
- Porsche 911 1984-1986 3.2L
- Porsche 911 1987-1989 3.2L G50
- Porsche 911 1975-1977 3.0L Turbo (930)
- Porsche 911 1978-1989 3.3L Turbo (930)

Fits:
Porsche 911 1970-89
Click 'Zoom in' for large parts diagram.
Diagram ref no 24
Related reference numbers
Related, superseded, cross reference or alternative numbers for comparison.
93010117201
The product you are viewing cross references to these numbers
- Porsche 911 1968-1973 2.2L / 2.4L / 2.7L RS LWB (F)
- Porsche 911 1974-1977 2.7L / 1976-77 3.0 Carrera
- Porsche 911 1978-1983 3.0L / SC
- Porsche 911 1984-1986 3.2L
- Porsche 911 1987-1989 3.2L G50
- Porsche 911 1975-1977 3.0L Turbo (930)
- Porsche 911 1978-1989 3.3L Turbo (930)
Porsche 911 2.0L to 2.7L.
Fits:
Porsche 911 2.0L , 2.2L , 2.4L , 2.7L
Related reference numbers
Related, superseded, cross reference or alternative numbers for comparison.
90110117300
The product you are viewing cross references to these numbers
- Porsche 911 1965-1968 2.0L / 912 SWB (F)
- Porsche 911 1968-1973 2.2L / 2.4L / 2.7L RS LWB (F)
- Porsche 911 1974-1977 2.7L / 1976-77 3.0 Carrera
Porsche 911 3.0L to 3.3L engines.

Fits:
Porsche 911 3.0L
Porsche 930 3.0L / 3.3L
Related reference numbers
Related, superseded, cross reference or alternative numbers for comparison.
93010117302
The product you are viewing cross references to these numbers
- Porsche 911 1978-1983 3.0L / SC
- Porsche 911 1975-1977 3.0L Turbo (930)
- Porsche 911 1978-1989 3.3L Turbo (930)
- Porsche 964 (911) TURBO 3.3L 1991-93
24 per engine.

Fits:
Porsche 911 1965-89
Click 'Zoom in' for large parts diagram.
Diagram ref no 22.
Related reference numbers
Related, superseded, cross reference or alternative numbers for comparison.
99970100640
The product you are viewing cross references to these numbers
- Porsche 911 1965-1968 2.0L / 912 SWB (F)
- Porsche 911 1968-1973 2.2L / 2.4L / 2.7L RS LWB (F)
- Porsche 911 1974-1977 2.7L / 1976-77 3.0 Carrera
- Porsche 911 1978-1983 3.0L / SC
- Porsche 911 1984-1986 3.2L
- Porsche 911 1987-1989 3.2L G50
- Porsche 911 1975-1977 3.0L Turbo (930)
- Porsche 911 1978-1989 3.3L Turbo (930)
Precision Engine Bolts & Studs – Strength, Accuracy, and Reliability for Porsche Engines
Engine bolts and studs are the unsung heroes of your Porsche’s powerplant — small but vital components that ensure structural integrity under extreme stress. From securing cylinder heads and connecting rods to fastening crankcases and manifolds, every fastener must deliver uncompromising strength, precision, and clamping force to maintain your engine’s performance and reliability.
At Design911, we offer a comprehensive selection of standard and high-performance bolts, studs, nuts, and fasteners designed specifically for Porsche engines. Each high performance component is precision-engineered from high-tensile steel, titanium, or ARP-grade alloy, delivering exceptional resistance to heat, vibration, and torque fatigue.
Whether you’re rebuilding a classic air-cooled 911 or tuning a modern GT model, our manufacturer-quality fasteners guarantee secure fitment, consistent torque retention, and long-term durability.
What Do Engine Bolts and Studs Do?
Engine bolts and studs hold critical components together under immense pressure. They maintain precise torque and tension, ensuring the engine block, heads, and internal assemblies remain perfectly sealed and aligned.
Core Functions:
- Provide
secure clamping force for key engine assemblies (head, crankcase,
rods, etc.).
- Maintain
torque integrity under thermal expansion and vibration.
- Prevent
component movement, preserving internal clearances and sealing
surfaces.
- Support rebuild precision, allowing components to be serviced repeatedly without distortion.
Motorsport-grade fasteners are designed to handle repeated torque cycles and extreme stress, making them essential for both performance tuning and professional engine restoration.
Why Do Engine Bolts and Studs Fail?
Over time, fasteners experience stretching, fatigue, and corrosion from heat, oil exposure, and repeated torque cycles. Even the strongest bolts have a finite service life — and failing to replace them can lead to catastrophic engine damage.
Common Causes of Failure Include:
- Metal
fatigue or stretching from repeated torque applications.
- Corrosion
and oxidation, especially in humid or high-heat environments.
- Over-tightening
or under-torquing, compromising clamping force.
- Thread
wear or damage from improper installation or debris.
- Thermal cycling, weakening material structure over time.
Replacing aged or stressed bolts and studs during every rebuild or major service ensures your Porsche’s engine remains structurally sound and leak-free.
Why Replace with Precision-Engineered Bolts and Studs?
Upgrading to high-performance fasteners delivers the security and strength demanded by Porsche engines. Precision-engineered bolts and studs ensure consistent torque retention, improved reliability, and extended component life — especially in high-load or high-temperature conditions.
Key Benefits:
Superior
clamping strength and torque retention for critical assemblies.
High
fatigue resistance, preventing loosening or failure under pressure.
Improved
corrosion protection with zinc, nickel, or black oxide coatings.
Ideal
for rebuilds, upgrades, and performance tuning applications.
Precision-thread
machining ensures repeatable installation and alignment.
Available
in titanium and high-tensile steel for maximum strength-to-weight
ratio.
These bolts and studs provide the perfect balance of motorsport-level performance and road-going durability, keeping your Porsche engine secure mile after mile.
Highlights:
- Comprehensive
range of bolts, studs, and fasteners for Porsche engines.
- Manufactured from ARP-grade steel, titanium, or high-tensile alloy.
- Precision-machined
threads for perfect alignment and consistent torque.
- Improved resistance to heat, corrosion, and vibration.
- Essential for rebuilds, tuning, and restoration projects.
- Designed for air-cooled and water-cooled Porsche engines.