Enter your VAT number here and click Verify:
Your details have been verified. VAT number registered to:
,
.
Your order will now be zero rated for VAT purposes. We reserve the right to verify these details after your order request has been made and reinstate VAT if required.
Your VAT details were not recognised or were invalid. Your VAT number must be matched to your Billing Country as specified above. This is currently specified as . You do not need to enter the country code part of your VAT number as this has already been selected in your billing address details above.
The VAT number checking service is currently offline. Please supply your VAT details within the comments or special instructions field below and we will apply a VAT discount after placing your order request.
Top mounts Front
Sold as Pair, 1 pair required per car

Fits:
Porsche 911 / 912 / 930 1966-89
Porsche 914 1970-76
Performance
Today's sticky tire compounds generate corner loads that easily compress factory rubber bushings causing wandering alignment settings. The result is that camber and toe change unpredictably, making steering imprecise and the car difficult to drive fast.
Monoball Cartridges replace compliant factory rubber bushings with hardened-steel spherical bearings. Unlike poly bushings that bind and resist movement, true spherical bearings allow free motion on multiple axis.
• Precise, razor sharp handling
• Holds alignment settings true
• Weather-Sealed for long life
• Eliminates camber loss due to compression
• Extremely low friction
Weather Seals
Our proprietary-design Monoball cartridges have optional weather seals to keep dirt out and extend product life.
This is the only Monoball suitable for street or extended track use. Dirt and water contaminate ordinary products and accelerate wear.
Fitment
Front monoballs fit easily into the stock camber plates of 67-89 911/912/930 cars (911 341 018 00). Cars with pre-67 camber plates are recommended to switch to a 67-89 camber plate for fitment. 65 cars without camber plates require grinding to enlarge the strut top opening to allow fitment of the cartridges.
Easy Bushing Replacement How-To
Your existing bushings are pressed in place, they will need to be pressed out, and you will need to press in the new bushings but it's really easy when you have the right tools. To ease and speed the bushing removal and installation process without using a shop press please see our purpose designed Split Bushing Removal Tool and our Bushing Installation tool.
Related reference numbers
Related, superseded, cross reference or alternative numbers for comparison.
2011000
The product you are viewing cross references to these numbers
- Porsche 911 1965-1968 2.0L / 912 SWB (F)
- Porsche 911 1968-1973 2.2L / 2.4L / 2.7L RS LWB (F)
- Porsche 911 1974-1977 2.7L / 1976-77 3.0 Carrera
- Porsche 911 1978-1983 3.0L / SC
- Porsche 911 1984-1986 3.2L
- Porsche 911 1987-1989 3.2L G50
- Porsche 911 1975-1977 3.0L Turbo (930)
- Porsche 911 1978-1989 3.3L Turbo (930)
- Porsche 914 (1970-1976)
use ONLY with QuickChange camber plates 2152200
1 kit, req'd per car.

Fits:
Porsche 911 / 912 / 930 / 914 1965-1989
Product description:
Coilover springs increase the diameter of front struts, often contacting the chassis such that the spring diameter limits the available camber adjustment range.
These extended-length upper spring perches solve the problem by moving the spring down where it won't contact the chassis.
Some cars can get over a degree of added camber adjustment range.
Extended-length perches are available for 2.25″ springs. You can add a 2.25″ to 2.5″ adaptor to use with 2.5″ springs.
Available with a 26mm ID for use only with QuickChange camber plates and with a 16mm ID for use with conventional camber plates.
Related reference numbers
Related, superseded, cross reference or alternative numbers for comparison.
2280902
The product you are viewing cross references to these numbers
- Porsche 911 1965-1968 2.0L / 912 SWB (F)
- Porsche 911 1968-1973 2.2L / 2.4L / 2.7L RS LWB (F)
- Porsche 911 1974-1977 2.7L / 1976-77 3.0 Carrera
- Porsche 911 1978-1983 3.0L / SC
- Porsche 911 1984-1986 3.2L
- Porsche 911 1987-1989 3.2L G50
- Porsche 911 1975-1977 3.0L Turbo (930)
- Porsche 911 1978-1989 3.3L Turbo (930)
- Porsche 914 (1970-1976)
for stock and offset camber plates
1 kit, req'd per car.

Fits:
Porsche 911 / 912 / 930 / 914 1965-1989
Product description:
Coilover springs increase the diameter of front struts, often contacting the chassis such that the spring diameter limits the available camber adjustment range.
These extended-length upper spring perches solve the problem by moving the spring down where it won't contact the chassis.
Some cars can get over a degree of added camber adjustment range.
Extended-length perches are available for 2.25″ springs. You can add a 2.25″ to 2.5″ adaptor to use with 2.5″ springs.
Available with a 26mm ID for use only with QuickChange camber plates and with a 16mm ID for use with conventional camber plates.
Related reference numbers
Related, superseded, cross reference or alternative numbers for comparison.
2280904
The product you are viewing cross references to these numbers
- Porsche 911 1965-1968 2.0L / 912 SWB (F)
- Porsche 911 1968-1973 2.2L / 2.4L / 2.7L RS LWB (F)
- Porsche 911 1974-1977 2.7L / 1976-77 3.0 Carrera
- Porsche 911 1978-1983 3.0L / SC
- Porsche 911 1984-1986 3.2L
- Porsche 911 1987-1989 3.2L G50
- Porsche 911 1975-1977 3.0L Turbo (930)
- Porsche 911 1978-1989 3.3L Turbo (930)
- Porsche 914 (1970-1976)
Fits:
Porsche 911 / 912 / 930 / 914 All 1969-89
Will not fit SWB cars
High Density front strut mounts for your 911/914 not only replace tired factory rubber pieces, but return better handling and ride quality without being overly stiff. At 25% more stiff than stock, these are a great compromise, allowing the front suspension to maintain better alignment and geometry over bumps and around corners thanks to their increased stiffness. Still at home on a race track, these will ride with a feel closer to factory than that of our more track oriented full camber plate and monoball setups.
Related reference numbers
Related, superseded, cross reference or alternative numbers for comparison.
91134101800
The product you are viewing cross references to these numbers
- Porsche 911 1968-1973 2.2L / 2.4L / 2.7L RS LWB (F)
- Porsche 911 1974-1977 2.7L / 1976-77 3.0 Carrera
- Porsche 911 1978-1983 3.0L / SC
- Porsche 911 1984-1986 3.2L
- Porsche 911 1987-1989 3.2L G50
- Porsche 911 1975-1977 3.0L Turbo (930)
- Porsche 911 1978-1989 3.3L Turbo (930)
- Porsche 914 (1970-1976)
Sold as a pair (both strut tops)
Fits onto part number: 91134101800

Fits:
Porsche 911 1965-1989
Porsche 914 1970-1976
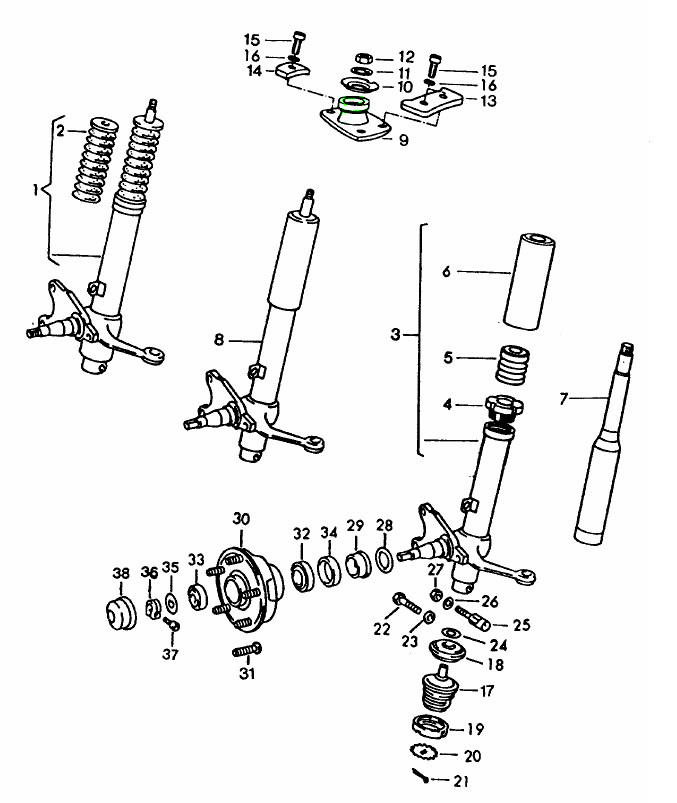
Click 'Zoom in' for large parts diagram.
Fits to No 9 on the diagram.
Powerflex. Replacing your car rubber suspension bushes with Polyurethane Suspension Bushes will give you:
- Better road holding
- Constant steering geometry
- Increased tyre life
- More responsive steering
- Longer service life of suspension components
Related reference numbers
Related, superseded, cross reference or alternative numbers for comparison.
PFF57-406
The product you are viewing cross references to these numbers
- Porsche 911 1965-1968 2.0L / 912 SWB (F)
- Porsche 911 1968-1973 2.2L / 2.4L / 2.7L RS LWB (F)
- Porsche 911 1974-1977 2.7L / 1976-77 3.0 Carrera
- Porsche 911 1978-1983 3.0L / SC
- Porsche 911 1984-1986 3.2L
- Porsche 911 1987-1989 3.2L G50
- Porsche 911 1975-1977 3.0L Turbo (930)
- Porsche 911 1978-1989 3.3L Turbo (930)
- Porsche 914 (1970-1976)
Sold as a pair (both strut tops)
Fits onto part number: 91134101800

Fits:
Porsche 911 1965-1989
Porsche 914 1970-1976
Click 'Zoom in' for large parts diagram.
Fits to No 9 on the diagram.
Powerflex Black Series - Designed for the Track - Ready to Race - Engineered to be the best.
Powerflex Black Series bushes are manufactured using a 95 Shore A compound to provide maximum control of chassis geometry. This compound can be up to 80% more resistant to load than standard rubber and 25% stiffer than our purple performance material.
If your requirements are purely for the ultimate in handling and chassis performance then Powerflex Black Series are unique, offering the most precise and accurate alignment for your chassis.
Related reference numbers
Related, superseded, cross reference or alternative numbers for comparison.
PFF57-406BLK
The product you are viewing cross references to these numbers
- Porsche 911 1965-1968 2.0L / 912 SWB (F)
- Porsche 911 1968-1973 2.2L / 2.4L / 2.7L RS LWB (F)
- Porsche 911 1974-1977 2.7L / 1976-77 3.0 Carrera
- Porsche 911 1978-1983 3.0L / SC
- Porsche 911 1984-1986 3.2L
- Porsche 911 1987-1989 3.2L G50
- Porsche 911 1975-1977 3.0L Turbo (930)
- Porsche 911 1978-1989 3.3L Turbo (930)
- Porsche 914 (1970-1976)
Sold as a pair (both strut tops)
Fits onto part number: 91134101800

Fits:
Porsche 911 1965-1989
Porsche 914 1970-76
Click 'Zoom in' for large parts diagram.
Fits to No 9 on the diagram.
Powerflex Heritage Collection. For Modern Day Classics.
POWERFLEX Heritage Collection bushes are manufactured using modern day materials with properties biased for the road. These dark grey coloured bushes will improve any collectors car, whilst retaining the same standard appearance of a rubber bush.
POWERFLEX Heritage Collection bushes are manufactured using modern day materials with properties biased for the road. These dark grey coloured bushes will improve any collector's car, whilst retaining the same standard appearance of a rubber bush.
Related reference numbers
Related, superseded, cross reference or alternative numbers for comparison.
PFF57-406H
The product you are viewing cross references to these numbers
- Porsche 911 1965-1968 2.0L / 912 SWB (F)
- Porsche 911 1968-1973 2.2L / 2.4L / 2.7L RS LWB (F)
- Porsche 911 1974-1977 2.7L / 1976-77 3.0 Carrera
- Porsche 911 1978-1983 3.0L / SC
- Porsche 911 1984-1986 3.2L
- Porsche 911 1987-1989 3.2L G50
- Porsche 911 1975-1977 3.0L Turbo (930)
- Porsche 911 1978-1989 3.3L Turbo (930)
- Porsche 914 (1970-1976)
Sold per kit, 1 kit req'd per car.


Porsche 996 / 997 C2 models 1999-2012
Porsche 986 / 987 1997-12
Elephant Racing's QuickChange™ Camber plates offer true ease of adjustment. The "slider" design allows a full range of adjustment without the need for removing and rotating the plate for C2, C4, and Turbo models.
More Camber
Range of adjustment is extreme, with 19mm of added travel. This delivers over 2 degrees of added camber, allowing even DOT-R tires and slicks to produce maximum grip.
QuickChange Camber Plate for C4 and Turbo Models
The Quickchange camber plates are available for C2, C4 and Turbo models and work with stock-type springs and coilovers. They will not raise ride height when used with stock-type springs.
Higher Performance
Spherical bearings further improve performance. The spherical bearings pivot freely, but eliminate the deflection that is inherent with the factory rubber bushings. This is important for two reasons;
– The factory rubber acts as a spring in series with the strut. This rubber spring-action is completely un-damped and reduces the struts ability to control the tire contact patch. The spherical bearing allows the strut damper to do its job and control the contact patch.
– The factory rubber deflects sideways under cornering loads, causing loss of camber just when you need it most. Our spherical bearings eliminate the deflection, maintaining stable and predictable camber.
Fully Weather Sealed
The included spherical bearings are oversized, maintenance-free, and PTFE lined – they never need lubrication.
Integrated weather seals on both bottom and top of the spherical bearing extend bearing life. Dirt and water enter competing non-sealed products to accelerate bearing wear. Worse yet are bottom-only seals that can actually trap water that enters the open bearing top!
Our weather seals are fully compatible with coilovers and stock type springs.
Use Stock Springs or Coilovers
Fully compatible with stock springs and aftermarket lowering springs. Also supports coilovers that use and upper spring perch.
Related reference numbers
Related, superseded, cross reference or alternative numbers for comparison.
2152205
The product you are viewing cross references to these numbers
- Porsche Boxster 986 2.5L 1997-99
- Porsche Boxster 986 2.7L 1999-02
- Porsche Boxster S 986 3.2L 1999-02
- Porsche Boxster 986 2.7L 2003-04
- Porsche Boxster S 986 3.2L 2003-04
- Porsche Boxster 987 2.7L 2005-08/08
- Porsche Boxster 987 S 3.2/3.4L 2005-08/08
- Porsche Boxster 987 MKII 2.9L 2009-12
- Porsche Boxster S 987 MKII 3.4L 2009-12
- Porsche 996 C2 3.4L 1997-08/01
- Porsche 996 C2 3.6L 09/01-2005
- Porsche 996 GT3 MKI 1999-02
- Porsche 996 GT3 MKII 2003>>
- Porsche 997 MK1 Carrera 2 3.6L 2005-08
- Porsche 997 MK1 Carrera 2S 3.8L 2005-08
- Porsche 997 MK1 GT3 2007-09
- Porsche 997 MKII Carrera C2 3.6L 2009-12
- Porsche 997 MKII Carrera C2S 3.8L 2009-12
- Porsche Cayman 2.7L 987C 2006-08
- Porsche Cayman S 3.4L 987C 2005-08
- Porsche Cayman 2.9L 987C MKII 2009-12
- Porsche Cayman S / R 3.4L 987C MKII 2009-12
- Porsche 914 (1970-1976)
Sold per kit, 1 kit req'd per car.

Elephant Racing's QuickChange™ Camber plates offer true ease of adjustment. The "slider" design allows a full range of adjustment without the need for removing and rotating the plate for C2, C4, and Turbo models.
Fits:
Porsche 996/997 C4 and Turbo Models 1999-2012
More Camber
Range of adjustment is extreme, with 19mm of added travel. This delivers over 2 degrees of added camber, allowing even DOT-R tires and slicks to produce maximum grip.
QuickChange Camber Plate for C4 and Turbo Models
The Quickchange camber plates are available for C2, C4 and Turbo models and work with stock-type springs and coilovers. They will not raise ride height when used with stock-type springs.
Higher Performance
Spherical bearings further improve performance. The spherical bearings pivot freely, but eliminate the deflection that is inherent with the factory rubber bushings. This is important for two reasons;
– The factory rubber acts as a spring in series with the strut. This rubber spring-action is completely un-damped and reduces the struts ability to control the tire contact patch. The spherical bearing allows the strut damper to do its job and control the contact patch.
– The factory rubber deflects sideways under cornering loads, causing loss of camber just when you need it most. Our spherical bearings eliminate the deflection, maintaining stable and predictable camber.
Fully Weather Sealed
The included spherical bearings are oversized, maintenance-free, and PTFE lined – they never need lubrication.
Integrated weather seals on both bottom and top of the spherical bearing extend bearing life. Dirt and water enter competing non-sealed products to accelerate bearing wear. Worse yet are bottom-only seals that can actually trap water that enters the open bearing top!
Our weather seals are fully compatible with coilovers and stock type springs.
Use Stock Springs or Coilovers
Fully compatible with stock springs and aftermarket lowering springs. Also supports coilovers that use and upper spring perch.
Related reference numbers
Related, superseded, cross reference or alternative numbers for comparison.
2152210
The product you are viewing cross references to these numbers
- Porsche 996 C4 3.6L 09/01-2005
- Porsche 996 C4S 3.6L 09/01-2005
- Porsche 996 TURBO 2000-05
- Porsche 997 MK1 Carrera 4 3.6L 2005-08
- Porsche 997 MK1 Carrera 4S 3.8L 2005-08
- Porsche 997 MK1 TURBO 2007-09
- Porsche 997 MKII Carrera C4 3.6L 2009-12
- Porsche 997 MKII Carrera C4S 3.8L 2009-12
- Porsche 997 MKII Turbo 2010-13
- Porsche 914 (1970-1976)
Replacement for 91134101800.
Fits:
Porsche 911/912/930/914 1966-89
* see note for fitment
Make Quick Camber Changes, Independent of Caster.
A bolt-in camber plate that allows easy camber adjustment, independent of caster. Indices allow adjustment without a camber gauge. Change camber track-side based on tire temp information, or switch between street and track settings easily.
✓ +/- 1.25 degrees added range
✓ Adjust camber independent of caster
✓ Make track-side camber changes
✓ Adjust without a gauge
✓ Completely bolt on
QuickChange for camber flexibility.
Loosening the large center nut allows camber to be changed quickly. Built-in indices allow accurate positioning without using a camber gauge. The included safety snap ring prevents the nut from coming off in the event it is not properly torqued.
You can easily maintain separate street and track camber settings, or quickly make track-side adjustments based on tire temperature.
The included monoball is oversized for long life and provides free, non-binding movement while precisely positioning the strut top.
Works great with torsion bar and coilover equipped cars.
Koni and Boge inserts will require the Koni/Boge adaptor kit sold seperately. Von and Bilstein inserts do not require the adaptor kit.
Please note:
• QuickChange Camber Plates can be fit to '66-'89 911/912/930 and 914 cars. May be used with Von, Bilstein, Koni, Boge, and other brand inserts.
• Koni and Boge strut inserts must use the Koni/Boge insert adaptor, available separately – Elephant Racing part number 2152203 (may also work with other brands).
• Von and Bilstein inserts must NOT USE the Koni/Boge insert adaptor. No adaptor is used with Von and Bilstein inserts.
• QuickChange Camber Plates may be used with coil over conversions. To use with coil over kits with Von or Bilstein inserts, you must use Elephant Racing Extended Length Upper Spring Perches for QuickChange camber plate part number 2280902. To use with coil over kits with other brands of inserts, use Elephant Racing Extended Length Upper Spring Perches part number 2280904.
• DO NOT install the strut-top dust covers (metal "cans" at the top of the strut). You may optionally install rubber bellows to provide dust protection, available separately.
Related reference numbers
Related, superseded, cross reference or alternative numbers for comparison.
2152200
The product you are viewing cross references to these numbers
- Porsche 911 1965-1968 2.0L / 912 SWB (F)
- Porsche 911 1968-1973 2.2L / 2.4L / 2.7L RS LWB (F)
- Porsche 911 1974-1977 2.7L / 1976-77 3.0 Carrera
- Porsche 911 1978-1983 3.0L / SC
- Porsche 911 1984-1986 3.2L
- Porsche 911 1987-1989 3.2L G50
- Porsche 911 1975-1977 3.0L Turbo (930)
- Porsche 911 1978-1989 3.3L Turbo (930)
- Porsche 914 (1970-1976)
Sold per kit, 1 kit req'd per car.
Extend the range of camber adjustment and dial in your desired settings with ease.
These plates use high strength hardened steel spherical bearings and are direct replacements for the factory plates. The Teflon lined spherical bearings used in our kit are maintenance-free and require no supplemental lubrication. Included seals prevent contamination from water or grime, thus extending bearing life.
Fits:
Porsche 964 1990-94 / 993 1995-98 Front camber plate 14mm spacers
Fully Weather Sealed:
We've designed in weather seals on the top and bottom to keep dirt out and extend product life. This is the only camber plate suitable for street or extended track use. Dirt and water contaminate ordinary products and accelerate wear.
This camber plate is intended to be used with a non-factory upper spring perch and spring. This kit is suited to work perfectly with Von Coilover systems or other similar solutions.
Please note: please contact us if you wish to use this camber plate kit in conjunction with factory or lowering springs.
Ease of Camber Adjustment
Indices on the camber plate allow measured changes without setup tools.
Extended Caster
These plates deliver the same caster as the 993 for enhance camber gain when turning.
Improved Shock / Coilover Performance
Spherical bearings further improve performance. The spherical bearings pivot freely and eliminate the deflection that is inherent with the factory rubber bushings. This is important for two reasons;
– The factory rubber acts as a spring in series with the strut. This rubber spring-action is completely un-damped and reduces the struts ability to control the tire contact patch. The spherical bearing allows the strut damper to do its job and control the contact patch.
– The factory rubber deflects sideways under cornering loads, causing loss of camber just when you need it most. Our spherical bearings eliminate the deflection, maintaining stable and predictable camber.
Related reference numbers
Related, superseded, cross reference or alternative numbers for comparison.
2152202
The product you are viewing cross references to these numbers
- Porsche 964 (911) C2 1989-93
- Porsche 964 (911) C4 1989-93
- Porsche 964 (911) RS 3.6L 1991-93
- Porsche 964 (911) RS 3.8L 1991-93
- Porsche 964 (911) TURBO 3.3L 1991-93
- Porsche 964 (911) TURBO 3.6L 1991-93
- Porsche 993 (911) C2 1994-97
- Porsche 993 (911) C4 1994-97
- Porsche 993 (911) RS 1994-97
- Porsche 993 (911) C2S 1994-97
- Porsche 993 (911) C4S 1994-97
- Porsche 993 (911) TURBO 1994-96
- Porsche 993 (911) GT2 1994-97
- Porsche 993 (911) TURBO S 1994-97
- Porsche 914 (1970-1976)
Stock / Sport replacement (harder rubber) - 85 Shore rating
1 kit required per car
Fits:
Porsche 911 / 912 / 930 / 914 All 1969-89
Will not fit SWB cars
These 911, 914 strut mounts with stiffer rubber bushings are perfect for street / sport use.
Rubber Re-bush
A true rubber replacement bushing for the factory strut top camber plates.
"Sport" hardness rubber compound improves performance by reducing deflection under load, while maintaining the ride characteristics of rubber.
Related reference numbers
Related, superseded, cross reference or alternative numbers for comparison.
PR98A01P
The product you are viewing cross references to these numbers
- Porsche 911 1965-1968 2.0L / 912 SWB (F)
- Porsche 911 1968-1973 2.2L / 2.4L / 2.7L RS LWB (F)
- Porsche 911 1974-1977 2.7L / 1976-77 3.0 Carrera
- Porsche 911 1978-1983 3.0L / SC
- Porsche 911 1984-1986 3.2L
- Porsche 911 1987-1989 3.2L G50
- Porsche 911 1975-1977 3.0L Turbo (930)
- Porsche 911 1978-1989 3.3L Turbo (930)
- Porsche 914 (1970-1976)
- Porsche 912E 4CYL 1976
Porsche Top Mounts Front
Enhance your Porsche suspension with the right choice of front top mounts, whether you are refreshing tired originals or moving to a more performance-focused setup. Front top mounts sit at the top of the front struts and have a direct influence on steering feel, noise levels and how precisely your Porsche responds to inputs.
Why do Porsche Top Mounts Front matter?
Front top mounts connect the suspension strut to the chassis and allow the strut to pivot smoothly as you steer. Over time, the rubber elements can perish and the bearings can wear, which affects comfort, refinement and the precision of your Porsche’s front end. Choosing the right replacement helps you keep the car feeling tight, predictable and enjoyable, whether on the road or occasional track use.
- Keep your Porsche looking and feeling smart rather than tired or neglected
- Help protect surrounding suspension components by keeping alignment closer to specification
- Reduce minor niggles such as knocks, creaks and vague steering from worn mounts
- Support long-term enjoyment, pride of ownership and potential resale value
Common options & kits
Individual replacement parts provide a direct substitute for a single worn front top mount or bearing without changing the rest of the suspension. This is useful where one component has clearly failed and the remaining system is in good condition.
- Ideal for targeted repairs
- Lets you replace only what is needed
- Helps keep initial costs under control
Matched sets or pairs group left and right top mounts and related components so both sides of the front axle are renewed together. This helps maintain consistent steering feel and response across the car.
- Consistent feel and behaviour between sides
- Helps avoid uneven wear or steering response
- A sensible choice for routine suspension refresh work
Complete kits bring together top mounts, bearings and sometimes associated fittings in one package. These are useful when you are overhauling the front suspension, upgrading for fast-road or track use, or working on a restoration where you want a known-good baseline.
- Everything specified in a single package
- Saves time compared with sourcing parts individually
- Ideal when upgrading or restoring your Porsche
Brands available in this category
For this category we stock a wide choice of trusted brands for Porsche models. You can also browse and filter by brand on this page to focus on your preferred manufacturers.
When should you review or replace your Porsche top mounts front?
Checking front top mounts regularly helps you spot wear, damage or age-related deterioration before it affects comfort, refinement or leads to more expensive suspension work later on.
- Existing mounts are worn, cracked, noisy or show signs of perished rubber
- You notice knocking over bumps, creaking when steering or vague steering feel
- Tyres show uneven wear that may be linked to alignment movement at the top of the strut
- You are carrying out wider suspension work and want everything to feel consistent and fresh
If any of these apply, it is a good time to review your front top mounts and replace anything that is past its best so your Porsche stays dependable and enjoyable to drive.
Explore Porsche top mounts front with Design911
Browse top mounts front for Porsche at Design911 — from individual parts to complete kits — and find options to suit everyday maintenance, upgrades and full suspension projects.