Switches / Selector Switches

Fits:
Porsche 928 S 1983-85
A 547 629 >>
A 543 395 >>
Porsche 928 S4 1987-91
Porsche 928 GTS 1992-95
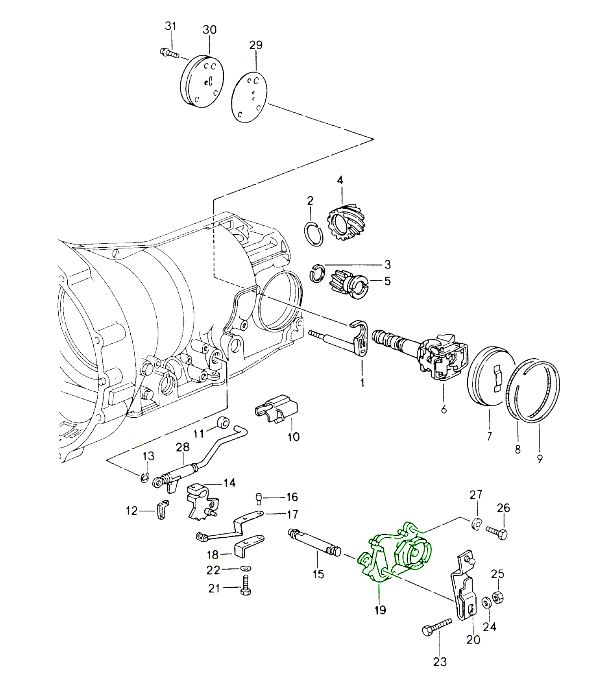
Click 'Zoom in' for large parts diagram.
Diagram ref no 19
Related reference numbers
Related, superseded, cross reference or alternative numbers for comparison.
0005456606
The product you are viewing cross references to these numbers
- Porsche 928S2 4.7L 1984-86
- Porsche 928S4 5.0L 1987-92
- Porsche 928GT 5.0L 1989-91
- Porsche 928GTS 5.4L 1992-95
Porsche Gearbox & Selector Switches | Precision Sensors for Reliable Gear Position Detection
Gearbox and selector switches are vital electrical components that monitor and communicate the position of your Porsche’s transmission selector mechanism. These switches control various functions such as reverse lights, neutral safety systems, and gear recognition sensors — ensuring smooth operation and accurate feedback to your vehicle’s control systems.
At Design911, we supply high-quality gearbox and selector switches engineered to match or exceed original design standards. Built from durable materials and precision-calibrated for reliable electrical contact, our switches guarantee long-lasting performance and accurate signal transmission across all Porsche models.
Whether you’re diagnosing an intermittent gear signal fault or restoring full gearbox function, our gearbox switches deliver consistent reliability and compatibility with both manual and automatic transmissions.
What Do Gearbox Switches & Selector Switches Do?
Gearbox and selector switches serve as sensors that detect the position of internal or external gearbox components, sending signals to the ECU or dashboard systems.
Core Functions:
- Detect and communicate gear position to the ECU or driver display.
- Activate reverse lights and safety interlocks.
- Enable correct start/stop conditions (neutral or park).
- Support smooth gear changes and transmission coordination.
- Ensure accurate feedback for modern electronic control systems.
Without properly functioning switches, gear position data can become inaccurate, leading to shifting issues, warning lights, or even start-prevention in automatic models.
Why Do Gearbox & Selector Switches Fail or Malfunction?
Due to constant exposure to vibration, oil, and heat, gearbox switches are prone to electrical degradation or mechanical failure over time.
Common Causes of Failure Include:
- Corrosion or oil ingress into the switch housing.
- Worn or damaged electrical contacts causing intermittent signals.
- Heat damage or cracked casings from prolonged use.
- Wiring or connector corrosion from moisture exposure.
- Mechanical wear in internal selector linkages affecting engagement.
When gearbox or selector switches fail, you may notice issues such as reverse lights not activating, erratic gear indication, or inability to start the car in neutral or park.
Why Replace Your Porsche Gearbox / Selector Switches?
Replacing faulty gearbox switches ensures accurate gear detection, restores electrical safety functions, and eliminates error codes. High-quality replacements improve electrical reliability and responsiveness, ideal for both restoration and performance applications.
Key Benefits:
- Restores accurate gear position signalling.
- Eliminates dashboard warning lights and shifting faults.
- Prevents start-prevention or safety lockout issues.
- Ensures proper communication between gearbox and ECU.
- Compatible with Porsche manual, automatic, and PDK systems.
- Easy-fit replacements designed for long-term durability.
It’s recommended to inspect and replace gearbox or selector switches during transmission servicing to prevent future electrical or safety-related faults.
Highlights
- Premium Porsche gearbox and selector switches.
- Designed for precision gear position detection.
- Reliable electrical performance and durable construction.
- Compatible with Porsche 911, Cayman, Boxster, and PDK models.
- Essential for gearbox safety, signalling, and performance.
- Ideal for servicing, repairs, and complete transmission rebuilds.