Enter your VAT number here and click Verify:
Your details have been verified. VAT number registered to:
,
.
Your order will now be zero rated for VAT purposes. We reserve the right to verify these details after your order request has been made and reinstate VAT if required.
Your VAT details were not recognised or were invalid. Your VAT number must be matched to your Billing Country as specified above. This is currently specified as . You do not need to enter the country code part of your VAT number as this has already been selected in your billing address details above.
The VAT number checking service is currently offline. Please supply your VAT details within the comments or special instructions field below and we will apply a VAT discount after placing your order request.
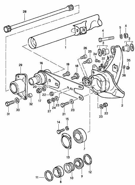
Wheel Bearings & Kits
2 sets required per car
Fits:
Porsche 911 - 1969 to 1989
Porsche 911 turbo - 1975 to 1989
Porsche 912E - 1976
Porsche 914-6 - 1970 to 1976
Kit Includes:
2 x Taper roller bearing (inner and outer)
1 x Wheel bearing radial seal
1 x Wheel bearing spacer ring
1 x Wheel bearing spacer ring O-ring
Diagram ref no 23, 24, 29, 27 and 28
Related reference numbers
Related, superseded, cross reference or alternative numbers for comparison.
WBEARINGKIT03
The product you are viewing cross references to these numbers
- Porsche 911 1968-1973 2.2L / 2.4L / 2.7L RS LWB (F)
- Porsche 911 1974-1977 2.7L / 1976-77 3.0 Carrera
- Porsche 911 1978-1983 3.0L / SC
- Porsche 911 1984-1986 3.2L
- Porsche 911 1987-1989 3.2L G50
- Porsche 911 1975-1977 3.0L Turbo (930)
- Porsche 911 1978-1989 3.3L Turbo (930)
- Porsche 914 (1970-1976)
- Porsche 912E 4CYL 1976
2 sets required per car

Fits:
Porsche 911 Turbo (1975 - 1989)
Porsche 911 Carrera (1984 - 1989) M491 Turbo Look only
Click 'Zoom in' for large parts diagram.
Diagram ref no 7A, 7B, 7C, 7D, 7E, 24 and 25
Related reference numbers
Related, superseded, cross reference or alternative numbers for comparison.
WBEARINGKIT02
The product you are viewing cross references to these numbers
- Porsche 911 1984-1986 3.2L
- Porsche 911 1987-1989 3.2L G50
- Porsche 911 1975-1977 3.0L Turbo (930)
- Porsche 911 1978-1989 3.3L Turbo (930)

Fits:
Porsche 356 (1950 to 1965)
Porsche 911/912 (1965 to 1989)
Porsche 914 (1970 to 1976)
Porsche 924 / 924 S (1976 to 1988)
Porsche 928 (1978 to 1995)
Porsche 944 /2 (1982 to 1991)
Porsche 968 (1992 to 1995)
Related reference numbers
Related, superseded, cross reference or alternative numbers for comparison.
PCG04311000
The product you are viewing cross references to these numbers
- Porsche 911 1965-1968 2.0L / 912 SWB (F)
- Porsche 911 1968-1973 2.2L / 2.4L / 2.7L RS LWB (F)
- Porsche 911 1974-1977 2.7L / 1976-77 3.0 Carrera
- Porsche 911 1978-1983 3.0L / SC
- Porsche 911 1984-1986 3.2L
- Porsche 911 1987-1989 3.2L G50
- Porsche 911 1975-1977 3.0L Turbo (930)
- Porsche 911 1978-1989 3.3L Turbo (930)
- Porsche 924 2.0L 1976-79
- Porsche 924 2.0L 1980-85
- Porsche 924 Turbo 2.0L 1979-81
- Porsche 924 Turbo 2.0L 1982-84
- Porsche 924 Carrera GT 2.0L 1981
- Porsche 924 Carrera GTS 2.0L 1982
- Porsche 924S 2.5L 1986-87
- Porsche 924S 2.5L 1988
- Porsche 944 2.5L 8V 1982-87
- Porsche 944 2.7L 8V 1988-89
- Porsche 944S 2.5L 16V 1987-88
- Porsche 944S2 3.0L 16V 1989-91
- Porsche 944 Turbo 2.5L 8V 1985-88
- Porsche 944 Turbo 2.5L 8V 1989-91
- Porsche 944 Turbo S 2.5L 8V 1988
- Porsche 968 3.0L 1992-94
- Porsche 968 Sport 3.0L 1994-95
- Porsche 968 CS 3.0L 1993-95
- Porsche 968 Turbo S 3.0L 1993-94
- Porsche 928 4.5L 1978-82
- Porsche 928S 4.7L 1981-83
- Porsche 928S2 4.7L 1984-86
- Porsche 928S4 5.0L 1987-92
- Porsche 928GT 5.0L 1989-91
- Porsche 928GTS 5.4L 1992-95
- Porsche 356 1950-55
- Porsche 356A 1955-59
- Porsche 356B 1959-63
- Porsche 356C 1963-65
- Porsche 914 (1970-1976)
58 x 81.2 x 5
REAR INNER SEALING RING

Fits:
Porsche 911 (930) Turbo 1975-89
Click 'zoom in' for large parts diagram.
Diagram ref no 12.
Related reference numbers
Related, superseded, cross reference or alternative numbers for comparison.
99911321840
The product you are viewing cross references to these numbers
- Porsche 911 1975-1977 3.0L Turbo (930)
- Porsche 911 1978-1989 3.3L Turbo (930)
This seal fits around the rotating shaft or axle interface (typically within the rear wheel hub or drive-axle assembly) to keep lubricant contained and prevent dirt, moisture, and debris from entering. Its exact fit and high-quality materials ensure optimal lubrication, minimize wear, and extend the life of surrounding bearings and gears.
Fits:
Porsche 911 (930) Turbo 1975 - 1989
Diagram ref no 12.
• Dimension: Designed to replace the factory shaft or wheel hub seal (measuring 58 × 81.2 × 5 mm)
• Position: Rear wheel hub / drive-shaft bearing interface
• Benefit: Superior fit and sealing durability to maintain lubrication and protect drivetrain bearings and gears.
With time, heat, constant rotation, and oil exposure can cause the seal material to harden or crack. Once compromised, it allows lubricant to leak and contaminants to enter, leading to excessive bearing or gear wear and potential drivetrain failure.
When to Replace:
• During rear axle or differential servicing, or when removing the drive shaft or hub.
• If you notice oil or grease leaks around the axle, hub, or trailing arm area.
• As part of preventive maintenance on high-mileage or performance-driven Porsche models.
Replacing restores proper fit, material integrity, and sealing performance - protecting your drivetrain and extending component life.
Related reference numbers
Related, superseded, cross reference or alternative numbers for comparison.
99911321840
The product you are viewing cross references to these numbers
- Porsche 911 1975-1977 3.0L Turbo (930)
- Porsche 911 1978-1989 3.3L Turbo (930)
65 x 85 x 8
REAR OUTER SEALING RING

Fits:
Porsche 911 (930) Turbo 1975-89
Click 'zoom in' for large parts diagram.
Diagram ref no 11.
Related reference numbers
Related, superseded, cross reference or alternative numbers for comparison.
99911323540
The product you are viewing cross references to these numbers
- Porsche 911 1975-1977 3.0L Turbo (930)
- Porsche 911 1978-1989 3.3L Turbo (930)
Shaft sealing ring, also commonly referred to as a drive shaft or outer seal, that sits around a rotating shaft or axle in the rear differential/axle assembly. Its primary function is to keep gear oil or differential lubricant contained while preventing contamination from entering the assembly.
Fits:
Porsche 911 (930) Turbo 1975 - 1989
Diagram ref no 11.
• Dimension: Manufactured to replicate the original Porsche part’s critical dimensions (65 × 85 × 8 mm)
• Position: Outer drive-shaft or axle tube interface, rear differential assembly
• Benefit: Accurate dimensions & material matching for proper sealing and long life
Over time, the original seal may harden, crack, or fail under heat, oil exposure and axle rotation, leading to oil leakage, differential lubricant loss or contamination ingress—potentially accelerating bearing or gear wear.
When to Replace:
• During rear axle or differential service, especially when removing the drive-shaft/cross-tube.
• If you observe lubricant leaking from around the outer axle or trailing arm area, or cleaned-up oil traces near the seal.
• As part of preventative maintenance when rebuilding suspensions or axles, especially in Turbo-Look or high-performance 911 models
Replacing with a new seal restores correct internal lubrication, prevents leakage and protects drivetrain components for the long term.
Related reference numbers
Related, superseded, cross reference or alternative numbers for comparison.
99911323540
The product you are viewing cross references to these numbers
- Porsche 911 1975-1977 3.0L Turbo (930)
- Porsche 911 1978-1989 3.3L Turbo (930)
2 required, sold each.
Fits:
Porsche 911 1970-89
Porsche 912 1976
Porsche 924 / 924S 1977-88
Porsche 928 1978-95
Porsche 944 1983-91
Porsche 968 1992-95
Diagram ref no 35
Related reference numbers
Related, superseded, cross reference or alternative numbers for comparison.
91134166300
The product you are viewing cross references to these numbers
- Porsche 911 1968-1973 2.2L / 2.4L / 2.7L RS LWB (F)
- Porsche 911 1974-1977 2.7L / 1976-77 3.0 Carrera
- Porsche 911 1978-1983 3.0L / SC
- Porsche 911 1984-1986 3.2L
- Porsche 911 1987-1989 3.2L G50
- Porsche 911 1975-1977 3.0L Turbo (930)
- Porsche 911 1978-1989 3.3L Turbo (930)
- Porsche 924 2.0L 1976-79
- Porsche 924 2.0L 1980-85
- Porsche 924 Turbo 2.0L 1979-81
- Porsche 924 Turbo 2.0L 1982-84
- Porsche 924 Carrera GT 2.0L 1981
- Porsche 924 Carrera GTS 2.0L 1982
- Porsche 924S 2.5L 1986-87
- Porsche 924S 2.5L 1988
- Porsche 944 2.5L 8V 1982-87
- Porsche 944 2.7L 8V 1988-89
- Porsche 944S 2.5L 16V 1987-88
- Porsche 944S2 3.0L 16V 1989-91
- Porsche 944 Turbo 2.5L 8V 1985-88
- Porsche 944 Turbo 2.5L 8V 1989-91
- Porsche 944 Turbo S 2.5L 8V 1988
- Porsche 968 3.0L 1992-94
- Porsche 968 Sport 3.0L 1994-95
- Porsche 968 CS 3.0L 1993-95
- Porsche 968 Turbo S 3.0L 1993-94
- Porsche 928 4.5L 1978-82
- Porsche 928S 4.7L 1981-83
- Porsche 928S2 4.7L 1984-86
- Porsche 928S4 5.0L 1987-92
- Porsche 928GT 5.0L 1989-91
- Porsche 928GTS 5.4L 1992-95
- Porsche 912E 4CYL 1976
2 required, sold each.
Fits:
Porsche 911 1970-89
Porsche 912 1976
Porsche 924 / 924S 1977-88
Porsche 928 1978-95
Porsche 944 1983-91
Porsche 968 1992-95
Diagram ref no 35
Related reference numbers
Related, superseded, cross reference or alternative numbers for comparison.
91134166300
The product you are viewing cross references to these numbers
- Porsche 911 1968-1973 2.2L / 2.4L / 2.7L RS LWB (F)
- Porsche 911 1974-1977 2.7L / 1976-77 3.0 Carrera
- Porsche 911 1978-1983 3.0L / SC
- Porsche 911 1984-1986 3.2L
- Porsche 911 1987-1989 3.2L G50
- Porsche 911 1975-1977 3.0L Turbo (930)
- Porsche 911 1978-1989 3.3L Turbo (930)
- Porsche 924 2.0L 1976-79
- Porsche 924 2.0L 1980-85
- Porsche 924 Turbo 2.0L 1979-81
- Porsche 924 Turbo 2.0L 1982-84
- Porsche 924 Carrera GT 2.0L 1981
- Porsche 924 Carrera GTS 2.0L 1982
- Porsche 924S 2.5L 1986-87
- Porsche 924S 2.5L 1988
- Porsche 944 2.5L 8V 1982-87
- Porsche 944 2.7L 8V 1988-89
- Porsche 944S 2.5L 16V 1987-88
- Porsche 944S2 3.0L 16V 1989-91
- Porsche 944 Turbo 2.5L 8V 1985-88
- Porsche 944 Turbo 2.5L 8V 1989-91
- Porsche 944 Turbo S 2.5L 8V 1988
- Porsche 968 3.0L 1992-94
- Porsche 968 Sport 3.0L 1994-95
- Porsche 968 CS 3.0L 1993-95
- Porsche 968 Turbo S 3.0L 1993-94
- Porsche 928 4.5L 1978-82
- Porsche 928S 4.7L 1981-83
- Porsche 928S2 4.7L 1984-86
- Porsche 928S4 5.0L 1987-92
- Porsche 928GT 5.0L 1989-91
- Porsche 928GTS 5.4L 1992-95
- Porsche 912E 4CYL 1976
Sold each - 2 required per car
Fits:
Porsche 356 C 1963-65
Porsche 911 1965-89
Porsche 914 1970-76
Porsche 928 1978-95
Porsche 924 1976-88
Porsche 944 1982-91
Porsche 968 1992-95
Diagram ref no 43
Related reference numbers
Related, superseded, cross reference or alternative numbers for comparison.
477405641
The product you are viewing cross references to these numbers
- Porsche 911 1965-1968 2.0L / 912 SWB (F)
- Porsche 911 1968-1973 2.2L / 2.4L / 2.7L RS LWB (F)
- Porsche 911 1974-1977 2.7L / 1976-77 3.0 Carrera
- Porsche 911 1978-1983 3.0L / SC
- Porsche 911 1984-1986 3.2L
- Porsche 911 1987-1989 3.2L G50
- Porsche 911 1975-1977 3.0L Turbo (930)
- Porsche 911 1978-1989 3.3L Turbo (930)
- Porsche 924 2.0L 1976-79
- Porsche 924 2.0L 1980-85
- Porsche 924 Turbo 2.0L 1979-81
- Porsche 924 Turbo 2.0L 1982-84
- Porsche 924 Carrera GT 2.0L 1981
- Porsche 924 Carrera GTS 2.0L 1982
- Porsche 924S 2.5L 1986-87
- Porsche 924S 2.5L 1988
- Porsche 944 2.5L 8V 1982-87
- Porsche 944 2.7L 8V 1988-89
- Porsche 944S 2.5L 16V 1987-88
- Porsche 944S2 3.0L 16V 1989-91
- Porsche 944 Turbo 2.5L 8V 1985-88
- Porsche 944 Turbo 2.5L 8V 1989-91
- Porsche 944 Turbo S 2.5L 8V 1988
- Porsche 968 3.0L 1992-94
- Porsche 968 Sport 3.0L 1994-95
- Porsche 968 CS 3.0L 1993-95
- Porsche 968 Turbo S 3.0L 1993-94
- Porsche 928 4.5L 1978-82
- Porsche 928S 4.7L 1981-83
- Porsche 928S2 4.7L 1984-86
- Porsche 928S4 5.0L 1987-92
- Porsche 928GT 5.0L 1989-91
- Porsche 928GTS 5.4L 1992-95
- Porsche 356C 1963-65
- Porsche 914 (1970-1976)
Sold each - 2 required per car
Fits:
Porsche 911 - 1965 to 1989
Porsche 914 - 1970 to 1976
Diagram ref no 23
Related reference numbers
Related, superseded, cross reference or alternative numbers for comparison.
99970108450
The product you are viewing cross references to these numbers
- Porsche 911 1965-1968 2.0L / 912 SWB (F)
- Porsche 911 1968-1973 2.2L / 2.4L / 2.7L RS LWB (F)
- Porsche 911 1974-1977 2.7L / 1976-77 3.0 Carrera
- Porsche 911 1978-1983 3.0L / SC
- Porsche 911 1984-1986 3.2L
- Porsche 911 1987-1989 3.2L G50
- Porsche 911 1975-1977 3.0L Turbo (930)
- Porsche 911 1978-1989 3.3L Turbo (930)
- Porsche 914 (1970-1976)
Sold each - 2 required per car

Fits:
Porsche 911 - 1965 to 1989
Porsche 914 - 1970 to 1976
Click 'Zoom in' for large parts diagram.
Diagram ref no 23
Related reference numbers
Related, superseded, cross reference or alternative numbers for comparison.
99970108450
The product you are viewing cross references to these numbers
- Porsche 911 1965-1968 2.0L / 912 SWB (F)
- Porsche 911 1968-1973 2.2L / 2.4L / 2.7L RS LWB (F)
- Porsche 911 1974-1977 2.7L / 1976-77 3.0 Carrera
- Porsche 911 1978-1983 3.0L / SC
- Porsche 911 1984-1986 3.2L
- Porsche 911 1987-1989 3.2L G50
- Porsche 911 1975-1977 3.0L Turbo (930)
- Porsche 911 1978-1989 3.3L Turbo (930)
- Porsche 914 (1970-1976)
Sold each - 2 required per car
Fits:
Porsche 356 C 1963-65
Porsche 911 1965-89
Porsche 914 1970-76
Porsche 928 1978-95
Porsche 924 1976-88
Porsche 944 1982-91
Porsche 968 1992-95
Diagram ref no 43
Related reference numbers
Related, superseded, cross reference or alternative numbers for comparison.
477405641
The product you are viewing cross references to these numbers
- Porsche 911 1965-1968 2.0L / 912 SWB (F)
- Porsche 911 1968-1973 2.2L / 2.4L / 2.7L RS LWB (F)
- Porsche 911 1974-1977 2.7L / 1976-77 3.0 Carrera
- Porsche 911 1978-1983 3.0L / SC
- Porsche 911 1984-1986 3.2L
- Porsche 911 1987-1989 3.2L G50
- Porsche 911 1975-1977 3.0L Turbo (930)
- Porsche 911 1978-1989 3.3L Turbo (930)
- Porsche 924 2.0L 1976-79
- Porsche 924 2.0L 1980-85
- Porsche 924 Turbo 2.0L 1979-81
- Porsche 924 Turbo 2.0L 1982-84
- Porsche 924 Carrera GT 2.0L 1981
- Porsche 924 Carrera GTS 2.0L 1982
- Porsche 924S 2.5L 1986-87
- Porsche 924S 2.5L 1988
- Porsche 944 2.5L 8V 1982-87
- Porsche 944 2.7L 8V 1988-89
- Porsche 944S 2.5L 16V 1987-88
- Porsche 944S2 3.0L 16V 1989-91
- Porsche 944 Turbo 2.5L 8V 1985-88
- Porsche 944 Turbo 2.5L 8V 1989-91
- Porsche 944 Turbo S 2.5L 8V 1988
- Porsche 968 3.0L 1992-94
- Porsche 968 Sport 3.0L 1994-95
- Porsche 968 CS 3.0L 1993-95
- Porsche 968 Turbo S 3.0L 1993-94
- Porsche 928 4.5L 1978-82
- Porsche 928S 4.7L 1981-83
- Porsche 928S2 4.7L 1984-86
- Porsche 928S4 5.0L 1987-92
- Porsche 928GT 5.0L 1989-91
- Porsche 928GTS 5.4L 1992-95
- Porsche 356C 1963-65
- Porsche 914 (1970-1976)
FRONT INNER

Fits:
Porsche 911 1965-89
Porsche 930 (911) 1974-89
Porsche 924 1976-85
Porsche 944 1982-86
Porsche 914-6
Click 'Zoom in' for large parts diagram.
Diagram ref no 27.
Related reference numbers
Related, superseded, cross reference or alternative numbers for comparison.
99905909800
The product you are viewing cross references to these numbers
- Porsche 911 1965-1968 2.0L / 912 SWB (F)
- Porsche 911 1968-1973 2.2L / 2.4L / 2.7L RS LWB (F)
- Porsche 911 1974-1977 2.7L / 1976-77 3.0 Carrera
- Porsche 911 1978-1983 3.0L / SC
- Porsche 911 1984-1986 3.2L
- Porsche 911 1987-1989 3.2L G50
- Porsche 911 1975-1977 3.0L Turbo (930)
- Porsche 911 1978-1989 3.3L Turbo (930)
- Porsche 924 2.0L 1976-79
- Porsche 924 2.0L 1980-85
- Porsche 924 Turbo 2.0L 1979-81
- Porsche 924 Turbo 2.0L 1982-84
- Porsche 924 Carrera GT 2.0L 1981
- Porsche 924 Carrera GTS 2.0L 1982
- Porsche 944 2.5L 8V 1982-87
- Porsche 914 (1970-1976)
FRONT INNER
Fits:
Porsche 911 1965-89
Porsche 930 (911) 1974-89
Porsche 924 1976-85
Porsche 944 1982-86
Porsche 914-6
Diagram Ref No 27
Related reference numbers
Related, superseded, cross reference or alternative numbers for comparison.
99905909800
The product you are viewing cross references to these numbers
- Porsche 911 1965-1968 2.0L / 912 SWB (F)
- Porsche 911 1968-1973 2.2L / 2.4L / 2.7L RS LWB (F)
- Porsche 911 1974-1977 2.7L / 1976-77 3.0 Carrera
- Porsche 911 1978-1983 3.0L / SC
- Porsche 911 1984-1986 3.2L
- Porsche 911 1987-1989 3.2L G50
- Porsche 911 1975-1977 3.0L Turbo (930)
- Porsche 911 1978-1989 3.3L Turbo (930)
- Porsche 924 2.0L 1976-79
- Porsche 924 2.0L 1980-85
- Porsche 924 Turbo 2.0L 1979-81
- Porsche 924 Turbo 2.0L 1982-84
- Porsche 924 Carrera GT 2.0L 1981
- Porsche 924 Carrera GTS 2.0L 1982
- Porsche 944 2.5L 8V 1982-87
- Porsche 914 (1970-1976)
REAR INNER

Fits:
Porsche 911 Turbo (930) 3.0L 1975-77
Porsche 911 Turbo (930) 3.3L 1978-89
Click 'Zoom in' for large parts diagram.
Diagram ref no 9.
Related reference numbers
Related, superseded, cross reference or alternative numbers for comparison.
99905904700
The product you are viewing cross references to these numbers
- Porsche 911 1975-1977 3.0L Turbo (930)
- Porsche 911 1978-1989 3.3L Turbo (930)
Porsche Wheel Bearings & Kits | Design911 Suspension Components for Smooth Rotation, Precision & Safety
Wheel bearings are critical components within your Porsche’s suspension and axle assembly, ensuring smooth, friction-free rotation of the wheels. They support the vehicle’s weight while allowing the wheels to spin precisely and quietly at high speeds. Properly functioning bearings contribute to stability, ride comfort, and predictable handling — all essential for maintaining the performance and safety your Porsche is known for.
At Design911, we supply a complete selection of wheel bearings and bearing kits, engineered for precision fitment, strength, and longevity. Each bearing set is crafted from premium-grade materials and designed to meet the high-performance demands of both classic and modern Porsche models. Whether for routine maintenance, performance upgrades, or full restoration, our range ensures your Porsche delivers a quiet, stable, and confident ride.
What Do Wheel Bearings Do?
Wheel bearings enable the wheels to rotate smoothly around the hub while supporting vertical and lateral loads.
Core Functions:
• Allow free and precise wheel rotation with minimal friction.
• Support vehicle weight while maintaining wheel alignment.
• Reduce vibration, noise, and rolling resistance.
• Enhance cornering stability and braking performance.
• Protect suspension and hub components from excessive wear.
High-quality bearings ensure quiet operation and smooth performance, providing the secure, agile driving dynamics that Porsche drivers demand.
Why Do Wheel Bearings Fail or Degrade?
Wheel bearings operate under high load, temperature, and rotational stress — eventually leading to wear or damage.
Common Causes of Failure Include:
• Contamination from water, dirt, or road debris.
• Loss of lubrication or grease degradation.
• Corrosion or pitting of the bearing races.
• Impact damage from potholes or kerbs.
• Wear due to age or improper installation torque.
When wheel bearings fail, symptoms can include humming noises, vibration, wheel play, or uneven tyre wear — all of which reduce handling precision and driving safety.
Why Replace or Upgrade Your Porsche Wheel Bearings?
Replacing worn wheel bearings restores smooth, quiet operation and ensures stable, predictable handling. Upgraded bearing kits offer increased durability for high-performance or track-driven vehicles.
Key Benefits:
• Eliminates vibration, wheel play, and noise.
• Restores precise steering and suspension stability.
• Improves safety, grip, and cornering confidence.
• Available as complete front or rear bearing kits for Porsche models.
• Fits Porsche 911, 944, 968, Boxster, Cayman, Cayenne, Panamera, and Macan.
• Ideal for maintenance, restorations, or high-performance upgrades.
Design911’s Porsche wheel bearings and kits are engineered for accuracy, durability, and performance — ensuring your Porsche runs as smooth and stable as the day it left the assembly line.
Highlights
• Premium Porsche wheel bearings and complete bearing kits.
• Precision-engineered for quiet, friction-free rotation.
• Restores handling, steering accuracy, and ride comfort.
• Manufactured from high-strength, wear-resistant materials.
• Suitable for both classic and modern Porsche models.
• Perfect for servicing, performance tuning, or full restorations.