Fuel Tank & Parts
Fuel tank filler neck to the centre filling of the bonnet just like race cars and RSR, ST
Fits:
Porsche 911 2.7-3.3L 08/73-07/89
For Installation Instructions please CLICK HERE
Related reference numbers
Related, superseded, cross reference or alternative numbers for comparison.
FUELKIT01
The product you are viewing cross references to these numbers
- Porsche 911 1968-1973 2.2L / 2.4L / 2.7L RS LWB (F)
- Porsche 911 1974-1977 2.7L / 1976-77 3.0 Carrera
- Porsche 911 1978-1983 3.0L / SC
- Porsche 911 1984-1986 3.2L
- Porsche 911 1987-1989 3.2L G50
- Porsche 911 1975-1977 3.0L Turbo (930)
- Porsche 911 1978-1989 3.3L Turbo (930)
Braided Fuel Hose (Sold by the Metre) - 9.3mm Internal Diameter / 15.3mm Outer Diameter.
This high-quality braided fuel hose is designed for multiple uses within the fuel system of various vehicles. It offers extremely low fuel permeability, excellent heat resistance, and high flexibility, making it a reliable choice for demanding applications.
Fits:
Porsche 911 Carrera 1965-89
Porsche 911 Turbo (930) 1975-89
Porsche 914 1970-76
Porsche 924 1976-85
Porsche 928 1978-91
Comparable to Porsche part number(s): N0203591 & PCG020359A
Specifications:
Inner Diameter (ID): 9.3mm
Outer Diameter (OD): 15.3mm
Material: FPM/ECO/AR/ECO (Type 3E) – Compliant with DIN 73379-1
Complies With: EU End-of-Life Vehicles Directive
NOTE: This product is not suitable for use in fuel tanks, or for gear and/or engine oils. Always follow the manufacturer's specifications regarding operating temperatures, especially for high-performance engines exposed to extreme heat.
Related reference numbers
Related, superseded, cross reference or alternative numbers for comparison.
PCG020359A
The product you are viewing cross references to these numbers
- Porsche 911 1965-1968 2.0L / 912 SWB (F)
- Porsche 911 1968-1973 2.2L / 2.4L / 2.7L RS LWB (F)
- Porsche 911 1974-1977 2.7L / 1976-77 3.0 Carrera
- Porsche 911 1978-1983 3.0L / SC
- Porsche 911 1984-1986 3.2L
- Porsche 911 1987-1989 3.2L G50
- Porsche 911 1975-1977 3.0L Turbo (930)
- Porsche 911 1978-1989 3.3L Turbo (930)
- Porsche 924 2.0L 1976-79
- Porsche 924 2.0L 1980-85
- Porsche 924 Turbo 2.0L 1979-81
- Porsche 924 Turbo 2.0L 1982-84
- Porsche 924 Carrera GT 2.0L 1981
- Porsche 924 Carrera GTS 2.0L 1982
- Porsche 928 4.5L 1978-82
- Porsche 928S 4.7L 1981-83
- Porsche 928S2 4.7L 1984-86
- Porsche 928S4 5.0L 1987-92
- Porsche 928GT 5.0L 1989-91
- Porsche 914 (1970-1976)
Fits:
Porsche 911 1971-89
Porsche 911 (930) Turbo 1975-89
Diagram Ref No 60
Related reference numbers
Related, superseded, cross reference or alternative numbers for comparison.
113919133
The product you are viewing cross references to these numbers
- Porsche 911 1968-1973 2.2L / 2.4L / 2.7L RS LWB (F)
- Porsche 911 1974-1977 2.7L / 1976-77 3.0 Carrera
- Porsche 911 1978-1983 3.0L / SC
- Porsche 911 1984-1986 3.2L
- Porsche 911 1987-1989 3.2L G50
- Porsche 911 1975-1977 3.0L Turbo (930)
- Porsche 911 1978-1989 3.3L Turbo (930)
Fits:
Porsche 911 1971-89
Porsche 911 (930) Turbo 1975-89
Diagram Ref No 60
Related reference numbers
Related, superseded, cross reference or alternative numbers for comparison.
113919133
The product you are viewing cross references to these numbers
- Porsche 911 1968-1973 2.2L / 2.4L / 2.7L RS LWB (F)
- Porsche 911 1974-1977 2.7L / 1976-77 3.0 Carrera
- Porsche 911 1978-1983 3.0L / SC
- Porsche 911 1984-1986 3.2L
- Porsche 911 1987-1989 3.2L G50
- Porsche 911 1975-1977 3.0L Turbo (930)
- Porsche 911 1978-1989 3.3L Turbo (930)
Fits:
Porsche 911 2.0L-3.3L 01/1963-07/1989 (74-89 may require modifications to bottom pipe connections)
Related reference numbers
Related, superseded, cross reference or alternative numbers for comparison.
90120101030
The product you are viewing cross references to these numbers
- Porsche 911 1965-1968 2.0L / 912 SWB (F)
- Porsche 911 1968-1973 2.2L / 2.4L / 2.7L RS LWB (F)
- Porsche 911 1974-1977 2.7L / 1976-77 3.0 Carrera
- Porsche 911 1978-1983 3.0L / SC
- Porsche 911 1984-1986 3.2L
- Porsche 911 1987-1989 3.2L G50
- Porsche 911 1975-1977 3.0L Turbo (930)
- Porsche 911 1978-1989 3.3L Turbo (930)

Fits:
Porsche 911 1974-89
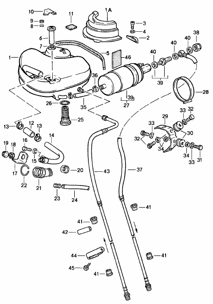
Click 'Zoom in' for large parts diagram.
Diagram Ref No 1.
Related reference numbers
Related, superseded, cross reference or alternative numbers for comparison.
93020101005
The product you are viewing cross references to these numbers
- Porsche 911 1974-1977 2.7L / 1976-77 3.0 Carrera
- Porsche 911 1978-1983 3.0L / SC
- Porsche 911 1984-1986 3.2L
- Porsche 911 1987-1989 3.2L G50
- Porsche 911 1975-1977 3.0L Turbo (930)
- Porsche 911 1978-1989 3.3L Turbo (930)
Fuel tank, 85 L, with internal fuel strainer.
Fits:
Porsche 911 1974-89
Click 'Zoom in' for large parts diagram.
Diagram Ref No 1.
Related reference numbers
Related, superseded, cross reference or alternative numbers for comparison.
93020101005
The product you are viewing cross references to these numbers
- Porsche 911 1974-1977 2.7L / 1976-77 3.0 Carrera
- Porsche 911 1978-1983 3.0L / SC
- Porsche 911 1984-1986 3.2L
- Porsche 911 1987-1989 3.2L G50
- Porsche 911 1975-1977 3.0L Turbo (930)
- Porsche 911 1978-1989 3.3L Turbo (930)

Fits:
Porsche 911 >>1989
Fuel Tank protection Plate 911 5 mm thick Aloy. This plate fits All 911 until 89 to protect the bottom off the tank. Set comes with mounting materials.
- Porsche 911 1965-1968 2.0L / 912 SWB (F)
- Porsche 911 1968-1973 2.2L / 2.4L / 2.7L RS LWB (F)
- Porsche 911 1974-1977 2.7L / 1976-77 3.0 Carrera
- Porsche 911 1978-1983 3.0L / SC
- Porsche 911 1984-1986 3.2L
- Porsche 911 1987-1989 3.2L G50
- Porsche 911 1975-1977 3.0L Turbo (930)
- Porsche 911 1978-1989 3.3L Turbo (930)
Fits:
Porsche 911/912 1965-69
Porsche 911 1970-89
Porsche 930 Turbo 1975-89
Diagram ref no 12
Related reference numbers
Related, superseded, cross reference or alternative numbers for comparison.
91120151500
The product you are viewing cross references to these numbers
- Porsche 911 1965-1968 2.0L / 912 SWB (F)
- Porsche 911 1968-1973 2.2L / 2.4L / 2.7L RS LWB (F)
- Porsche 911 1974-1977 2.7L / 1976-77 3.0 Carrera
- Porsche 911 1978-1983 3.0L / SC
- Porsche 911 1984-1986 3.2L
- Porsche 911 1987-1989 3.2L G50
- Porsche 911 1975-1977 3.0L Turbo (930)
- Porsche 911 1978-1989 3.3L Turbo (930)
Fits:
Porsche 911/912 1965-69
Porsche 911 1970-89
Porsche 930 Turbo 1975-89
Diagram ref no 12
Related reference numbers
Related, superseded, cross reference or alternative numbers for comparison.
91120151500
The product you are viewing cross references to these numbers
- Porsche 911 1965-1968 2.0L / 912 SWB (F)
- Porsche 911 1968-1973 2.2L / 2.4L / 2.7L RS LWB (F)
- Porsche 911 1974-1977 2.7L / 1976-77 3.0 Carrera
- Porsche 911 1978-1983 3.0L / SC
- Porsche 911 1984-1986 3.2L
- Porsche 911 1987-1989 3.2L G50
- Porsche 911 1975-1977 3.0L Turbo (930)
- Porsche 911 1978-1989 3.3L Turbo (930)

Fits:
Porsche 911/912 1965-69
Porsche 911 1970-73
Porsche 911 1974-89
Click 'Zoom in' for large parts diagram.
Diagram Ref No 13.
Related reference numbers
Related, superseded, cross reference or alternative numbers for comparison.
90150493220
The product you are viewing cross references to these numbers
- Porsche 911 1965-1968 2.0L / 912 SWB (F)
- Porsche 911 1968-1973 2.2L / 2.4L / 2.7L RS LWB (F)
- Porsche 911 1974-1977 2.7L / 1976-77 3.0 Carrera
- Porsche 911 1978-1983 3.0L / SC
- Porsche 911 1984-1986 3.2L
- Porsche 911 1987-1989 3.2L G50
- Porsche 911 1975-1977 3.0L Turbo (930)
- Porsche 911 1978-1989 3.3L Turbo (930)

Fits:
Porsche 911/912 1965-69
Porsche 911 1970-73
Porsche 911 1974-89
Click 'Zoom in' for large parts diagram.
Diagram Ref No 13.
Related reference numbers
Related, superseded, cross reference or alternative numbers for comparison.
90150493220
The product you are viewing cross references to these numbers
- Porsche 911 1965-1968 2.0L / 912 SWB (F)
- Porsche 911 1968-1973 2.2L / 2.4L / 2.7L RS LWB (F)
- Porsche 911 1974-1977 2.7L / 1976-77 3.0 Carrera
- Porsche 911 1978-1983 3.0L / SC
- Porsche 911 1984-1986 3.2L
- Porsche 911 1987-1989 3.2L G50
- Porsche 911 1975-1977 3.0L Turbo (930)
- Porsche 911 1978-1989 3.3L Turbo (930)
Using this cover helps to protect the connection on your fuel or oil sending unit. Metal covers like this were factory installed on all 911, 930, 912E models in the early 1970's into the late 1980's to cover the fuel tank sending unit in the front trunk. It also works and fits perfectly on the oil tank sending unit.
Fits:
Porsche 356A / 356B / 356C 1955-65
Porsche 911 / 912 / 930 1969-89
Porsche 964 1989-1994
Related reference numbers
Related, superseded, cross reference or alternative numbers for comparison.
90120127530
The product you are viewing cross references to these numbers
- Porsche 911 1965-1968 2.0L / 912 SWB (F)
- Porsche 911 1968-1973 2.2L / 2.4L / 2.7L RS LWB (F)
- Porsche 911 1974-1977 2.7L / 1976-77 3.0 Carrera
- Porsche 911 1978-1983 3.0L / SC
- Porsche 911 1984-1986 3.2L
- Porsche 911 1987-1989 3.2L G50
- Porsche 911 1975-1977 3.0L Turbo (930)
- Porsche 911 1978-1989 3.3L Turbo (930)
- Porsche 964 (911) C2 1989-93
- Porsche 964 (911) C4 1989-93
- Porsche 964 (911) RS 3.6L 1991-93
- Porsche 964 (911) RS 3.8L 1991-93
- Porsche 964 (911) TURBO 3.3L 1991-93
- Porsche 964 (911) TURBO 3.6L 1991-93
- Porsche 356A 1955-59
- Porsche 356B 1959-63
- Porsche 356C 1963-65
Fits:
Porsche 911 (1965 - 1989)
Diagram ref no 59
Related reference numbers
Related, superseded, cross reference or alternative numbers for comparison.
90120127531
The product you are viewing cross references to these numbers
- Porsche 911 1965-1968 2.0L / 912 SWB (F)
- Porsche 911 1968-1973 2.2L / 2.4L / 2.7L RS LWB (F)
- Porsche 911 1974-1977 2.7L / 1976-77 3.0 Carrera
- Porsche 911 1978-1983 3.0L / SC
- Porsche 911 1984-1986 3.2L
- Porsche 911 1987-1989 3.2L G50
- Porsche 911 1975-1977 3.0L Turbo (930)
- Porsche 911 1978-1989 3.3L Turbo (930)
Fits:
Porsche 911 F (1969 - 1973)
Porsche 911 G (1974 - 1989)
Related reference numbers
Related, superseded, cross reference or alternative numbers for comparison.
90120127530
The product you are viewing cross references to these numbers
- Porsche 911 1965-1968 2.0L / 912 SWB (F)
- Porsche 911 1968-1973 2.2L / 2.4L / 2.7L RS LWB (F)
- Porsche 911 1974-1977 2.7L / 1976-77 3.0 Carrera
- Porsche 911 1978-1983 3.0L / SC
- Porsche 911 1984-1986 3.2L
- Porsche 911 1987-1989 3.2L G50
- Porsche 911 1975-1977 3.0L Turbo (930)
- Porsche 911 1978-1989 3.3L Turbo (930)
Fits:
Porsche 911 1965-71
Porsche 911 1978-89
Diagram ref no 10
Related reference numbers
Related, superseded, cross reference or alternative numbers for comparison.
90120131100
The product you are viewing cross references to these numbers
- Porsche 911 1965-1968 2.0L / 912 SWB (F)
- Porsche 911 1968-1973 2.2L / 2.4L / 2.7L RS LWB (F)
- Porsche 911 1978-1983 3.0L / SC
- Porsche 911 1984-1986 3.2L
- Porsche 911 1987-1989 3.2L G50
- Porsche 911 1978-1989 3.3L Turbo (930)
Fuel Tanks & Components – Reliable Fuel Storage and Performance for Porsche Vehicles
Your Porsche’s fuel tank is the foundation of its fuel system, storing and supplying petrol safely to the engine. Working alongside essential components such as tank straps, seals, fittings, filters, and breather valves, the fuel tank ensures efficient flow, pressure stability, and safety in every driving condition.
At Design911, we offer a wide range of fuel tanks and replacement parts designed for Porsche models across generations — from air-cooled classics to high-performance GT cars. Each component is built from corrosion-resistant materials to deliver long-lasting durability, leak-free sealing, and reliable performance.
Whether you’re restoring a vintage 911 or maintaining a modern Porsche, our manufacturer-quality tanks and fittings provide superior build quality and exact fitment for peace of mind and long-term reliability.
What Do Fuel Tanks and Their Components Do?
The fuel tank stores petrol and ensures safe, uninterrupted supply to the fuel pump and injection system. Supporting parts such as hoses, straps, seals, and sensors maintain pressure balance and structural integrity.
Core Functions:
- Stores
and protects fuel from contamination and evaporation.
- Provides
consistent delivery to the fuel pump and injectors.
- Ventilation
and pressure regulation via breather systems.
- Ensures safe operation through leak prevention and corrosion resistance.
A properly functioning tank and its fittings are vital for engine performance, efficiency, and safety — especially in performance-focused Porsche engines.
Why Do Fuel Tanks and Components Fail?
Fuel tanks and fittings are constantly exposed to harsh conditions — fuel vapours, moisture, and road debris — all of which can lead to deterioration over time.
Common Causes of Failure Include:
- Corrosion
and rust due to moisture and ethanol-blended fuels.
- Cracked
hoses or fittings, leading to leaks and pressure loss.
- Deteriorated
seals or gaskets causing vapour emissions or odours.
- Physical
damage from road debris or accidents.
- Internal contamination from old fuel or sediment buildup.
Symptoms of fuel tank issues include fuel smells, visible leaks, poor pressure, or inconsistent fuel delivery, all of which affect performance and safety.
Why Replace with Precision-Engineered Fuel Tanks and Parts?
Upgrading or replacing damaged or aged components restores the integrity and safety of your Porsche’s fuel system. Our precision-fit, corrosion-resistant tanks and parts are designed to maintain proper fuel delivery and ventilation while preventing leaks and emissions.
Key Benefits:
- Restores reliable fuel storage and pressure regulation.
- Prevents leaks, vapour loss, and performance issues.
- Improves fuel efficiency and drivability.
- Constructed from high-grade steel or composite materials.
- Direct-fit
replacement for classic and modern Porsche models.
- Long-lasting protection against corrosion and vibration damage.
Essential for restorations and repairs, these components help ensure your Porsche continues to perform with precision and confidence.
Highlights:
- High-quality Porsche fuel tanks and replacement components.
- Corrosion- and pressure-resistant construction.
- Direct-fit
compatibility for a wide range of Porsche models.
- Ensures safe, efficient fuel storage and delivery.
- Ideal for restorations, upgrades, and maintenance projects.
- Designed for long-term reliability and performance.