Enter your VAT number here and click Verify:
Your details have been verified. VAT number registered to:
,
.
Your order will now be zero rated for VAT purposes. We reserve the right to verify these details after your order request has been made and reinstate VAT if required.
Your VAT details were not recognised or were invalid. Your VAT number must be matched to your Billing Country as specified above. This is currently specified as . You do not need to enter the country code part of your VAT number as this has already been selected in your billing address details above.
The VAT number checking service is currently offline. Please supply your VAT details within the comments or special instructions field below and we will apply a VAT discount after placing your order request.
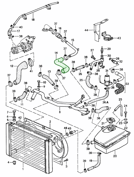
Radiator Top / Bottom Hoses
Fits:
Porsche 944 S2 3.0L 1989-91
Click 'Zoom in' for large parts diagram.
Diagram ref no 17, 20, 23, 25, 27, 28, 30, 34, 37 and 39.
Related reference numbers
Related, superseded, cross reference or alternative numbers for comparison.
WATERPIPEKIT04
The product you are viewing cross references to these numbers
- Porsche 944S2 3.0L 16V 1989-91

Fits:
Porsche 924 - 1976 to 1985
Porsche 944 - 1982 to 1985
Click 'Zoom in' for large parts diagram.
Diagram ref no 14
Related reference numbers
Related, superseded, cross reference or alternative numbers for comparison.
046121099
The product you are viewing cross references to these numbers
- Porsche 924 2.0L 1976-79
- Porsche 924 2.0L 1980-85
- Porsche 944 2.5L 8V 1982-87
Fits:
Porsche 944 S 1987-88
Porsche 944 S2 1989-91
Diagram ref. 26.
Related reference numbers
Related, superseded, cross reference or alternative numbers for comparison.
94410609101
The product you are viewing cross references to these numbers
- Porsche 944S 2.5L 16V 1987-88
- Porsche 944S2 3.0L 16V 1989-91

Fits:
Porsche 944 1982-85
Click 'Zoom in' to see the diagram.
Diagram ref no 8.
Related reference numbers
Related, superseded, cross reference or alternative numbers for comparison.
94410623705
The product you are viewing cross references to these numbers
- Porsche 944 2.5L 8V 1982-87

Fits:
Porsche 944 1985-91
Click 'Zoom in' to see the diagram.
Diagram ref no 8.
Related reference numbers
Related, superseded, cross reference or alternative numbers for comparison.
94410623707
The product you are viewing cross references to these numbers
- Porsche 944 2.5L 8V 1982-87
- Porsche 944 2.7L 8V 1988-89
- Porsche 944S 2.5L 16V 1987-88
- Porsche 944S2 3.0L 16V 1989-91
- Porsche 944 Turbo 2.5L 8V 1985-88
- Porsche 944 Turbo 2.5L 8V 1989-91
- Porsche 944 Turbo S 2.5L 8V 1988
Fits:
Porsche 944S2 1989-91
Porsche 968 1992-95
Diagram ref no 23.
Related reference numbers
Related, superseded, cross reference or alternative numbers for comparison.
95110623704
The product you are viewing cross references to these numbers
- Porsche 944S2 3.0L 16V 1989-91
- Porsche 968 3.0L 1992-94
- Porsche 968 Sport 3.0L 1994-95
- Porsche 968 CS 3.0L 1993-95
- Porsche 968 Turbo S 3.0L 1993-94
Fits:
Porsche 944S2 1989-91
Porsche 968 1992-95
Diagram ref no 23.
Related reference numbers
Related, superseded, cross reference or alternative numbers for comparison.
95110623704
The product you are viewing cross references to these numbers
- Porsche 944S2 3.0L 16V 1989-91
- Porsche 968 3.0L 1992-94
- Porsche 968 Sport 3.0L 1994-95
- Porsche 968 CS 3.0L 1993-95
- Porsche 968 Turbo S 3.0L 1993-94

Fits:
Porsche 944 1982-85
Click 'Zoom in' to see the diagram.
Diagram ref no 8.
Related reference numbers
Related, superseded, cross reference or alternative numbers for comparison.
94410623705
The product you are viewing cross references to these numbers
- Porsche 944 2.5L 8V 1982-87
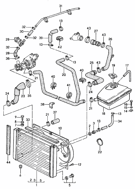
Direct-fit replacement hose for the radiator lower hose on Porsche 944 road cars (models 1985 through 1991). It connects the bottom outlet of the radiator to the water pump inlet, forming a critical part of the engine’s coolant circulation system. Precision-moulded to original shape and dimensions, this hose fits exactly as the factory part did - ensuring correct routing, secure sealing, and reliable coolant flow under pressure and high engine temperatures.
Fits:
Porsche 944 1985 - 1991
Diagram ref no 8.
• Application: Lower radiator hose — radiator bottom outlet → water pump inlet.
• Ideal Use Cases: Cooling system maintenance, hose replacement during service, overheating prevention, or when original hose shows wear, cracks or leaks.
Coolant hoses are subject to continuous heat cycling, coolant chemical exposure, and flexing from engine vibration. Over time the rubber can degrade - becoming brittle, soft, cracked, or swollen. A failing radiator hose may lead to:
• Coolant leaks - causing low coolant levels or visible drips under the car.
• Engine overheating - risking long-term engine damage or immediate breakdown.
• Loss of coolant pressure or air ingress - potentially reducing cooling system efficiency.
Using a new hose restores reliable coolant circulation, helps prevent leaks, supports stable engine temperature, and reduces the risk of costly engine overheating or damage.
Related reference numbers
Related, superseded, cross reference or alternative numbers for comparison.
94410623707
The product you are viewing cross references to these numbers
- Porsche 944 2.5L 8V 1982-87
- Porsche 944 2.7L 8V 1988-89
- Porsche 944S 2.5L 16V 1987-88
- Porsche 944S2 3.0L 16V 1989-91
- Porsche 944 Turbo 2.5L 8V 1985-88
- Porsche 944 Turbo 2.5L 8V 1989-91
- Porsche 944 Turbo S 2.5L 8V 1988

Fits:
Porsche 944 1985-91
Click 'Zoom in' to see the diagram.
Diagram ref no 9.
Related reference numbers
Related, superseded, cross reference or alternative numbers for comparison.
94410623907
The product you are viewing cross references to these numbers
- Porsche 944 2.5L 8V 1982-87
- Porsche 944 2.7L 8V 1988-89
- Porsche 944S 2.5L 16V 1987-88
- Porsche 944S2 3.0L 16V 1989-91

Fits:
Porsche 944 1985-91
Click 'Zoom in'" to see the diagram.
Diagram ref no 9.
Related reference numbers
Related, superseded, cross reference or alternative numbers for comparison.
94410623907
The product you are viewing cross references to these numbers
- Porsche 944 2.5L 8V 1982-87
- Porsche 944 2.7L 8V 1988-89
- Porsche 944S 2.5L 16V 1987-88
- Porsche 944S2 3.0L 16V 1989-91

Fits:
Porsche 944 Turbo 1985-91
Click 'Zoom in' to see the diagram.
Diagram ref no 14.
Related reference numbers
Related, superseded, cross reference or alternative numbers for comparison.
95110624101
The product you are viewing cross references to these numbers
- Porsche 944 Turbo 2.5L 8V 1985-88
- Porsche 944 Turbo 2.5L 8V 1989-91
- Porsche 944 Turbo S 2.5L 8V 1988

Fits:
Porsche 944 Turbo 1985-91
Click 'Zoom in' to see the diagram.
Diagram ref no 14.
Related reference numbers
Related, superseded, cross reference or alternative numbers for comparison.
95110624101
The product you are viewing cross references to these numbers
- Porsche 944 Turbo 2.5L 8V 1985-88
- Porsche 944 Turbo 2.5L 8V 1989-91
- Porsche 944 Turbo S 2.5L 8V 1988

Fits:
Porsche 944 2.5L 1981-1985 Engine type: 4401 / 4402 / 4403 / 4404
M >> 41D 1285
M >> 41D 5164
M >> 43D 3439
M >> 43D 5517
Click 'Zoom in' for large parts diagram.
Diagram ref no 9
Related reference numbers
Related, superseded, cross reference or alternative numbers for comparison.
94410623912
The product you are viewing cross references to these numbers
- Porsche 944 2.5L 8V 1982-87

Fits:
Porsche 944 2.5L 1981-1985 Engine type: 4401 / 4402 / 4403 / 4404
M >> 41D 1285
M >> 41D 5164
M >> 43D 3439
M >> 43D 5517
Click 'Zoom in' for large parts diagram.
Diagram ref no 9
Related reference numbers
Related, superseded, cross reference or alternative numbers for comparison.
94410623912
The product you are viewing cross references to these numbers
- Porsche 944 2.5L 8V 1982-87

Fits:
Porsche 944 S 2.5L 1987-85
Porsche 944 S2 3.0L 1989-91
Click "Zoom in" to see the diagram.
Diagram ref no 25.
Related reference numbers
Related, superseded, cross reference or alternative numbers for comparison.
94410623906
The product you are viewing cross references to these numbers
- Porsche 944S 2.5L 16V 1987-88
- Porsche 944S2 3.0L 16V 1989-91
Radiator Top & Bottom Hoses – Reliable Cooling for Porsche Performance
Radiator top and bottom hoses are vital components of your Porsche’s cooling system, responsible for transporting coolant between the radiator and the engine. The top hose carries hot coolant from the engine to the radiator for cooling, while the bottom hose returns the cooled fluid back to the engine, maintaining optimal operating temperatures for performance, efficiency, and reliability.
At Design911, we offer a full range of genuine and manufacturer-quality radiator top and bottom hoses for Porsche models including 911, Boxster, Cayman, Cayenne, Macan, and Panamera. Each hose is precision-engineered for perfect fitment, high pressure tolerance, and exceptional heat resistance — ensuring reliable cooling under the most demanding driving conditions.
What Do Radiator Top and Bottom Hoses Do?
Coolant hoses are the lifelines of your Porsche’s cooling
system, and the radiator hoses perform the following key functions:
- Carry
coolant between the radiator and the engine.
- Regulate
engine temperature for consistent performance.
- Maintain
coolant pressure throughout the cooling circuit.
- Prevent overheating by ensuring efficient heat transfer.
Both the top and bottom hoses are designed to withstand high heat, vibration, and coolant pressure, providing dependable performance in every driving scenario.
Why Do Radiator Hoses Fail?
Over time, radiator hoses deteriorate due to heat, pressure,
and exposure to coolant. Common causes of hose failure include:
- Rubber
cracking or hardening from continuous heat cycles.
- Swelling
or soft spots due to coolant chemical breakdown.
- Leaks
at hose ends or clamps from pressure loss.
- Abrasion
damage caused by engine vibration or contact.
- Age-related material fatigue, especially in older vehicles.
Symptoms of hose failure include coolant leaks, visible cracks or bulges, fluctuating engine temperature, or a noticeable coolant smell in the engine bay.
Why Replace Faulty Radiator Hoses?
A leaking or weakened radiator hose can lead to overheating, coolant loss, and potential engine damage. Replacing these hoses as part of routine maintenance ensures consistent cooling performance and reliability.
Benefits of replacement include:
- Restored coolant flow and temperature stability.
- Prevention of leaks and overheating.
- Improved cooling system pressure and performance.
- Manufacturer-quality materials for long-term durability.
All radiator hoses in this range are made using reinforced, high-grade rubber and polymer compounds, designed to meet or exceed factory specifications for heat resistance, flexibility, and longevity.