Enter your VAT number here and click Verify:
Your details have been verified. VAT number registered to:
,
.
Your order will now be zero rated for VAT purposes. We reserve the right to verify these details after your order request has been made and reinstate VAT if required.
Your VAT details were not recognised or were invalid. Your VAT number must be matched to your Billing Country as specified above. This is currently specified as . You do not need to enter the country code part of your VAT number as this has already been selected in your billing address details above.
The VAT number checking service is currently offline. Please supply your VAT details within the comments or special instructions field below and we will apply a VAT discount after placing your order request.
Oil Tank & Parts
Over time, original oil lines can develop leaks or internal restrictions, leading to reduced cooling efficiency and potential engine damage. Replacing them with this new kit restores proper oil circulation and helps maintain stable operating temperatures for maximum engine longevity.
* For cars with oil thermostat part number:
96420704705
96420704307
96420704308
Porsche 964 - 1989 to 1994
Diagram Ref No 21, 22 and 46
Related reference numbers
Related, superseded, cross reference or alternative numbers for comparison.
96420724107
The product you are viewing cross references to these numbers
- Porsche 964 (911) C2 1989-93
- Porsche 964 (911) C4 1989-93
- Porsche 964 (911) RS 3.6L 1991-93
- Porsche 964 (911) RS 3.8L 1991-93
- Porsche 964 (911) TURBO 3.3L 1991-93
- Porsche 964 (911) TURBO 3.6L 1991-93
*For cars with oil thermostat Part Number:
96420704703
96420704306
Compatible with :
Porsche 964 - 1989 to 1994
Diagram ref no 21, 22 and 49
Related reference numbers
Related, superseded, cross reference or alternative numbers for comparison.
96420725102
The product you are viewing cross references to these numbers
- Porsche 964 (911) C2 1989-93
- Porsche 964 (911) C4 1989-93
- Porsche 964 (911) RS 3.6L 1991-93
- Porsche 964 (911) RS 3.8L 1991-93
- Porsche 964 (911) TURBO 3.3L 1991-93
- Porsche 964 (911) TURBO 3.6L 1991-93
Fits:
Exhaust Gas
Porsche 911 1978>>1989
Porsche 964 1989>>1994
Porsche 924S 1986>>1988
Porsche 944 1985>>1991
Porsche 928 S2 1983>>1986
Inlet Manifold
Porsche 955 Cayenne 3.2L V6 2003>>2006
Diagram Ref No 22
Related reference numbers
Related, superseded, cross reference or alternative numbers for comparison.
034133335D
The product you are viewing cross references to these numbers
- Porsche 911 1978-1983 3.0L / SC
- Porsche 911 1984-1986 3.2L
- Porsche 911 1987-1989 3.2L G50
- Porsche 911 1975-1977 3.0L Turbo (930)
- Porsche 911 1978-1989 3.3L Turbo (930)
- Porsche 964 (911) C2 1989-93
- Porsche 964 (911) C4 1989-93
- Porsche 964 (911) RS 3.6L 1991-93
- Porsche 964 (911) RS 3.8L 1991-93
- Porsche 964 (911) TURBO 3.3L 1991-93
- Porsche 964 (911) TURBO 3.6L 1991-93
- Porsche 944 2.5L 8V 1982-87
- Porsche 944 2.7L 8V 1988-89
- Porsche 944S 2.5L 16V 1987-88
- Porsche 944S2 3.0L 16V 1989-91
- Porsche 944 Turbo 2.5L 8V 1985-88
- Porsche 944 Turbo 2.5L 8V 1989-91
- Porsche 944 Turbo S 2.5L 8V 1988
- Porsche 928S2 4.7L 1984-86

Fits:
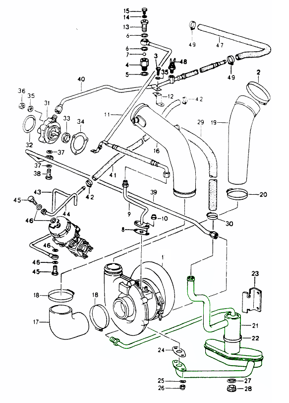
Porsche 964 Turbo 3.6L M64.50
Click 'Zoom in' for large parts diagram.
Diagram Ref No 21
Related reference numbers
Related, superseded, cross reference or alternative numbers for comparison.
96410700120
The product you are viewing cross references to these numbers
- Porsche 964 (911) TURBO 3.6L 1991-93
Fits:
Porsche 964 Turbo 3.6L M64.50
Diagram Ref No 21
Related reference numbers
Related, superseded, cross reference or alternative numbers for comparison.
96410700120
The product you are viewing cross references to these numbers
- Porsche 964 (911) TURBO 3.6L 1991-93

Fits:
Porsche 911 1978-89
Porsche 964 1989-94
Porsche 968 1992-95
Porsche 924S 1986-88
Porsche 944 2.7L 1989
Porsche 944 S2 3.0L 1989-91
Porsche 944 2.5L Turbo 1986-91
Porsche 944 2.5L Turbo S 1987-88
Porsche 928 S4 / GT / GTS 1987-95
Click 'Zoom in' for large parts diagram.
Diagram ref no 11
Related reference numbers
Related, superseded, cross reference or alternative numbers for comparison.
94410709101
The product you are viewing cross references to these numbers
- Porsche 911 1974-1977 2.7L / 1976-77 3.0 Carrera
- Porsche 911 1978-1983 3.0L / SC
- Porsche 911 1984-1986 3.2L
- Porsche 911 1987-1989 3.2L G50
- Porsche 911 1978-1989 3.3L Turbo (930)
- Porsche 964 (911) C2 1989-93
- Porsche 964 (911) C4 1989-93
- Porsche 964 (911) RS 3.6L 1991-93
- Porsche 964 (911) RS 3.8L 1991-93
- Porsche 964 (911) TURBO 3.3L 1991-93
- Porsche 964 (911) TURBO 3.6L 1991-93
- Porsche 924S 2.5L 1986-87
- Porsche 924S 2.5L 1988
- Porsche 944 2.7L 8V 1988-89
- Porsche 944S2 3.0L 16V 1989-91
- Porsche 944 Turbo 2.5L 8V 1985-88
- Porsche 944 Turbo 2.5L 8V 1989-91
- Porsche 944 Turbo S 2.5L 8V 1988
- Porsche 968 3.0L 1992-94
- Porsche 968 Sport 3.0L 1994-95
- Porsche 968 CS 3.0L 1993-95
- Porsche 968 Turbo S 3.0L 1993-94
- Porsche 928S4 5.0L 1987-92
- Porsche 928GT 5.0L 1989-91
- Porsche 928GTS 5.4L 1992-95

Fits:
Porsche 911 SC 1974-83 SPORTMATIC ONLY
Porsche 911 Turbo (3.3L) 09/1977-07/1989
Porsche 964 1989-94
Porsche 968 1992-95
Porsche 924S 1986-88
Porsche 944 2.7L 1989
Porsche 944 S2 3.0L 1989-91
Porsche 944 2.5L Turbo 1986-91
Porsche 944 2.5L Turbo S 1987-88
Porsche 928 S4 / GT / GTS 1987-95
Related reference numbers
Related, superseded, cross reference or alternative numbers for comparison.
94410709101
The product you are viewing cross references to these numbers
- Porsche 911 1974-1977 2.7L / 1976-77 3.0 Carrera
- Porsche 911 1978-1983 3.0L / SC
- Porsche 911 1984-1986 3.2L
- Porsche 911 1987-1989 3.2L G50
- Porsche 911 1978-1989 3.3L Turbo (930)
- Porsche 964 (911) C2 1989-93
- Porsche 964 (911) C4 1989-93
- Porsche 964 (911) RS 3.6L 1991-93
- Porsche 964 (911) RS 3.8L 1991-93
- Porsche 964 (911) TURBO 3.3L 1991-93
- Porsche 964 (911) TURBO 3.6L 1991-93
- Porsche 924S 2.5L 1986-87
- Porsche 924S 2.5L 1988
- Porsche 944 2.7L 8V 1988-89
- Porsche 944S2 3.0L 16V 1989-91
- Porsche 944 Turbo 2.5L 8V 1985-88
- Porsche 944 Turbo 2.5L 8V 1989-91
- Porsche 944 Turbo S 2.5L 8V 1988
- Porsche 968 3.0L 1992-94
- Porsche 968 Sport 3.0L 1994-95
- Porsche 968 CS 3.0L 1993-95
- Porsche 968 Turbo S 3.0L 1993-94
- Porsche 928S4 5.0L 1987-92
- Porsche 928GT 5.0L 1989-91
- Porsche 928GTS 5.4L 1992-95
Fits:
Porsche 964 1989-94
* For cars with thermostat part number:
96420704703
96420704706
Diagram Ref No 21
Related reference numbers
Related, superseded, cross reference or alternative numbers for comparison.
96420724104
The product you are viewing cross references to these numbers
- Porsche 964 (911) C2 1989-93
- Porsche 964 (911) C4 1989-93
- Porsche 964 (911) RS 3.6L 1991-93
- Porsche 964 (911) RS 3.8L 1991-93
- Porsche 964 (911) TURBO 3.3L 1991-93
- Porsche 964 (911) TURBO 3.6L 1991-93
Fits:
Porsche 964 1989-94
* For cars with thermostat part number:
96420704703
96420704706
Diagram Ref No 21
Related reference numbers
Related, superseded, cross reference or alternative numbers for comparison.
96420724104
The product you are viewing cross references to these numbers
- Porsche 964 (911) C2 1989-93
- Porsche 964 (911) C4 1989-93
- Porsche 964 (911) RS 3.6L 1991-93
- Porsche 964 (911) RS 3.8L 1991-93
- Porsche 964 (911) TURBO 3.3L 1991-93
- Porsche 964 (911) TURBO 3.6L 1991-93
Fits:
Porsche 964 1989-94
* For cars with thermostat part number:
96420704705
96420704307
96420704308
Diagram Ref No 21
Related reference numbers
Related, superseded, cross reference or alternative numbers for comparison.
96420724107
The product you are viewing cross references to these numbers
- Porsche 964 (911) C2 1989-93
- Porsche 964 (911) C4 1989-93
- Porsche 964 (911) RS 3.6L 1991-93
- Porsche 964 (911) RS 3.8L 1991-93
- Porsche 964 (911) TURBO 3.3L 1991-93
- Porsche 964 (911) TURBO 3.6L 1991-93
Fits:
Porsche 964 1989-94
* For cars with thermostat part number:
96420704705
96420704307
96420704308
Diagram Ref No 21
Related reference numbers
Related, superseded, cross reference or alternative numbers for comparison.
96420724107
The product you are viewing cross references to these numbers
- Porsche 964 (911) C2 1989-93
- Porsche 964 (911) C4 1989-93
- Porsche 964 (911) RS 3.6L 1991-93
- Porsche 964 (911) RS 3.8L 1991-93
- Porsche 964 (911) TURBO 3.3L 1991-93
- Porsche 964 (911) TURBO 3.6L 1991-93
Fits:
Porsche 964 1989-94
*For cars with Thermostat Part Number:
96420704703
96420704306
Diagram ref no 22
Related reference numbers
Related, superseded, cross reference or alternative numbers for comparison.
96420725102
The product you are viewing cross references to these numbers
- Porsche 964 (911) C2 1989-93
- Porsche 964 (911) C4 1989-93
- Porsche 964 (911) RS 3.6L 1991-93
- Porsche 964 (911) RS 3.8L 1991-93
- Porsche 964 (911) TURBO 3.3L 1991-93
- Porsche 964 (911) TURBO 3.6L 1991-93
Fits:
Porsche 964 1989-94
*For cars with Thermostat Part Number:
96420704703
96420704306
Diagram ref no 22
Related reference numbers
Related, superseded, cross reference or alternative numbers for comparison.
96420725102
The product you are viewing cross references to these numbers
- Porsche 964 (911) C2 1989-93
- Porsche 964 (911) C4 1989-93
- Porsche 964 (911) RS 3.6L 1991-93
- Porsche 964 (911) RS 3.8L 1991-93
- Porsche 964 (911) TURBO 3.3L 1991-93
- Porsche 964 (911) TURBO 3.6L 1991-93

Fits:
Porsche 964 1989-94
Diagram Ref No 6.
Related reference numbers
Related, superseded, cross reference or alternative numbers for comparison.
96420705700
The product you are viewing cross references to these numbers
- Porsche 964 (911) C2 1989-93
- Porsche 964 (911) C4 1989-93
- Porsche 964 (911) RS 3.6L 1991-93
- Porsche 964 (911) RS 3.8L 1991-93
- Porsche 964 (911) TURBO 3.3L 1991-93
- Porsche 964 (911) TURBO 3.6L 1991-93

Fits:
Porsche 964 1989-94
Click 'Zoom in' for large parts diagram.
Diagram Ref No 18.
Related reference numbers
Related, superseded, cross reference or alternative numbers for comparison.
96464156101
The product you are viewing cross references to these numbers
- Porsche 964 (911) C2 1989-93
- Porsche 964 (911) C4 1989-93
- Porsche 964 (911) RS 3.6L 1991-93
- Porsche 964 (911) RS 3.8L 1991-93
- Porsche 964 (911) TURBO 3.3L 1991-93
- Porsche 964 (911) TURBO 3.6L 1991-93

Fits:
Porsche 964 1989-94
Click 'Zoom in' for large parts diagram.
Diagram Ref No 14.
Related reference numbers
Related, superseded, cross reference or alternative numbers for comparison.
96464105103
The product you are viewing cross references to these numbers
- Porsche 964 (911) C2 1989-93
- Porsche 964 (911) C4 1989-93
- Porsche 964 (911) RS 3.6L 1991-93
- Porsche 964 (911) RS 3.8L 1991-93
- Porsche 964 (911) TURBO 3.3L 1991-93
- Porsche 964 (911) TURBO 3.6L 1991-93
Oil Tanks & Parts – Precision Lubrication Storage for Porsche Performance
The engine oil tank is a vital component in Porsche’s dry-sump lubrication system, designed to store and manage oil separately from the crankcase. Unlike traditional wet-sump setups, this system ensures consistent oil pressure, efficient cooling, and superior lubrication under all driving conditions — from spirited road use to high-performance track sessions.
At Design911, we offer a wide range of engine oil tanks, fittings, and associated components for Porsche models, both classic and modern. Built from high-grade aluminium, steel, and corrosion-resistant materials, our products are designed for durability, temperature stability, and optimal oil management.
Whether you’re maintaining an air-cooled 911 or servicing a contemporary GT model, our oil tanks and parts guarantee the reliability and performance your engine deserves.
What Do Oil Tanks & Components Do?
The oil tank serves as the reservoir in a dry-sump lubrication system, allowing continuous oil flow to the engine while preventing aeration or starvation during hard acceleration, braking, or cornering.
Core Functions:
- Stores
and circulates oil independently from the engine block.
- Maintains
stable oil pressure and temperature for consistent lubrication.
- Prevents
oil starvation during high-performance driving.
- Aids
in cooling, helping regulate operating temperatures.
- Separates air and oil, preventing foaming and pressure loss.
Supporting components — such as oil tank fittings, caps, hoses, and mounts — ensure secure flow, sealing, and performance integrity across the entire lubrication circuit.
Why Do Oil Tanks & Parts Fail?
Over time, exposure to heat, pressure, and vibration can cause the oil tank and its associated components to degrade or leak, compromising the lubrication system.
Common Causes of Failure Include:
- Corrosion
or internal contamination from moisture or sludge build-up.
- Cracks
or punctures caused by vibration or impact.
- Oil
leaks from damaged seals, caps, or connections.
- Blockages
in breather or feed lines affecting oil circulation.
- Heat stress, leading to material fatigue or deformation.
Typical symptoms include oil leaks, fluctuating oil pressure, overheating, or unusual engine noise — all signs that inspection or replacement is required.
Why Replace Oil Tank Components?
Replacing a worn or leaking oil tank ensures your Porsche’s lubrication system remains efficient and protected. Our precision-engineered oil tanks and accessories are designed to deliver superior durability, sealing, and performance under high stress.
Key Benefits:
- Restores stable oil pressure and circulation.
- Prevents leaks and contamination.
- Enhances oil cooling efficiency and consistency.
- Constructed from corrosion-resistant, heat-stable materials.
- Direct-fit
compatibility with a wide range of Porsche engines.
- Ideal for restorations, rebuilds, and performance applications.
A properly maintained oil tank system is essential for ensuring engine longevity and reliability — particularly in performance and motorsport use.
Highlights:
- Precision-engineered Porsche oil tanks and associated components.
- Designed for consistent oil pressure and temperature control.
- Durable materials for heat and corrosion resistance.
- Direct-fit solutions for 911, Cayman, Boxster, GT models and more.
- Perfect for rebuilds, restorations, and performance upgrades.
- Ensures optimal lubrication and engine reliability.