Enter your VAT number here and click Verify:
Your details have been verified. VAT number registered to:
,
.
Your order will now be zero rated for VAT purposes. We reserve the right to verify these details after your order request has been made and reinstate VAT if required.
Your VAT details were not recognised or were invalid. Your VAT number must be matched to your Billing Country as specified above. This is currently specified as . You do not need to enter the country code part of your VAT number as this has already been selected in your billing address details above.
The VAT number checking service is currently offline. Please supply your VAT details within the comments or special instructions field below and we will apply a VAT discount after placing your order request.
Brackets / Clamps / Straps
Restore the secure mounting of your rear exhaust muffler system with this mounting kit. Designed for Porsche 911 (993) Carrera 2 and Carrera 4 models, this kit contains all the necessary brackets, clamps, straps and fasteners to correctly mount your muffler to factory specifications. Whether your existing hangers are fatigued, rusted or stretched, installing this kit ensures precise alignment, quiet operation and long-term durability.
Fits:
- Porsche 993 (911) C2 1994-97
- Porsche 993 (911) C4 1994-97
What This Product Does:
- The muffler mounting kit secures the muffler(s) (rear silencer section of the exhaust system) to the vehicle’s chassis/body under the car.
- It ensures correct alignment of the muffler, holds it in place under vibration, heat cycles and road loads, prevents excessive movement, rattling or contact with the body or suspension.
- Proper mounting safeguards the exhaust system’s integrity: keeps the muffler in the correct position, ensures the hangers/straps are not stretched or damaged, avoids stress on the exhaust pipes, avoids under-body contact and prevents exhaust noise or failure of hangers.
Symptoms & Signs You May Need Replacement:
- Excessive rattling, knocking or vibration under the car at the rear, especially from the muffler area when accelerating, decelerating or going over bumps — a worn/missing mount may allow movement.
- Visible movement or sag of the muffler away from its factory position; misalignment or sagging often means the mountings/hangers are fatigued, corroded or broken.
- Broken, corroded, or missing brackets, straps, clamps or bushings around the muffler mounting area — common on older 993 cars where road salt, heat and age have degraded components.
- Exhaust contact with body or suspension parts — if the muffler shifts due to failed mounting, you may see abrasion marks, burnt body panels or damage to surrounding components.
- Exhaust system repairs or muffler replacement: If you are already replacing the muffler and find mounting hardware is worn, replacing the full kit ensures the new muffler is mounted correctly and reduces future issues.
- Preserves the exhaust system’s function and durability: Proper mounting reduces stress on pipes, joints and the muffler body — which helps avoid cracks, leaks or joint failures.
- Reduces noise and vibration: A secure muffler reduces unwanted movement, prevents rattles and ensures the exhaust system behaves as intended.
- Maintains fit & alignment: On premium cars like the 911 993, correct alignment and mounting of the muffler is part of the overall build quality.
- Prevents damage to other components: A loose muffler may lead to additional damage — for example heat damage to body panels, interference with suspension elements or damage to hanger tabs.
- Cost-effective preventative maintenance: While the muffler may be fine, the mounting hardware often degrades—replacing it when you have access prevents future issues and may save on labour.
Related reference numbers
Related, superseded, cross reference or alternative numbers for comparison.
PCG99311100
The product you are viewing cross references to these numbers
- Porsche 993 (911) C2 1994-97
- Porsche 993 (911) C4 1994-97
Replacement heat shield for Cat.

Fits:
Porsche 993 C2/4 1994-98 not turbo
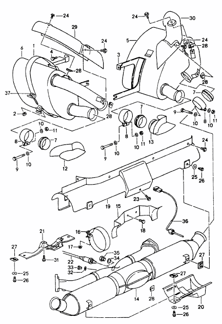
Click 'Zoom in' for large parts diagram.
Diagram Ref No 19
Related reference numbers
Related, superseded, cross reference or alternative numbers for comparison.
99321121402
The product you are viewing cross references to these numbers
- Porsche 993 (911) C2 1994-97
- Porsche 993 (911) C4 1994-97
- Porsche 993 (911) RS 1994-97
- Porsche 993 (911) C2S 1994-97
- Porsche 993 (911) C4S 1994-97
Replacement strap for Cat fits Left or right side

Fits:
Porsche 993 C2 / C4 / C2S / C4S 1994-98
Click 'Zoom in' for large parts diagram.
Diagram Ref No 16
Related reference numbers
Related, superseded, cross reference or alternative numbers for comparison.
99311322501
The product you are viewing cross references to these numbers
- Porsche 993 (911) C2 1994-97
- Porsche 993 (911) C4 1994-97
- Porsche 993 (911) C2S 1994-97
- Porsche 993 (911) C4S 1994-97

Fits:
Porsche 993 C2/4 1994-98 not turbo
Diagram Ref No 15
- Porsche 993 (911) C2 1994-97
- Porsche 993 (911) C4 1994-97
- Porsche 993 (911) RS 1994-97
- Porsche 993 (911) C2S 1994-97
- Porsche 993 (911) C4S 1994-97
Fits:
Porsche 993 C2 / C4 1994-98 not turbo
Click 'Zoom in' for large parts diagram.
Diagram Ref No 21
Related reference numbers
Related, superseded, cross reference or alternative numbers for comparison.
99311910602
The product you are viewing cross references to these numbers
- Porsche 993 (911) C2 1994-97
- Porsche 993 (911) C4 1994-97
- Porsche 993 (911) RS 1994-97
Sold each.

Fits:
Porsche 993 Carrera 1995-98
Click 'Zoom in' for large parts diagram.
Diagram ref no 3
Related reference numbers
Related, superseded, cross reference or alternative numbers for comparison.
99611110951
The product you are viewing cross references to these numbers
- Porsche 993 (911) C2 1994-97
- Porsche 993 (911) C4 1994-97
- Porsche 993 (911) C2S 1994-97
- Porsche 993 (911) C4S 1994-97
- catalytic converter to rear muffler clamp
- rear muffler to tail pipe clamp
Fits:
Porsche 993 Carrera 1994-98
Porsche 993 Turbo
Click 'Zoom in' for large parts diagram.
Diagram ref no 8
Related reference numbers
Related, superseded, cross reference or alternative numbers for comparison.
92811142700
The product you are viewing cross references to these numbers
- Porsche 993 (911) C2 1994-97
- Porsche 993 (911) C4 1994-97
- Porsche 993 (911) RS 1994-97
- Porsche 993 (911) C2S 1994-97
- Porsche 993 (911) C4S 1994-97
- Porsche 993 (911) TURBO 1994-96
- Porsche 993 (911) GT2 1994-97
- Porsche 993 (911) TURBO S 1994-97
- catalytic converter to rear muffler clamp
- rear muffler to tail pipe clamp

Fits:
Porsche 993 Carrera 1994-98
Porsche 993 Turbo
Click 'Zoom in' for large parts diagram.
Diagram ref no 8
Related reference numbers
Related, superseded, cross reference or alternative numbers for comparison.
92811142700
The product you are viewing cross references to these numbers
- Porsche 993 (911) C2 1994-97
- Porsche 993 (911) C4 1994-97
- Porsche 993 (911) RS 1994-97
- Porsche 993 (911) C2S 1994-97
- Porsche 993 (911) C4S 1994-97
- Porsche 993 (911) TURBO 1994-96
- Porsche 993 (911) GT2 1994-97
- Porsche 993 (911) TURBO S 1994-97

Fits:
Porsche 993 C2 / C4 1994-98 (Not turbo)
Click 'Zoom in' for large parts diagram
Diagram Ref No 3
Related reference numbers
Related, superseded, cross reference or alternative numbers for comparison.
99311111
The product you are viewing cross references to these numbers
- Porsche 993 (911) C2 1994-97
- Porsche 993 (911) C4 1994-97
- Porsche 993 (911) RS 1994-97
- Porsche 993 (911) C2S 1994-97
- Porsche 993 (911) C4S 1994-97
Replacement heat sheild for left or right rear box.
Genuine Porsche product.
Fits:
Porsche 993 C2/4 1994-98 not turbo
Click 'Zoom in' for large parts diagram.
Diagram Ref No 30
Related reference numbers
Related, superseded, cross reference or alternative numbers for comparison.
99321121
The product you are viewing cross references to these numbers
- Porsche 993 (911) C2 1994-97
- Porsche 993 (911) C4 1994-97
- Porsche 993 (911) RS 1994-97
- Porsche 993 (911) C2S 1994-97
- Porsche 993 (911) C4S 1994-97

Fits:
Porsche 911 (933) Carrera 2 (1994 - 1998)
Porsche 911 (933) Carrera 4 (1995 - 1998)
Related reference numbers
Related, superseded, cross reference or alternative numbers for comparison.
PCG99311100
The product you are viewing cross references to these numbers
- Porsche 993 (911) C2 1994-97
- Porsche 993 (911) C4 1994-97
Bolt required 90006736202

Fits:
Porsche 993 C2/4 1994-98 not turbo
Click 'Zoom in' for large parts diagram
Diagram Ref No 1
Related reference numbers
Related, superseded, cross reference or alternative numbers for comparison.
99311111907
The product you are viewing cross references to these numbers
- Porsche 993 (911) C2 1994-97
- Porsche 993 (911) C4 1994-97
- Porsche 993 (911) RS 1994-97
- Porsche 993 (911) C2S 1994-97
- Porsche 993 (911) C4S 1994-97
Bolt required 90006736202

Fits:
Porsche 993 C2/4 1994-98 not turbo
Click 'Zoom in' for large parts diagram
Diagram Ref No 1
Related reference numbers
Related, superseded, cross reference or alternative numbers for comparison.
99311111907
The product you are viewing cross references to these numbers
- Porsche 993 (911) C2 1994-97
- Porsche 993 (911) C4 1994-97
- Porsche 993 (911) RS 1994-97
- Porsche 993 (911) C2S 1994-97
- Porsche 993 (911) C4S 1994-97

Replacement o-ring,
- fits between catalytic converter and silencer
- fits between silencer and tail pipe.
Fits:
Porsche 993 1994-98 (not Turbo)
Related reference numbers
Related, superseded, cross reference or alternative numbers for comparison.
92811124607
The product you are viewing cross references to these numbers
- Porsche 993 (911) C2 1994-97
- Porsche 993 (911) C4 1994-97
- Porsche 993 (911) RS 1994-97
- Porsche 993 (911) C2S 1994-97
- Porsche 993 (911) C4S 1994-97

Fits:
Porsche 993 1994-98 (not Turbo)
Replacement o-ring,
- fits between catalytic converter and silencer
- fits between silencer and tail pipe.
Related reference numbers
Related, superseded, cross reference or alternative numbers for comparison.
92811124607
The product you are viewing cross references to these numbers
- Porsche 993 (911) C2 1994-97
- Porsche 993 (911) C4 1994-97
- Porsche 993 (911) RS 1994-97
- Porsche 993 (911) C2S 1994-97
- Porsche 993 (911) C4S 1994-97
-
air cleaner 993 1994-98 106-00
-
exhaust system muffler catalytic converter 993 CARRERA 1994-98 202-00
-
exhaust system repair kits 993 CARRERA 1994-98 202-01
-
exhaust system heat exchanger 993 CARRERA 1994-98 202-05
-
exhaust system heat exchanger 993 TURBO 1994-98 202-10
-
exhaust system muffler catalytic converter 993 TURBO 1994-98 202-15
-
turbocharger oil pump for turbocharger 993 1994-98 202-16
-
stabiliser 993 1994-98 402-05
-
compressor and mounting driving mechanism for 993 CARRERA/4 1994-95 and 993 TURBO 1995-98 813-20
-
headlamp fog headlamp direction, indicator light direction, indicator light 993 1994-98 905-00
Exhaust Mounting Brackets, Straps & Clamps – Secure, Silent & Strong
A Porsche exhaust system relies on more than just pipes and silencers — it’s held together by a network of mounting brackets, straps, and clamps that keep everything securely in place. These essential components absorb vibration, maintain correct alignment, and prevent stress or damage to exhaust pipes and mufflers.
At Design911, we stock a full range of exhaust mounting hardware, including brackets, hangers, straps, clamps, gaskets, and fasteners, all designed for long-lasting durability and a perfect fit. Built from high-strength stainless steel and corrosion-resistant materials, these components ensure your exhaust system remains properly supported and free from unwanted noise or movement.
Whether you’re performing a full exhaust replacement or a minor repair, replacing worn or rusted mounting hardware restores proper fitment and protects your Porsche’s exhaust from damage caused by vibration or misalignment.
What Do Exhaust Mounting Brackets, Straps & Clamps Do?
These small but vital parts provide the backbone for your exhaust system’s stability and integrity.
Core Functions:
- Secure
the exhaust system to the vehicle chassis.
- Maintain
correct alignment to prevent strain on joints and flanges.
- Absorb
engine vibration to reduce stress and cracking.
- Ensure
leak-free connections between pipes and silencers.
- Prevent rattling and unwanted noise during acceleration and cornering.
Without properly functioning brackets and clamps, your exhaust can sag, vibrate, or even detach — risking costly damage and performance loss.
Why Do Exhaust Mounts and Clamps Fail?
Constant heat, vibration, and exposure to the elements make exhaust mounting components prone to wear over time.
Common Causes of Failure Include:
- Corrosion
or rust from road salt and moisture.
- Metal
fatigue caused by heat cycling and vibration.
- Cracked
or stretched straps from repeated stress.
- Loose
or broken clamps leading to exhaust leaks.
- Rubber mount deterioration resulting in noise or exhaust movement.
Failure of these components can lead to exhaust misalignment, rattling, leaks, or premature pipe damage — issues that worsen quickly if ignored.
Why Replace Components?
Replacing worn or damaged exhaust mounting hardware ensures your Porsche’s exhaust system remains stable, quiet, and free-flowing.
Key Benefits:
- Restores exhaust alignment and fitment.
- Prevents damage to mufflers, pipes, and joints.
- Eliminates rattling, vibration, and leaks.
- Durable stainless steel and heat-resistant construction.
- Direct-fit
compatibility for all Porsche models, classic and modern.
- Ideal for maintenance, restoration, or performance upgrades.
A secure exhaust system not only improves comfort and performance but also extends the life of other components — ensuring your Porsche remains refined and reliable.
Highlights:
- High-quality exhaust brackets, clamps, and mounting straps.
- Precision-engineered for Porsche fitment and durability.
- Prevents vibration, movement, and exhaust leaks.
- Made from corrosion-resistant stainless steel.
- Perfect for restorations or exhaust maintenance.
- Ensures long-term stability and quiet operation.