在此输入您的增值税号,然后单击验证:
您的详细信息已经过验证。增值税号注册至:
,
。
现在,您的订单的增值税税率为零。我们保留在您提出订单请求后验证这些详细信息的权利,并在需要时恢复增值税。
您的增值税详细信息无法识别或无效。您的增值税号必须与上面指定的帐单国家/地区相匹配。当前指定为 。您无需输入增值税号的国家/地区代码部分,因为已在上面的帐单地址详细信息中选择了该部分。
增值税号查询服务目前已离线。请在下面的评论或特殊说明字段中提供您的增值税详细信息,我们将在您提出订单请求后应用增值税折扣。
糖基
大约糖基
每年,Glyco 原装设备 (OE) 轴承安装在超过 1000 万台汽车、船用和固定式发动机以及农业和建筑设备上。
随着发动机设计师降低二氧化碳排放量并从更少的燃料中获取更多动力,传统轴承难以应对重载和高温。Glyco 系列拥有超过 2,500 种轴承,包括主轴承、法兰轴承和连杆轴承,支持包括保时捷在内的 10,000 多种不同的发动机应用。创新的材料和设计为售后市场客户带来了显著的好处,包括长使用寿命。
93010313401/1
Product Information
单独出售;每辆车需要六个。
相关参考编号
相关编号、被取代编号、交叉引用编号或替代编号,供比较之用。
93010313401
您正在查看的产品与这些编号存在交叉引用关系
Product Information
连杆衬套-小端。单独出售;每辆车需要六个。

適用於:
保时捷 911 Turbo (930) 1978-89
保时捷 911 卡雷拉 3.2L 1984-1989
保时捷 964 Carrera / Turbo 1989-94
单击图片可查看大部件图。
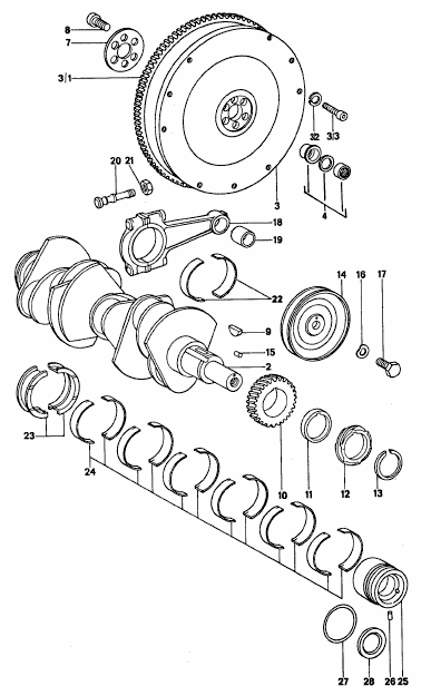
图表参考编号 17。
相关参考编号
相关编号、被取代编号、交叉引用编号或替代编号,供比较之用。
93010313401
93010313401
您正在查看的产品与这些编号存在交叉引用关系
产品车辆组
产品车辆组
- Porsche 911 1984-1986 3.2L
- Porsche 911 1987-1989 3.2L G50
- Porsche 911 1978-1989 3.3L Turbo (930)
- Porsche 964 (911) C2 1989-93
- Porsche 964 (911) C4 1989-93
- Porsche 964 (911) RS 3.6L 1991-93
- Porsche 964 (911) RS 3.8L 1991-93
- Porsche 964 (911) TURBO 3.3L 1991-93
- Porsche 964 (911) TURBO 3.6L 1991-93
- Porsche 914 (1970-1976)
€9.30
当前 €8.37
有现货 - 3-5 天发货
93010314781/1
Product Information
以12 件套的形式提供
#糖#
适合:
保时捷 911 1984-89
保时捷 911 (930) 涡轮增压 1978-89
保时捷 964 1989-94
单击“放大”可查看大部件图。
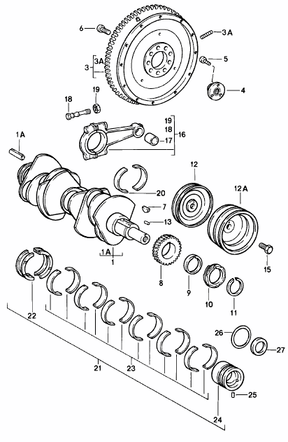
图表参考编号 20。
相关参考编号
相关编号、被取代编号、交叉引用编号或替代编号,供比较之用。
93010314781
您正在查看的产品与这些编号存在交叉引用关系
Product Information
大端连杆轴承。加大尺寸 0.25 毫米以12 件套的形式提供
#糖#
适合:
保时捷 911 1984-89
保时捷 911 (930) 涡轮增压 1978-89
保时捷 964 1989-94
单击“放大”可查看大部件图。
图表参考编号 20。
相关参考编号
相关编号、被取代编号、交叉引用编号或替代编号,供比较之用。
93010314781
93010314715
93010314750
93010314760
93010314781
93010314782
713427
您正在查看的产品与这些编号存在交叉引用关系
产品车辆组
产品车辆组
- Porsche 911 1984-1986 3.2L
- Porsche 911 1987-1989 3.2L G50
- Porsche 911 1978-1989 3.3L Turbo (930)
- Porsche 964 (911) C2 1989-93
- Porsche 964 (911) C4 1989-93
- Porsche 964 (911) RS 3.6L 1991-93
- Porsche 964 (911) RS 3.8L 1991-93
- Porsche 964 (911) TURBO 3.3L 1991-93
- Porsche 964 (911) TURBO 3.6L 1991-93
- Porsche 914 (1970-1976)
价格: €245.70
可订购 - 14 到 28 天
99610143571/1
Product Information

适合:
保时捷911(1965-89年)
保时捷964 1989-94
保时捷993 1994-98
保时捷 996 Turbo/GT2/GT3
保时捷 997.1 Turbo/GT2/GT3
保时捷 997.2 GT2/GT3
本产品取代了保时捷的旧零件编号:
- 90110113500
- 99310113500
单击“放大”可查看大部件图。
图表参考编号 30。
相关参考编号
相关编号、被取代编号、交叉引用编号或替代编号,供比较之用。
99610143571
您正在查看的产品与这些编号存在交叉引用关系
Product Information
中间轴轴承壳(无/带肩)。每台发动机需要2个,单价为
适合:
保时捷911(1965-89年)
保时捷964 1989-94
保时捷993 1994-98
保时捷 996 Turbo/GT2/GT3
保时捷 997.1 Turbo/GT2/GT3
保时捷 997.2 GT2/GT3
本产品取代了保时捷的旧零件编号:
- 90110113500
- 99310113500
单击“放大”可查看大部件图。
图表参考编号 30。
相关参考编号
相关编号、被取代编号、交叉引用编号或替代编号,供比较之用。
99610143571
99610143570
90110113500
99310113500
99610143571
您正在查看的产品与这些编号存在交叉引用关系
产品车辆组
产品车辆组
- Porsche 911 1965-1968 2.0L / 912 SWB (F)
- Porsche 911 1968-1973 2.2L / 2.4L / 2.7L RS LWB (F)
- Porsche 911 1974-1977 2.7L / 1976-77 3.0 Carrera
- Porsche 911 1978-1983 3.0L / SC
- Porsche 911 1984-1986 3.2L
- Porsche 911 1987-1989 3.2L G50
- Porsche 911 1975-1977 3.0L Turbo (930)
- Porsche 911 1978-1989 3.3L Turbo (930)
- Porsche 964 (911) C2 1989-93
- Porsche 964 (911) C4 1989-93
- Porsche 964 (911) RS 3.6L 1991-93
- Porsche 964 (911) RS 3.8L 1991-93
- Porsche 964 (911) TURBO 3.3L 1991-93
- Porsche 964 (911) TURBO 3.6L 1991-93
- Porsche 993 (911) C2 1994-97
- Porsche 993 (911) C4 1994-97
- Porsche 993 (911) RS 1994-97
- Porsche 993 (911) C2S 1994-97
- Porsche 993 (911) C4S 1994-97
- Porsche 993 (911) TURBO 1994-96
- Porsche 993 (911) GT2 1994-97
- Porsche 993 (911) TURBO S 1994-97
- Porsche 996 TURBO 2000-05
- Porsche 996 GT2 2001-05
- Porsche 996 GT3 MKI 1999-02
- Porsche 996 GT3 MKII 2003>>
- Porsche 996 GT3 RS 2003-04
- Porsche 997 MK1 TURBO 2007-09
- Porsche 997 MK1 GT3 2007-09
- Porsche 997 MK1 GT2 2007-09
€9.18
当前 €8.26
有现货 - 24 小时发货
99610312181/1
Product Information
一套 12 个轴承壳标准尺寸轴承。
#糖#
适合:
保时捷 996 GT3 M96.76 265Kw
单击“放大”可查看大部件图。
图表参考编号 12。
相关参考编号
相关编号、被取代编号、交叉引用编号或替代编号,供比较之用。
99610312181
您正在查看的产品与这些编号存在交叉引用关系
Product Information
大端轴承壳。一套 12 个轴承壳标准尺寸轴承。
#糖#
适合:
保时捷 996 GT3 M96.76 265Kw
单击“放大”可查看大部件图。
图表参考编号 12。
相关参考编号
相关编号、被取代编号、交叉引用编号或替代编号,供比较之用。
99610312181
99610312181
71-3913
71-3913
您正在查看的产品与这些编号存在交叉引用关系
产品车辆组
产品车辆组
- Porsche 996 GT3 MKI 1999-02
- Porsche 996 GT3 MKII 2003>>
€134.55
当前 €121.09
有现货 - 24 小时发货
93010314715/1
Product Information
以12 件套的形式提供
適用於:
保时捷 911 1984-89
保时捷 911 (930) 涡轮增压 1978-89
保时捷 964 1989-94
图表参考编号 20。
相关参考编号
相关编号、被取代编号、交叉引用编号或替代编号,供比较之用。
93010314715
您正在查看的产品与这些编号存在交叉引用关系
Product Information
大端连杆轴承。标准尺寸以12 件套的形式提供
適用於:
保时捷 911 1984-89
保时捷 911 (930) 涡轮增压 1978-89
保时捷 964 1989-94
图表参考编号 20。
相关参考编号
相关编号、被取代编号、交叉引用编号或替代编号,供比较之用。
93010314715
93010314715
您正在查看的产品与这些编号存在交叉引用关系
产品车辆组
产品车辆组
- Porsche 911 1984-1986 3.2L
- Porsche 911 1987-1989 3.2L G50
- Porsche 911 1978-1989 3.3L Turbo (930)
- Porsche 964 (911) C2 1989-93
- Porsche 964 (911) C4 1989-93
- Porsche 964 (911) RS 3.6L 1991-93
- Porsche 964 (911) RS 3.8L 1991-93
- Porsche 964 (911) TURBO 3.3L 1991-93
- Porsche 964 (911) TURBO 3.6L 1991-93
- Porsche 914 (1970-1976)
€64.35
当前 €57.91
有现货 - 24 小时发货
90110313102/1
Product Information
每台发动机需要 6 个。
价格为每个
适合:
保时捷 911/912 1965-69
保时捷911(1970-83年)
保时捷 911 (930) 涡轮增压 1975-77
保时捷914-6 1970-76
保时捷959 1987-88
图表参考编号 19
相关参考编号
相关编号、被取代编号、交叉引用编号或替代编号,供比较之用。
90110313102
您正在查看的产品与这些编号存在交叉引用关系
Product Information
连杆衬套。每台发动机需要 6 个。
价格为每个
适合:
保时捷 911/912 1965-69
保时捷911(1970-83年)
保时捷 911 (930) 涡轮增压 1975-77
保时捷914-6 1970-76
保时捷959 1987-88
图表参考编号 19
相关参考编号
相关编号、被取代编号、交叉引用编号或替代编号,供比较之用。
90110313102
90110313101
91110313200
55-3280 SEMI
55-3280
90110313102
您正在查看的产品与这些编号存在交叉引用关系
产品车辆组
产品车辆组
- Porsche 911 1965-1968 2.0L / 912 SWB (F)
- Porsche 911 1968-1973 2.2L / 2.4L / 2.7L RS LWB (F)
- Porsche 911 1974-1977 2.7L / 1976-77 3.0 Carrera
- Porsche 911 1978-1983 3.0L / SC
- Porsche 911 1975-1977 3.0L Turbo (930)
- Porsche 914 (1970-1976)
€8.31
当前 €7.48
有现货 - 24 小时发货
91410314161/1
Product Information
#糖#
适合:
保时捷 911 2.4 E 08.71 - 12.73 121kw 165hp 2341cc 6c 911.52; 911.62
保时捷 911 2.4 S 08.71 - 08.73 140kw 190hp 2341cc 6c 911.53; 911.63
保时捷 911 2.7 09.73 - 08.75 110kw 150hp 2687cc 6c 911.92; 911.97; 911.41; 911.46
保时捷 911 2.7 09.75 - 06.77 121kw 165hp 2687cc 6c 911.43; 911.48; 911.81; 911.82; 911.84; 911.85; 911.86; 911.89; 911.90; 911.94; 911.99
保时捷 911 2.7 S Carrera 08.73 - 01.76 129kw 175hp 2687cc 6c 911.93; 911.98; 911.42; 911.47
保时捷 911 2.7 SC Carrera RS 08.72 - 01.79 154kw 209hp 2687cc 6c 911.83
保时捷 911 3.0 SC Carrera 09.75 - 06.77 147kw 200hp 2993cc 6 930.02; 930.12
保时捷 911 3.0 Turbo 01.75 - 12.77 191kw 260hp 2993cc 6c 930.50; 930.52
单击图片可查看大部件图。
图表参考编号 23。
相关参考编号
相关编号、被取代编号、交叉引用编号或替代编号,供比较之用。
91410314161
您正在查看的产品与这些编号存在交叉引用关系
Product Information
大端连杆轴承加大尺寸 0.50 毫米, 12 件套。#糖#
适合:
保时捷 911 2.4 E 08.71 - 12.73 121kw 165hp 2341cc 6c 911.52; 911.62
保时捷 911 2.4 S 08.71 - 08.73 140kw 190hp 2341cc 6c 911.53; 911.63
保时捷 911 2.7 09.73 - 08.75 110kw 150hp 2687cc 6c 911.92; 911.97; 911.41; 911.46
保时捷 911 2.7 09.75 - 06.77 121kw 165hp 2687cc 6c 911.43; 911.48; 911.81; 911.82; 911.84; 911.85; 911.86; 911.89; 911.90; 911.94; 911.99
保时捷 911 2.7 S Carrera 08.73 - 01.76 129kw 175hp 2687cc 6c 911.93; 911.98; 911.42; 911.47
保时捷 911 2.7 SC Carrera RS 08.72 - 01.79 154kw 209hp 2687cc 6c 911.83
保时捷 911 3.0 SC Carrera 09.75 - 06.77 147kw 200hp 2993cc 6 930.02; 930.12
保时捷 911 3.0 Turbo 01.75 - 12.77 191kw 260hp 2993cc 6c 930.50; 930.52
单击图片可查看大部件图。
图表参考编号 23。
相关参考编号
相关编号、被取代编号、交叉引用编号或替代编号,供比较之用。
91410314161
71-3014
91410314161
91410314160
您正在查看的产品与这些编号存在交叉引用关系
产品车辆组
产品车辆组
- Porsche 911 1968-1973 2.2L / 2.4L / 2.7L RS LWB (F)
- Porsche 911 1974-1977 2.7L / 1976-77 3.0 Carrera
- Porsche 911 1975-1977 3.0L Turbo (930)
- Porsche 914 (1970-1976)
价格: €284.31
可订购 - 14 到 28 天
91410314102/1
Product Information
12 件套
#糖#
适合:
保时捷 911 2.3 E 08.71 - 12.73 121kw 165hp 2341cc 6c 911.52; 911.62
保时捷 911 2.3 S 08.71 - 08.73 140kw 190hp 2341cc 6c 911.53; 911.63
保时捷 911 2.7 09.73 - 08.75 110kw 150hp 2687cc 6c 911.92; 911.97; 911.41; 911.46
保时捷 911 2.7 09.75 - 06.77 121kw 165hp 2687cc 6c 911.43; 911.48; 911.81; 911.82; 911.84; 911.85; 911.86; 911.89; 911.90; 911.94; 911.99
保时捷 911 2.7 S Carrera 08.73 - 01.76 129kw 175hp 2687cc 6c 911.93; 911.98; 911.42; 911.47
保时捷 911 2.7 SC Carrera RS 08.72 - 01.79 154kw 209hp 2687cc 6c 911.83
保时捷 911 3.0 SC Carrera 09.75 - 06.77 147kw 200hp 2993cc 6 930.02; 930.12
保时捷 911 3.0 Turbo 01.75 - 12.77 191kw 260hp 2993cc 6c 930.50; 930.52
单击“放大”可查看大部件图。
图表参考编号 22
相关参考编号
相关编号、被取代编号、交叉引用编号或替代编号,供比较之用。
91410314102
您正在查看的产品与这些编号存在交叉引用关系
Product Information
大端连杆轴承标准尺寸12 件套
#糖#
适合:
保时捷 911 2.3 E 08.71 - 12.73 121kw 165hp 2341cc 6c 911.52; 911.62
保时捷 911 2.3 S 08.71 - 08.73 140kw 190hp 2341cc 6c 911.53; 911.63
保时捷 911 2.7 09.73 - 08.75 110kw 150hp 2687cc 6c 911.92; 911.97; 911.41; 911.46
保时捷 911 2.7 09.75 - 06.77 121kw 165hp 2687cc 6c 911.43; 911.48; 911.81; 911.82; 911.84; 911.85; 911.86; 911.89; 911.90; 911.94; 911.99
保时捷 911 2.7 S Carrera 08.73 - 01.76 129kw 175hp 2687cc 6c 911.93; 911.98; 911.42; 911.47
保时捷 911 2.7 SC Carrera RS 08.72 - 01.79 154kw 209hp 2687cc 6c 911.83
保时捷 911 3.0 SC Carrera 09.75 - 06.77 147kw 200hp 2993cc 6 930.02; 930.12
保时捷 911 3.0 Turbo 01.75 - 12.77 191kw 260hp 2993cc 6c 930.50; 930.52
单击“放大”可查看大部件图。
图表参考编号 22
相关参考编号
相关编号、被取代编号、交叉引用编号或替代编号,供比较之用。
91410314102
91410314100
71-3014
91410314102
您正在查看的产品与这些编号存在交叉引用关系
产品车辆组
产品车辆组
- Porsche 911 1968-1973 2.2L / 2.4L / 2.7L RS LWB (F)
- Porsche 911 1974-1977 2.7L / 1976-77 3.0 Carrera
- Porsche 911 1975-1977 3.0L Turbo (930)
€57.33
当前 €51.60
有现货 - 24 小时发货
99610113780/1
Product Information
成对出售/每台发动机需要 1 对

适合:
保时捷 964
保时捷993 1994-98
保时捷 996 Turbo/GT2/GT3
保时捷 997.1 Turbo/GT2/GT3
保时捷 997.2 GT2/GT3
本产品取代了保时捷的旧零件编号:
- 91610113700
- 99310113700
单击“放大”可查看大部件图。
图表参考编号 29。
相关参考编号
相关编号、被取代编号、交叉引用编号或替代编号,供比较之用。
99610113780
您正在查看的产品与这些编号存在交叉引用关系
Product Information
中间轴轴承壳(带肩)。成对出售/每台发动机需要 1 对

适合:
保时捷 964
保时捷993 1994-98
保时捷 996 Turbo/GT2/GT3
保时捷 997.1 Turbo/GT2/GT3
保时捷 997.2 GT2/GT3
本产品取代了保时捷的旧零件编号:
- 91610113700
- 99310113700
单击“放大”可查看大部件图。
图表参考编号 29。
相关参考编号
相关编号、被取代编号、交叉引用编号或替代编号,供比较之用。
99610113780
99610113780
99310113701
您正在查看的产品与这些编号存在交叉引用关系
产品车辆组
产品车辆组
- Porsche 911 1965-1968 2.0L / 912 SWB (F)
- Porsche 911 1968-1973 2.2L / 2.4L / 2.7L RS LWB (F)
- Porsche 911 1974-1977 2.7L / 1976-77 3.0 Carrera
- Porsche 911 1978-1983 3.0L / SC
- Porsche 911 1984-1986 3.2L
- Porsche 911 1987-1989 3.2L G50
- Porsche 911 1975-1977 3.0L Turbo (930)
- Porsche 911 1978-1989 3.3L Turbo (930)
- Porsche 964 (911) C2 1989-93
- Porsche 964 (911) C4 1989-93
- Porsche 964 (911) RS 3.6L 1991-93
- Porsche 964 (911) RS 3.8L 1991-93
- Porsche 964 (911) TURBO 3.3L 1991-93
- Porsche 964 (911) TURBO 3.6L 1991-93
- Porsche 993 (911) C2 1994-97
- Porsche 993 (911) C4 1994-97
- Porsche 993 (911) RS 1994-97
- Porsche 993 (911) C2S 1994-97
- Porsche 993 (911) C4S 1994-97
- Porsche 993 (911) TURBO 1994-96
- Porsche 993 (911) GT2 1994-97
- Porsche 993 (911) TURBO S 1994-97
- Porsche 996 TURBO 2000-05
- Porsche 996 GT2 2001-05
- Porsche 996 GT3 MKI 1999-02
- Porsche 996 GT3 MKII 2003>>
- Porsche 996 GT3 RS 2003-04
- Porsche 997 MK1 TURBO 2007-09
- Porsche 997 MK1 GT3 2007-09
- Porsche 997 MK1 GT2 2007-09
- Porsche 997 MKII GT3 2010-11
- Porsche 997 MKII GT2 RS 2011-13
€13.46
当前 €12.11
有现货 - 24 小时发货
99310314715/1
Product Information
一套 12 件。
#糖#
适合:
保时捷 993 1994-98
保时捷 996 Turbo
单击图片可查看大部件图。
图表参考编号 15。
相关参考编号
相关编号、被取代编号、交叉引用编号或替代编号,供比较之用。
99310314715
您正在查看的产品与这些编号存在交叉引用关系
Product Information
大端连杆轴承。标准尺寸。一套 12 件。
#糖#
适合:
保时捷 993 1994-98
保时捷 996 Turbo
单击图片可查看大部件图。
图表参考编号 15。
相关参考编号
相关编号、被取代编号、交叉引用编号或替代编号,供比较之用。
99310314715
99310314715
71-3775
您正在查看的产品与这些编号存在交叉引用关系
产品车辆组
产品车辆组
- Porsche 993 (911) C2 1994-97
- Porsche 993 (911) C4 1994-97
- Porsche 993 (911) RS 1994-97
- Porsche 993 (911) C2S 1994-97
- Porsche 993 (911) C4S 1994-97
- Porsche 993 (911) TURBO 1994-96
- Porsche 993 (911) GT2 1994-97
- Porsche 993 (911) TURBO S 1994-97
- Porsche 996 TURBO 2000-05
€169.65
当前 €152.68
有现货 - 24 小时发货
92810314315/1KIT
Product Information
16 片装
#糖#
適用於:
保时捷 928 1978-95
单击图片可查看大部件图。
图表参考编号 8。
相关参考编号
相关编号、被取代编号、交叉引用编号或替代编号,供比较之用。
92810314315
您正在查看的产品与这些编号存在交叉引用关系
Product Information
大端连杆轴承。标准尺寸。16 片装
#糖#
適用於:
保时捷 928 1978-95
单击图片可查看大部件图。
图表参考编号 8。
相关参考编号
相关编号、被取代编号、交叉引用编号或替代编号,供比较之用。
92810314315
71-3431
92810314315
您正在查看的产品与这些编号存在交叉引用关系
关于此套件
该套件包括以下商品:
2 x 大端连杆轴承。保时捷 924S / 944 / 968 (92810314315/1)
产品车辆组
产品车辆组
- Porsche 928 4.5L 1978-82
- Porsche 928S 4.7L 1981-83
- Porsche 928S2 4.7L 1984-86
- Porsche 928S4 5.0L 1987-92
- Porsche 928GT 5.0L 1989-91
- Porsche 928GTS 5.4L 1992-95
€139.24
当前 €125.32
到期 7 天
92810314315/1
Product Information
適用於:
保时捷 924 S 1986-88
保时捷 944 1982-91
保时捷 968 1992-95
图表参考编号 8。
相关参考编号
相关编号、被取代编号、交叉引用编号或替代编号,供比较之用。
92810314315
您正在查看的产品与这些编号存在交叉引用关系
Product Information
大端连杆轴承。8 套标准尺寸。適用於:
保时捷 924 S 1986-88
保时捷 944 1982-91
保时捷 968 1992-95
图表参考编号 8。
相关参考编号
相关编号、被取代编号、交叉引用编号或替代编号,供比较之用。
92810314315
92810314302
92810314315
71-3431
您正在查看的产品与这些编号存在交叉引用关系
产品车辆组
产品车辆组
- Porsche 924S 2.5L 1986-87
- Porsche 924S 2.5L 1988
- Porsche 944 2.5L 8V 1982-87
- Porsche 944 2.7L 8V 1988-89
- Porsche 944S 2.5L 16V 1987-88
- Porsche 944S2 3.0L 16V 1989-91
- Porsche 944 Turbo 2.5L 8V 1985-88
- Porsche 944 Turbo 2.5L 8V 1989-91
- Porsche 944 Turbo S 2.5L 8V 1988
- Porsche 968 3.0L 1992-94
- Porsche 968 Sport 3.0L 1994-95
- Porsche 968 CS 3.0L 1993-95
- Porsche 968 Turbo S 3.0L 1993-94
€69.62
当前 €62.66
有现货 - 3-5 天发货
93010314882/1
Product Information
#糖#
适合:
保时捷 911 3.0 SC Carrera 07.77 - 06.80 132kw 180hp 2993cc 6c 930.03; 930.13
保时捷 911 3.0 SC Carrera 09.79 - 06.80 138kw 188hp 2993cc 6c 930.09; 930.19
保时捷 911 3.0 SC 08.80 - 07.83 150kw 204hp 2993cc 6c 930.10
单击“放大”可查看大部件图。
图表参考编号 20。
相关参考编号
相关编号、被取代编号、交叉引用编号或替代编号,供比较之用。
93010314882
您正在查看的产品与这些编号存在交叉引用关系
Product Information
大端连杆轴承。12套。#糖#
适合:
保时捷 911 3.0 SC Carrera 07.77 - 06.80 132kw 180hp 2993cc 6c 930.03; 930.13
保时捷 911 3.0 SC Carrera 09.79 - 06.80 138kw 188hp 2993cc 6c 930.09; 930.19
保时捷 911 3.0 SC 08.80 - 07.83 150kw 204hp 2993cc 6c 930.10
单击“放大”可查看大部件图。
图表参考编号 20。
相关参考编号
相关编号、被取代编号、交叉引用编号或替代编号,供比较之用。
93010314882
93010314800
71-3426
93010314882
您正在查看的产品与这些编号存在交叉引用关系
产品车辆组
产品车辆组
- Porsche 911 1978-1983 3.0L / SC
€44.46
当前 €40.01
有现货 - 24 小时发货
90110314181/1
Product Information
一套 12 件
发动机类型:911.01、911.02、911.03、911.04、911.05、911.06、911.07、911.08。
适合:
保时捷 911 2.0 L 01.63 - 08.67 96kw 130hp 1991cc 6c 901.01; 901.05; 901.06; 901.07; 901.14; 901.17
保时捷 911 2.0 T 08.68 - 02.72 81kw 110hp 1991cc 6c 901.03; 901.13
保时捷 911 2.0 E 09.68 - 12.69 103kw 140hp 1991cc 6c 901.09; 901.11
保时捷 911 2.0 S 07.66 - 11.68 118kw 160hp 1991cc 6c 901.02; 901.08
保时捷 911 2.0 S 09.68 - 12.69 125kw 170hp 1991cc 6c 901.10
保时捷 911 2.2 T 01.70 - 12.72 92kw 125hp 2195cc 6c 911.06; 911.07; 911.08; 911.03
保时捷 911 2.2 E 09.69 - 12.71 114kw 155hp 2195cc 6c 911.01; 911.04
保时捷 911 2.2 S 09.69 - 12.71 132kw 180hp 2195cc 6c 911.02
图表参考编号 23。
相关参考编号
相关编号、被取代编号、交叉引用编号或替代编号,供比较之用。
90110314181
您正在查看的产品与这些编号存在交叉引用关系
Product Information
大端连杆轴承。标准尺寸。一套 12 件
发动机类型:911.01、911.02、911.03、911.04、911.05、911.06、911.07、911.08。
适合:
保时捷 911 2.0 L 01.63 - 08.67 96kw 130hp 1991cc 6c 901.01; 901.05; 901.06; 901.07; 901.14; 901.17
保时捷 911 2.0 T 08.68 - 02.72 81kw 110hp 1991cc 6c 901.03; 901.13
保时捷 911 2.0 E 09.68 - 12.69 103kw 140hp 1991cc 6c 901.09; 901.11
保时捷 911 2.0 S 07.66 - 11.68 118kw 160hp 1991cc 6c 901.02; 901.08
保时捷 911 2.0 S 09.68 - 12.69 125kw 170hp 1991cc 6c 901.10
保时捷 911 2.2 T 01.70 - 12.72 92kw 125hp 2195cc 6c 911.06; 911.07; 911.08; 911.03
保时捷 911 2.2 E 09.69 - 12.71 114kw 155hp 2195cc 6c 911.01; 911.04
保时捷 911 2.2 S 09.69 - 12.71 132kw 180hp 2195cc 6c 911.02
图表参考编号 23。
相关参考编号
相关编号、被取代编号、交叉引用编号或替代编号,供比较之用。
90110314181
90110314100
71-2349
您正在查看的产品与这些编号存在交叉引用关系
产品车辆组
产品车辆组
- Porsche 911 1965-1968 2.0L / 912 SWB (F)
- Porsche 911 1968-1973 2.2L / 2.4L / 2.7L RS LWB (F)
- Porsche 914 (1970-1976)
€76.05
当前 €68.44
有现货 - 24 小时发货
91410314151/1
Product Information
#糖#
适合:
保时捷 911 2.4 E 08.71 - 12.73 121kw 165hp 2341cc 6c 911.52; 911.62
保时捷 911 2.4 S 08.71 - 08.73 140kw 190hp 2341cc 6c 911.53; 911.63
保时捷 911 2.7 09.73 - 08.75 110kw 150hp 2687cc 6c 911.92; 911.97; 911.41; 911.46
保时捷 911 2.7 09.75 - 06.77 121kw 165hp 2687cc 6c 911.43; 911.48; 911.81; 911.82; 911.84; 911.85; 911.86; 911.89; 911.90; 911.94; 911.99
保时捷 911 2.7 S Carrera 08.73 - 01.76 129kw 175hp 2687cc 6c 911.93; 911.98; 911.42; 911.47
保时捷 911 2.7 SC Carrera RS 08.72 - 01.79 154kw 209hp 2687cc 6c 911.83
保时捷 911 3.0 SC Carrera 09.75 - 06.77 147kw 200hp 2993cc 6 930.02; 930.12
保时捷 911 3.0 Turbo 01.75 - 12.77 191kw 260hp 2993cc 6c 930.50; 930.52
单击图片可查看大部件图。
图表参考编号 23。
相关参考编号
相关编号、被取代编号、交叉引用编号或替代编号,供比较之用。
91410314151
您正在查看的产品与这些编号存在交叉引用关系
Product Information
大端连杆轴承小尺寸 0.25 毫米, 12 件套。#糖#
适合:
保时捷 911 2.4 E 08.71 - 12.73 121kw 165hp 2341cc 6c 911.52; 911.62
保时捷 911 2.4 S 08.71 - 08.73 140kw 190hp 2341cc 6c 911.53; 911.63
保时捷 911 2.7 09.73 - 08.75 110kw 150hp 2687cc 6c 911.92; 911.97; 911.41; 911.46
保时捷 911 2.7 09.75 - 06.77 121kw 165hp 2687cc 6c 911.43; 911.48; 911.81; 911.82; 911.84; 911.85; 911.86; 911.89; 911.90; 911.94; 911.99
保时捷 911 2.7 S Carrera 08.73 - 01.76 129kw 175hp 2687cc 6c 911.93; 911.98; 911.42; 911.47
保时捷 911 2.7 SC Carrera RS 08.72 - 01.79 154kw 209hp 2687cc 6c 911.83
保时捷 911 3.0 SC Carrera 09.75 - 06.77 147kw 200hp 2993cc 6 930.02; 930.12
保时捷 911 3.0 Turbo 01.75 - 12.77 191kw 260hp 2993cc 6c 930.50; 930.52
单击图片可查看大部件图。
图表参考编号 23。
相关参考编号
相关编号、被取代编号、交叉引用编号或替代编号,供比较之用。
91410314151
71-3014
91410314150
91410314151
您正在查看的产品与这些编号存在交叉引用关系
产品车辆组
产品车辆组
- Porsche 911 1968-1973 2.2L / 2.4L / 2.7L RS LWB (F)
- Porsche 911 1974-1977 2.7L / 1976-77 3.0 Carrera
- Porsche 911 1975-1977 3.0L Turbo (930)
- Porsche 914 (1970-1976)
€65.40
当前 €58.86
有现货 - 3-5 天发货
96410190100/1
Product Information
適用於:
保时捷 911 1978-89
保时捷 964 1989-94
保时捷 993 1994-97
保时捷 996 Turbo 2000-05
保时捷 996 GT3
图表参考编号 21。
相关参考编号
相关编号、被取代编号、交叉引用编号或替代编号,供比较之用。
96410190100
您正在查看的产品与这些编号存在交叉引用关系
Product Information
主轴承组 - 标准。12 + 2 套適用於:
保时捷 911 1978-89
保时捷 964 1989-94
保时捷 993 1994-97
保时捷 996 Turbo 2000-05
保时捷 996 GT3
图表参考编号 21。
相关参考编号
相关编号、被取代编号、交叉引用编号或替代编号,供比较之用。
96410190100
96410190100
930.101.131.01
930.101.131.04
930.101.131.05
930.101.132.02
930.101.132.03
930.101.901.00
93010113101
93010113104
93010113105
93010113202
93010113203
93010190100
93010113115
93010113215
93010113216
96410113801
您正在查看的产品与这些编号存在交叉引用关系
产品车辆组
产品车辆组
- Porsche 911 1978-1983 3.0L / SC
- Porsche 911 1984-1986 3.2L
- Porsche 911 1987-1989 3.2L G50
- Porsche 911 1975-1977 3.0L Turbo (930)
- Porsche 911 1978-1989 3.3L Turbo (930)
- Porsche 964 (911) C2 1989-93
- Porsche 964 (911) C4 1989-93
- Porsche 964 (911) RS 3.6L 1991-93
- Porsche 964 (911) RS 3.8L 1991-93
- Porsche 964 (911) TURBO 3.3L 1991-93
- Porsche 964 (911) TURBO 3.6L 1991-93
- Porsche 993 (911) C2 1994-97
- Porsche 993 (911) C4 1994-97
- Porsche 993 (911) RS 1994-97
- Porsche 993 (911) C2S 1994-97
- Porsche 993 (911) C4S 1994-97
- Porsche 993 (911) TURBO 1994-96
- Porsche 993 (911) GT2 1994-97
- Porsche 993 (911) TURBO S 1994-97
- Porsche 996 TURBO 2000-05
- Porsche 996 GT3 MKI 1999-02
- Porsche 996 GT3 MKII 2003>>
€166.14
当前 €149.53
有现货 - 24 小时发货