超级专业
大约超级专业
SuperPro 系列聚氨酯保时捷悬架衬套由澳大利亚的 Zeder Corp 在英国和欧洲各地生产。
我们的产品还可用于车辆在极端条件下使用的应用,包括各种形式的赛车运动。
SPF0647K
Product Information
更换保时捷零件编号 171407182D
一对
#超级职业选手#
适合:
保时捷 924 1976-85
保时捷 924S 1986-88
保时捷 944 1982-85
使用聚氨酯悬架衬套替换您的汽车橡胶悬架衬套将为您带来:
- 更好的抓地力
- 恒定转向几何
- 延长轮胎寿命
- 转向更灵敏
- 悬架部件的使用寿命更长
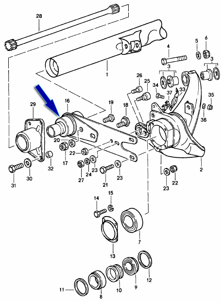
单击“放大”可查看大部件图。
图表参考编号 7。
相关参考编号
相关编号、被取代编号、交叉引用编号或替代编号,供比较之用。
SPF0647K
您正在查看的产品与这些编号存在交叉引用关系
Product Information
SuperPro 叉骨内衬套前部。更换保时捷零件编号 171407182D
一对
#超级职业选手#
适合:
保时捷 924 1976-85
保时捷 924S 1986-88
保时捷 944 1982-85
使用聚氨酯悬架衬套替换您的汽车橡胶悬架衬套将为您带来:
- 更好的抓地力
- 恒定转向几何
- 延长轮胎寿命
- 转向更灵敏
- 悬架部件的使用寿命更长
单击“放大”可查看大部件图。
图表参考编号 7。
相关参考编号
相关编号、被取代编号、交叉引用编号或替代编号,供比较之用。
SPF0647K
171407182D
您正在查看的产品与这些编号存在交叉引用关系
产品车辆组
产品车辆组
- Porsche 924 2.0L 1976-79
- Porsche 924 2.0L 1980-85
- Porsche 924 Turbo 2.0L 1979-81
- Porsche 924 Turbo 2.0L 1982-84
- Porsche 924 Carrera GT 2.0L 1981
- Porsche 924 Carrera GTS 2.0L 1982
- Porsche 924S 2.5L 1986-87
- Porsche 924S 2.5L 1988
- Porsche 944 2.5L 8V 1982-87
价格: £42.22
有现货 - 3-5 天发货
SPF0142-
Product Information
2 件套
#超级职业选手#
适合:
保时捷 911/912 1965-73
保时捷 914
使用聚氨酯悬架衬套替换您的汽车橡胶悬架衬套将为您带来:
- 更好的抓地力
- 恒定转向几何
- 延长轮胎寿命
- 转向更灵敏
- 悬架部件的使用寿命更长
单击“放大”可查看大部件图。
图表参考编号 23
相关参考编号
相关编号、被取代编号、交叉引用编号或替代编号,供比较之用。
SPF0142-
您正在查看的产品与这些编号存在交叉引用关系
Product Information
SuperPro 前防倾杆橡胶支座/衬套。2 件套
#超级职业选手#
适合:
保时捷 911/912 1965-73
保时捷 914
使用聚氨酯悬架衬套替换您的汽车橡胶悬架衬套将为您带来:
- 更好的抓地力
- 恒定转向几何
- 延长轮胎寿命
- 转向更灵敏
- 悬架部件的使用寿命更长
单击“放大”可查看大部件图。
图表参考编号 23
相关参考编号
相关编号、被取代编号、交叉引用编号或替代编号,供比较之用。
SPF0142-
90134379202
90134379201
您正在查看的产品与这些编号存在交叉引用关系
产品车辆组
产品车辆组
- Porsche 911 1965-1968 2.0L / 912 SWB (F)
- Porsche 911 1968-1973 2.2L / 2.4L / 2.7L RS LWB (F)
- Porsche 356B 1959-63
- Porsche 914 (1970-1976)
选择扭力杆尺寸
价格低至: £19.81
SPF0134-
Product Information
2 件套
#超级职业选手#
适合:
保时捷 911 1965-98
保时捷 924 1977-88
保时捷 944 1982-91
保时捷 968 1992-95
保时捷 928 1978-95
保时捷 356 1950-65
保时捷 914 1970-76
使用聚氨酯悬架衬套替换您的汽车橡胶悬架衬套将为您带来:
- 更好的抓地力
- 恒定转向几何
- 延长轮胎寿命
- 转向更灵敏
- 悬架部件的使用寿命更长
单击“放大”可查看大部件图。
图表参考编号 11
相关参考编号
相关编号、被取代编号、交叉引用编号或替代编号,供比较之用。
SPF0134-
您正在查看的产品与这些编号存在交叉引用关系
Product Information
SuperPro 稳定杆衬套 D 形(宽 32 毫米 x 长 35 毫米)2 件套
#超级职业选手#
适合:
保时捷 911 1965-98
保时捷 924 1977-88
保时捷 944 1982-91
保时捷 968 1992-95
保时捷 928 1978-95
保时捷 356 1950-65
保时捷 914 1970-76
使用聚氨酯悬架衬套替换您的汽车橡胶悬架衬套将为您带来:
- 更好的抓地力
- 恒定转向几何
- 延长轮胎寿命
- 转向更灵敏
- 悬架部件的使用寿命更长
单击“放大”可查看大部件图。
图表参考编号 11
相关参考编号
相关编号、被取代编号、交叉引用编号或替代编号,供比较之用。
SPF0134-
477411313B
477411313N
您正在查看的产品与这些编号存在交叉引用关系
产品车辆组
产品车辆组
- Porsche 911 1965-1968 2.0L / 912 SWB (F)
- Porsche 911 1968-1973 2.2L / 2.4L / 2.7L RS LWB (F)
- Porsche 911 1974-1977 2.7L / 1976-77 3.0 Carrera
- Porsche 911 1978-1983 3.0L / SC
- Porsche 911 1984-1986 3.2L
- Porsche 911 1987-1989 3.2L G50
- Porsche 911 1975-1977 3.0L Turbo (930)
- Porsche 911 1978-1989 3.3L Turbo (930)
- Porsche 964 (911) C2 1989-93
- Porsche 964 (911) C4 1989-93
- Porsche 964 (911) RS 3.6L 1991-93
- Porsche 964 (911) RS 3.8L 1991-93
- Porsche 964 (911) TURBO 3.3L 1991-93
- Porsche 964 (911) TURBO 3.6L 1991-93
- Porsche 993 (911) C2 1994-97
- Porsche 993 (911) C4 1994-97
- Porsche 993 (911) RS 1994-97
- Porsche 993 (911) C2S 1994-97
- Porsche 993 (911) C4S 1994-97
- Porsche 993 (911) TURBO 1994-96
- Porsche 993 (911) GT2 1994-97
- Porsche 993 (911) TURBO S 1994-97
- Porsche 924 2.0L 1976-79
- Porsche 924 2.0L 1980-85
- Porsche 924 Turbo 2.0L 1979-81
- Porsche 924 Turbo 2.0L 1982-84
- Porsche 924 Carrera GT 2.0L 1981
- Porsche 924 Carrera GTS 2.0L 1982
- Porsche 924S 2.5L 1986-87
- Porsche 924S 2.5L 1988
- Porsche 944 2.5L 8V 1982-87
- Porsche 944 2.7L 8V 1988-89
- Porsche 944S 2.5L 16V 1987-88
- Porsche 944S2 3.0L 16V 1989-91
- Porsche 944 Turbo 2.5L 8V 1985-88
- Porsche 944 Turbo 2.5L 8V 1989-91
- Porsche 944 Turbo S 2.5L 8V 1988
- Porsche 968 3.0L 1992-94
- Porsche 968 Sport 3.0L 1994-95
- Porsche 968 CS 3.0L 1993-95
- Porsche 968 Turbo S 3.0L 1993-94
- Porsche 928 4.5L 1978-82
- Porsche 928S 4.7L 1981-83
- Porsche 928S2 4.7L 1984-86
- Porsche 928S4 5.0L 1987-92
- Porsche 928GT 5.0L 1989-91
- Porsche 928GTS 5.4L 1992-95
- Porsche 356A 1955-59
- Porsche 356B 1959-63
- Porsche 356C 1963-65
- Porsche 914 (1970-1976)
选择大小
价格低至: £22.14
SPF1450-
Product Information
2 件套
#超级职业选手#
适合:
保时捷 911 1974-89
保时捷 914 1970-76
相关参考编号
相关编号、被取代编号、交叉引用编号或替代编号,供比较之用。
SPF1450-
您正在查看的产品与这些编号存在交叉引用关系
Product Information
SuperPro 前稳定杆衬套 D 形(宽 32 毫米 x 长 33 毫米)2 件套
#超级职业选手#
适合:
保时捷 911 1974-89
保时捷 914 1970-76
使用聚氨酯悬架衬套替换您的汽车橡胶悬架衬套将为您带来:
- 更好的抓地力
- 恒定转向几何
- 延长轮胎寿命
- 转向更灵敏
- 悬架部件的使用寿命更长
单击“放大”可查看大部件图。
图表参考编号 11
相关参考编号
相关编号、被取代编号、交叉引用编号或替代编号,供比较之用。
SPF1450-
91134379203
91134337202
91134388100
您正在查看的产品与这些编号存在交叉引用关系
产品车辆组
产品车辆组
- Porsche 911 1974-1977 2.7L / 1976-77 3.0 Carrera
- Porsche 911 1978-1983 3.0L / SC
- Porsche 911 1984-1986 3.2L
- Porsche 911 1987-1989 3.2L G50
- Porsche 911 1975-1977 3.0L Turbo (930)
- Porsche 911 1978-1989 3.3L Turbo (930)
- Porsche 964 (911) C2 1989-93
- Porsche 964 (911) C4 1989-93
- Porsche 964 (911) RS 3.6L 1991-93
- Porsche 964 (911) RS 3.8L 1991-93
- Porsche 964 (911) TURBO 3.3L 1991-93
- Porsche 964 (911) TURBO 3.6L 1991-93
- Porsche 993 (911) C2 1994-97
- Porsche 993 (911) C4 1994-97
- Porsche 993 (911) RS 1994-97
- Porsche 993 (911) C2S 1994-97
- Porsche 993 (911) C4S 1994-97
- Porsche 993 (911) TURBO 1994-96
- Porsche 993 (911) GT2 1994-97
- Porsche 993 (911) TURBO S 1994-97
- Porsche 914 (1970-1976)
选择大小
价格低至: £20.76
SPF2935K
Product Information
一对
#超级职业选手#
使用聚氨酯悬架衬套替换您的汽车橡胶悬架衬套将为您带来:
- 更好的抓地力
- 恒定转向几何
- 延长轮胎寿命
- 转向更灵敏
- 悬架部件的使用寿命更长。
适合:
保时捷 964 1990-94
保时捷 993 1994-97
适合图表上的第 12 号。
相关参考编号
相关编号、被取代编号、交叉引用编号或替代编号,供比较之用。
SPF2935K
您正在查看的产品与这些编号存在交叉引用关系
Product Information
SuperPro Wishbone 内后衬套。一对
#超级职业选手#
使用聚氨酯悬架衬套替换您的汽车橡胶悬架衬套将为您带来:
- 更好的抓地力
- 恒定转向几何
- 延长轮胎寿命
- 转向更灵敏
- 悬架部件的使用寿命更长。
适合:
保时捷 964 1990-94
保时捷 993 1994-97
适合图表上的第 12 号。
相关参考编号
相关编号、被取代编号、交叉引用编号或替代编号,供比较之用。
SPF2935K
PFF57101SP
PFF57101
96434101706
96434101707
96434101806
96434101807
96434101780
96434101782
96434101880
96434101882
99334101700
99334101702
99334101800
99334101802
99334101801
99334101780
99334101782
99334101880
99334101882
您正在查看的产品与这些编号存在交叉引用关系
产品车辆组
产品车辆组
- Porsche 964 (911) C2 1989-93
- Porsche 964 (911) C4 1989-93
- Porsche 964 (911) RS 3.6L 1991-93
- Porsche 964 (911) RS 3.8L 1991-93
- Porsche 964 (911) TURBO 3.3L 1991-93
- Porsche 964 (911) TURBO 3.6L 1991-93
- Porsche 993 (911) C2 1994-97
- Porsche 993 (911) C4 1994-97
- Porsche 993 (911) RS 1994-97
- Porsche 993 (911) C2S 1994-97
- Porsche 993 (911) C4S 1994-97
- Porsche 993 (911) TURBO 1994-96
- Porsche 993 (911) GT2 1994-97
- Porsche 993 (911) TURBO S 1994-97
价格: £58.13
可订购 - 3 到 6 天
SPF2934K
Product Information
一对
#超级职业选手#
适合:
保时捷 964 1990-94
保时捷 993 1994-97
使用聚氨酯悬架衬套替换您的汽车橡胶悬架衬套将为您带来:
- 更好的抓地力
- 恒定转向几何
- 延长轮胎寿命
- 转向更灵敏
- 悬架部件的使用寿命更长。
点击“放大”查看大部件图
适合图表上的第 12 号。
相关参考编号
相关编号、被取代编号、交叉引用编号或替代编号,供比较之用。
SPF2934K
您正在查看的产品与这些编号存在交叉引用关系
Product Information
SuperPro 叉骨内前衬套。一对
#超级职业选手#
适合:
保时捷 964 1990-94
保时捷 993 1994-97
使用聚氨酯悬架衬套替换您的汽车橡胶悬架衬套将为您带来:
- 更好的抓地力
- 恒定转向几何
- 延长轮胎寿命
- 转向更灵敏
- 悬架部件的使用寿命更长。
点击“放大”查看大部件图
适合图表上的第 12 号。
相关参考编号
相关编号、被取代编号、交叉引用编号或替代编号,供比较之用。
SPF2934K
PFF57102SP
PFF57102
96434101706
96434101707
96434101806
96434101807
96434101780
96434101782
96434101880
96434101882
99334101700
99334101702
99334101800
99334101802
99334101801
99334101780
99334101782
99334101880
99334101882
您正在查看的产品与这些编号存在交叉引用关系
产品车辆组
产品车辆组
- Porsche 964 (911) C2 1989-93
- Porsche 964 (911) C4 1989-93
- Porsche 964 (911) RS 3.6L 1991-93
- Porsche 964 (911) RS 3.8L 1991-93
- Porsche 964 (911) TURBO 3.3L 1991-93
- Porsche 964 (911) TURBO 3.6L 1991-93
- Porsche 993 (911) C2 1994-97
- Porsche 993 (911) C4 1994-97
- Porsche 993 (911) RS 1994-97
- Porsche 993 (911) C2S 1994-97
- Porsche 993 (911) C4S 1994-97
- Porsche 993 (911) TURBO 1994-96
- Porsche 993 (911) GT2 1994-97
- Porsche 993 (911) TURBO S 1994-97
价格: £85.62
有现货 - 24 小时发货
SPF0095-
Product Information
两件套
适合:
保时捷911(1965-83年)
保时捷914 1970-76
使用聚氨酯悬架衬套替换您的汽车橡胶悬架衬套将为您带来以下好处:
- 更好的抓地力
- 恒定转向几何
- 延长轮胎寿命
- 转向响应更灵敏
- 悬架部件的使用寿命更长
单击“放大”可查看大部件图。
图表参考编号 11
相关参考编号
相关编号、被取代编号、交叉引用编号或替代编号,供比较之用。
SPF0095-
您正在查看的产品与这些编号存在交叉引用关系
Product Information
SuperPro 稳定杆衬套 D 形(宽 28 毫米 x 长 31 毫米)两件套
适合:
保时捷911(1965-83年)
保时捷914 1970-76
使用聚氨酯悬架衬套替换您的汽车橡胶悬架衬套将为您带来以下好处:
- 更好的抓地力
- 恒定转向几何
- 延长轮胎寿命
- 转向响应更灵敏
- 悬架部件的使用寿命更长
单击“放大”可查看大部件图。
图表参考编号 11
相关参考编号
相关编号、被取代编号、交叉引用编号或替代编号,供比较之用。
SPF0095-
90133379301
90133379304
90133379302
90133379303
91133379302
91133379305
477411313B
您正在查看的产品与这些编号存在交叉引用关系
产品车辆组
产品车辆组
- Porsche 911 1965-1968 2.0L / 912 SWB (F)
- Porsche 911 1968-1973 2.2L / 2.4L / 2.7L RS LWB (F)
- Porsche 911 1974-1977 2.7L / 1976-77 3.0 Carrera
- Porsche 911 1978-1983 3.0L / SC
- Porsche 911 1975-1977 3.0L Turbo (930)
- Porsche 911 1978-1989 3.3L Turbo (930)
- Porsche 914 (1970-1976)
选择大小
价格低至: £19.55
SPF1436K
Product Information
替换保时捷零件编号 90134162900。
2 件装
适合:
保时捷911(1970-89年)
使用聚氨酯悬架衬套替换您的汽车橡胶悬架衬套将为您带来以下好处:
- 更好的抓地力
- 恒定转向几何
- 延长轮胎寿命
- 转向响应更灵敏
- 悬架部件的使用寿命更长。
单击“放大”可查看大部件图。
适合图表上的第8号。
相关参考编号
相关编号、被取代编号、交叉引用编号或替代编号,供比较之用。
SPF1436K
您正在查看的产品与这些编号存在交叉引用关系
Product Information
SuperPro 顶部安装支撑垫圈。替换保时捷零件编号 90134162900。
2 件装
适合:
保时捷911(1970-89年)
使用聚氨酯悬架衬套替换您的汽车橡胶悬架衬套将为您带来以下好处:
- 更好的抓地力
- 恒定转向几何
- 延长轮胎寿命
- 转向响应更灵敏
- 悬架部件的使用寿命更长。
单击“放大”可查看大部件图。
适合图表上的第8号。
相关参考编号
相关编号、被取代编号、交叉引用编号或替代编号,供比较之用。
SPF1436K
90134162900
91134101800
您正在查看的产品与这些编号存在交叉引用关系
产品车辆组
产品车辆组
- Porsche 911 1968-1973 2.2L / 2.4L / 2.7L RS LWB (F)
- Porsche 911 1974-1977 2.7L / 1976-77 3.0 Carrera
- Porsche 911 1978-1983 3.0L / SC
- Porsche 911 1984-1986 3.2L
- Porsche 911 1987-1989 3.2L G50
- Porsche 911 1975-1977 3.0L Turbo (930)
- Porsche 911 1978-1989 3.3L Turbo (930)
价格: £60.39
有现货 - 24 小时发货
SPF0988K
Product Information
更换保时捷零件编号 90133105900
4 件套
#超级职业选手#
适合:
保时捷 911 1970-89
保时捷 912
保时捷 911 SWB
使用聚氨酯悬架衬套替换您的汽车橡胶悬架衬套将为您带来:
- 更好的抓地力
- 恒定转向几何
- 延长轮胎寿命
- 转向更灵敏
- 悬架部件的使用寿命更长。
单击“放大”可查看大部件图。
图表参考编号 3
相关参考编号
相关编号、被取代编号、交叉引用编号或替代编号,供比较之用。
SPF0988K
您正在查看的产品与这些编号存在交叉引用关系
Product Information
SuperPro 拖臂顶部消音器块。更换保时捷零件编号 90133105900
4 件套
#超级职业选手#
适合:
保时捷 911 1970-89
保时捷 912
保时捷 911 SWB
使用聚氨酯悬架衬套替换您的汽车橡胶悬架衬套将为您带来:
- 更好的抓地力
- 恒定转向几何
- 延长轮胎寿命
- 转向更灵敏
- 悬架部件的使用寿命更长。
单击“放大”可查看大部件图。
图表参考编号 3
相关参考编号
相关编号、被取代编号、交叉引用编号或替代编号,供比较之用。
SPF0988K
90133105900
您正在查看的产品与这些编号存在交叉引用关系
产品车辆组
产品车辆组
- Porsche 911 1965-1968 2.0L / 912 SWB (F)
- Porsche 911 1968-1973 2.2L / 2.4L / 2.7L RS LWB (F)
- Porsche 911 1974-1977 2.7L / 1976-77 3.0 Carrera
- Porsche 911 1978-1983 3.0L / SC
- Porsche 911 1984-1986 3.2L
- Porsche 911 1987-1989 3.2L G50
- Porsche 911 1975-1977 3.0L Turbo (930)
- Porsche 911 1978-1989 3.3L Turbo (930)
价格: £21.78
到期 13 天
SPF0242K
Product Information
更换保时捷零件编号 91133300900
4 件套
#超级职业选手#
适合:
保时捷 911 1974-89
使用聚氨酯悬架衬套替换您的汽车橡胶悬架衬套将为您带来:
- 更好的抓地力
- 恒定转向几何
- 延长轮胎寿命
- 转向更灵敏
- 悬架部件的使用寿命更长。
单击“放大”可查看大部件图。
适合图表上的第 16 号。
相关参考编号
相关编号、被取代编号、交叉引用编号或替代编号,供比较之用。
SPF0242K
您正在查看的产品与这些编号存在交叉引用关系
Product Information
SuperPro 替换弹簧板衬套比赛用推荐更换保时捷零件编号 91133300900
4 件套
#超级职业选手#
适合:
保时捷 911 1974-89
使用聚氨酯悬架衬套替换您的汽车橡胶悬架衬套将为您带来:
- 更好的抓地力
- 恒定转向几何
- 延长轮胎寿命
- 转向更灵敏
- 悬架部件的使用寿命更长。
单击“放大”可查看大部件图。
适合图表上的第 16 号。
相关参考编号
相关编号、被取代编号、交叉引用编号或替代编号,供比较之用。
SPF0242K
91133300900
90133300301
90133300309
91133300905
您正在查看的产品与这些编号存在交叉引用关系
产品车辆组
产品车辆组
- Porsche 911 1965-1968 2.0L / 912 SWB (F)
- Porsche 911 1968-1973 2.2L / 2.4L / 2.7L RS LWB (F)
- Porsche 911 1974-1977 2.7L / 1976-77 3.0 Carrera
- Porsche 911 1978-1983 3.0L / SC
- Porsche 911 1984-1986 3.2L
- Porsche 911 1987-1989 3.2L G50
- Porsche 911 1975-1977 3.0L Turbo (930)
- Porsche 911 1978-1989 3.3L Turbo (930)
价格: £86.17
有现货 - 24 小时发货
SPF0236K
Product Information
更换保时捷零件编号 91133300900
4 件套
#超级职业选手#
适合:
保时捷 911 1965-89
使用聚氨酯悬架衬套替换您的汽车橡胶悬架衬套将为您带来:
- 更好的抓地力
- 恒定转向几何
- 延长轮胎寿命
- 转向更灵敏
- 悬架部件的使用寿命更长。
单击“放大”可查看大部件图。
适合图表上的第 16 号。
相关参考编号
相关编号、被取代编号、交叉引用编号或替代编号,供比较之用。
SPF0236K
您正在查看的产品与这些编号存在交叉引用关系
Product Information
SuperPro 替换弹簧板衬套。更换保时捷零件编号 91133300900
4 件套
#超级职业选手#
适合:
保时捷 911 1965-89
使用聚氨酯悬架衬套替换您的汽车橡胶悬架衬套将为您带来:
- 更好的抓地力
- 恒定转向几何
- 延长轮胎寿命
- 转向更灵敏
- 悬架部件的使用寿命更长。
单击“放大”可查看大部件图。
适合图表上的第 16 号。
相关参考编号
相关编号、被取代编号、交叉引用编号或替代编号,供比较之用。
SPF0236K
91133300900
91133300905
90133300301
90133300309
您正在查看的产品与这些编号存在交叉引用关系
产品车辆组
产品车辆组
- Porsche 911 1965-1968 2.0L / 912 SWB (F)
- Porsche 911 1968-1973 2.2L / 2.4L / 2.7L RS LWB (F)
- Porsche 911 1974-1977 2.7L / 1976-77 3.0 Carrera
- Porsche 911 1978-1983 3.0L / SC
- Porsche 911 1984-1986 3.2L
- Porsche 911 1987-1989 3.2L G50
- Porsche 911 1975-1977 3.0L Turbo (930)
- Porsche 911 1978-1989 3.3L Turbo (930)
价格: £113.37
有现货 - 24 小时发货
SPF1375K
Product Information
4 件套衬套
#超级职业选手#
请注意,价格不包括支架。您只购买灌木丛
适合安装于以下支架内:
保时捷 911 1965-69 发动机支架
保时捷 911 1970-86 发动机和 915 变速箱支架
保时捷 911 1986-89 发动机支架
保时捷 930 1975-77 发动机支架
保时捷 930 1978-89 发动机支架
(不是 CS,不是 Cabrio)
使用聚氨酯悬架衬套替换您的汽车橡胶悬架衬套将为您带来:
- 更好的抓地力
- 恒定转向几何
- 延长轮胎寿命
- 转向更灵敏
- 悬架部件的使用寿命更长
单击“放大”可查看大部件图。
适合图表上的 8 号
相关参考编号
相关编号、被取代编号、交叉引用编号或替代编号,供比较之用。
SPF1375K
您正在查看的产品与这些编号存在交叉引用关系
Product Information
SuperPro 替换发动机/变速箱安装衬套。4 件套衬套
#超级职业选手#
请注意,价格不包括支架。您只购买灌木丛
适合安装于以下支架内:
保时捷 911 1965-69 发动机支架
保时捷 911 1970-86 发动机和 915 变速箱支架
保时捷 911 1986-89 发动机支架
保时捷 930 1975-77 发动机支架
保时捷 930 1978-89 发动机支架
(不是 CS,不是 Cabrio)
使用聚氨酯悬架衬套替换您的汽车橡胶悬架衬套将为您带来:
- 更好的抓地力
- 恒定转向几何
- 延长轮胎寿命
- 转向更灵敏
- 悬架部件的使用寿命更长
单击“放大”可查看大部件图。
适合图表上的 8 号
相关参考编号
相关编号、被取代编号、交叉引用编号或替代编号,供比较之用。
SPF1375K
91137504300
91137501101
您正在查看的产品与这些编号存在交叉引用关系
产品车辆组
产品车辆组
- Porsche 911 1968-1973 2.2L / 2.4L / 2.7L RS LWB (F)
- Porsche 911 1974-1977 2.7L / 1976-77 3.0 Carrera
- Porsche 911 1978-1983 3.0L / SC
- Porsche 911 1984-1986 3.2L
- Porsche 911 1987-1989 3.2L G50
- Porsche 911 1975-1977 3.0L Turbo (930)
- Porsche 911 1978-1989 3.3L Turbo (930)
价格: £118.89
有现货 - 3-5 天发货
SPF0526K
Product Information
更换保时捷零件编号 90134378300
4 件套
#超级职业选手#
下拉链接衬套前部。1 件(每辆车需要 4 件)。
适合:
保时捷 911 / 911S / 912 1965-67
保时捷 911S 1969
保时捷 911S / Carrera 2.7L / 911T/E / 911T-K 1970-73 年
保时捷 911 Turbo 1975-77
保时捷 914 1970-76
使用聚氨酯悬架衬套替换您的汽车橡胶悬架衬套将为您带来:
- 更好的抓地力
- 恒定转向几何
- 延长轮胎寿命
- 转向更灵敏
- 悬架部件的使用寿命更长
相关参考编号
相关编号、被取代编号、交叉引用编号或替代编号,供比较之用。
SPF0526K
您正在查看的产品与这些编号存在交叉引用关系
Product Information
SuperPro 替换前下拉连杆衬套。更换保时捷零件编号 90134378300
4 件套
#超级职业选手#
下拉链接衬套前部。1 件(每辆车需要 4 件)。
适合:
保时捷 911 / 911S / 912 1965-67
保时捷 911S 1969
保时捷 911S / Carrera 2.7L / 911T/E / 911T-K 1970-73 年
保时捷 911 Turbo 1975-77
保时捷 914 1970-76
使用聚氨酯悬架衬套替换您的汽车橡胶悬架衬套将为您带来:
- 更好的抓地力
- 恒定转向几何
- 延长轮胎寿命
- 转向更灵敏
- 悬架部件的使用寿命更长
相关参考编号
相关编号、被取代编号、交叉引用编号或替代编号,供比较之用。
SPF0526K
90134378300
您正在查看的产品与这些编号存在交叉引用关系
产品车辆组
产品车辆组
- Porsche 911 1965-1968 2.0L / 912 SWB (F)
- Porsche 911 1968-1973 2.2L / 2.4L / 2.7L RS LWB (F)
- Porsche 911 1974-1977 2.7L / 1976-77 3.0 Carrera
- Porsche 911 1978-1983 3.0L / SC
- Porsche 911 1975-1977 3.0L Turbo (930)
- Porsche 914 (1970-1976)
价格: £28.92
有现货 - 3-5 天发货
SPF0236AK
Product Information
一套 4 株灌木。
#超级职业选手#
适合:
保时捷 911 1970-89
使用聚氨酯悬架衬套替换您的汽车橡胶悬架衬套将为您带来:
- 更好的抓地力
- 恒定转向几何
- 延长轮胎寿命
- 转向更灵敏
- 悬架部件的使用寿命更长
点击“放大”查看大部件图
适合图表上的 14 号
相关参考编号
相关编号、被取代编号、交叉引用编号或替代编号,供比较之用。
SPF0236AK
您正在查看的产品与这些编号存在交叉引用关系
Product Information
SuperPro 更换 A 型框架臂顶部和底部衬套。一套 4 株灌木。
#超级职业选手#
适合:
保时捷 911 1970-89
使用聚氨酯悬架衬套替换您的汽车橡胶悬架衬套将为您带来:
- 更好的抓地力
- 恒定转向几何
- 延长轮胎寿命
- 转向更灵敏
- 悬架部件的使用寿命更长
点击“放大”查看大部件图
适合图表上的 14 号
相关参考编号
相关编号、被取代编号、交叉引用编号或替代编号,供比较之用。
SPF0236AK
911341901XXSP
91134190100
91134190200
93034190101
93034190201
91134190101
91134190201
90134104303
90134100500
90134100600
您正在查看的产品与这些编号存在交叉引用关系
产品车辆组
产品车辆组
- Porsche 911 1968-1973 2.2L / 2.4L / 2.7L RS LWB (F)
- Porsche 911 1974-1977 2.7L / 1976-77 3.0 Carrera
- Porsche 911 1978-1983 3.0L / SC
- Porsche 911 1984-1986 3.2L
- Porsche 911 1987-1989 3.2L G50
- Porsche 911 1975-1977 3.0L Turbo (930)
- Porsche 911 1978-1989 3.3L Turbo (930)
价格: £73.58
有现货 - 24 小时发货
SPF0893K
Product Information
2 件套
#超级职业选手#
适合:
保时捷 911 1970-86
(不适用于 G50 变速箱汽车)
使用聚氨酯悬架衬套替换您的汽车橡胶悬架衬套将为您带来:
- 更好的抓地力
- 恒定转向几何
- 延长轮胎寿命
- 转向更灵敏
- 悬架部件的使用寿命更长
单击“放大”可查看大部件图。
适合图内参考编号 61
相关参考编号
相关编号、被取代编号、交叉引用编号或替代编号,供比较之用。
SPF0893K
您正在查看的产品与这些编号存在交叉引用关系
Product Information
更换变速联轴器摩擦环。2 件套
#超级职业选手#
适合:
保时捷 911 1970-86
(不适用于 G50 变速箱汽车)
使用聚氨酯悬架衬套替换您的汽车橡胶悬架衬套将为您带来:
- 更好的抓地力
- 恒定转向几何
- 延长轮胎寿命
- 转向更灵敏
- 悬架部件的使用寿命更长
单击“放大”可查看大部件图。
适合图内参考编号 61
相关参考编号
相关编号、被取代编号、交叉引用编号或替代编号,供比较之用。
SPF0893K
91142402404
91442422400
96442422300
您正在查看的产品与这些编号存在交叉引用关系
产品车辆组
产品车辆组
- Porsche 911 1968-1973 2.2L / 2.4L / 2.7L RS LWB (F)
- Porsche 911 1974-1977 2.7L / 1976-77 3.0 Carrera
- Porsche 911 1978-1983 3.0L / SC
- Porsche 911 1984-1986 3.2L
- Porsche 911 1975-1977 3.0L Turbo (930)
- Porsche 911 1978-1989 3.3L Turbo (930)
价格: £11.06
有现货 - 3-5 天发货