天合
高度专业的 TRW 创新团队全心全意致力于打造市场上最先进的保时捷产品,始终按照最高标准进行设计和测试。这意味着我们能够为您和您的客户提供最高效、最安全和最耐用的转向和悬架产品。
作为全球最大的售后市场供应商之一,我们拥有百年历史,提供原厂品质的关键零部件。凭借丰富的经验,我们不断完善制造流程,专注于满足客户需求,比大多数公司更早,因此无论您需要简单的汽车减震器还是售后市场转向部件的最新尖端系统,您都可以信赖我们。
单轴刹车片(4 片装)


配备陶瓷盘 (PCCB) 的汽车
保时捷 997.1 GT2
保时捷 997.2 GT2 RS
相关参考编号
相关编号、被取代编号、交叉引用编号或替代编号,供比较之用。
99735194893
您正在查看的产品与这些编号存在交叉引用关系
- Porsche 997 MK1 GT2 2007-09
- Porsche 997 MKII GT2 RS 2011-13

Fits:
Porsche 928 1983-86
A clutch that is engaged/disengaged via hydraulic fluid instead of a cable uses a Clutch Master and Clutch Slave Cylinder. When depressing the clutch pedal a lever is squeezed, forcing hydraulic fluid through hydraulic lines to a "slave cylinder" which houses a piston. The piston forces a push rod to engage or disengage the clutch. A clutch master cylinder that contains the hydraulic fluid sits on a support thar near the clutch lever. When either the Master or Slave Cylinder fail the clutch is unable to be disengaged.
相关参考编号
相关编号、被取代编号、交叉引用编号或替代编号,供比较之用。
92811623719
您正在查看的产品与这些编号存在交叉引用关系
- Porsche 928S2 4.7L 1984-86

Fits:
Porsche 95B Macan V4 2.0L
Porsche 95B.2 Macan V4 2.0L
Diagram reference No. 3
相关参考编号
相关编号、被取代编号、交叉引用编号或替代编号,供比较之用。
95810960100
您正在查看的产品与这些编号存在交叉引用关系
- Porsche 95B.1 Macan Petrol 2.0L 237Bhp 2014-18
- Porsche 95B.2 Macan Petrol 2.0L 245Bhp 2019-21

Fits:
Porsche 95B.2 Macan - 2022 Onwards
For cars with Option Code - 2EV
Click 'Zoom in' for large parts diagram.
Diagram ref no 10
相关参考编号
相关编号、被取代编号、交叉引用编号或替代编号,供比较之用。
95B61542
您正在查看的产品与这些编号存在交叉引用关系
- Porsche 95B.3 Macan Petrol 2.0L 265Bhp 2022>>
- Porsche 95B.3 Macan T Petrol 2.0L 265Bhp 2022>>
- Porsche 95B.3 Macan S Petrol 2.9L V6 380Bhp 2022>>
- Porsche 95B.3 Macan GTS Petrol 2.9L V6 440Bhp 2022>>

Fits:
Porsche 95B.2 Macan - 2022 Onwards
For cars with Option Code - 1KW
Click 'Zoom in' for large parts diagram.
Diagram ref no 10
相关参考编号
相关编号、被取代编号、交叉引用编号或替代编号,供比较之用。
95B61542
您正在查看的产品与这些编号存在交叉引用关系
- Porsche 95B.3 Macan Petrol 2.0L 265Bhp 2022>>
- Porsche 95B.3 Macan T Petrol 2.0L 265Bhp 2022>>
- Porsche 95B.3 Macan S Petrol 2.9L V6 380Bhp 2022>>
- Porsche 95B.3 Macan GTS Petrol 2.9L V6 440Bhp 2022>>

保时捷 Macan Turbo 400Bhp(红色卡钳车)
保时捷 Macan Turbo 440Bhp(红色卡钳车)
保时捷 Macan GTS(红色卡钳车)
相关参考编号
相关编号、被取代编号、交叉引用编号或替代编号,供比较之用。
95B698151BB
您正在查看的产品与这些编号存在交叉引用关系
- Porsche 95B.1 Macan GTS Petrol 3.0L V6 360Bhp 2014-18
- Porsche 95B.1 Macan Turbo 3.6L V6 400Bhp 2014-18

Fits:
- Porsche Boxster Spyder 3.8L 2016
- Porsche Boxster Spyder 718 4.0L (420 Bhp)
- Porsche Boxster 25 Years 718 4.0L Manual (400 Bhp)
- Porsche Boxster 25 Years 718 4.0L PDK (400 Bhp)
- Porsche 991 Turbo Coupe 3.8L (540 Bhp)
- Porsche 991 Turbo S Coupe 3.8L (580 Bhp)
- Porsche 991 Turbo Cabriolet 3.8L (540 Bhp)
- Porsche 991 Turbo S Cabriolet 3.8L (580 Bhp)
- Porsche 991 R 4.0L (500 Bhp)
- Porsche 991 GT3 4.0L (500 Bhp) / GT3 RS 4.0L (520 Bhp)
- Porsche 991 GT2 RS 3.8L PDK (700 bhp)
- Porsche 991 Speedster
- Porsche Cayman GT4 3.8L 2015-16
- Porsche Cayman GT4 718 4.0L / GT4 RS 718 4.0L
Click 'Zoom in' for large parts diagram.
Diagram ref no 4
相关参考编号
相关编号、被取代编号、交叉引用编号或替代编号,供比较之用。
99135512584
您正在查看的产品与这些编号存在交叉引用关系
- Porsche Boxster 981 Spyder 3.8L 2016
- Porsche Boxster Spyder 718 4.0L (420 Bhp)
- Porsche Boxster 25 Years 718 4.0L Manual (400 Bhp)
- Porsche Boxster 25 Years 718 4.0L PDK (400 Bhp)
- Porsche 991.1 R 4.0L (500 Bhp) 2016
- Porsche 991.2 Turbo Coupe 3.8L (540 Bhp) 2016-19
- Porsche 991.2 Turbo S Coupe 3.8L (580 Bhp) 2016-19
- Porsche 991.2 Turbo Cabriolet 3.8L (540 Bhp) 2016-19
- Porsche 991.2 Turbo S Cabriolet 3.8L (580 Bhp) 2016-19
- Porsche 991.2 Speedster 4.0L (510Bhp) 2019
- Porsche 991.2 GT3 4.0L (500 Bhp) / GT3 RS 4.0L (520 Bhp) 2017-19
- Porsche 991.2 GT2 RS 3.8L PDK (700 bhp) 2018-19
- Porsche Cayman GT4 3.8L 2015-16
- Porsche Cayman GT4 718 4.0L / GT4 RS 718 4.0L
適用於:
保时捷 95B.2 Macan - 2019 年 4 月 4 日至今
汽车
1KD - 后盘式制动器 17 英寸,黑色卡钳
1LA - 前盘式制动器 17 英寸,黑色卡钳
1LE - 前盘式制动器 17 英寸,黑色卡钳
相关参考编号
相关编号、被取代编号、交叉引用编号或替代编号,供比较之用。
95B612107N
您正在查看的产品与这些编号存在交叉引用关系
- Porsche 95B.2 Macan Petrol 2.0L 245Bhp 2019-21
- Porsche 95B.2 Macan S Petrol 3.0L V6 354Bhp 2019-21
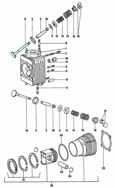
发动机气缸盖进气门套件 - TRW
套件包含 TRW 进气阀 x 6

适合:
保时捷 911 T / E / S 2.2 升 - 1970 年至 1971 年
保时捷 911 T / E / S 2.4 升 - 1972 年至 1973 年
保时捷 911 2.7 Carrera MFI - 1973 年至 1976 年
保时捷 911 / S 2.7 升 CIS - 1974 年至 1977 年
直径 - 46毫米
相关参考编号
相关编号、被取代编号、交叉引用编号或替代编号,供比较之用。
91110541120
您正在查看的产品与这些编号存在交叉引用关系
- Porsche 911 1968-1973 2.2L / 2.4L / 2.7L RS LWB (F)
- Porsche 911 1974-1977 2.7L / 1976-77 3.0 Carrera
套件包含 TRW 排气阀 x 6

适合:
保时捷 911 T / E / S 2.2 升 - 1970 年至 1971 年
保时捷 911 T / E / S 2.4 升 - 1972 年至 1973 年
保时捷 911 / S 2.7 升 - 1974 年至 1977 年
保时捷 911 2.7 Carrera - 1974 年至 1976 年
直径 - 40mm
相关参考编号
相关编号、被取代编号、交叉引用编号或替代编号,供比较之用。
91110541550
您正在查看的产品与这些编号存在交叉引用关系
- Porsche 911 1968-1973 2.2L / 2.4L / 2.7L RS LWB (F)
- Porsche 911 1974-1977 2.7L / 1976-77 3.0 Carrera

Fits:
Porsche 993 C2
相关参考编号
相关编号、被取代编号、交叉引用编号或替代编号,供比较之用。
99335591000
您正在查看的产品与这些编号存在交叉引用关系
- Porsche 993 (911) C2 1994-97
适合:左和右。各售一双。


保时捷 996 C2 1997-05(后)
保时捷 996 C4 1997-05(后)
保时捷 996 TURBO 2000-05(后)
图表参考编号 5
其他 OE 参考编号:
- 99633306902 / 996.333.069.02
- 99633306903 / 996.333.069.03
相关参考编号
相关编号、被取代编号、交叉引用编号或替代编号,供比较之用。
99633306904
您正在查看的产品与这些编号存在交叉引用关系
- Porsche 996 C2 3.4L 1997-08/01
- Porsche 996 C4 3.4L 1997-08/01
- Porsche 996 C2 3.6L 09/01-2005
- Porsche 996 C4 3.6L 09/01-2005
- Porsche 996 C4S 3.6L 09/01-2005
- Porsche 996 TURBO 2000-05
REAR


Porsche 924 / 924 Turbo 1976-80
Click 'Zoom in' for large parts diagram.
Diagram ref 8
相关参考编号
相关编号、被取代编号、交叉引用编号或替代编号,供比较之用。
477611055E
您正在查看的产品与这些编号存在交叉引用关系
- Porsche 924 2.0L 1976-79
- Porsche 924 2.0L 1980-85
- Porsche 924 Turbo 2.0L 1979-81

Fits:
Porsche 955 Cayenne MKI 2003-06
Porsche 957 Cayenne MKII 2007>>
Click 'Zoom in' for large parts diagram.
Diagram ref No 18.
相关参考编号
相关编号、被取代编号、交叉引用编号或替代编号,供比较之用。
95534124204
您正在查看的产品与这些编号存在交叉引用关系
- Porsche 955 Cayenne 3.2L V6 2003-06
- Porsche 955 Cayenne S 4.5L V8 2003-06
- Porsche 955 Cayenne Turbo 4.5L 2003-06
- Porsche 955 Cayenne Turbo S 4.5L 2006>>
- Porsche 957 Cayenne 3.6L 2007-10
- Porsche 957 Cayenne S/GTS 4.8L 2007-10
- Porsche 957 Cayenne Turbo / Turbo S 4.8L 2007-10
每台发动机 12 个。所示价格为每台发动机的价格。

適用於:
保时捷911(1965-89年)
外径:13.26毫米,
孔径Ø:9.00毫米,
长度:51.20毫米,
安装位置:进气侧
单击“放大”可查看大部件图。
图表参考编号 2。
相关参考编号
相关编号、被取代编号、交叉引用编号或替代编号,供比较之用。
93010432150
您正在查看的产品与这些编号存在交叉引用关系
- Porsche 911 1965-1968 2.0L / 912 SWB (F)
- Porsche 911 1968-1973 2.2L / 2.4L / 2.7L RS LWB (F)
- Porsche 911 1974-1977 2.7L / 1976-77 3.0 Carrera
- Porsche 911 1978-1983 3.0L / SC
- Porsche 911 1984-1986 3.2L
- Porsche 911 1987-1989 3.2L G50
- Porsche 911 1975-1977 3.0L Turbo (930)
- Porsche 911 1978-1989 3.3L Turbo (930)
Price is for each.

Fits:
Porsche 986 Boxster 1997-05
Porsche 996 1998-05
Porsche 996 Turbo / GT2 / GT3
The steering rack controls the front wheels by means of two track rods, terminated by replaceable joints - the "Track Rod Ends", attached to the swivel hubs. These will eventually wear, leading to problems with steering and handling, as well as being a failure point on the UK MOT and presumably on the statutory inspections in other countries.
Click 'Zoom in' for large parts diagram.
Diagram Ref No 6.
相关参考编号
相关编号、被取代编号、交叉引用编号或替代编号,供比较之用。
99634732203
您正在查看的产品与这些编号存在交叉引用关系
- Porsche Boxster 986 2.5L 1997-99
- Porsche Boxster 986 2.7L 1999-02
- Porsche Boxster S 986 3.2L 1999-02
- Porsche Boxster 986 2.7L 2003-04
- Porsche Boxster S 986 3.2L 2003-04
- Porsche 996 C2 3.4L 1997-08/01
- Porsche 996 C4 3.4L 1997-08/01
- Porsche 996 C2 3.6L 09/01-2005
- Porsche 996 C4 3.6L 09/01-2005
- Porsche 996 C4S 3.6L 09/01-2005
- Porsche 996 TURBO 2000-05
- Porsche 996 GT2 2001-05
- Porsche 996 GT3 MKI 1999-02
- Porsche 996 GT3 MKII 2003>>
- Porsche 996 GT3 RS 2003-04