在此输入您的增值税号,然后单击验证:
您的详细信息已经过验证。增值税号注册至:
,
。
现在,您的订单的增值税税率为零。我们保留在您提出订单请求后验证这些详细信息的权利,并在需要时恢复增值税。
您的增值税详细信息无法识别或无效。您的增值税号必须与上面指定的帐单国家/地区相匹配。当前指定为 。您无需输入增值税号的国家/地区代码部分,因为已在上面的帐单地址详细信息中选择了该部分。
增值税号查询服务目前已离线。请在下面的评论或特殊说明字段中提供您的增值税详细信息,我们将在您提出订单请求后应用增值税折扣。
选择您的车辆以查看兼容性
EPS
IMSKIT987TIP.2
Product Information
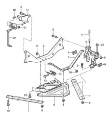
中间轴轴承 (IMS) 用于支撑驱动凸轮轴的中间轴。当原厂轴承设计老化时,可能会在毫无预兆的情况下失效,导致发动机严重损坏。升级为现代化的精密轴承可显著提高耐用性和长期可靠性,因此,对于这些保时捷车型而言,这套升级套件是最重要的预防性维护投资之一。
相关参考编号
相关编号、被取代编号、交叉引用编号或替代编号,供比较之用。
IMSKIT987TIP.2
您正在查看的产品与这些编号存在交叉引用关系
Product Information
适用于“开放式”发动机(进行发动机大修)的 IMS 轴承升级套件,带 58mm 法兰,包含全套附件——保时捷 987.1 Boxster / Cayman Tiptronic 车型必备的可靠性升级
这款 58mm 法兰 IMS 轴承升级套件专为配备 M97 中间轴承的保时捷 987.1 Boxster/Cayman Tiptronic 车型设计。套件包含完整的安装组件,包括强化轴承总成、全新安装硬件、密封件、排气管夹、衬套以及完成升级所需的所有其他辅助配件,可一次性完成全面服务。
适用:
- 保时捷 Boxster 987 2.7L 2005 - 08/08
- 保时捷 Boxster 987 S 3.2/3.4L 2005-08/08
- 保时捷 开曼 2.7L 987C 2006-08
- 保时捷 开曼 S 3.4L 987C 2005-08
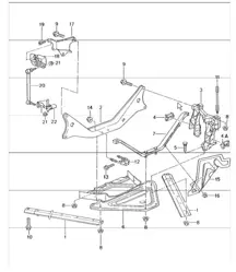
中间轴轴承 (IMS) 用于支撑驱动凸轮轴的中间轴。当原厂轴承设计老化时,可能会在毫无预兆的情况下失效,导致发动机严重损坏。升级为现代化的精密轴承可显著提高耐用性和长期可靠性,因此,对于这些保时捷车型而言,这套升级套件是最重要的预防性维护投资之一。
IMS轴承升级套件的作用
这套完整的工具包:
- 替换原有的易损IMS轴承 以及一种经过强化、精密设计的替代方案
- 降低摩擦并提高润滑稳定性
- 保护中间轴免受过早磨损
- 防止金属碎屑污染发动机内部
- 恢复人们对发动机长期可靠性的信心
- 包含所有必要的硬件、夹具、套筒和密封件。 为了实现无缝安装
专为满足公路行驶和高性能驾驶的需求而设计。
保时捷M97发动机IMS轴承失效的原因
常见原因包括:
- 润滑不足导致滚珠轴承磨损
- 密封件老化,导致润滑脂泄漏和过热
- 进入轴承组件的污染物
- 发动机转速过高,加速磨损
- 与年龄相关的材料疲劳
- 内部润滑流量不足 在早期中间轴设计中
症状往往很轻微,甚至根本不存在,直到发动机严重损坏为止。
为什么需要升级IMS轴承
升级IMS轴承可带来以下好处:
- 预防轴承灾难性故障
- 显著延长发动机寿命
- 为996/997/986/987车型的车主带来安心保障
- 更坚固、更稳定的轴承,润滑路径得到改善
- 随着时间的推移,维护成本会降低。
- 由于包含辅助配件,因此提供了一套完整的安装解决方案。
对于任何计划长期保养、激烈驾驶或进行发动机大修的保时捷车主来说,这套工具包都是必不可少的。
相关参考编号
相关编号、被取代编号、交叉引用编号或替代编号,供比较之用。
IMSKIT987TIP.2
106-08.4
0PB105249
99610722560
90012310630
90012314730
99970734440
90038000501
99711111300
98711122000
00004330054
99908405202
N01024426
N 01024426
987997IMS58MM
99907309101
90006736901
您正在查看的产品与这些编号存在交叉引用关系
关于此套件
该套件包括以下商品:
1 x IMS 中间轴轴承升级永恒修复 -58MM 法兰 - 开放式发动机 (987997IMS58MM)
1 x 后主油封 - 曲轴油封 (85x105x11) - 适用于保时捷 986 / 987 / 981 / 718 / 996 / 997 / 991 / 992 / 955 / 958 / 970 / 95B-1 (0PB105249/1)
8 x 扭矩转换器螺栓。保时捷 986 / 987 / 987C / 996 / 997 *Tiptronic 汽车 (99907309101)
6 x 扭矩转换器螺栓。保时捷 986 / 987 / 987C / 996 / 997 *Tiptronic 汽车 (90006736901)
1 x 机油滤清器。保时捷 996 / 996 GT3 / 996 Turbo / 997 / 987C Cayman / 955 Cayenne S 和 955 Cayenne Turbo (99610722560/2)
1 x 排油塞密封圈。保时捷 986 Boxster / 987 Boxster / 987 Cayman / 996 / 997 (90012310630/2)
3 x Chain adjuster sealing ring for Porsche 996 / 986 / 987C / 997.1 (90012314730)
3 x 正时链条调节器/张紧器的 O 形圈 - 18.77x1.78。保时捷 986 Boxster / 987 Boxster 和 Cayman / 996 和 997 Carrera (99970734440/1)
2 x 排气歧管至猫垫片。保时捷 997 MKI / 987 Boxster / 987C Cayman (99711111300/1)
1 x Exhaust clamping sleeve. Porsche Boxster / Cayman (98711122000)
2 x 排气管夹。保时捷 987 / 987C (00004330054)
6 x 排气管螺栓锁紧螺母。保时捷 964 (99908405202/1)
6 x 排气歧管至催化转换器螺栓。保时捷 997 / 987 / 981 / 991 (N01024426)
产品车辆组
产品车辆组
- Porsche Boxster 987 2.7L 2005 -08/08
- Porsche Boxster 987 S 3.2/3.4L 2005-08/08
- Porsche Cayman 2.7L 987C 2006-08
- Porsche Cayman S 3.4L 987C 2005-08
€1,232.96
当前 €1,119.79
可订购 - 14 到 28 天
也可在这些页面找到
-
101-05
-
104-05
-
101-05
-
101-10
-
107-30
-
107-40
-
803-05
-
101-05
-
101-10
-
107-30
-
107-40
-
107-45
-
803-05
-
101-05
-
101-10
-
803-05
-
107-30
-
107-40
-
803-05
-
101-05
-
101-10
-
202-10
-
202-20
-
803-05
-
101-05
-
104-05
-
803-05
-
101-05
-
101-10
-
107-05
-
202-00
-
202-10
-
202-20
-
803-05
-
101-05
-
101-10
-
107-40
-
107-45
-
202-00
-
202-05
-
202-15
-
502-00
-
101-05
-
101-10
-
107-20
-
202-00
-
202-01
-
202-05
-
202-10
-
202-15
-
202-16
-
402-00
-
502-00
-
604-00
-
701-05
-
901-01
-
902-05
-
101-05
-
102-00
-
103-10
-
103-11
-
104-05
-
202-00
-
202-01
-
330-00
-
330-02
-
370-01
-
604-00
-
701-05
-
702-00
-
902-05
-
101-05
-
101-10
-
104-00
-
104-20
-
330-00
-
604-00
-
701-05
-
702-00
-
101-05
-
101-10
-
104-00
-
104-20
-
202-00
-
604-00
-
702-00
-
902-05
-
101-05
-
102-00
-
103-10
-
104-00
-
104-05
-
202-00
-
202-05
-
330-00
-
501-01
-
502-00
-
604-00
-
701-05
-
702-01
-
101-05
-
102-00
-
103-10
-
202-00
-
202-01
-
330-00
-
370-00
-
702-00
-
902-05
-
101-05
-
101-10
-
104-00
-
104-20
-
202-05
-
330-00
-
604-00
-
902-05
-
101-05
-
101-06
-
101-10
-
101-11
-
104-00
-
104-01
-
104-20
-
104-21
-
105-01
-
902-05
-
101-05
-
102-00
-
103-10
-
104-05
-
202-00
-
306-01
-
330-00
-
502-00
-
702-00
-
902-05
-
202-00
-
202-05
-
902-05
-
101-05
-
102-00
-
102-000
-
104-002
-
202-000
-
202-005
-
102-000
-
104-002
-
102-000
-
104-002
-
202-000
-
202-004
-
902-005
-
101-007
-
101-008
-
102-000
-
104-001
-
104-002
-
104-020
-
604-000
-
902-005
-
101-005
-
102-000
-
103-010
-
202-000
-
306-001
-
330-000
-
501-001
-
604-000
-
702-000
-
902-005
-
102-000
-
320-005
-
102-000
-
104-002
-
202-000
-
202-005
-
902-005
-
102-000
-
104-002
-
202-000
-
102-000
-
104-002
-
102-000
-
102-001
-
104-002
-
102-000
-
104-002
-
202-000
-
202-005
-
902-005
-
102-000
-
104-002
-
202-000
-
102-000
-
104-002
-
102-000
-
102-001
-
104-002
-
102-000
-
102-000
-
104-010
-
202-012
-
102-000
-
102-005
-
104-050
-
104-055
-
202-015
-
102-000
-
102-010
-
102-012
-
104-060
-
104-070
-
104-072
-
101-015
-
101-017
-
104-010
-
104-012
-
198-010
-
101-010
-
104-015
-
104-020
-
198-005
-
101-005
-
101-010
-
198-000
-
202-000
-
202-005
-
298-000
-
306-000
-
370-000
-
906-005
-
104-005
-
298-000
-
906-000
-
1.1-03
-
1.1-10
-
2.2-07
-
6.6-07
-
6.6-06
-
6.6-06