在此输入您的增值税号,然后单击验证:
您的详细信息已经过验证。增值税号注册至:
,
。
现在,您的订单的增值税税率为零。我们保留在您提出订单请求后验证这些详细信息的权利,并在需要时恢复增值税。
您的增值税详细信息无法识别或无效。您的增值税号必须与上面指定的帐单国家/地区相匹配。当前指定为 。您无需输入增值税号的国家/地区代码部分,因为已在上面的帐单地址详细信息中选择了该部分。
增值税号查询服务目前已离线。请在下面的评论或特殊说明字段中提供您的增值税详细信息,我们将在您提出订单请求后应用增值税折扣。
与……相关 Brackets / Clamps / Straps for 993(911)(1994-1998)
Porsche
99321121402
Product Information
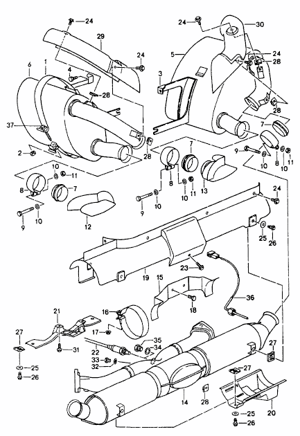
Replacement heat shield for Cat.

Fits:
Porsche 993 C2/4 1994-98 not turbo
Click 'Zoom in' for large parts diagram.
Diagram Ref No 19
相关参考编号
相关编号、被取代编号、交叉引用编号或替代编号,供比较之用。
99321121402
您正在查看的产品与这些编号存在交叉引用关系
Product Information
Exhaust cat heat shieldReplacement heat shield for Cat.

Fits:
Porsche 993 C2/4 1994-98 not turbo
Click 'Zoom in' for large parts diagram.
Diagram Ref No 19
相关参考编号
相关编号、被取代编号、交叉引用编号或替代编号,供比较之用。
99321121402
您正在查看的产品与这些编号存在交叉引用关系
产品车辆组
产品车辆组
- Porsche 993 (911) C2 1994-97
- Porsche 993 (911) C4 1994-97
- Porsche 993 (911) RS 1994-97
- Porsche 993 (911) C2S 1994-97
- Porsche 993 (911) C4S 1994-97
价格: €122.66
到期 18 天
也可在这些页面找到
