请稍候… 
我们正在处理您的订单,请稍候
请不要按返回按钮… 
Design 911 Design 911 supply Porsche parts, Porsche spares and Porsche accessories, to both retail and to the trade. Our Porsche product and accessory range includes brakes, exhausts, tyres, wheels and Porsche panels and interiors. https://d911api.datadial.net/images/schemaLogo.png https://d911api.datadial.net/images/schemaLogo.png +443456003478 https://d911api.datadial.net Facebook Instagram
选择您的车辆以查看兼容性
95810542320/1
Product Information
Product Information

液压挺杆/气门挺杆
已售出

液压挺杆/气门挺杆是保时捷 Macan 2.0 升、Cayenne S Hybrid 和 Panamera S Hybrid 发动机中使用的精密气门机构部件,用于自动维持正确的气门间隙。挺杆利用发动机油压,确保气门平稳运行,发动机运转安静,并在各种驾驶条件下都能保持稳定的性能。

适用:

  • 保时捷 958 Cayenne S V6 3.0L 混合动力 380马力 2010-17 (进气和排气)
  • 保时捷 970.1 Panamera S 混合动力 V6 3.0L 2011-13 (进气和排气)
  • 保时捷 970.2 Panamera S E-Hybrid V6 3.0L (416马力) 2014-16 (进气和排气)
  • 保时捷 95B.1 Macan 汽油 2.0L 237马力 2014-18 (仅进气)
  • 保时捷 95B.2 Macan 汽油 2.0L 245马力 2019-21 (仅进气)

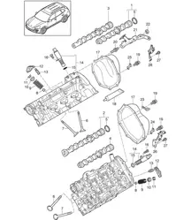
图示编号 6

在保时捷先进的汽油和混合动力系统中,精确的阀门控制对于效率、精细度和发动机的长期耐久性至关重要——这使得液压挺杆成为一项关键的维修部件。

液压挺杆/气门挺杆的作用是什么?

液压挺杆位于凸轮轴和气门之间,利用加压的发动机油来补偿热膨胀和部件磨损。这使得气门机构能够在以下情况下运行:

  • 正确的气门正时和升程
  • 降低机械噪音
  • 怠速平稳,油门响应灵敏
  • 提高燃烧效率

液压挺杆无需手动调整气门间隙,有助于在发动机的整个使用寿命期间保持最佳发动机性能。

液压挺杆为何会失效?

液压挺杆在高温、高负荷环境下工作,对清洁、压力合适的液压油要求极高。常见的故障原因包括:

  • 油污或油泥堆积
  • 延长换油周期
  • 挺杆机构内部磨损
  • 油压保持能力下降
  • 错误的油品规格

气门挺杆故障的典型症状包括:

  • 气缸盖发出滴答声或敲击声
  • 怠速不稳或顿挫
  • 发动机效率降低
  • 凸轮轴和气门加速磨损

为什么要更换磨损的气门挺杆?

更换磨损的液压挺杆有助于恢复:

  • 安静、平顺的发动机运转
  • 精确的气门正时,提升了驾驶性能和效率。
  • 防止气门机构进一步损坏

忽视挺杆磨损会导致凸轮轴、气门和气缸盖的昂贵维修——尤其是在平稳运行至关重要的混合动力发动机中。



相关参考编号
相关编号、被取代编号、交叉引用编号或替代编号,供比较之用。

95810542320

您正在查看的产品与这些编号存在交叉引用关系