在此输入您的增值税号,然后单击验证:
您的详细信息已经过验证。增值税号注册至:
,
。
现在,您的订单的增值税税率为零。我们保留在您提出订单请求后验证这些详细信息的权利,并在需要时恢复增值税。
您的增值税详细信息无法识别或无效。您的增值税号必须与上面指定的帐单国家/地区相匹配。当前指定为 。您无需输入增值税号的国家/地区代码部分,因为已在上面的帐单地址详细信息中选择了该部分。
增值税号查询服务目前已离线。请在下面的评论或特殊说明字段中提供您的增值税详细信息,我们将在您提出订单请求后应用增值税折扣。
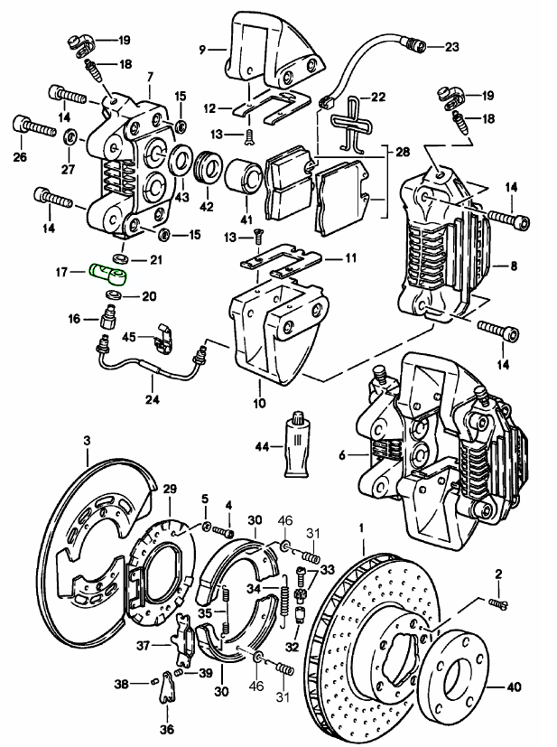
制动钳和制动管路
- Porsche 911 1965-1968 2.0L / 912 SWB (F)
- Porsche 911 1968-1973 2.2L / 2.4L / 2.7L RS LWB (F)
- Porsche 911 1974-1977 2.7L / 1976-77 3.0 Carrera
- Porsche 911 1978-1983 3.0L / SC
- Porsche 911 1984-1986 3.2L
- Porsche 911 1987-1989 3.2L G50
- Porsche 911 1975-1977 3.0L Turbo (930)
- Porsche 911 1978-1989 3.3L Turbo (930)
适用于不带制动伺服器和不带刹车灯开关的制动主缸的车辆
适合:
适用于左侧驾驶汽车(LHD)
保时捷 911 2.0 升-3.0 升 - 1964 年至 1977 年
保时捷 912 - 1967 年至 1970 年
保时捷 914 / 914-6 - 1970 年至 1976 年
套件包含
1 x ATE 制动主缸
2 x 连接线(进线和回线)
图表参考编号 11、12 和 16
相关参考编号
相关编号、被取代编号、交叉引用编号或替代编号,供比较之用。
PCG35506100
您正在查看的产品与这些编号存在交叉引用关系
- Porsche 911 1965-1968 2.0L / 912 SWB (F)
- Porsche 911 1968-1973 2.2L / 2.4L / 2.7L RS LWB (F)
- Porsche 911 1974-1977 2.7L / 1976-77 3.0 Carrera
- Porsche 914 (1970-1976)
适用于不带制动伺服器和带制动灯开关的制动主缸的汽车
适合:
适用于左侧驾驶汽车(LHD)
保时捷 911 2.0 升-3.0 升 - 1964 年至 1977 年
保时捷 911 turbo 3.0升 - 1975 年至 1977 年
保时捷 912 - 1967 年至 1970 年
保时捷 914 / 914-6 - 1970 年至 1976 年
套件包含
1 x 大口径制动主缸,配有制动开关
2 x 连接线(进线和回线)
图表参考编号 11、12 和 22
相关参考编号
相关编号、被取代编号、交叉引用编号或替代编号,供比较之用。
PCG35506100
您正在查看的产品与这些编号存在交叉引用关系
- Porsche 911 1965-1968 2.0L / 912 SWB (F)
- Porsche 911 1968-1973 2.2L / 2.4L / 2.7L RS LWB (F)
- Porsche 911 1974-1977 2.7L / 1976-77 3.0 Carrera
- Porsche 911 1975-1977 3.0L Turbo (930)
- Porsche 914 (1970-1976)
适用于不带制动伺服器和带制动灯开关的制动主缸的汽车
适合:
适用于左侧驾驶汽车(LHD)
保时捷 911 2.0 升-3.0 升 - 1964 年至 1977 年
保时捷 911 turbo 3.0升 - 1975 年至 1977 年
保时捷 912 - 1967 年至 1970 年
保时捷 914 / 914-6 - 1970 年至 1976 年
套件包含
1 x 制动主缸
2 x 连接线(进线和回线)
1 x 刹车灯开关
图表参考编号 11、12 和 22
相关参考编号
相关编号、被取代编号、交叉引用编号或替代编号,供比较之用。
PCG35506100
您正在查看的产品与这些编号存在交叉引用关系
- Porsche 911 1965-1968 2.0L / 912 SWB (F)
- Porsche 911 1968-1973 2.2L / 2.4L / 2.7L RS LWB (F)
- Porsche 911 1974-1977 2.7L / 1976-77 3.0 Carrera
- Porsche 911 1975-1977 3.0L Turbo (930)
- Porsche 914 (1970-1976)
适用于不带制动伺服器的车辆
适合:
适用于左侧驾驶汽车(LHD)
保时捷 911 2.0 升-3.0 升 - 1964 年至 1977 年
保时捷 911 turbo 3.0升 - 1975 年至 1977 年
保时捷 912 - 1967 年至 1970 年
保时捷 914 / 914-6 - 1970 年至 1976 年
套件包含从主缸到制动液储液罐的两条连接管。
图表参考编号 11 和 12
相关参考编号
相关编号、被取代编号、交叉引用编号或替代编号,供比较之用。
PCG35506100
您正在查看的产品与这些编号存在交叉引用关系
- Porsche 911 1965-1968 2.0L / 912 SWB (F)
- Porsche 911 1968-1973 2.2L / 2.4L / 2.7L RS LWB (F)
- Porsche 911 1974-1977 2.7L / 1976-77 3.0 Carrera
- Porsche 911 1975-1977 3.0L Turbo (930)
- Porsche 914 (1970-1976)
适用于没有制动伺服器和制动主缸且没有刹车灯开关的车辆
适合:
适用于左侧驾驶汽车(LHD)
保时捷 911 2.0 升-3.0 升 - 1964 年至 1977 年
保时捷 912 - 1967 年至 1970 年
保时捷 914 / 914-6 - 1970 年至 1976 年
套件包含
1 x FTE 制动主缸
2 x 连接线(进线和回线)
图表参考编号 11、12 和 16
相关参考编号
相关编号、被取代编号、交叉引用编号或替代编号,供比较之用。
PCG35506100
您正在查看的产品与这些编号存在交叉引用关系
- Porsche 911 1965-1968 2.0L / 912 SWB (F)
- Porsche 911 1968-1973 2.2L / 2.4L / 2.7L RS LWB (F)
- Porsche 911 1974-1977 2.7L / 1976-77 3.0 Carrera
- Porsche 914 (1970-1976)

合身:
保时捷 356 B/C 1.6 01/59-12/65
保时捷 911 2.0-3.3 01/63-07/89
保时捷 912 1.6 01/65-02/70
保时捷 914 1.7-2.0 01/69-02/76
保时捷 964 3.3-3.6 12/88-06/94
保时捷 968 3.0 06/91-11/95
相关参考编号
相关编号、被取代编号、交叉引用编号或替代编号,供比较之用。
803611715
您正在查看的产品与这些编号存在交叉引用关系
- Porsche 911 1965-1968 2.0L / 912 SWB (F)
- Porsche 911 1968-1973 2.2L / 2.4L / 2.7L RS LWB (F)
- Porsche 911 1974-1977 2.7L / 1976-77 3.0 Carrera
- Porsche 911 1978-1983 3.0L / SC
- Porsche 911 1984-1986 3.2L
- Porsche 911 1987-1989 3.2L G50
- Porsche 911 1975-1977 3.0L Turbo (930)
- Porsche 911 1978-1989 3.3L Turbo (930)
- Porsche 964 (911) C2 1989-93
- Porsche 964 (911) C4 1989-93
- Porsche 964 (911) RS 3.6L 1991-93
- Porsche 964 (911) TURBO 3.3L 1991-93
- Porsche 964 (911) TURBO 3.6L 1991-93
- Porsche 968 3.0L 1992-94
- Porsche 968 Sport 3.0L 1994-95
- Porsche 968 CS 3.0L 1993-95
- Porsche 968 Turbo S 3.0L 1993-94
- Porsche 356B 1959-63
- Porsche 356C 1963-65
- Porsche 914 (1970-1976)

保时捷 911 / 912 1964-1968
相关参考编号
相关编号、被取代编号、交叉引用编号或替代编号,供比较之用。
90135561120
您正在查看的产品与这些编号存在交叉引用关系
- Porsche 911 1965-1968 2.0L / 912 SWB (F)

Fits:
Porsche 356 /A/B 1.1-1.6 01/50-12/63
Porsche 911 Turbo 3.0-3.3 01/75-07/89
Porsche 914 1.7-2.0 01/69-02/76
Click 'Zoom in' for large parts diagram.
Diagram ref no 16
相关参考编号
相关编号、被取代编号、交叉引用编号或替代编号,供比较之用。
99913500202
您正在查看的产品与这些编号存在交叉引用关系
- Porsche 911 1975-1977 3.0L Turbo (930)
- Porsche 911 1978-1989 3.3L Turbo (930)
- Porsche 356 1950-55
- Porsche 356A 1955-59
- Porsche 356B 1959-63
- Porsche 914 (1970-1976)

適用於:
保时捷 356 /A/B 1.1-1.6 01/50-12/63
保时捷 911 Turbo 3.0-3.3 01/75-07/89
保时捷 914 1.7-2.0 01/69-02/76
单击“放大”可查看大部件图。
图表参考编号 16
相关参考编号
相关编号、被取代编号、交叉引用编号或替代编号,供比较之用。
99913500202
您正在查看的产品与这些编号存在交叉引用关系
- Porsche 911 1975-1977 3.0L Turbo (930)
- Porsche 911 1978-1989 3.3L Turbo (930)
- Porsche 356 1950-55
- Porsche 356A 1955-59
- Porsche 356B 1959-63
- Porsche 914 (1970-1976)
每件均售出
適用於:
保时捷 356A - 1955 年至 1959 年
保时捷 356B - 1959 年至 1963 年
保时捷 356C - 1963 年至 1965 年
保时捷 911 - 1965 年至 1973 年
保时捷 914 - 1970 年至 1976 年
使用这个必不可少的制动螺栓完成刹车修复。应检查并更换这个虽小但至关重要的部件,以确保您的制动系统正常运行。
专为前上轮缸和后轮缸设计,您需要四个才能正确完成工作 - 或者根据需要购买任意数量。
适合所有保时捷 356A、356B 和 356C 前上轮缸和后轮缸。还适合 911(1965 年至 1973 年)和 914(1970 年至 1976 年)的前制动钳
图表参考编号 20 或 40
相关参考编号
相关编号、被取代编号、交叉引用编号或替代编号,供比较之用。
90135553100
您正在查看的产品与这些编号存在交叉引用关系
- Porsche 911 1965-1968 2.0L / 912 SWB (F)
- Porsche 911 1968-1973 2.2L / 2.4L / 2.7L RS LWB (F)
- Porsche 356A 1955-59
- Porsche 356B 1959-63
- Porsche 356C 1963-65
- Porsche 914 (1970-1976)
每件均售出
適用於:
保时捷 356A - 1950 年至 1959 年
保时捷 356B - 1959 年至 1963 年
保时捷 356C - 1963 年至 1965 年
保时捷 911 - 1965 年至 1983 年
保时捷 914 - 1970 年至 1976 年
使用全新、高品质的班卓琴配件升级您的制动系统
相关参考编号
相关编号、被取代编号、交叉引用编号或替代编号,供比较之用。
91435553100
您正在查看的产品与这些编号存在交叉引用关系
- Porsche 911 1965-1968 2.0L / 912 SWB (F)
- Porsche 911 1968-1973 2.2L / 2.4L / 2.7L RS LWB (F)
- Porsche 911 1974-1977 2.7L / 1976-77 3.0 Carrera
- Porsche 911 1978-1983 3.0L / SC
- Porsche 356A 1955-59
- Porsche 356B 1959-63
- Porsche 356C 1963-65
已售出 - 356 需要 2 个,911 turbo 需要 4 个
適用於:
保时捷 356 - 1950 年至 1955 年
保时捷 356A - 1955 年至 1959 年
保时捷 356B - 1959 年至 1963 年
1984 年至 1986 年保时捷 911 turbo
这是进行刹车修复项目时必备的零件。这是适用于保时捷 356、356A、356B 和 911 turbo 的全新 banjo 螺栓或“环形配件”。它们适用于 356 的前下轮缸(需要 2 个)和 911 turbo 的前后制动卡钳(需要 4 个)
图表参考编号 17 并适合 13
相关参考编号
相关编号、被取代编号、交叉引用编号或替代编号,供比较之用。
99921502703
您正在查看的产品与这些编号存在交叉引用关系
- Porsche 911 1978-1989 3.3L Turbo (930)
- Porsche 356 1950-55
- Porsche 356A 1955-59
- Porsche 356B 1959-63
適用於:
保时捷 911 turbo 1984-86
图表参考编号 17
相关参考编号
相关编号、被取代编号、交叉引用编号或替代编号,供比较之用。
99921502703
您正在查看的产品与这些编号存在交叉引用关系
- Porsche 911 1978-1989 3.3L Turbo (930)
REAR / FRONT

Porsche 911 / 912 1965-68 FRONT
Porsche 911T/912 1969 FRONT
Porsche 911T / 911T-V / 911 T-E / 911 E 1970-73 FRONT
Porsche 911 / 911S m-caliper 1974-77 FRONT

Porsche 911 1969-77 REAR
Porsche 911 SC 1978-83 REAR
Porsche 911 Carrera 1984-89 REAR
Porsche 911 Turbo 1975-77 REAR

Porsche 914-6 1970-76 FRONT

Porsche 914-6/4 SB 1970-76 REAR
Porsche 924 TURBO / GT 1976-85 REAR
Porsche 924 S 1986-88 REAR
Porsche 928 1978-86 REAR
Porsche 944 1982-89 REAR
Click 'Zoom in' for large parts diagram.
Diagram ref no 12.
相关参考编号
相关编号、被取代编号、交叉引用编号或替代编号,供比较之用。
90135297710
您正在查看的产品与这些编号存在交叉引用关系
- Porsche 911 1965-1968 2.0L / 912 SWB (F)
- Porsche 911 1968-1973 2.2L / 2.4L / 2.7L RS LWB (F)
- Porsche 911 1974-1977 2.7L / 1976-77 3.0 Carrera
- Porsche 911 1978-1983 3.0L / SC
- Porsche 911 1984-1986 3.2L
- Porsche 911 1987-1989 3.2L G50
- Porsche 911 1975-1977 3.0L Turbo (930)
- Porsche 911 1978-1989 3.3L Turbo (930)
- Porsche 924 Turbo 2.0L 1979-81
- Porsche 924 Turbo 2.0L 1982-84
- Porsche 924 Carrera GT 2.0L 1981
- Porsche 924 Carrera GTS 2.0L 1982
- Porsche 924S 2.5L 1986-87
- Porsche 924S 2.5L 1988
- Porsche 944 2.5L 8V 1982-87
- Porsche 944 2.7L 8V 1988-89
- Porsche 944S 2.5L 16V 1987-88
- Porsche 928 4.5L 1978-82
- Porsche 928S 4.7L 1981-83
- Porsche 928S2 4.7L 1984-86
- Porsche 914 (1970-1976)


Porsche 911 SC 1978-83
Porsche 911 CARRERA 1984-86
Click 'Zoom in' for large parts diagram.
Diagram ref no 9
相关参考编号
相关编号、被取代编号、交叉引用编号或替代编号,供比较之用。
91135562704
您正在查看的产品与这些编号存在交叉引用关系
- Porsche 911 1978-1983 3.0L / SC
- Porsche 911 1984-1986 3.2L


Porsche 911 SC 1978-83
Porsche 911 CARRERA 1984-86
Click 'Zoom in' for large parts diagram.
Diagram ref no 10
相关参考编号
相关编号、被取代编号、交叉引用编号或替代编号,供比较之用。
91135565307
您正在查看的产品与这些编号存在交叉引用关系
- Porsche 911 1978-1983 3.0L / SC
- Porsche 911 1984-1986 3.2L
-
曲轴箱 911 1970-73 101-05
-
disc brake front axle 911 TURBO 1978-83 602-05
-
disc brake rear axle 911 SC 1978-83 603-00
-
disc brake rear axle 911 TURBO 1978-83 603-05
-
charge air cooler 911 TURBO 930.66/68 1987-89 107-45
-
brake rear axle 911 CARRERA 1987-89 603-00
-
brake line front 911 1987-89 604-05
-
brake line rear 911 1987-89 604-10
-
Disc brake front 911 1970-73 602-00
-
Brake fluid reservoir, brake master cylinder 911 1970-73 604-00
-
brake lines front 911 1978-83 604-05
-
brake lines rear 911 1978-83 604-10
-
Brake front axle 911 TURBO / CARRERA M491 1984-86 602-05
-
Disc brake rear axle 911 CARRERA 1984-86 603-00
-
disc brake rear axle 911 TURBO / CARRERA M491 1984-86 603-05
-
brake line front 911 1984-86 604-05
-
brake line rear 911 1984-86 604-10
-
Disc brake front 911 1974-77 602-00
-
Disc Brake Rear, Handbrake 911 1974-77 603-00
-
Brake master cylinder for cars without brake booster 911 1974-77 604-00
-
Brake lines for cars without brake booster 911 1974-77 604-05
-
Brake lines for cars with brake booster 911 1974-77 604-15
-
Disc brake rear 911 1970-73 603-00
-
brake master cylinder $ 19,05 without warning function single parts 911 1970-73 604-05
-
brake master cylinder $ 19,05 with warning function single parts for Left Hand-Drive 911 1970-73 604-10
-
disc brake front 911 UPTO 1968 602-00
-
disc brake front 911 1969 602-05
-
disc brake rear 911 1969 603-05
-
brake fluid reservoir and brake master cylinder 911 UPTO 1967 604-00
-
brake fluid reservoir and brake master cylinder 911 1969 604-10
-
brake master cylinder $ 19,05 without warning function single parts 911 1969 604-30
-
brake master cylinder $ 19,05 with warning function single parts for Left Hand-Drive cars 911 T/E/S and 912 1969 604-35
-
disc brake rear, handbrake 911 TURBO 1975-77 603-00
-
brake master cylinder for cars without brake booster 911 TURBO 1975-77 604-00
-
brake lines for cars without brake booster 911 TURBO 1975-77 604-05
-
brake lines for cars with brake booster 911 TURBO 1975-77 604-15
-
brake fluid reservoir and brake master cylinder 911 1968 604-05
保时捷卡钳和刹车管路 | Design911 精密液压组件,控制性能卓越
卡钳和刹车管路是保时捷制动系统的关键部件,它们协同工作,提供稳定的液压和制动力。卡钳将液压转化为机械力,将刹车片压向刹车盘,而刹车管路则确保整个系统中的液压输送精准。保持这些部件处于最佳状态对于安全、制动平衡和踏板感觉至关重要——尤其是在高性能或高要求的驾驶环境中。
Design911 提供一系列优质的制动卡钳和管路,旨在实现精准的装配、强度和可靠性。每个部件均采用耐腐蚀材料和先进的工程技术打造,以提供始终如一的液压响应、耐热性和长期耐用性。无论是公路驾驶、车辆修复还是赛车运动,我们的产品都能确保您的保时捷制动系统发挥最佳性能。
卡钳和刹车线起什么作用?
制动钳和管路构成了制动系统的液压主干,将踏板力转化为可控的、强大的减速力。
核心功能:
• 卡钳对刹车片施加夹紧力,使其与刹车盘紧密贴合。
• 制动管路将加压流体从主缸传输到卡钳。
• 确保所有车轮的压力和制动平衡一致。
• 支持散热和平稳的液压运行。
• 保持精确的踏板感觉,实现自信的制动控制。
这些部件共同确保您的保时捷刹车能够提供公路和赛道使用所需的精度、动力和稳定性。
为什么卡钳和刹车管线会出现故障或老化?
这两个部件都暴露在极端高温、高压和环境因素下——这些条件可能导致磨损、腐蚀并最终失效。
常见的失败原因包括:
• 卡钳和配件腐蚀或生锈。
• 液压密封泄漏或活塞损坏。
• 橡胶制动软管破裂或膨胀。
• 液压系统中存在空气或湿气污染。
• 制动液劣化导致内部腐蚀。
• 因碎片、撞击或不正确安装而造成的物理损坏。
当卡钳或刹车管路出现故障时,刹车性能会变得不一致或不安全——会出现诸如踏板松软、液体泄漏或刹车反应不均匀等症状。
为什么要更换或升级您的保时捷卡钳和刹车管路?
更换磨损或腐蚀的部件可确保您的制动系统安全高效地运行。升级至高性能或不锈钢制动管路可增强压力一致性和踏板感觉,而翻新或精密设计的卡钳则可恢复完美的液压控制。
主要优点:
• 恢复全液压制动性能。
• 提高踏板的响应能力和感觉。
• 消除泄漏、腐蚀和压力损失。
• 增强高温下的制动稳定性。
• 提供性能和标准替换选项。
• 适用于经典和现代保时捷车型。
Design911 的保时捷卡钳和刹车管路具有无与伦比的可靠性和精度 - 确保您的保时捷在加速时也能同样自信地停车。
亮点
• 高品质保时捷制动钳和液压管路。
• 专为性能、耐用性和精确配合而设计。
• 不锈钢编织选项可提高压力稳定性。
• 耐腐蚀和耐热结构。
• 非常适合公路、比赛和修复应用。
• 兼容多种保时捷车型。