弹簧板
- Porsche 911 1965-1968 2.0L / 912 SWB(F)
- Porsche 911 1968-1973 2.2L / 2.4L / 2.7L RS LWB(F)
- Porsche 911 1974-1977 2.7L / 1976-77 3.0 Carrera
- Porsche 911 1978-1983 3.0L / SC
- Porsche 911 1984-1986 3.2L
- Porsche 911 1987-1989 3.2L G50
- Porsche 911 1975-1977 3.0L 涡轮增压(930)
- Porsche 911 1978-1989 3.3L 涡轮增压(930)
使用这款运动型快调后弹簧板套件升级您的保时捷 911 后扭力杆支架。该套件适用于 1987-89 款 G50 911 和 1989 款 Turbo 车型,用带索引的可调装置取代了原厂固定弹簧板,这些装置配备高性能衬套和高强度钢板。该调节装置无需完全拆卸即可调节行驶高度和预载,升级后的结构使其在负载下表现更稳固、更稳定。这款直装套件适用于修复、降低或赛道使用,可确保您的后悬架支架以更高的标准运行。
成套出售。
适合:
- 保时捷 911 1987-1989 3.2L G50
- 保时捷 911 1978-1989 3.3L 涡轮增压 (930)
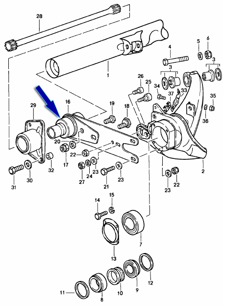
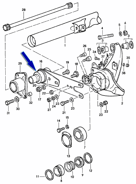
图表参考编号 16
本产品的作用:
- 在这一代配备后扭力杆悬架的保时捷 911 上,弹簧板是将扭力杆末端固定到底盘/车桥总成上的部件。它控制行驶高度、扭力杆预紧力,并有助于保持正确的后桥几何形状(外倾角、前束角等)。
- 可调节版本增加了一个索引机制,因此您无需完全拆卸即可调整行驶高度或预载 - 在降低、加固或修改轨道时很有用。
- “运动”等级意味着升级材料(例如,更高硬度的橡胶,改进的钢板)以减少不必要的弯曲并提高负载下的后端稳定性。
磨损的症状和迹象或何时升级:
- 后部行驶高度不一致或一侧比另一侧低/高。
- 后悬架在转弯时感觉松散、模糊或“漂浮”——尤其是在急加速/刹车时。
- 后轮胎磨损不均匀或过度(内/外肩),表明几何形状在负载下发生变化。
- 该车已经过改装(降低、加强弹簧、加宽轮胎),并且原来的不可调节板限制设置或行驶高度调节。
- 目视检查:原板生锈,衬套破裂/塌陷,分度机构磨损或不存在。
此次升级为何重要:
- 提高后悬架精度:可调节板确保扭力杆端以正确的预紧力和行驶高度安装,这有助于在动态负载下保持对准,从而提高操控性和轮胎寿命。
- 方便调整和设置:特别是对于降低或性能的汽车,快速调节机制使得重复设置/行驶高度变化更加容易。
- 恢复结构完整性:原始板材可能已经老化、腐蚀或失去其可调节性;升级可更新此关键支架。
- 最大化其他升级的优势:如果您升级了扭力杆、弹簧、减震器,确保弹簧板符合性能规格可确保后部支架中没有任何薄弱环节。
相关参考编号
相关编号、被取代编号、交叉引用编号或替代编号,供比较之用。
91133300906
您正在查看的产品与这些编号存在交叉引用关系
- Porsche 911 1987-1989 3.2L G50
- Porsche 911 1978-1989 3.3L Turbo (930)
SET OF 2 Left & Right
Fits:
Porsche 911 1987 to 1989 with G50 Gearbox
Porsche 911 turbo 1989 with G50 Gearbox
Replace the rusty, worn, rear spring plates with this new item.
Spring plates and bushes are designed for quick adjustment.
Click 'Zoom in' for large parts diagram.
Diagram Ref No. 16
相关参考编号
相关编号、被取代编号、交叉引用编号或替代编号,供比较之用。
91133300906
您正在查看的产品与这些编号存在交叉引用关系
- Porsche 911 1987-1989 3.2L G50
- Porsche 911 1978-1989 3.3L Turbo (930)
每辆车需2个。价格为每件
适合:
1969年至1986年的保时捷911
用这个新的可调节物品替换生锈、磨损的后弹簧板。
弹簧板和衬套设计用于标准道路使用
图表参考编号 16
相关参考编号
相关编号、被取代编号、交叉引用编号或替代编号,供比较之用。
90133300309
您正在查看的产品与这些编号存在交叉引用关系
- Porsche 911 1968-1973 2.2L / 2.4L / 2.7L RS LWB (F)
- Porsche 911 1974-1977 2.7L / 1976-77 3.0 Carrera
- Porsche 911 1978-1983 3.0L / SC
- Porsche 911 1984-1986 3.2L
- Porsche 911 1975-1977 3.0L Turbo (930)
这款专为经典扭力杆车型设计的可调式后弹簧板,可提升您保时捷的悬挂精度。作为可直接替换的部件,这款可调式后弹簧板可微调行驶高度、预紧力和外倾角,非常适合性能升级、转弯平衡或精确的几何校正。
每件均已售出。
每辆车需要 x2。
适合:
- 保时捷 911 1968-1973 2.2L / 2.4L / 2.7L RS LWB (女)
- 保时捷 911 1974-1977 2.7L / 1976-77 3.0 卡雷拉
- 保时捷 911 1978-1983 3.0L / SC
- 保时捷911 1984-1986 3.2L
- 保时捷 911 1975-1977 3.0L 涡轮 (930)
图表参考编号 16
本产品的作用:
- 弹簧板是扭力杆安装到底盘的位置——它将扭转力(弹簧作用)从扭力杆传递到车身/悬架。
- 可调式设计让您可以调整扭力杆的预紧力(扭转力),从而影响行驶高度、弹簧刚度和负载下的外倾角。这对于性能调校,或是您改装了悬架、轮胎或车身几何形状时尤其有用。
- 使用可调节板,您可以微调转角平衡、操控特性,并补偿悬架部件随时间推移的磨损或变化。
- 此外,用新的可调节板替换旧的、生锈的或疲劳的板可以恢复后悬架几何形状的刚性、一致性和准确性
您可能需要更换的症状和体征:
- 原车牌照生锈、腐蚀或变弱(老款汽车常见)
- 汽车的后部行驶高度或外倾角不符合规格,您需要一种无需进行大幅度修改的方法进行调整。
- 您会注意到轮胎磨损不均匀,或左右操控不一致,这些可以通过更精确的几何控制来改善。
- 升级到可调后弹簧板,您可以完全控制保时捷的悬架设置。原厂弹簧板不提供微调功能,因此很难实现精确的行驶高度、外倾角和转弯平衡——尤其是在改装车或赛道车辆上。
- 凭借这种可调设计,您可以轻松调整扭力杆预紧力和悬架几何形状,确保车辆拥有符合您驾驶风格的完美姿态和平衡。无论是在公路还是赛道上,都能带来更灵敏的转向、更佳的后轮抓地力和更可预测的操控性。
- 对于采用扭力杆悬架的经典保时捷车型,此次升级改变了驾驶体验——将现代可调节性与优质的装配和长期的可靠性相结合。
相关参考编号
相关编号、被取代编号、交叉引用编号或替代编号,供比较之用。
90133300309
您正在查看的产品与这些编号存在交叉引用关系
- Porsche 911 1968-1973 2.2L / 2.4L / 2.7L RS LWB (F)
- Porsche 911 1974-1977 2.7L / 1976-77 3.0 Carrera
- Porsche 911 1978-1983 3.0L / SC
- Porsche 911 1984-1986 3.2L
- Porsche 911 1975-1977 3.0L Turbo (930)
更换保时捷零件编号 91133300900
4 件套
#超级职业选手#
适合:
保时捷 911 1974-89
使用聚氨酯悬架衬套替换您的汽车橡胶悬架衬套将为您带来:
- 更好的抓地力
- 恒定转向几何
- 延长轮胎寿命
- 转向更灵敏
- 悬架部件的使用寿命更长。
单击“放大”可查看大部件图。
适合图表上的第 16 号。
相关参考编号
相关编号、被取代编号、交叉引用编号或替代编号,供比较之用。
SPF0242K
您正在查看的产品与这些编号存在交叉引用关系
- Porsche 911 1965-1968 2.0L / 912 SWB (F)
- Porsche 911 1968-1973 2.2L / 2.4L / 2.7L RS LWB (F)
- Porsche 911 1974-1977 2.7L / 1976-77 3.0 Carrera
- Porsche 911 1978-1983 3.0L / SC
- Porsche 911 1984-1986 3.2L
- Porsche 911 1987-1989 3.2L G50
- Porsche 911 1975-1977 3.0L Turbo (930)
- Porsche 911 1978-1989 3.3L Turbo (930)
SET OF 4

Fits:
Porsche 911 1965-67
Fits to No. 16 on the diagram.
Powerflex. Replacing your car rubber suspension bushes with Polyurethane Suspension Bushes will give you:
- Better road holding
- Constant steering geometry
- Increased tyre life
- More responsive steering
- Longer service life of suspension components.
相关参考编号
相关编号、被取代编号、交叉引用编号或替代编号,供比较之用。
PFR57-411
您正在查看的产品与这些编号存在交叉引用关系
- Porsche 911 1965-1968 2.0L / 912 SWB (F)
SET OF 4

Fits:
Porsche 911 1965-67
Fits to No. 16 on the diagram.
Powerflex Black Series - Designed for the Track - Ready to Race - Engineered to be the best.
Powerflex Black Series bushes are manufactured using a 95 Shore A compound to provide maximum control of chassis geometry. This compound can be up to 80% more resistant to load than standard rubber and 25% stiffer than our purple performance material.
If your requirements are purely for the ultimate in handling and chassis performance then Powerflex Black Series are unique, offering the most precise and accurate alignment for your chassis.
Replacing your car rubber suspension bushes with Polyurethane Suspension Bushes will give you:
- Better road holding
- Constant steering geometry
- Increased tyre life
- More responsitive steering
- Longer service life of suspension components.
相关参考编号
相关编号、被取代编号、交叉引用编号或替代编号,供比较之用。
PFR57-411BLK
您正在查看的产品与这些编号存在交叉引用关系
- Porsche 911 1965-1968 2.0L / 912 SWB (F)
SET OF 4

Fits:
Porsche 911 1965-67
Fits to No. 16 on the diagram.
Powerflex Heritage Collection. For Modern Day Classics.
A range of bushes engineered for the road to compliment your classic car.
POWERFLEX Heritage Collection bushes are manufactured using modern day materials with properties biased for the road. These dark grey coloured bushes will improve any collector's car, whilst retaining the same standard appearance of a rubber bush.
相关参考编号
相关编号、被取代编号、交叉引用编号或替代编号,供比较之用。
PFR57-411H
您正在查看的产品与这些编号存在交叉引用关系
- Porsche 911 1965-1968 2.0L / 912 SWB (F)
适合弹簧板 OEM 零件号 90133300309
/90133300301.
4 件套

適用於:
保时捷 911 经典款(1968 - 1969 年)
保时捷 911 经典款(1969 - 1973 年)
保时捷 911 经典版(1974-1977 年)
保时捷 911 经典版(1974-1977 年)Turbo
保时捷 911 经典款(1977 年 - 1986 年)
保时捷 911 经典版(1978 - 1989 年)涡轮增压
保时捷 911 经典款(1987 - 1989 年)
适合图表上的第 16 号。
Powerflex。用聚氨酯悬架衬套替换您的汽车橡胶悬架衬套将为您带来以下好处:
- 更好的抓地力
- 恒定转向几何
- 延长轮胎寿命
- 转向更灵敏
- 悬架部件的使用寿命更长。
相关参考编号
相关编号、被取代编号、交叉引用编号或替代编号,供比较之用。
PFR57-409
您正在查看的产品与这些编号存在交叉引用关系
- Porsche 911 1965-1968 2.0L / 912 SWB (F)
- Porsche 911 1968-1973 2.2L / 2.4L / 2.7L RS LWB (F)
- Porsche 911 1974-1977 2.7L / 1976-77 3.0 Carrera
- Porsche 911 1978-1983 3.0L / SC
- Porsche 911 1984-1986 3.2L
- Porsche 911 1987-1989 3.2L G50
- Porsche 911 1975-1977 3.0L Turbo (930)
- Porsche 911 1978-1989 3.3L Turbo (930)
Fits to spring plate OEM part number 90133300309
/ 90133300301.
SET OF 4

Fits:
Porsche 911 Classic (1968 - 1969)
Porsche 911 Classic (1969 - 1973)
Porsche 911 Classic (1974-1977)
Porsche 911 Classic (1974-1977) Turbo
Porsche 911 Classic (1977 - 1986)
Porsche 911 Classic (1978 - 1989) Turbo
Porsche 911 Classic (1987 - 1989)
Fits to No. 16 on the diagram.
Powerflex Black Series - Designed for the Track - Ready to Race - Engineered to be the best.
Powerflex Black Series bushes are manufactured using a 95 Shore A compound to provide maximum control of chassis geometry. This compound can be up to 80% more resistant to load than standard rubber and 25% stiffer than our purple performance material.
If your requirements are purely for the ultimate in handling and chassis performance then Powerflex Black Series are unique, offering the most precise and accurate alignment for your chassis.
Replacing your car rubber suspension bushes with Polyurethane Suspension Bushes will give you:
- Better road holding
- Constant steering geometry
- Increased tyre life
- More responsitive steering
- Longer service life of suspension components.
相关参考编号
相关编号、被取代编号、交叉引用编号或替代编号,供比较之用。
PFR57-409BLK
您正在查看的产品与这些编号存在交叉引用关系
- Porsche 911 1965-1968 2.0L / 912 SWB (F)
- Porsche 911 1968-1973 2.2L / 2.4L / 2.7L RS LWB (F)
- Porsche 911 1974-1977 2.7L / 1976-77 3.0 Carrera
- Porsche 911 1978-1983 3.0L / SC
- Porsche 911 1984-1986 3.2L
- Porsche 911 1987-1989 3.2L G50
- Porsche 911 1975-1977 3.0L Turbo (930)
- Porsche 911 1978-1989 3.3L Turbo (930)
Fits to spring plate OEM part number 90133300309
/ 90133300301.
SET OF 4

Fits:
Porsche 911 Classic (1968 - 1969)
Porsche 911 Classic (1969 - 1973)
Porsche 911 Classic (1974-1977)
Porsche 911 Classic (1974-1977) Turbo
Porsche 911 Classic (1977 - 1986)
Porsche 911 Classic (1978 - 1989) Turbo
Porsche 911 Classic (1987 - 1989)
Fits to No. 16 on the diagram.
Powerflex Heritage Collection. For Modern Day Classics.
A range of bushes engineered for the road to compliment your classic car.
POWERFLEX Heritage Collection bushes are manufactured using modern day materials with properties biased for the road. These dark grey coloured bushes will improve any collector's car, whilst retaining the same standard appearance of a rubber bush.
相关参考编号
相关编号、被取代编号、交叉引用编号或替代编号,供比较之用。
PFR57-409H
您正在查看的产品与这些编号存在交叉引用关系
- Porsche 911 1965-1968 2.0L / 912 SWB (F)
- Porsche 911 1968-1973 2.2L / 2.4L / 2.7L RS LWB (F)
- Porsche 911 1974-1977 2.7L / 1976-77 3.0 Carrera
- Porsche 911 1978-1983 3.0L / SC
- Porsche 911 1984-1986 3.2L
- Porsche 911 1987-1989 3.2L G50
- Porsche 911 1975-1977 3.0L Turbo (930)
- Porsche 911 1978-1989 3.3L Turbo (930)
更换保时捷零件编号 91133300900
4 件套
#超级职业选手#
适合:
保时捷 911 1965-89
使用聚氨酯悬架衬套替换您的汽车橡胶悬架衬套将为您带来:
- 更好的抓地力
- 恒定转向几何
- 延长轮胎寿命
- 转向更灵敏
- 悬架部件的使用寿命更长。
单击“放大”可查看大部件图。
适合图表上的第 16 号。
相关参考编号
相关编号、被取代编号、交叉引用编号或替代编号,供比较之用。
SPF0236K
您正在查看的产品与这些编号存在交叉引用关系
- Porsche 911 1965-1968 2.0L / 912 SWB (F)
- Porsche 911 1968-1973 2.2L / 2.4L / 2.7L RS LWB (F)
- Porsche 911 1974-1977 2.7L / 1976-77 3.0 Carrera
- Porsche 911 1978-1983 3.0L / SC
- Porsche 911 1984-1986 3.2L
- Porsche 911 1987-1989 3.2L G50
- Porsche 911 1975-1977 3.0L Turbo (930)
- Porsche 911 1978-1989 3.3L Turbo (930)

適用於:
保时捷 911 / 930 / 912 / 914 1965-89 年
使用我们的新衬套套件对这些后弹簧板进行急需的更新和升级。配有机加工的铝制外壳,旨在减少阻力,改善街道或赛道驾驶 911 的操控性,并考虑到使用寿命和耐用性。用 Delrin 替换橡胶衬套将在整个运动范围内保持最佳悬架几何形状,同时降低柔顺性以获得更直接的感觉。
衬套外壳采用 6061-T6 铝合金 CNC 加工而成
紧公差设计可增加刚性
耐用的阳极氧化表面可抗腐蚀
低摩擦 Delrin 衬套插入件
不锈钢衬套滚道和五金件
包括衬套滚道安装工具
直接更换 OEM 衬套和外壳
比工厂部件更耐用
镌刻 Rennline 徽标
- Porsche 911 1965-1968 2.0L / 912 SWB (F)
- Porsche 911 1968-1973 2.2L / 2.4L / 2.7L RS LWB (F)
- Porsche 911 1974-1977 2.7L / 1976-77 3.0 Carrera
- Porsche 911 1978-1983 3.0L / SC
- Porsche 911 1984-1986 3.2L
- Porsche 911 1987-1989 3.2L G50
- Porsche 911 1975-1977 3.0L Turbo (930)
- Porsche 911 1978-1989 3.3L Turbo (930)
- Porsche 914 (1970-1976)
1 required per lifetime.

Fits:
Porsche 911 - 1965 to 1989
Porsche 930 turbo - 1975 to 1989
Porsche 912 - 1966 to 1976
Porsche 944 - 1982 to 1991
Porsche 968 - 1995 to 1995
We've developed this tool to simplify removal of spring plate bushings. The bushings are bonded to the spring plate, and removal is not easy.
This convenient cutting tool shaves the bushings off, removing nearly all the rubber thereby greatly simplifying the bushing removal process.
相关参考编号
相关编号、被取代编号、交叉引用编号或替代编号,供比较之用。
2061002
您正在查看的产品与这些编号存在交叉引用关系
- Porsche 911 1965-1968 2.0L / 912 SWB (F)
- Porsche 911 1968-1973 2.2L / 2.4L / 2.7L RS LWB (F)
- Porsche 911 1974-1977 2.7L / 1976-77 3.0 Carrera
- Porsche 911 1978-1983 3.0L / SC
- Porsche 911 1984-1986 3.2L
- Porsche 911 1987-1989 3.2L G50
- Porsche 911 1975-1977 3.0L Turbo (930)
- Porsche 911 1978-1989 3.3L Turbo (930)
- Porsche 944 2.5L 8V 1982-87
- Porsche 944 2.7L 8V 1988-89
- Porsche 944S 2.5L 16V 1987-88
- Porsche 944S2 3.0L 16V 1989-91
- Porsche 944 Turbo 2.5L 8V 1985-88
- Porsche 944 Turbo 2.5L 8V 1989-91
- Porsche 944 Turbo S 2.5L 8V 1988
- Porsche 968 3.0L 1992-94
- Porsche 968 Sport 3.0L 1994-95
- Porsche 968 CS 3.0L 1993-95
- Porsche 968 Turbo S 3.0L 1993-94
使用这款重型弹簧板衬套组可以增强您的保时捷的操控性和驾驶精度。
这些升级的衬套专为风冷保时捷 911 和 912 车型的后扭力杆悬架系统而设计,取代了支撑弹簧板的工厂橡胶支架。
以 4 件为一套出售。
适合:
- 保时捷 911 1965-1969 2.0L / 912 SWB (F)
- 保时捷 911 1970-1973 2.2L / 2.4L / 2.7L RS LWB (女)
- 保时捷 911 1974-1977 2.7L / 1976-77 3.0 卡雷拉
- 保时捷 911 1978-1983 3.0L / SC
- 保时捷911 1984-1986 3.2L
- 保时捷 911 1987-1989 3.2L G50
- 保时捷 911 1975-1977 3.0L 涡轮 (930)
适合图表参考编号 25
本产品的作用:
- 弹簧板是扭力杆悬架系统的一部分:当后悬架移动时,扭力杆扭转,弹簧板(及其衬套)将这些扭转载荷传递到底盘。
- 衬套可隔离振动、降低噪音,并允许一定程度的受控运动,同时防止过度游动。
- 正常工作的弹簧板 + 衬套组件有助于在动态负载下保持后部行驶高度、对准一致性以及后悬架的平稳铰接。
- 在颠簸路面或负载下行驶时,后部会发出咔嗒声/敲击声。
- 后部行驶高度下垂或不均匀(一侧较低)
- 加速或负载下后部振动过大或不平顺
- 接触/摩擦噪音——磨损的衬套可能会使弹簧板接触其盖子或相邻的金属表面。
- 转弯时后部操控性下降/不稳定
- 后悬架不再有“紧绷”的感觉;后悬架响应更加灵活
为什么更换很重要:
- 恢复后端稳定性和乘坐质量:升级的、更坚固的衬套可减少不必要的运动并在负载下保持更好的控制。
- 保持正确的几何形状和高度:保持扭力杆和弹簧板紧密对齐,防止随着时间的推移而下垂或错位。
- 降低噪音和声振粗糙度:消除因橡胶老化而导致的金属与金属的接触和振动。
- 更好的耐用性:重型橡胶化合物可抵抗变形、老化、热和油。
- 保护其他部件:减少扭力杆、悬架臂和相邻部件因过度游动而可能受损的压力。
- 修复/重建的必备品:重建后悬架或修复经典 911 时,这些衬套是全面更新的一部分,可使汽车恢复到出厂(或更好)状态。
相关参考编号
相关编号、被取代编号、交叉引用编号或替代编号,供比较之用。
90133300309
您正在查看的产品与这些编号存在交叉引用关系
- Porsche 911 1965-1968 2.0L / 912 SWB (F)
- Porsche 911 1968-1973 2.2L / 2.4L / 2.7L RS LWB (F)
- Porsche 911 1974-1977 2.7L / 1976-77 3.0 Carrera
- Porsche 911 1978-1983 3.0L / SC
- Porsche 911 1984-1986 3.2L
- Porsche 911 1987-1989 3.2L G50
- Porsche 911 1975-1977 3.0L Turbo (930)
按 (4) 套出售,足够安装在一辆车的两侧。

適用於:
保时捷 911/912/930 所有 1965-89 年
使用高密度后弹簧板衬套为您的 911 恢复乘坐质量和后端稳定性。长时间使用,尤其是在猛烈驾驶时,OEM 衬套可能会损坏,导致后悬架松动。如果长时间忽视或在重载下驾驶,这些衬套最终会变形,导致弹簧板接触盖板。用我们 25% 刚度更高的装置更换您的工厂衬套将使弹簧板完全平稳地铰接,从而提高经典 911 中传奇后端的乘坐质量和性能。这些橡胶支架具有更高的“运动”硬度,是柔软的工厂支架和通常用于替换它们的实心/球形轴承之间的完美折衷。
相关参考编号
相关编号、被取代编号、交叉引用编号或替代编号,供比较之用。
90133300309
您正在查看的产品与这些编号存在交叉引用关系
- Porsche 911 1965-1968 2.0L / 912 SWB (F)
- Porsche 911 1968-1973 2.2L / 2.4L / 2.7L RS LWB (F)
- Porsche 911 1974-1977 2.7L / 1976-77 3.0 Carrera
- Porsche 911 1978-1983 3.0L / SC
- Porsche 911 1984-1986 3.2L
- Porsche 911 1987-1989 3.2L G50
- Porsche 911 1975-1977 3.0L Turbo (930)
- Porsche 911 1978-1989 3.3L Turbo (930)
使用高性能悬架弹簧板改进经典保时捷悬架:技术规格和优势
性能悬挂弹簧板的技术规格:
- 性能悬挂弹簧板是将悬挂弹簧安装到经典保时捷车型底盘上的部件。
- 它们旨在增强车辆的悬架性能和操控特性。
- 性能弹簧板通常由铝合金或钢筋等高质量材料制成。
- 与标准板相比,它们具有更坚固的结构和改进的设计,从而提供了增强的性能、耐用性和抗变形性。
- 性能悬挂弹簧板可作为经典保时捷车型的售后升级或标准替代品。
升级或更换经典保时捷的高性能悬挂弹簧板的好处:
改善操控性和响应能力:性能弹簧板提供更高的刚度和精度,改善车辆在转弯、加速和制动时的操控性和响应能力。
增强稳定性和控制力:升级到性能板有助于减少车身侧倾,提供更稳定、更可控的驾驶体验,尤其是在激烈的驾驶情况下。
增强的悬架几何结构:性能弹簧板允许进行精确的对准调整,优化悬架几何结构以改善轮胎磨损、牵引力和转弯性能。
提高耐用性:性能板旨在承受更高的负载,与标准板相比具有更高的耐用性,即使在苛刻的驾驶条件下也能确保长使用寿命。
真实修复:对于经典保时捷车型,性能弹簧板提供真实且符合时代特征的升级,在保持车辆原创性的同时提高整体性能和驾驶体验。
在 Design911,我们专门为您的保时捷(包括经典车型)提供正确的零件和专业建议。我们提供专为经典保时捷车型设计的各种高性能悬架弹簧板,包括售后升级和 OEM 更换。我们知识渊博的团队可以根据您的保时捷车型、年份和特定悬架要求帮助您选择合适的弹簧板。我们了解在提高经典保时捷性能的同时保留其真实性的重要性,我们可以指导您选择最适合您需求的最佳弹簧板。凭借我们的专业知识和对客户满意度的承诺,我们可以帮助您提高经典保时捷的悬架性能、操控性和整体驾驶体验。立即联系我们,享受我们的全面支持并获得根据您的要求量身定制的高质量零件。
再生响应