在此输入您的增值税号,然后单击验证:
您的详细信息已经过验证。增值税号注册至:
,
。
现在,您的订单的增值税税率为零。我们保留在您提出订单请求后验证这些详细信息的权利,并在需要时恢复增值税。
您的增值税详细信息无法识别或无效。您的增值税号必须与上面指定的帐单国家/地区相匹配。当前指定为 。您无需输入增值税号的国家/地区代码部分,因为已在上面的帐单地址详细信息中选择了该部分。
增值税号查询服务目前已离线。请在下面的评论或特殊说明字段中提供您的增值税详细信息,我们将在您提出订单请求后应用增值税折扣。
转向横拉杆

適用於:
保时捷 928 1978 - 1996 年
转向齿条通过两个横拉杆控制前轮,横拉杆末端为可更换的接头 - “横拉杆端”,与旋转轮毂连接。这些接头最终会磨损,导致转向和操控问题,并成为英国 MOT 的缺陷点,可能也是其他国家法定检验的缺陷点。
相关参考编号
相关编号、被取代编号、交叉引用编号或替代编号,供比较之用。
92834732202
您正在查看的产品与这些编号存在交叉引用关系
- Porsche 928 4.5L 1978-82
- Porsche 928S 4.7L 1981-83
- Porsche 928S2 4.7L 1984-86
- Porsche 928S4 5.0L 1987-92
- Porsche 928GT 5.0L 1989-91
- Porsche 928GTS 5.4L 1992-95
The OE Match Track Rod Kit (Set of 2) is a complete steering linkage service set designed to replace both track rods on the steering rack. Supplied as a matched left- and right-hand pair, this kit restores factory-correct steering geometry, responsiveness, and alignment for the Porsche 928.
SET OF 2
Fits:
Porsche 928 S 5.0L 1986 (US Market)
Porsche 928 S2 4.7L 1986
Porsche 928 S4 5.0L 1987 - 1991
Porsche 928 Clubsport 5.0L 1988 - 1989
Porsche 928 GT 5.0L 1989 - 1991
Porsche 928 GTS 5.4L 1992 - 1995
Diagram ref. 4.
The steering rack controls the front wheels via two track rods, each ending in a replaceable joint known as a track rod end, which connects to the swivel hub. This listing includes both the track rod and track rod ends - a complete assembly ready to install. Track rod ends and the rods themselves are subject to wear over time, which can result in poor steering response, uneven tire wear, and reduced handling performance. Worn components are also a common cause of MOT failures in the UK and are likely checked in vehicle inspections in other countries.
This OE Match set of two provides a cost-effective alternative to genuine OE parts while maintaining correct fit, safety, and performance. The rods install directly without modification and are ideal for steering system repairs, suspension refresh work, or preventative maintenance.
When replacing worn tie rod ends its always recommend to replace them in pairs as well as to perform an alignment.
相关参考编号
相关编号、被取代编号、交叉引用编号或替代编号,供比较之用。
92834703109
您正在查看的产品与这些编号存在交叉引用关系
- Porsche 928S2 4.7L 1984-86
- Porsche 928S4 5.0L 1987-92
- Porsche 928GT 5.0L 1989-91
- Porsche 928GTS 5.4L 1992-95
价格为每个
#保时捷#
适合:
保时捷 928 1978-96
转向齿条通过两个横拉杆控制前轮,横拉杆末端是可更换的接头——“横拉杆端”,与旋转轮毂相连。这些接头最终会磨损,导致转向和操控问题,并成为英国 MOT 的缺陷点,可能也是其他国家法定检验的缺陷点。
相关参考编号
相关编号、被取代编号、交叉引用编号或替代编号,供比较之用。
92834732202
您正在查看的产品与这些编号存在交叉引用关系
- Porsche 928 4.5L 1978-82
- Porsche 928S 4.7L 1981-83
- Porsche 928S2 4.7L 1984-86
- Porsche 928S4 5.0L 1987-92
- Porsche 928GT 5.0L 1989-91
- Porsche 928GTS 5.4L 1992-95
这款 OE-Match 外拉杆(转向横拉杆)端按照保时捷的原始规格设计,可提供精确的转向连杆性能。
单件出售,适合左边或右边。
适合:
保时捷 928 1978 - 1996
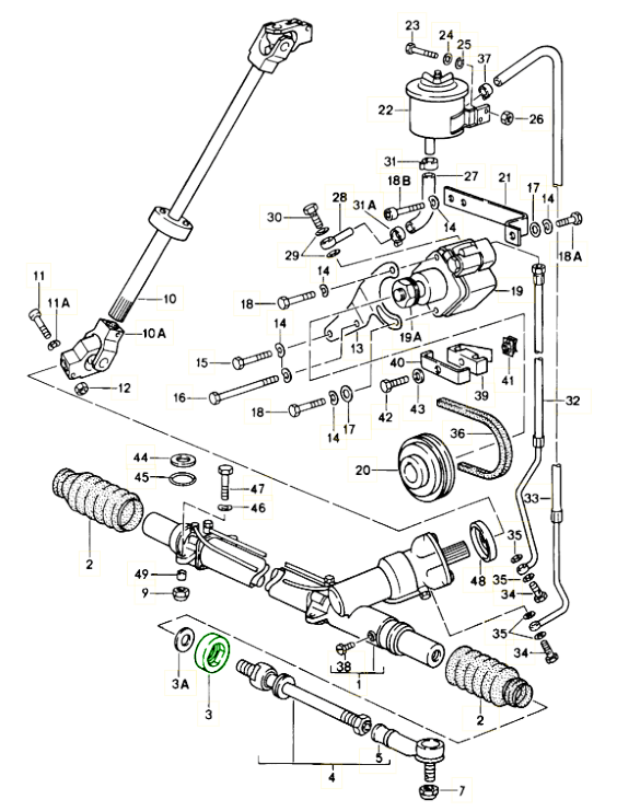
图表参考编号 5
它的作用:
•将转向齿条连接到转向节,将驾驶员输入传输到车轮
•允许在负载下平稳旋转和铰接,同时保持严格控制
•最大限度地减少转向连杆的间隙,确保准确的转向感觉。
随着时间的推移,原有的万向节可能会磨损、松动或损坏,导致转向失灵、爆震、车轮错位或操作不安全。更换万向节可以恢复其几何形状,提高安全性,并改善转向响应,而无需进行任何改装。
相关参考编号
相关编号、被取代编号、交叉引用编号或替代编号,供比较之用。
92834732202
您正在查看的产品与这些编号存在交叉引用关系
- Porsche 928 4.5L 1978-82
- Porsche 928S 4.7L 1981-83
- Porsche 928S2 4.7L 1984-86
- Porsche 928S4 5.0L 1987-92
- Porsche 928GT 5.0L 1989-91
- Porsche 928GTS 5.4L 1992-95

(Shaft size 255mm without ball joint)
Fits:
Porsche 928 1978-85
Price is for each
相关参考编号
相关编号、被取代编号、交叉引用编号或替代编号,供比较之用。
92834703110
您正在查看的产品与这些编号存在交叉引用关系
- Porsche 928 4.5L 1978-82
- Porsche 928S 4.7L 1981-83
- Porsche 928S2 4.7L 1984-86
转向齿条横拉杆。保时捷 928 1978-85 (轴径 255 毫米,无球头)单价
适合:保时捷 928 1978-85转向齿条通过两根转向横拉杆控制前轮,转向横拉杆末端由可更换的接头——“转向横拉杆端”——连接到旋转轮毂。这些接头最终会磨损,导致转向和操控问题,并且会成为英国车辆检测(MOT)的缺陷,并且很可能也会成为其他国家法定检验的缺陷。
相关参考编号
相关编号、被取代编号、交叉引用编号或替代编号,供比较之用。
92834703110
您正在查看的产品与这些编号存在交叉引用关系
- Porsche 928 4.5L 1978-82
- Porsche 928S 4.7L 1981-83
- Porsche 928S2 4.7L 1984-86
(轴尺寸 270mm,无球窝接头)
#保时捷#
适合:
保时捷 928 1986-95
转向齿条通过两个横拉杆控制前轮,横拉杆末端是可更换的接头——“横拉杆端”,与旋转轮毂相连。这些接头最终会磨损,导致转向和操控问题,并成为英国 MOT 的缺陷点,可能也是其他国家法定检验的缺陷点。
单击“放大”可查看大部件图。
图表参考编号 4
请注意,图片可能与实际物品不同。
相关参考编号
相关编号、被取代编号、交叉引用编号或替代编号,供比较之用。
92834703109
您正在查看的产品与这些编号存在交叉引用关系
- Porsche 928S2 4.7L 1984-86
- Porsche 928S4 5.0L 1987-92
- Porsche 928GT 5.0L 1989-91
- Porsche 928GTS 5.4L 1992-95

Fits:
Porsche 928 1978-81
Only in conj. with:
928.347.010.22
927.347.010.20
Click 'Zoom in' for large parts diagram.
Diagram ref no 3
相关参考编号
相关编号、被取代编号、交叉引用编号或替代编号,供比较之用。
92834732905
您正在查看的产品与这些编号存在交叉引用关系
- Porsche 928 4.5L 1978-82
这款高品质原厂配套拉杆专为保时捷928车型(1986-1995年)的转向齿条设计。它连接转向齿条和转向节,将驾驶员的操控指令从方向盘精准、灵敏地传递到车轮。
单独出售,左右通用,每辆车需要 2 个。
适用:
保时捷 928 S 5.0L 1986(美国市场)
1986款保时捷928 S2 4.7升
保时捷 928 S4 5.0L 1987 - 1991
保时捷 928 Clubsport 5.0L 1988 - 1989
保时捷 928 GT 5.0L 1989 - 1991
保时捷 928 GTS 5.4L 1992 - 1995
图示参考4。
转向齿条通过两根横拉杆控制前轮,每根横拉杆的末端都有一个可更换的接头,称为横拉杆端头,它与转向节轮毂相连。本产品包含横拉杆和横拉杆端头——一个完整的组件,可直接安装。横拉杆端头和横拉杆本身会随着时间的推移而磨损,这会导致转向响应迟钝、轮胎磨损不均以及操控性能下降。在英国,部件磨损也是车辆年检不合格的常见原因,其他国家的车辆年检中也通常会检查这些部件。
这款原厂配套的转向拉杆是维护、修理或翻新兼容的保时捷928车型前转向系统的理想之选。它无需改装即可直接安装,并经过精心设计,经久耐用。
更换磨损的拉杆球头时,建议始终成对更换,并进行四轮定位。
相关参考编号
相关编号、被取代编号、交叉引用编号或替代编号,供比较之用。
92834703109
您正在查看的产品与这些编号存在交叉引用关系
- Porsche 928S2 4.7L 1984-86
- Porsche 928S4 5.0L 1987-92
- Porsche 928GT 5.0L 1989-91
- Porsche 928GTS 5.4L 1992-95
保时捷转向横拉杆 | Design911 精密转向和悬挂组件,确保精准性和稳定性
转向横拉杆(也称为横拉杆)是重要的转向部件,它将转向齿条连接到轮毂,并将转向输入直接传递到车轮。它们在保持车辆的准直、稳定性和转弯精度方面发挥着关键作用。功能良好的转向横拉杆可确保平顺的转向响应、均衡的几何形状和可预测的操控性——这对于保时捷闻名的灵敏、流畅的驾驶体验至关重要。
Design911 提供种类繁多的转向横拉杆和拉杆端,其设计兼具强度、精度和耐用性。每个部件均采用优质钢材和耐腐蚀材料制成,旨在承受高负荷和极端驾驶条件。无论是日常维护、修复还是性能升级,我们的转向横拉杆都能满足全球保时捷车主对精度和可靠性的要求。
转向横拉杆起什么作用?
转向杆对于转向系统至关重要,它将转向齿条的运动转换为车轮的转动。
核心功能:
• 将转向输入从齿条传输到轮毂组件。
• 保持车轮定位和几何形状以实现稳定操控。
• 允许控制铰接和悬挂运动。
• 支持精确转弯和灵敏的转向反馈。
• 确保性能和道路驾驶中的可预测操控性。
精确、耐用的转向杆对于安全性和性能都至关重要,可确保每次转向输入都能实现精确、自信的道路控制。
转向横拉杆为何会发生故障或退化?
横拉杆和拉杆端不断受到道路振动、悬架运动和环境因素的影响,随着时间的推移会导致磨损。
常见的失败原因包括:
• 球窝接头磨损导致松动或间隙过大。
• 道路碎片和湿气造成的腐蚀或损坏。
• 橡胶套开裂,导致污垢污染接头。
• 因坑洼、路缘或崎岖地形造成的撞击损坏。
• 与年龄有关的金属疲劳或螺纹卡住。
磨损或损坏的转向杆会导致转向响应不良、轮胎磨损不均匀以及定位问题——及时更换对于操控精度和安全性至关重要。
为什么要更换或升级您的保时捷转向杆?
更换或升级转向拉杆可恢复转向精准度、调校完整性和悬架性能。高质量的替换件可确保严密、一致的操控,并提供更佳的方向盘反馈。
主要优点:
• 恢复转向精度和响应能力。
• 消除松动并提高操纵稳定性。
• 防止轮胎磨损不均匀并保持轮胎对齐。
• 由耐用、耐腐蚀的材料制成。
• 适用于保时捷 911、944、968、Boxster、Cayman、Cayenne 和 Panamera。
• 非常适合维护、悬架升级或全面修复。
Design911 的保时捷转向拉杆提供所需的强度、平衡性和精度,让您的保时捷在公路和赛道上都能保持最佳性能。
亮点
• 优质保时捷转向横拉杆和拉杆组件。
• 精密设计,确保强度和准确性。
• 耐腐蚀和耐磨结构。
• 设计用于实现一致的对准和处理性能。
• 适用于经典和现代保时捷车型。
• 非常适合维修、修复或性能调整。