在此输入您的增值税号,然后单击验证:
您的详细信息已经过验证。增值税号注册至:
,
。
现在,您的订单的增值税税率为零。我们保留在您提出订单请求后验证这些详细信息的权利,并在需要时恢复增值税。
您的增值税详细信息无法识别或无效。您的增值税号必须与上面指定的帐单国家/地区相匹配。当前指定为 。您无需输入增值税号的国家/地区代码部分,因为已在上面的帐单地址详细信息中选择了该部分。
增值税号查询服务目前已离线。请在下面的评论或特殊说明字段中提供您的增值税详细信息,我们将在您提出订单请求后应用增值税折扣。
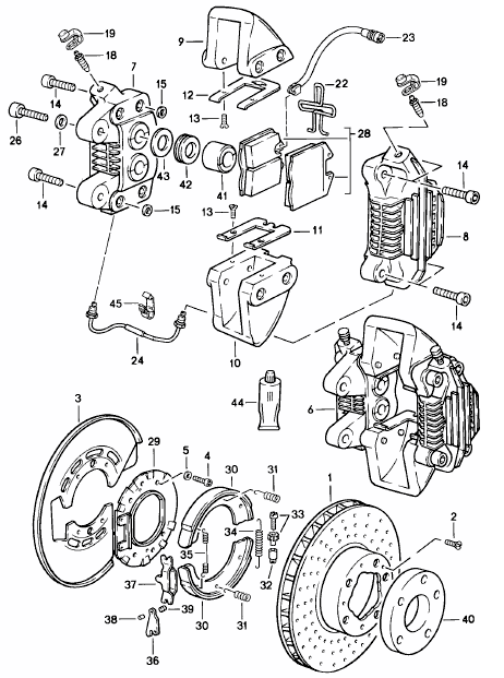
制动钳

Price is Each please select Top or Bottom

Porsche 930 Turbo 1975-89
Click 'Zoom in' for large parts diagram.
Diagram ref no 9 & 10.
相关参考编号
相关编号、被取代编号、交叉引用编号或替代编号,供比较之用。
93035256
您正在查看的产品与这些编号存在交叉引用关系
- Porsche 911 1975-1977 3.0L Turbo (930)
- Porsche 911 1978-1989 3.3L Turbo (930)
REAR / FRONT

Porsche 911 / 912 1965-68 FRONT
Porsche 911T/912 1969 FRONT
Porsche 911T / 911T-V / 911 T-E / 911 E 1970-73 FRONT
Porsche 911 / 911S m-caliper 1974-77 FRONT

Porsche 911 1969-77 REAR
Porsche 911 SC 1978-83 REAR
Porsche 911 Carrera 1984-89 REAR
Porsche 911 Turbo 1975-77 REAR

Porsche 914-6 1970-76 FRONT

Porsche 914-6/4 SB 1970-76 REAR
Porsche 924 TURBO / GT 1976-85 REAR
Porsche 924 S 1986-88 REAR
Porsche 928 1978-86 REAR
Porsche 944 1982-89 REAR
Click 'Zoom in' for large parts diagram.
Diagram ref no 12.
相关参考编号
相关编号、被取代编号、交叉引用编号或替代编号,供比较之用。
90135297710
您正在查看的产品与这些编号存在交叉引用关系
- Porsche 911 1965-1968 2.0L / 912 SWB (F)
- Porsche 911 1968-1973 2.2L / 2.4L / 2.7L RS LWB (F)
- Porsche 911 1974-1977 2.7L / 1976-77 3.0 Carrera
- Porsche 911 1978-1983 3.0L / SC
- Porsche 911 1984-1986 3.2L
- Porsche 911 1987-1989 3.2L G50
- Porsche 911 1975-1977 3.0L Turbo (930)
- Porsche 911 1978-1989 3.3L Turbo (930)
- Porsche 924 Turbo 2.0L 1979-81
- Porsche 924 Turbo 2.0L 1982-84
- Porsche 924 Carrera GT 2.0L 1981
- Porsche 924 Carrera GTS 2.0L 1982
- Porsche 924S 2.5L 1986-87
- Porsche 924S 2.5L 1988
- Porsche 944 2.5L 8V 1982-87
- Porsche 944 2.7L 8V 1988-89
- Porsche 944S 2.5L 16V 1987-88
- Porsche 928 4.5L 1978-82
- Porsche 928S 4.7L 1981-83
- Porsche 928S2 4.7L 1984-86
- Porsche 914 (1970-1976)
Fits: front & rear

Fits:
Porsche Various models
This product supersedes Porsche's old part numbers:
- 93035192700
Click 'Zoom in' for large parts diagram.
Diagram ref no 11
- Porsche Boxster 986 2.5L 1997-99
- Porsche Boxster 986 2.7L 1999-02
- Porsche Boxster S 986 3.2L 1999-02
- Porsche Boxster 986 2.7L 2003-04
- Porsche Boxster S 986 3.2L 2003-04
- Porsche Boxster 987 2.7L 2005 -08/08
- Porsche Boxster 987 S 3.2/3.4L 2005-08/08
- Porsche 911 1974-1977 2.7L / 1976-77 3.0 Carrera
- Porsche 911 1978-1983 3.0L / SC
- Porsche 911 1984-1986 3.2L
- Porsche 911 1987-1989 3.2L G50
- Porsche 911 1975-1977 3.0L Turbo (930)
- Porsche 911 1978-1989 3.3L Turbo (930)
- Porsche 964 (911) C2 1989-93
- Porsche 964 (911) C4 1989-93
- Porsche 964 (911) RS 3.6L 1991-93
- Porsche 964 (911) RS 3.8L 1991-93
- Porsche 964 (911) TURBO 3.3L 1991-93
- Porsche 964 (911) TURBO 3.6L 1991-93
- Porsche 993 (911) C2 1994-97
- Porsche 993 (911) C4 1994-97
- Porsche 993 (911) RS 1994-97
- Porsche 993 (911) C2S 1994-97
- Porsche 993 (911) C4S 1994-97
- Porsche 993 (911) TURBO 1994-96
- Porsche 993 (911) GT2 1994-97
- Porsche 993 (911) TURBO S 1994-97
- Porsche 996 C2 3.4L 1997-08/01
- Porsche 996 C4 3.4L 1997-08/01
- Porsche 996 C2 3.6L 09/01-2005
- Porsche 996 C4 3.6L 09/01-2005
- Porsche 996 C4S 3.6L 09/01-2005
- Porsche 996 TURBO 2000-05
- Porsche 996 GT2 2001-05
- Porsche 996 GT3 MKI 1999-02
- Porsche 996 GT3 MKII 2003>>
- Porsche 996 GT3 RS 2003-04
- Porsche 997 MK1 Carrera 2 3.6L 2005-08
- Porsche 997 MK1 Carrera 2S 3.8L 2005-08
- Porsche 997 MK1 Carrera 4 3.6L 2005-08
- Porsche 997 MK1 Carrera 4S 3.8L 2005-08
- Porsche 997 MK1 TURBO 2007-09
- Porsche 997 MK1 GT3 2007-09
- Porsche 997 MK1 GT2 2007-09
- Porsche 997 MKII Carrera C2 3.6L 2009-12
- Porsche 997 MKII Carrera C4 3.6L 2009-12
- Porsche 997 MKII Carrera C2S 3.8L 2009-12
- Porsche 997 MKII Carrera C4S 3.8L 2009-12
- Porsche Cayman 2.7L 987C 2006-08
- Porsche Cayman S 3.4L 987C 2005-08
- Porsche Carrera GT
- Porsche 955 Cayenne 3.2L V6 2003-06
- Porsche 955 Cayenne S 4.5L V8 2003-06
- Porsche 955 Cayenne Turbo 4.5L 2003-06
- Porsche 955 Cayenne Turbo S 4.5L 2006>>
- Porsche 957 Cayenne 3.6L 2007-10
- Porsche 957 Cayenne S/GTS 4.8L 2007-10
- Porsche 957 Cayenne Turbo / Turbo S 4.8L 2007-10
- Porsche 944 Turbo 2.5L 8V 1985-88
- Porsche 944 Turbo 2.5L 8V 1989-91
- Porsche 944 Turbo S 2.5L 8V 1988
- Porsche 968 3.0L 1992-94
- Porsche 968 Sport 3.0L 1994-95
- Porsche 968 CS 3.0L 1993-95
- Porsche 968 Turbo S 3.0L 1993-94
- Porsche 928 4.5L 1978-82
- Porsche 928S 4.7L 1981-83
- Porsche 928S2 4.7L 1984-86
- Porsche 928S4 5.0L 1987-92
- Porsche 928GT 5.0L 1989-91
- Porsche 928GTS 5.4L 1992-95
适合:前部和后部
适合:
保时捷 各车型
本产品取代了保时捷的旧零件编号:
- 93035192700
图表参考编号 11
相关参考编号
相关编号、被取代编号、交叉引用编号或替代编号,供比较之用。
93035192701
您正在查看的产品与这些编号存在交叉引用关系
- Porsche Boxster 986 2.5L 1997-99
- Porsche Boxster 986 2.7L 1999-02
- Porsche Boxster S 986 3.2L 1999-02
- Porsche Boxster 986 2.7L 2003-04
- Porsche Boxster S 986 3.2L 2003-04
- Porsche Boxster 987 2.7L 2005 -08/08
- Porsche Boxster 987 S 3.2/3.4L 2005-08/08
- Porsche 911 1974-1977 2.7L / 1976-77 3.0 Carrera
- Porsche 911 1978-1983 3.0L / SC
- Porsche 911 1984-1986 3.2L
- Porsche 911 1987-1989 3.2L G50
- Porsche 911 1975-1977 3.0L Turbo (930)
- Porsche 911 1978-1989 3.3L Turbo (930)
- Porsche 964 (911) C2 1989-93
- Porsche 964 (911) C4 1989-93
- Porsche 964 (911) RS 3.6L 1991-93
- Porsche 964 (911) RS 3.8L 1991-93
- Porsche 964 (911) TURBO 3.3L 1991-93
- Porsche 964 (911) TURBO 3.6L 1991-93
- Porsche 993 (911) C2 1994-97
- Porsche 993 (911) C4 1994-97
- Porsche 993 (911) RS 1994-97
- Porsche 993 (911) C2S 1994-97
- Porsche 993 (911) C4S 1994-97
- Porsche 993 (911) TURBO 1994-96
- Porsche 993 (911) GT2 1994-97
- Porsche 993 (911) TURBO S 1994-97
- Porsche 996 C2 3.4L 1997-08/01
- Porsche 996 C4 3.4L 1997-08/01
- Porsche 996 C2 3.6L 09/01-2005
- Porsche 996 C4 3.6L 09/01-2005
- Porsche 996 C4S 3.6L 09/01-2005
- Porsche 996 TURBO 2000-05
- Porsche 996 GT2 2001-05
- Porsche 996 GT3 MKI 1999-02
- Porsche 996 GT3 MKII 2003>>
- Porsche 996 GT3 RS 2003-04
- Porsche 997 MK1 Carrera 2 3.6L 2005-08
- Porsche 997 MK1 Carrera 2S 3.8L 2005-08
- Porsche 997 MK1 Carrera 4 3.6L 2005-08
- Porsche 997 MK1 Carrera 4S 3.8L 2005-08
- Porsche 997 MK1 TURBO 2007-09
- Porsche 997 MK1 GT3 2007-09
- Porsche 997 MK1 GT2 2007-09
- Porsche 997 MKII Carrera C2 3.6L 2009-12
- Porsche 997 MKII Carrera C4 3.6L 2009-12
- Porsche 997 MKII Carrera C2S 3.8L 2009-12
- Porsche 997 MKII Carrera C4S 3.8L 2009-12
- Porsche Cayman 2.7L 987C 2006-08
- Porsche Cayman S 3.4L 987C 2005-08
- Porsche Carrera GT
- Porsche 955 Cayenne 3.2L V6 2003-06
- Porsche 955 Cayenne S 4.5L V8 2003-06
- Porsche 955 Cayenne Turbo 4.5L 2003-06
- Porsche 955 Cayenne Turbo S 4.5L 2006>>
- Porsche 957 Cayenne 3.6L 2007-10
- Porsche 957 Cayenne S/GTS 4.8L 2007-10
- Porsche 957 Cayenne Turbo / Turbo S 4.8L 2007-10
- Porsche 944 Turbo 2.5L 8V 1985-88
- Porsche 944 Turbo 2.5L 8V 1989-91
- Porsche 944 Turbo S 2.5L 8V 1988
- Porsche 968 3.0L 1992-94
- Porsche 968 Sport 3.0L 1994-95
- Porsche 968 CS 3.0L 1993-95
- Porsche 968 Turbo S 3.0L 1993-94
- Porsche 928 4.5L 1978-82
- Porsche 928S 4.7L 1981-83
- Porsche 928S2 4.7L 1984-86
- Porsche 928S4 5.0L 1987-92
- Porsche 928GT 5.0L 1989-91
- Porsche 928GTS 5.4L 1992-95
适合前部和后部。

适合:
保时捷 各车型
图表参考:11 号和 12 号
相关参考编号
相关编号、被取代编号、交叉引用编号或替代编号,供比较之用。
93035191900
您正在查看的产品与这些编号存在交叉引用关系
- Porsche Boxster 986 2.5L 1997-99
- Porsche Boxster 986 2.7L 1999-02
- Porsche Boxster S 986 3.2L 1999-02
- Porsche Boxster 986 2.7L 2003-04
- Porsche Boxster S 986 3.2L 2003-04
- Porsche Boxster 987 2.7L 2005 -08/08
- Porsche Boxster 987 S 3.2/3.4L 2005-08/08
- Porsche 911 1975-1977 3.0L Turbo (930)
- Porsche 911 1978-1989 3.3L Turbo (930)
- Porsche 964 (911) C2 1989-93
- Porsche 964 (911) C4 1989-93
- Porsche 964 (911) RS 3.6L 1991-93
- Porsche 964 (911) RS 3.8L 1991-93
- Porsche 964 (911) TURBO 3.3L 1991-93
- Porsche 964 (911) TURBO 3.6L 1991-93
- Porsche 993 (911) C2 1994-97
- Porsche 993 (911) C4 1994-97
- Porsche 993 (911) RS 1994-97
- Porsche 993 (911) C2S 1994-97
- Porsche 993 (911) C4S 1994-97
- Porsche 993 (911) TURBO 1994-96
- Porsche 993 (911) GT2 1994-97
- Porsche 993 (911) TURBO S 1994-97
- Porsche 996 C2 3.4L 1997-08/01
- Porsche 996 C4 3.4L 1997-08/01
- Porsche 996 C2 3.6L 09/01-2005
- Porsche 996 C4 3.6L 09/01-2005
- Porsche 996 C4S 3.6L 09/01-2005
- Porsche 996 TURBO 2000-05
- Porsche 996 GT2 2001-05
- Porsche 996 GT3 MKI 1999-02
- Porsche 996 GT3 MKII 2003>>
- Porsche 996 GT3 RS 2003-04
- Porsche 997 MK1 Carrera 2 3.6L 2005-08
- Porsche 997 MK1 Carrera 2S 3.8L 2005-08
- Porsche 997 MK1 Carrera 4 3.6L 2005-08
- Porsche 997 MK1 Carrera 4S 3.8L 2005-08
- Porsche 997 MK1 TURBO 2007-09
- Porsche 997 MK1 GT3 2007-09
- Porsche 997 MK1 GT2 2007-09
- Porsche 997 MKII Carrera C2 3.6L 2009-12
- Porsche 997 MKII Carrera C4 3.6L 2009-12
- Porsche 997 MKII Carrera C2S 3.8L 2009-12
- Porsche 997 MKII Carrera C4S 3.8L 2009-12
- Porsche Cayman 2.7L 987C 2006-08
- Porsche Cayman S 3.4L 987C 2005-08
- Porsche Carrera GT
- Porsche 955 Cayenne 3.2L V6 2003-06
- Porsche 955 Cayenne S 4.5L V8 2003-06
- Porsche 955 Cayenne Turbo 4.5L 2003-06
- Porsche 955 Cayenne Turbo S 4.5L 2006>>
- Porsche 957 Cayenne 3.6L 2007-10
- Porsche 957 Cayenne S/GTS 4.8L 2007-10
- Porsche 957 Cayenne Turbo / Turbo S 4.8L 2007-10
- Porsche 944 Turbo 2.5L 8V 1985-88
- Porsche 944 Turbo 2.5L 8V 1989-91
- Porsche 944 Turbo S 2.5L 8V 1988
- Porsche 968 3.0L 1992-94
- Porsche 968 Sport 3.0L 1994-95
- Porsche 968 CS 3.0L 1993-95
- Porsche 968 Turbo S 3.0L 1993-94
- Porsche 928 4.5L 1978-82
- Porsche 928S 4.7L 1981-83
- Porsche 928S2 4.7L 1984-86
- Porsche 928S4 5.0L 1987-92
- Porsche 928GT 5.0L 1989-91
- Porsche 928GTS 5.4L 1992-95
制动钳放气阀螺丝组(零件编号 930.351.919.00)是保时捷各种车型制动系统放气的重要部件,包括 911、928、930、944、968、Boxster、Carrera GT、Cayenne、Cayman 和 Panamera。
技术规格
- OE零件参考编号:930.351.919.00
- 螺纹尺寸:M10 x 1.0 毫米
- 材质:耐腐蚀钢
- 包括:每套 2 个放气阀和 2 个防尘盖(足够用于一个卡钳;所有卡钳均需订购四套)
- OEM 兼容性:直接替换原装部件

适合:
保时捷 各车型
为什么制动钳放气阀需要更换?
- 制动钳排气阀会暴露在极端高温、潮湿和道路碎屑的环境中,随着时间的推移,这些因素会导致其磨损。更换磨损或损坏的排气阀对于安全有效地制动至关重要。
- 排气阀需要更换的常见迹象:
- 液体泄漏:螺纹周围渗出的水分或制动液表明密封受损或螺纹磨损。
- 阀门卡住或卡住:制动器放气时阀门难以打开或关闭会影响维护和安全。
- 腐蚀:阀门表面的生锈或点蚀会影响制动性能。
- 螺纹损坏:剥落或磨损的螺纹会妨碍正确密封,从而导致泄漏和效率降低。
阀门问题的典型原因:
- 螺纹磨损:钢阀会随着时间的推移磨损铝制卡钳螺纹,从而导致泄漏或操作问题。
- 卡住:过度拧紧或腐蚀会导致阀门难以操作。
- 维护损坏:刹车维修过程中操作不当或用力过大可能会损坏或损坏阀门。
- 更换故障的放气阀可确保制动液保持清洁且无空气,从而使您的制动系统安全可靠。
相关参考编号
相关编号、被取代编号、交叉引用编号或替代编号,供比较之用。
93035191900
您正在查看的产品与这些编号存在交叉引用关系
- Porsche Boxster 986 2.5L 1997-99
- Porsche Boxster 986 2.7L 1999-02
- Porsche Boxster S 986 3.2L 1999-02
- Porsche Boxster 986 2.7L 2003-04
- Porsche Boxster S 986 3.2L 2003-04
- Porsche Boxster 987 2.7L 2005 -08/08
- Porsche Boxster 987 S 3.2/3.4L 2005-08/08
- Porsche 911 1975-1977 3.0L Turbo (930)
- Porsche 911 1978-1989 3.3L Turbo (930)
- Porsche 964 (911) C2 1989-93
- Porsche 964 (911) C4 1989-93
- Porsche 964 (911) RS 3.6L 1991-93
- Porsche 964 (911) RS 3.8L 1991-93
- Porsche 964 (911) TURBO 3.3L 1991-93
- Porsche 964 (911) TURBO 3.6L 1991-93
- Porsche 993 (911) C2 1994-97
- Porsche 993 (911) C4 1994-97
- Porsche 993 (911) RS 1994-97
- Porsche 993 (911) C2S 1994-97
- Porsche 993 (911) C4S 1994-97
- Porsche 993 (911) TURBO 1994-96
- Porsche 993 (911) GT2 1994-97
- Porsche 993 (911) TURBO S 1994-97
- Porsche 996 C2 3.4L 1997-08/01
- Porsche 996 C4 3.4L 1997-08/01
- Porsche 996 C2 3.6L 09/01-2005
- Porsche 996 C4 3.6L 09/01-2005
- Porsche 996 C4S 3.6L 09/01-2005
- Porsche 996 TURBO 2000-05
- Porsche 996 GT2 2001-05
- Porsche 996 GT3 MKI 1999-02
- Porsche 996 GT3 MKII 2003>>
- Porsche 996 GT3 RS 2003-04
- Porsche 997 MK1 Carrera 2 3.6L 2005-08
- Porsche 997 MK1 Carrera 2S 3.8L 2005-08
- Porsche 997 MK1 Carrera 4 3.6L 2005-08
- Porsche 997 MK1 Carrera 4S 3.8L 2005-08
- Porsche 997 MK1 TURBO 2007-09
- Porsche 997 MK1 GT3 2007-09
- Porsche 997 MK1 GT2 2007-09
- Porsche 997 MKII Carrera C2 3.6L 2009-12
- Porsche 997 MKII Carrera C4 3.6L 2009-12
- Porsche 997 MKII Carrera C2S 3.8L 2009-12
- Porsche 997 MKII Carrera C4S 3.8L 2009-12
- Porsche Cayman 2.7L 987C 2006-08
- Porsche Cayman S 3.4L 987C 2005-08
- Porsche Carrera GT
- Porsche 955 Cayenne 3.2L V6 2003-06
- Porsche 955 Cayenne S 4.5L V8 2003-06
- Porsche 955 Cayenne Turbo 4.5L 2003-06
- Porsche 955 Cayenne Turbo S 4.5L 2006>>
- Porsche 957 Cayenne 3.6L 2007-10
- Porsche 957 Cayenne S/GTS 4.8L 2007-10
- Porsche 957 Cayenne Turbo / Turbo S 4.8L 2007-10
- Porsche 944 Turbo 2.5L 8V 1985-88
- Porsche 944 Turbo 2.5L 8V 1989-91
- Porsche 944 Turbo S 2.5L 8V 1988
- Porsche 968 3.0L 1992-94
- Porsche 968 Sport 3.0L 1994-95
- Porsche 968 CS 3.0L 1993-95
- Porsche 968 Turbo S 3.0L 1993-94
- Porsche 928 4.5L 1978-82
- Porsche 928S 4.7L 1981-83
- Porsche 928S2 4.7L 1984-86
- Porsche 928S4 5.0L 1987-92
- Porsche 928GT 5.0L 1989-91
- Porsche 928GTS 5.4L 1992-95

Price is Each please select Top or Bottom

Porsche 930 Turbo 1975-89
Click 'Zoom in' for large parts diagram.
Diagram ref no 16.
相关参考编号
相关编号、被取代编号、交叉引用编号或替代编号,供比较之用。
93035156
您正在查看的产品与这些编号存在交叉引用关系
- Porsche 911 1975-1977 3.0L Turbo (930)
- Porsche 911 1978-1989 3.3L Turbo (930)

保时捷 911 Turbo 1978 - 1989
相关参考编号
相关编号、被取代编号、交叉引用编号或替代编号,供比较之用。
93035109
您正在查看的产品与这些编号存在交叉引用关系
- Porsche 911 1978-1989 3.3L Turbo (930)


Porsche 911 TURBO 1978-89
相关参考编号
相关编号、被取代编号、交叉引用编号或替代编号,供比较之用。
93035209
您正在查看的产品与这些编号存在交叉引用关系
- Porsche 911 1978-1989 3.3L Turbo (930)
每辆车需 1 对。
我们重新设计了 930 型卡钳,并进行了特定的增强,以便直接安装到 911 上。我们的 930-ERX 卡钳是备受推崇的 930 制动器的更新版本,长期以来一直是性能的基准。

适合:
保时捷 911 / 912 / 930
*** 1965-73 年使用 3.5 英寸间距支柱
930 刹车升级
930 制动器在热容量和踏板感觉方面对 911 汽车进行了重大升级。四活塞卡钳和巨大的 32 毫米前转子/28 毫米后转子提供了令人难以置信的制动力。
除了出色的制动力外,它们还具有符合时代特征的复古赛车外观,保留了驻车制动器功能,甚至可以安装在许多 15 英寸车轮下。这就是为什么 930 制动器传统上一直是 911 赛车和高端/高功率街车制造的热门升级产品。
然而,安装它们传统上一直很困难 - 需要定制加工(由于 930/911 卡钳螺栓间距差异)、车轮间隙问题以及可用性有限。
我们重新设计的 930-ERX 型卡钳保留了所有优点,同时解决了所有问题。它们可兼容随时可用的 930 型刹车片、转子和主缸。
930-ERX 比原版 930 卡钳有所改进
✓ 911 拖曳臂安装无需卡钳加工。
✓ 我们的后卡钳具有正确的 3.0 英寸螺栓间距和径向位置,可直接安装到 '69-'89 911/912 拖臂上。
✓ 前后卡钳冷却翅片为低轮廓,因此它们不会干扰 Fuchs 车轮辐条,且无需使用轮毂垫片。
✓ 我们的 930-ERX 卡钳采用现代交错活塞设计,使刹车片磨损均匀。原装 930 卡钳使用相同尺寸的活塞,这导致刹车片磨损呈锥度。

930-ERX 配件和兼容性
前卡钳的螺栓间距为 3.5 英寸,可直接用螺栓固定在前支柱上,就像 1972 年至 1989 年的 911 和 912 汽车以及 1972 年之前的 911 S 车型上所配备的那样。早期卡钳螺栓间距为 3.0 的前支柱可以转换为 3.5 英寸支柱,请联系我们了解详情。
后卡钳具有 3.0 螺栓间距,可直接安装于 '69 - '89 的 911 和 912 拖臂,包括铝制和钢制拖臂。
前后卡钳可接受标准 930 刹车片和标准 911 刹车软管。
后卡钳使用标准 930 型转子部件 930-352-046-01
前卡钳与常规 911 轮毂相配,并使用早期 930 型浮动转子与我们的帽套件 #2190005(浮动)或 #2190010(固定),或后期 930 轮毂与后期 930 固定转子。
在配备制动助力器的 '77-'89 911 汽车上使用标准 930 主缸,或对于配备非助力制动器的 77 年前的汽车使用我们的主缸套件 #2190011。
相关参考编号
相关编号、被取代编号、交叉引用编号或替代编号,供比较之用。
G-2190006
您正在查看的产品与这些编号存在交叉引用关系
- Porsche 911 1965-1968 2.0L / 912 SWB (F)
- Porsche 911 1968-1973 2.2L / 2.4L / 2.7L RS LWB (F)
- Porsche 911 1974-1977 2.7L / 1976-77 3.0 Carrera
- Porsche 911 1978-1983 3.0L / SC
- Porsche 911 1984-1986 3.2L
- Porsche 911 1987-1989 3.2L G50
- Porsche 911 1975-1977 3.0L Turbo (930)
- Porsche 911 1978-1989 3.3L Turbo (930)
1 pair, req'd per car.
We've re-engineered a 930 style caliper with specific enhancements for direct fitment to the 911. Our 930-ERX calipers are an updated version of the venerable 930 brakes which have long been the benchmark for performance.

Fits:
Porsche 930 1975-89 930 W/ 3.5" Caliper Bolt Spacing
The 930 Brake Upgrade
930 brakes have been an awesome upgrade for 911 cars in terms of thermal capacity and pedal feel. The four piston calipers and massive 32mm front / 28mm rear rotors give incredible stopping power.
In addition to excellent stopping power, they have a period correct retro race look, retain the parking brake functionality, and even fit under many 15 inch wheels. This is why 930 brakes have traditionally been the sought-after upgrade for 911 racecars, and high end/high powered street car builds.
However fitting them has traditionally been difficult – requiring custom machining (due to differences in 930/911 caliper bolt spacing), wheel clearance issues, and limited availability.
Our re-engineered 930-ERX type calipers keep everything that's great while fixing all the issues. And they accept readily-available 930 type pads, rotors, and master cylinders.
930-ERX Enhancements over Original 930 Calipers
✓ No caliper machining is required for 911 trailing arm fitment.
✓ Our rear calipers have the correct 3.0 inch bolt spacing and radial position to mount directly onto '69-'89 911/912 trailing arms.
✓ The front and rear caliper cooling fins are low profile such that they do not interfere with Fuchs wheel spokes without the need for wheel spacers.
✓ A modern staggered piston design is used for even pad wear on our 930-ERX calipers. Original 930 calipers used same size pistons, which caused pads to wear in a taper.

930-ERX Fitment and Compatibility
The front calipers have 3.5 inch bolt spacing and bolt directly to front struts as equipped on 911 and 912 cars from '72-'89 and 911 S models prior to '72. Early front struts that have 3.0 caliper bolt spacing can convert to 3.5 inch struts, contact us for details.
The rear calipers have 3.0 bolt spacing for direct fitment to 911 and 912 trailing arms from '69-'89 including aluminium and steel trailing arms.
Front and rear calipers accept standard 930 brake pads and standard 911 brake hoses.
Rear calipers use standard type 930 rotors part 930-352-046-01
Front calipers fit with regular 911 hubs and use early type 930 floating rotors with our hat kit #2190005 (floating) or #2190010 (fixed), or late 930 hubs with late 930 fixed rotors.
Use standard 930 master cylinder on '77-'89 911 cars equipped with brake booster, or our master cylinder kit #2190011 for pre-77 cars with non-boosted brakes.
相关参考编号
相关编号、被取代编号、交叉引用编号或替代编号,供比较之用。
G-2190017
您正在查看的产品与这些编号存在交叉引用关系
- Porsche 911 1975-1977 3.0L Turbo (930)
- Porsche 911 1978-1989 3.3L Turbo (930)

用于制动系统,耐高温度(高达 1,000°C)。
有 75ml 管装和 5ml 小袋装可供选择
Cera Tec 的优点:
• 不导电且不含固体
• 适用于 ABS
• 方便安装刹车
• 减少刹车噪音
• 防止划伤和腐蚀
• 不含铜和酸
• 耐压/高粘度
Cera Tec还适用于润滑: • 盘式和鼓式制动系统
• 压缩机
• 集中润滑系统
• 轴承
• 链条
• 座椅导轨
• 天窗轨道
• 电池端子
应用:
在标记的部分涂上一层薄薄的 Cera Tec
点击此处了解 Textar 产品验证
一套4件。
适用:
保时捷 911 (930) 涡轮增压 1975 - 1989
适用于15英寸和16英寸轮辋
材质:铸铝
每个前刹车卡钳的重量:3520克
每个后刹车卡钳的重量:3600克
相关参考编号
相关编号、被取代编号、交叉引用编号或替代编号,供比较之用。
CALIPERSET930FR
您正在查看的产品与这些编号存在交叉引用关系
- Porsche 911 1975-1977 3.0L Turbo (930)
- Porsche 911 1978-1989 3.3L Turbo (930)
单独出售:每个卡钳需要 4 个,总共需要 8 个。
适合:
保时捷 911 Turbo (930) 1978>>1989
保时捷 911 Carrera 3.2L 1984>>1989 - 配备 PR 491 的车型(涡轮增压外观)
图表参考编号 36
相关参考编号
相关编号、被取代编号、交叉引用编号或替代编号,供比较之用。
93035155104
您正在查看的产品与这些编号存在交叉引用关系
- Porsche 911 1984-1986 3.2L
- Porsche 911 1987-1989 3.2L G50
- Porsche 911 1978-1989 3.3L Turbo (930)
Hydra tec 润滑剂,用于维护工作和保护 Textar
有 75ml 管装或 5ml 小袋装可供选择
Hydra Tec 的优势:
- 方便安装液压制动部件
- 经测试与市售制动液(DOT3、DOT4、DOT4LV、DOT5.1)的兼容性
- 不含矿物油,与 EPDM 橡胶兼容
- 此外,运行表面还受到防腐蚀保护
Hydra Tec 适用于润滑:
- 气缸运转表面
- 活塞
- 密封件
应用:
在标记的部分涂上一层薄薄的 Hydra Tec。
笔记:
Hydra Tec 应薄而均匀地涂抹。
切勿使用矿物油或油脂作为替代品。
请勿将本产品涂抹在刹车片或刹车盘的摩擦面上。
点击此处了解 Textar 产品验证
制动钳和离合器从动缸的放气嘴盖
#保时捷#
適用於:
保时捷 356B
保时捷 911 - 1965 年至 1989 年
保时捷 964 - 1989 年至 1994 年
保时捷 993 - 1994 年至 1998 年
保时捷 944 - 1982 年至 1989 年
保时捷 928 - 1978 年至 1990 年
单击“放大”可查看大部件图。
图表参考编号 15
相关参考编号
相关编号、被取代编号、交叉引用编号或替代编号,供比较之用。
90135192712
您正在查看的产品与这些编号存在交叉引用关系
- Porsche 911 1965-1968 2.0L / 912 SWB (F)
- Porsche 911 1968-1973 2.2L / 2.4L / 2.7L RS LWB (F)
- Porsche 911 1974-1977 2.7L / 1976-77 3.0 Carrera
- Porsche 911 1978-1983 3.0L / SC
- Porsche 911 1984-1986 3.2L
- Porsche 911 1987-1989 3.2L G50
- Porsche 911 1975-1977 3.0L Turbo (930)
- Porsche 911 1978-1989 3.3L Turbo (930)
- Porsche 964 (911) C2 1989-93
- Porsche 964 (911) C4 1989-93
- Porsche 964 (911) RS 3.6L 1991-93
- Porsche 964 (911) RS 3.8L 1991-93
- Porsche 964 (911) TURBO 3.3L 1991-93
- Porsche 964 (911) TURBO 3.6L 1991-93
- Porsche 993 (911) C2 1994-97
- Porsche 993 (911) C4 1994-97
- Porsche 993 (911) RS 1994-97
- Porsche 993 (911) C2S 1994-97
- Porsche 993 (911) C4S 1994-97
- Porsche 993 (911) TURBO 1994-96
- Porsche 993 (911) GT2 1994-97
- Porsche 993 (911) TURBO S 1994-97
- Porsche 944 2.5L 8V 1982-87
- Porsche 944 2.7L 8V 1988-89
- Porsche 944S 2.5L 16V 1987-88
- Porsche 928 4.5L 1978-82
- Porsche 928S 4.7L 1981-83
- Porsche 928S2 4.7L 1984-86
- Porsche 928S4 5.0L 1987-92
- Porsche 928GT 5.0L 1989-91
- Porsche 928GTS 5.4L 1992-95
- Porsche 356B 1959-63
- Porsche 912E 4CYL 1976
-
disc brake front axle 911 TURBO 1978-83 602-05
-
disc brake rear axle 911 TURBO 1978-83 603-05
-
clutch release hydraulic 911 1987-89 301-07
-
brake front axle 911 TURBO / CARRERA M491 1987-89 602-05
-
brake rear axle 911 TURBO / CARRERA M491 1987-89 603-05
-
Brake front axle 911 TURBO / CARRERA M491 1984-86 602-05
-
disc brake rear axle 911 TURBO / CARRERA M491 1984-86 603-05
保时捷刹车卡钳 | Design911 精密更换及性能升级,提升制动力和控制力
制动卡钳是保时捷制动系统的重要组成部分,负责将刹车片夹紧在刹车盘上,产生摩擦力,从而安全有效地降低车辆速度。制动卡钳在保时捷赖以成名的灵敏制动体验中发挥着关键作用。无论您是修复经典车型,还是升级现代高性能车型,维护或升级卡钳都能确保您拥有始终如一的制动力和驾驶信心。
Design911 提供种类丰富的制动卡钳,旨在实现精准的性能、精准的适配和长期的可靠性。每个卡钳均采用优质材料设计,以提供卓越的散热性能、均匀的压力分布和增强的制动控制。我们的卡钳是公路、赛道或车辆修复项目的理想选择,完美融合了安全性、强度和保时捷性能传承。
制动钳起什么作用?
制动钳是制动系统的核心,它将液压转化为机械力,从而使您的保时捷可控地停止。
核心功能:
• 对刹车片施加压力,以实现有效的摩擦和减速。
• 确保每个车轮的制动力均匀。
• 在高温和负载下保持一致的制动感觉和性能。
• 使用刹车盘和刹车片来优化刹车距离。
• 在激烈驾驶或赛道使用期间提供响应能力和控制力。
功能良好的制动钳可确保每次踩刹车时的稳定性、安全性和精确性。
为什么制动钳会失效或退化?
随着时间的推移,制动钳会暴露在极端高温、高压和环境条件下——所有这些都可能导致性能下降或机械故障。
常见的失败原因包括:
• 活塞和密封件腐蚀或生锈。
• 密封件或连接处磨损导致液压油泄漏。
• 由于活塞粘滞,导致刹车片磨损不均匀。
• 由于热饱和和缺乏维护导致性能下降。
• 撞击或过度振动造成的物理损坏。
当卡钳出现故障时,制动性能会变得不一致或不安全——更换或翻新对于保持控制和信心至关重要。
为什么要更换或升级您的保时捷制动钳?
更换旧的或磨损的制动卡钳,可恢复您保时捷的制动精准度和安全性。升级至高性能卡钳,可进一步提升制动力、稳定性和抗制动衰减能力。Design911 提供专为日常驾驶和赛车运动量身定制的选项。
主要优点:
• 恢复均匀、强劲的制动性能。
• 在高需求条件下提高安全性和踏板感觉。
• 增强热管理和耐用性。
• 提供性能和原始规格款式。
• 适用于保时捷特定应用的直接配合设计。
• 非常适合道路、轨道或修复建设。
Design911 的保时捷制动钳可为您的保时捷提供动力、控制和耐久性的平衡——专为精确度和耐用性而设计。
亮点
• 优质保时捷制动钳,用于性能和修复。
• 由耐用、耐热的合金制成。
• 适用于经典和现代保时捷车型。
• 精密设计,实现均衡的制动性能。
• 非常适合日常驾驶、赛道使用或竞赛修复。
• 设计具有卓越的强度和可靠性。