在此输入您的增值税号,然后单击验证:
您的详细信息已经过验证。增值税号注册至:
,
。
现在,您的订单的增值税税率为零。我们保留在您提出订单请求后验证这些详细信息的权利,并在需要时恢复增值税。
您的增值税详细信息无法识别或无效。您的增值税号必须与上面指定的帐单国家/地区相匹配。当前指定为 。您无需输入增值税号的国家/地区代码部分,因为已在上面的帐单地址详细信息中选择了该部分。
增值税号查询服务目前已离线。请在下面的评论或特殊说明字段中提供您的增值税详细信息,我们将在您提出订单请求后应用增值税折扣。
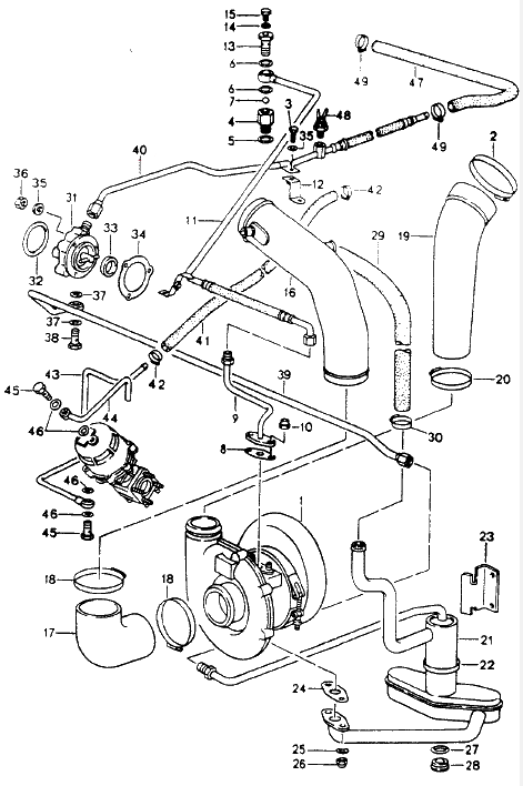
涡轮增压器/中冷器及零件

Fits:
Porsche 911 turbo - 1978 to 1989
Click 'Zoom in' for large parts diagram.
Diagram ref no 14
相关参考编号
相关编号、被取代编号、交叉引用编号或替代编号,供比较之用。
93011023200
您正在查看的产品与这些编号存在交叉引用关系
- Porsche 911 1978-1989 3.3L Turbo (930)

• 原装涡轮增压器作为基础部件
• TTE Billet 几何压缩机
• TTE 高流量涡轮
• 400 PS 能力
• 对单个部件进行精细平衡,然后组装组件并对核心高速 VSR 进行平衡
• 提供平衡测试结果文件
• 德国制造
- Porsche 911 1975-1977 3.0L Turbo (930)
- Porsche 911 1978-1989 3.3L Turbo (930)
- Porsche 964 (911) TURBO 3.3L 1991-93
- Porsche 964 (911) TURBO 3.6L 1991-93

• 原装涡轮增压器作为基础部件
• 非常早的响应
• 钢坯铣削 TTE 压缩机叶片
• 高流量涡轮机
• 550 PS 能力
• 即插即用安装
• 经过验证的 TheTurboEngineers 质量
• 对单个部件进行精细平衡,然后组装组件并对核心高速 VSR 进行平衡
• 提供平衡测试结果文件
德国制造
- Porsche 911 1975-1977 3.0L Turbo (930)
- Porsche 911 1978-1989 3.3L Turbo (930)
- Porsche 964 (911) TURBO 3.3L 1991-93
- Porsche 964 (911) TURBO 3.6L 1991-93
Fits:
Porsche 911 (930) Turbo 1978-89
Porsche 964 Turbo 3.3L 991-92
Click 'Zoom in' for large parts diagram.
Diagram ref no 9
相关参考编号
相关编号、被取代编号、交叉引用编号或替代编号,供比较之用。
93010712403
您正在查看的产品与这些编号存在交叉引用关系
- Porsche 911 1975-1977 3.0L Turbo (930)
- Porsche 911 1978-1989 3.3L Turbo (930)
- Porsche 964 (911) TURBO 3.3L 1991-93

適用於:
保时捷 911 (930) 涡轮增压 1978-89
保时捷 964 Turbo 3.3L 991-92
单击“放大”可查看大部件图。
图表参考编号 9
相关参考编号
相关编号、被取代编号、交叉引用编号或替代编号,供比较之用。
93010712403
您正在查看的产品与这些编号存在交叉引用关系
- Porsche 911 1975-1977 3.0L Turbo (930)
- Porsche 911 1978-1989 3.3L Turbo (930)
- Porsche 964 (911) TURBO 3.3L 1991-93
Fits:
Porsche 911 (930) Turbo 1975-89
Porsche 964 (965) 1989-94
Click 'Zoom in' for large parts diagram.
Diagram ref no 24
相关参考编号
相关编号、被取代编号、交叉引用编号或替代编号,供比较之用。
93010711601
您正在查看的产品与这些编号存在交叉引用关系
- Porsche 911 1975-1977 3.0L Turbo (930)
- Porsche 911 1978-1989 3.3L Turbo (930)
- Porsche 964 (911) TURBO 3.3L 1991-93
- Porsche 964 (911) TURBO 3.6L 1991-93

Fits:
Porsche 911 Turbo 1975-77 for 930/51/52/53/54
Porsche 911 Turbo 1978-89
Click 'Zoom in' for large parts diagram.
Diagram ref no 39
相关参考编号
相关编号、被取代编号、交叉引用编号或替代编号,供比较之用。
93010733804
您正在查看的产品与这些编号存在交叉引用关系
- Porsche 911 1975-1977 3.0L Turbo (930)
- Porsche 911 1978-1989 3.3L Turbo (930)
发动机至涡轮增压器
适合:
保时捷911(930)3.0L / 3.3L涡轮增压 1975-1989年
保时捷 965 3.3L 涡轮增压 08/1990 - 07/1992
本产品取代了保时捷的旧零件编号:
- 93010712501,
- 93010712503,
- 93010712505,
- 93010712507,
图表参考编号 11
相关参考编号
相关编号、被取代编号、交叉引用编号或替代编号,供比较之用。
93010712509
您正在查看的产品与这些编号存在交叉引用关系
- Porsche 911 1975-1977 3.0L Turbo (930)
- Porsche 911 1978-1989 3.3L Turbo (930)
- Porsche 964 (911) TURBO 3.3L 1991-93
发动机至涡轮增压器
适合:
保时捷911(930)3.0L / 3.3L涡轮增压 1975-1989年
保时捷 965 3.3L 涡轮增压 08/1990 - 07/1992
本产品取代了保时捷的旧零件编号:
- 93010712501,
- 93010712503,
- 93010712505,
- 93010712507,
图表参考编号 11
相关参考编号
相关编号、被取代编号、交叉引用编号或替代编号,供比较之用。
93010712509
您正在查看的产品与这些编号存在交叉引用关系
- Porsche 911 1975-1977 3.0L Turbo (930)
- Porsche 911 1978-1989 3.3L Turbo (930)
- Porsche 964 (911) TURBO 3.3L 1991-93

适合:
保时捷 911(930)Turbo 1975-89
保时捷 964(965)涡轮增压 3.3L / 3.6L 1991-94 年
单击“放大”可查看大部件图。
图表参考编号 44。
相关参考编号
相关编号、被取代编号、交叉引用编号或替代编号,供比较之用。
93012304305
您正在查看的产品与这些编号存在交叉引用关系
- Porsche 911 1975-1977 3.0L Turbo (930)
- Porsche 911 1978-1989 3.3L Turbo (930)
- Porsche 964 (911) TURBO 3.3L 1991-93
- Porsche 964 (911) TURBO 3.6L 1991-93
Fits:
Porsche 911 (930) Turbo 1975-89
Porsche 964 (965) Turbo 3.3L / 3.6L 1991-94
Click 'zoom in' for large parts diagram.
Diagram ref no 43.
相关参考编号
相关编号、被取代编号、交叉引用编号或替代编号,供比较之用。
93012305302
您正在查看的产品与这些编号存在交叉引用关系
- Porsche 911 1975-1977 3.0L Turbo (930)
- Porsche 911 1978-1989 3.3L Turbo (930)
- Porsche 964 (911) TURBO 3.3L 1991-93
- Porsche 964 (911) TURBO 3.6L 1991-93
涡轮增压器、中冷器及零件——专为保时捷发动机打造的精密工程性能
涡轮增压器通过将更多空气压入发动机燃烧室来提升保时捷的动力和效率,而中冷器则冷却压缩空气,从而提高性能和可靠性。这些部件共同作用,赋予保时捷工程技术令人振奋的加速和响应能力。
Design911 为保时捷新老车型提供全面的涡轮增压器、中冷器及相关部件。我们的产品系列采用优质材料和先进的平衡技术制造,确保稳定的增压压力、卓越的冷却效率以及极端条件下的长期耐用性。
无论您是修复经典的 911 Turbo、升级 Cayman 以供赛道使用,还是更换现代车型上的磨损部件,我们的高品质涡轮增压器和中冷器零件都能保证无与伦比的性能和可靠性。
涡轮增压器和中冷器起什么作用?
涡轮增压器和中冷器协同工作,增强发动机的功率、效率和响应能力。
核心功能:
- 涡轮增压器:压缩吸入的空气,增加发动机的空燃比,产生更大的动力。
- 中冷器:降低压缩空气进入发动机之前的温度,改善燃烧并防止爆震。
- 相关部件:涡轮软管、阀门、夹具和冷却管线保持一致的增压压力和可靠的气流。
这些系统共同优化了动力传输、油门响应和发动机寿命——这是实现保时捷标志性驾驶体验的关键。
涡轮增压器和中冷器为何会发生故障?
涡轮增压器和中冷器系统在极端温度和压力下运行。随着时间的推移,磨损和热循环会导致性能下降甚至故障。
常见的失败原因包括:
- 油污染或缺油会损坏涡轮轴承。
- 增加因磨损的密封件、破裂的软管或垫圈造成的泄漏。
- 中冷器因碎屑或油残留而堵塞。
- 排气温度过高导致涡轮损坏。
- 长时间高速行驶导致腐蚀或热疲劳。
故障症状包括呜呜声、动力损失、排气冒蓝烟或黑烟、增压响应不良或涡轮系统漏油。尽早解决这些问题可以避免昂贵的维修并保持性能。
为什么要更换组件?
用精密设计的高性能替代品更换磨损的涡轮增压器或中冷器,可恢复完整的增压压力、温度控制和效率,确保您的保时捷按预期运行。
主要优点:
- 恢复增压压力和油门响应。
- 改善空气冷却和电力输送。
- 防止漏油和增压。
- 由轻质、耐热材料制成。
- 直接兼容保时捷 911、Cayman、Boxster、Macan、Panamera 等。
- 非常适合性能升级、维护或重建。
高品质的涡轮增压器和中冷器组件对于在道路和轨道环境中实现可靠、持续的性能至关重要。
亮点:
- 适用于保时捷车型的涡轮增压器、中冷器及相关零件。
- 精密设计,增强气流、增压和冷却。
- 耐热结构确保耐用性和性能。
- 非常适合维护、升级或彻底重建。
- 支持保时捷 911、Cayman、Boxster、Panamera 等。
- 针对极端负载下的性能和可靠性进行了优化。