在此输入您的增值税号,然后单击验证:
您的详细信息已经过验证。增值税号注册至:
,
。
现在,您的订单的增值税税率为零。我们保留在您提出订单请求后验证这些详细信息的权利,并在需要时恢复增值税。
您的增值税详细信息无法识别或无效。您的增值税号必须与上面指定的帐单国家/地区相匹配。当前指定为 。您无需输入增值税号的国家/地区代码部分,因为已在上面的帐单地址详细信息中选择了该部分。
增值税号查询服务目前已离线。请在下面的评论或特殊说明字段中提供您的增值税详细信息,我们将在您提出订单请求后应用增值税折扣。
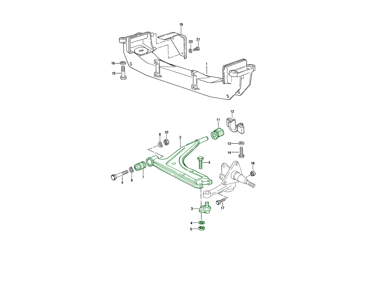
摇臂及衬套
赛车版 - 肖氏硬度 85,带来更硬朗、更精准的悬架控制。与标准衬套相比,这款赛车版衬套的弯曲更小,悬架响应更灵敏。这种更硬的材质非常适合赛道驾驶或激烈驾驶,因为在这些情况下,精准度和操控反馈至关重要。
替换为:95134102301、95134102300、95134102330、
适合:
保时捷 944 1985 - 1991
保时捷 968 1992 - 1995
图表参考编号 10
944 和 924 的后控制臂支架既可以消除原厂部件故障带来的异响,又能让您的街道车或赛道车恢复正常的悬架几何形状。由于这些支架负责控制前控制臂的垂直运动,原厂衬套的弯曲会导致在急刹车和加速时发生显著的定位变化,尤其是前束角。在赛道上经常遇到的持续负载以及日常驾驶的严苛条件下,这些支架能够更好地定位前端。
相关参考编号
相关编号、被取代编号、交叉引用编号或替代编号,供比较之用。
95134102301HDKIT
您正在查看的产品与这些编号存在交叉引用关系
- Porsche 944 2.5L 8V 1982-87
- Porsche 944 2.7L 8V 1988-89
- Porsche 944S 2.5L 16V 1987-88
- Porsche 944S2 3.0L 16V 1989-91
- Porsche 944 Turbo 2.5L 8V 1985-88
- Porsche 944 Turbo 2.5L 8V 1989-91
- Porsche 944 Turbo S 2.5L 8V 1988
- Porsche 968 3.0L 1992-94
- Porsche 968 Sport 3.0L 1994-95
- Porsche 968 CS 3.0L 1993-95
- Porsche 968 Turbo S 3.0L 1993-94
套件包含
前臂 x 2
下球头 x 2
球头连接件套件 x 2
前臂衬套 x 2
后摆臂衬套 x 2
适用:
保时捷 924 - 1982 年至 1985 年
保时捷 924S - 1986 年至 1988 年
保时捷 944 - 1982 年至 1985 年
图示编号 2、3、4、5、7、11、18、19 和 20
相关参考编号
相关编号、被取代编号、交叉引用编号或替代编号,供比较之用。
171407153D
您正在查看的产品与这些编号存在交叉引用关系
- Porsche 924 2.0L 1980-85
- Porsche 924 Turbo 2.0L 1982-84
- Porsche 924 Carrera GTS 2.0L 1982
- Porsche 924S 2.5L 1986-87
- Porsche 924S 2.5L 1988
- Porsche 944 2.5L 8V 1982-87
该部件固定前下控制臂的后枢轴点,确保悬架移动时控制臂保持正确对齐。它在保持稳定的操控性、精准的转向反馈和平稳的悬架运行方面发挥着至关重要的作用。
每件均已售出。
适合左手和右手。
适合:
- 保时捷 944 2.5L 8V 1982-87
- 保时捷 944 2.7L 8V 1988-89
- 保时捷 944S 2.5L 16V 1987-88
- 保时捷 944S2 3.0L 16V 1989-91
- 保时捷 944 Turbo 2.5L 8V 1985-88
- 保时捷 944 Turbo 2.5L 8V 1989-91
- 保时捷 944 Turbo S 2.5L 8V 1988
- 保时捷968 3.0L 1992-94年
- 保时捷 968 运动版 3.0L 1994-95
- 保时捷 968 CS 3.0L 1993-95
- 保时捷 968 Turbo S 3.0L 1993-94
本产品的作用:
- 控制臂安装支架固定一个衬套或支架,将前控制臂的后(内)端固定到位。
- 它有助于固定控制臂的枢轴点,防止垂直或横向不必要的移动。
- 提供结构支撑以确保控制臂在负载下保持正确的对齐和几何形状。
- 通过衬套组件吸收通过悬架传输的一些振动/力,有助于隔离噪音和不平顺性。
- 前悬架发出咔嗒声或敲击声,尤其是在颠簸路面上
- 前端有间隙或松动;车辆转向或悬架可能感觉不清晰
- 轮胎磨损不均匀或加速,尤其是在前轮,因为在负载下定位可能会发生变化
- 刹车或加速时前端移动,例如控制臂轻微移动
- 车辆偏移或不稳定,尤其是在转弯或不平坦路面上行驶时
- 恢复严格的悬架控制——防止过度运动并恢复转向和操控的灵活性
- 在负载下保持适当的悬架几何形状(前束、外倾角、主销后倾角),这对于安全、轮胎寿命和驾驶性能非常重要
- 防止损坏其他部件——如果控制臂移动过多,可能会对球窝接头、衬套或转向部件造成压力
- 降低噪音、振动和不平顺性——磨损的安装支架会传递更多振动,并导致金属与金属接触
- 保持车辆的适航性、稳定性和可预测性——尤其对于性能或经典车型而言,操控精度至关重要
相关参考编号
相关编号、被取代编号、交叉引用编号或替代编号,供比较之用。
95134102301
您正在查看的产品与这些编号存在交叉引用关系
- Porsche 944 2.5L 8V 1982-87
- Porsche 944 2.7L 8V 1988-89
- Porsche 944S 2.5L 16V 1987-88
- Porsche 944S2 3.0L 16V 1989-91
- Porsche 944 Turbo 2.5L 8V 1985-88
- Porsche 944 Turbo 2.5L 8V 1989-91
- Porsche 944 Turbo S 2.5L 8V 1988
- Porsche 968 3.0L 1992-94
- Porsche 968 Sport 3.0L 1994-95
- Porsche 968 CS 3.0L 1993-95
- Porsche 968 Turbo S 3.0L 1993-94

Fits:
Porsche 944 1986>>
Porsche 968 1992-95
Click 'Zoom in' for large parts diagram.
Diagram ref no 10
相关参考编号
相关编号、被取代编号、交叉引用编号或替代编号,供比较之用。
95134102301
您正在查看的产品与这些编号存在交叉引用关系
- Porsche 944 2.5L 8V 1982-87
- Porsche 944 2.7L 8V 1988-89
- Porsche 944S 2.5L 16V 1987-88
- Porsche 944S2 3.0L 16V 1989-91
- Porsche 944 Turbo 2.5L 8V 1985-88
- Porsche 944 Turbo 2.5L 8V 1989-91
- Porsche 944 Turbo S 2.5L 8V 1988
- Porsche 968 3.0L 1992-94
- Porsche 968 Sport 3.0L 1994-95
- Porsche 968 CS 3.0L 1993-95
- Porsche 968 Turbo S 3.0L 1993-94
適用於:
保时捷 944 1986>>
保时捷 968 1992-95
图表参考编号 10
相关参考编号
相关编号、被取代编号、交叉引用编号或替代编号,供比较之用。
95134102301
您正在查看的产品与这些编号存在交叉引用关系
- Porsche 944 2.5L 8V 1982-87
- Porsche 944 2.7L 8V 1988-89
- Porsche 944S 2.5L 16V 1987-88
- Porsche 944S2 3.0L 16V 1989-91
- Porsche 944 Turbo 2.5L 8V 1985-88
- Porsche 944 Turbo 2.5L 8V 1989-91
- Porsche 944 Turbo S 2.5L 8V 1988
- Porsche 968 3.0L 1992-94
- Porsche 968 Sport 3.0L 1994-95
- Porsche 968 CS 3.0L 1993-95
- Porsche 968 Turbo S 3.0L 1993-94
Sold individually - 2 required per car

Fits
Porsche 944 - 1985/2 to 1991 - Aluminium lower arms
Porsche 968 - 1992 to 1995
Restore Ride and Performance
A true rubber replacement bushing for the factory caster block.
"Sport" hardness rubber compound improves performance by reducing deflection under load, while maintaining the ride characteristics of rubber.
Rubber is the choice if you want to restore factory ride and performance
Feb 1985 to 1995 944 cars with aluminium lower arms
相关参考编号
相关编号、被取代编号、交叉引用编号或替代编号,供比较之用。
2290012
您正在查看的产品与这些编号存在交叉引用关系
- Porsche 944 2.5L 8V 1982-87
- Porsche 944 2.7L 8V 1988-89
- Porsche 944S 2.5L 16V 1987-88
- Porsche 944S2 3.0L 16V 1989-91
- Porsche 944 Turbo 2.5L 8V 1985-88
- Porsche 944 Turbo 2.5L 8V 1989-91
- Porsche 944 Turbo S 2.5L 8V 1988
- Porsche 968 3.0L 1992-94
- Porsche 968 Sport 3.0L 1994-95
- Porsche 968 CS 3.0L 1993-95
- Porsche 968 Turbo S 3.0L 1993-94
赛车版 - 肖氏硬度 85,带来更硬朗、更精准的悬架控制。与标准衬套相比,这款赛车版衬套的弯曲更小,悬架响应更灵敏。这种更硬的材质非常适合赛道驾驶或激烈驾驶,因为在这些情况下,精准度和操控反馈至关重要。
每件均已售出。
替换为:95134102301、95134102300、95134102330、
适合:
保时捷 944 1985 - 1991
保时捷 968 1992 - 1995
图表参考编号 10
944 和 924 的后控制臂支架既可以消除原厂部件故障带来的异响,又能让您的街道车或赛道车恢复正常的悬架几何形状。由于这些支架负责控制前控制臂的垂直运动,原厂衬套的弯曲会导致在急刹车和加速时发生显著的定位变化,尤其是前束角。在赛道上经常遇到的持续负载以及日常驾驶的严苛条件下,这些支架能够更好地定位前端。
相关参考编号
相关编号、被取代编号、交叉引用编号或替代编号,供比较之用。
95134102301HD
您正在查看的产品与这些编号存在交叉引用关系
- Porsche 944 2.5L 8V 1982-87
- Porsche 944 2.7L 8V 1988-89
- Porsche 944S 2.5L 16V 1987-88
- Porsche 944S2 3.0L 16V 1989-91
- Porsche 944 Turbo 2.5L 8V 1985-88
- Porsche 944 Turbo 2.5L 8V 1989-91
- Porsche 944 Turbo S 2.5L 8V 1988
- Porsche 968 3.0L 1992-94
- Porsche 968 Sport 3.0L 1994-95
- Porsche 968 CS 3.0L 1993-95
- Porsche 968 Turbo S 3.0L 1993-94
使用这款高清后位控制臂支架升级您的保时捷前悬架精度。
这款重型支架专为保时捷 944 和 968 车型设计,用更硬的高硬度化合物(约 85 肖氏硬度)取代了工厂橡胶装置。
每件均已售出。
每辆车需要 x2。
适合:
- 保时捷 944 2.5L 8V 1982-87
- 保时捷 944 2.7L 8V 1988-89
- 保时捷 944S 2.5L 16V 1987-88
- 保时捷 944S2 3.0L 16V 1989-91
- 保时捷 944 Turbo 2.5L 8V 1985-88
- 保时捷 944 Turbo 2.5L 8V 1989-91
- 保时捷 944 Turbo S 2.5L 8V 1988
- 保时捷968 3.0L 1992-94年
- 保时捷 968 运动版 3.0L 1994-95
- 保时捷 968 CS 3.0L 1993-95
- 保时捷 968 Turbo S 3.0L 1993-94
图表参考编号 10
本产品的作用:
- 带衬套的控制臂安装支架将前下控制臂的后端固定到位。它限制了前后运动,并有助于稳定控制臂上的横向力。
- 它充当枢轴和锚点,允许控制臂随悬架上下移动,同时抵抗负载(转弯、制动、加速)下不必要的偏转。
- 因为它位于手臂的后部,所以它可能会受到推动或拉动手臂前/后的力,因此稳定的安装对于对准至关重要。
- 在 HD / 更坚固的版本中,该支架限制了负载下的偏转,这有助于保持一致性(尤其是前束)并减少可能降低处理精度的不良运动。
磨损症状/迹象:
- 前悬架发出咔嗒声/敲击声,尤其是控制臂区域
- 转向感觉松散或模糊,尤其是在转弯或颠簸时
- 前端定位在负载下发生变化,尤其是在制动或加速时前束会发生变化
- 前轮胎磨损不均匀/加速,尤其是前轮胎
- 过渡期间(例如转弯)出现可重复的抖动或不稳定
- 如果缓冲受损,悬架会传递过度的振动或刺耳声音
- 提高操控精度:通过减少负载下的偏转,HD 支架有助于保持一致的悬架几何形状,从而提供更灵敏的转向响应和更可预测的行为。
- 更好的保持对准度:较少的运动有助于在制动、转弯和负载变化时保持前束/外倾角设置在应有的位置。
- 消除噪音和晃动:磨损的支架会导致手臂晃动,造成咔哒声或晃动。更坚固的支架可恢复紧密度。
- 耐用性/寿命:硬度较高(较硬)的材料比较软的工厂橡胶更能抵抗老化、疲劳和变形。
- 赛道/运动使用能力:在激烈的驾驶或赛道日,额外的稳定性是显而易见的——更少的摆动、更好的反馈和更多的控制。
- 负载下前端行为更好:由于手臂固定得更牢固,因此可以更好地控制力量,减少可能破坏平衡的不必要的运动。
相关参考编号
相关编号、被取代编号、交叉引用编号或替代编号,供比较之用。
95134102301HD
您正在查看的产品与这些编号存在交叉引用关系
- Porsche 944 2.5L 8V 1982-87
- Porsche 944 2.7L 8V 1988-89
- Porsche 944S 2.5L 16V 1987-88
- Porsche 944S2 3.0L 16V 1989-91
- Porsche 944 Turbo 2.5L 8V 1985-88
- Porsche 944 Turbo 2.5L 8V 1989-91
- Porsche 944 Turbo S 2.5L 8V 1988
- Porsche 968 3.0L 1992-94
- Porsche 968 Sport 3.0L 1994-95
- Porsche 968 CS 3.0L 1993-95
- Porsche 968 Turbo S 3.0L 1993-94

Fits:
Porsche 968 1992-95Cars WITH sport chassis M030
Porsche 944 1985-91 Cars WITH sport chassis M030
Diagram Ref No 10.
相关参考编号
相关编号、被取代编号、交叉引用编号或替代编号,供比较之用。
95134102330
您正在查看的产品与这些编号存在交叉引用关系
- Porsche 944 2.5L 8V 1982-87
- Porsche 944 2.7L 8V 1988-89
- Porsche 944S 2.5L 16V 1987-88
- Porsche 944S2 3.0L 16V 1989-91
- Porsche 944 Turbo 2.5L 8V 1985-88
- Porsche 944 Turbo 2.5L 8V 1989-91
- Porsche 944 Turbo S 2.5L 8V 1988
- Porsche 968 3.0L 1992-94
- Porsche 968 Sport 3.0L 1994-95
- Porsche 968 CS 3.0L 1993-95
- Porsche 968 Turbo S 3.0L 1993-94
1 kit required per car

Fits:
Porsche 944, 944S, 944S2 and turbo - 1985 to 1991
Porsche 968 - 1992 to 1995
Precision suspension control
Control Arm Front Monoball cartridges replace the stock rubber bushings.
Monoballs provide a higher performance than stock bushings as they eliminate rubber mount compression and significantly reduce friction.
They'll also hold alignment settings true.
Weather sealed to keep road dirt out and designed for long life. If you're looking to restore your original suspension, you may also be interested in stock rubber bushings.
相关参考编号
相关编号、被取代编号、交叉引用编号或替代编号,供比较之用。
2201700
您正在查看的产品与这些编号存在交叉引用关系
- Porsche 944 2.5L 8V 1982-87
- Porsche 944 2.7L 8V 1988-89
- Porsche 944S 2.5L 16V 1987-88
- Porsche 944S2 3.0L 16V 1989-91
- Porsche 944 Turbo 2.5L 8V 1985-88
- Porsche 944 Turbo 2.5L 8V 1989-91
- Porsche 944 Turbo S 2.5L 8V 1988
- Porsche 968 3.0L 1992-94
- Porsche 968 Sport 3.0L 1994-95
- Porsche 968 CS 3.0L 1993-95
- Porsche 968 Turbo S 3.0L 1993-94
1 kit required per car

Fits:
Porsche 944, 944S, 944S2 and turbo - 1985 to 1991
Porsche 968 - 1992 to 1995
Precision suspension control
Our control arm rear monoball cartridge replaces the stock caster block.
Increase performance by eliminating rubber compression.
相关参考编号
相关编号、被取代编号、交叉引用编号或替代编号,供比较之用。
2211700
您正在查看的产品与这些编号存在交叉引用关系
- Porsche 944 2.5L 8V 1982-87
- Porsche 944 2.7L 8V 1988-89
- Porsche 944S 2.5L 16V 1987-88
- Porsche 944S2 3.0L 16V 1989-91
- Porsche 944 Turbo 2.5L 8V 1985-88
- Porsche 944 Turbo 2.5L 8V 1989-91
- Porsche 944 Turbo S 2.5L 8V 1988
- Porsche 968 3.0L 1992-94
- Porsche 968 Sport 3.0L 1994-95
- Porsche 968 CS 3.0L 1993-95
- Porsche 968 Turbo S 3.0L 1993-94
Item is produced from series 6082 alumium with a maintenance free teflon/chrome spherical bearing. Bearing is highest quality motorsport series.

Replacement for 95134102301, 95134102300, 95134102330,
Fits:
Porsche 944 / S / S2 / Turbo 1985-91
Porsche 968 1992-95
相关参考编号
相关编号、被取代编号、交叉引用编号或替代编号,供比较之用。
3602409441
您正在查看的产品与这些编号存在交叉引用关系
- Porsche 944 2.5L 8V 1982-87
- Porsche 944 2.7L 8V 1988-89
- Porsche 944S 2.5L 16V 1987-88
- Porsche 944S2 3.0L 16V 1989-91
- Porsche 944 Turbo 2.5L 8V 1985-88
- Porsche 944 Turbo 2.5L 8V 1989-91
- Porsche 944 Turbo S 2.5L 8V 1988
- Porsche 968 3.0L 1992-94
- Porsche 968 Sport 3.0L 1994-95
- Porsche 968 CS 3.0L 1993-95
- Porsche 968 Turbo S 3.0L 1993-94
PAIR
Powerflex Black Series - Designed for the Track - Ready to Race - Engineered to be the best.
Powerflex Black Series bushes are manufactured using a 95 Shore A compound to provide maximum control of chassis geometry. This compound can be up to 80% more resistant to load than standard rubber and 25% stiffer than our purple performance material.
If your requirements are purely for the ultimate in handling and chassis performance then Powerflex Black Series are unique, offering the most precise and accurate alignment for your chassis.
Replacing your car rubber suspension bushes with Polyurethane Suspension Bushes will give you:
- Better road holding
- Constant steering geometry
- Increased tyre life
- More responsive steering
- Longer service life of suspension components
Fits:
Porsche 924 1976-85
Porsche 924S 1986-88
Porsche 944 1982-85
Diagram Ref No 11
相关参考编号
相关编号、被取代编号、交叉引用编号或替代编号,供比较之用。
PFF85-213BLK
您正在查看的产品与这些编号存在交叉引用关系
- Porsche 924 2.0L 1976-79
- Porsche 924 2.0L 1980-85
- Porsche 924 Turbo 2.0L 1979-81
- Porsche 924 Turbo 2.0L 1982-84
- Porsche 924 Carrera GT 2.0L 1981
- Porsche 924 Carrera GTS 2.0L 1982
- Porsche 924S 2.5L 1986-87
- Porsche 924S 2.5L 1988
- Porsche 944 2.5L 8V 1982-87
一对
使用聚氨酯悬架衬套替换您的汽车橡胶悬架衬套将为您带来以下好处:
- 更好的抓地力
- 恒定转向几何
- 延长轮胎寿命
- 转向更灵敏
- 悬架部件的使用寿命更长
适合:
保时捷924 1976-85
保时捷924S 1986-88
保时捷944 1982-85
图表参考编号 11
相关参考编号
相关编号、被取代编号、交叉引用编号或替代编号,供比较之用。
PFF85-213
您正在查看的产品与这些编号存在交叉引用关系
- Porsche 924 2.0L 1976-79
- Porsche 924 2.0L 1980-85
- Porsche 924 Turbo 2.0L 1979-81
- Porsche 924 Turbo 2.0L 1982-84
- Porsche 924 Carrera GT 2.0L 1981
- Porsche 924 Carrera GTS 2.0L 1982
- Porsche 924S 2.5L 1986-87
- Porsche 924S 2.5L 1988
- Porsche 944 2.5L 8V 1982-87
一套套件包含 2 个衬套(用于一个控制臂)
合身:
保时捷 964 1989-94 后轮衬套运动硬度
保时捷 993 1995-98 后轮衬套运动硬度
适用于 1985-1995 年款保时捷 944(带铝合金控制臂)的前悬架衬套,运动硬度
控制臂衬套由两半组成,每个控制臂对应一个衬套。套件包含两个半衬套,组成一个完整的衬套。
高密度前控制臂衬套能够消除因原厂老化部件引起的振动,并在急加速和急制动时更好地保持转向手感。这些衬套可替换993和964车型前控制臂中的后衬套,更精确地减少悬架形变,从而保持悬架几何结构和定位。我们的产品硬度提升了25%,可减少负载下的悬架形变,带来更清晰、更直接的转向手感。无论是街道用车还是赛道用车,都能享受到更稳定、更精准的前轮操控。
相关参考编号
相关编号、被取代编号、交叉引用编号或替代编号,供比较之用。
96434101707
您正在查看的产品与这些编号存在交叉引用关系
- Porsche 964 (911) C2 1989-93
- Porsche 964 (911) C4 1989-93
- Porsche 964 (911) RS 3.6L 1991-93
- Porsche 964 (911) RS 3.8L 1991-93
- Porsche 964 (911) TURBO 3.3L 1991-93
- Porsche 964 (911) TURBO 3.6L 1991-93
- Porsche 993 (911) C2 1994-97
- Porsche 993 (911) C4 1994-97
- Porsche 993 (911) RS 1994-97
- Porsche 993 (911) C2S 1994-97
- Porsche 993 (911) C4S 1994-97
- Porsche 993 (911) TURBO 1994-96
- Porsche 993 (911) GT2 1994-97
- Porsche 993 (911) TURBO S 1994-97
- Porsche 944 2.5L 8V 1982-87
- Porsche 944 2.7L 8V 1988-89
- Porsche 944S 2.5L 16V 1987-88
- Porsche 944S2 3.0L 16V 1989-91
- Porsche 944 Turbo 2.5L 8V 1985-88
- Porsche 944 Turbo 2.5L 8V 1989-91
- Porsche 944 Turbo S 2.5L 8V 1988
使用 HD 前控制臂衬套(后部位置)升级您的保时捷前悬架性能和精度。
该重型衬套安装在前下控制臂(叉骨)的后点,有助于保持正确的悬架几何形状和转向对准。
它采用高硬度(运动)橡胶化合物,比工厂 OEM 硬度高 25%左右,可减少负载下的偏转并提供更敏锐、更一致的操控性。
以 2 件为一套出售。
适合:
适合图表参考编号 12
本产品的作用:
磨损或不足的症状/迹象:
- 方向盘振动或颤动,尤其是在负载或转弯时
- 前端感觉模糊或“游移不定”
- 转弯或刹车时对准度发生变化(前束漂移)
- 轮胎磨损不均匀或加速
- 前悬架在负载下发出噪音(咔哒声或吱吱声)
- 转向精度降低/操控性下降
为什么运动/重型版本如此重要:
- 减少偏转:由于较硬的化合物在负载下弯曲较小,因此在激烈驾驶或转弯时对准度保持更加一致。
- 更清晰的转向反馈:更少的“柔软度”在转向输入和前端行为之间提供更直接、更灵敏的感觉。
- 负载下更好的处理: 在重载(转弯、制动等)下,较硬的衬套有助于更忠实地保持几何形状。
- 耐用性:升级后的化合物通常比柔软的原始橡胶更能抵抗疲劳、热和老化,特别是在运动或赛道使用中。
相关参考编号
相关编号、被取代编号、交叉引用编号或替代编号,供比较之用。
96434101707
您正在查看的产品与这些编号存在交叉引用关系
- Porsche 964 (911) C2 1989-93
- Porsche 964 (911) C4 1989-93
- Porsche 964 (911) RS 3.6L 1991-93
- Porsche 964 (911) RS 3.8L 1991-93
- Porsche 964 (911) TURBO 3.3L 1991-93
- Porsche 964 (911) TURBO 3.6L 1991-93
- Porsche 993 (911) C2 1994-97
- Porsche 993 (911) C4 1994-97
- Porsche 993 (911) RS 1994-97
- Porsche 993 (911) C2S 1994-97
- Porsche 993 (911) C4S 1994-97
- Porsche 993 (911) TURBO 1994-96
- Porsche 993 (911) GT2 1994-97
- Porsche 993 (911) TURBO S 1994-97
- Porsche 944 2.5L 8V 1982-87
- Porsche 944 2.7L 8V 1988-89
- Porsche 944S 2.5L 16V 1987-88
- Porsche 944S2 3.0L 16V 1989-91
- Porsche 944 Turbo 2.5L 8V 1985-88
- Porsche 944 Turbo 2.5L 8V 1989-91
- Porsche 944 Turbo S 2.5L 8V 1988
保时捷叉臂和衬套 | Design911 悬架组件,用于校准、舒适性和操控精度
叉臂和衬套是保时捷悬架系统的重要组成部分,负责保持精确的车轮定位、平稳的行驶和稳定的操控。叉臂(也称为控制臂)将底盘连接到悬架轮毂,而衬套则在金属部件之间提供缓冲和灵活性。它们共同吸收路面振动、控制几何形状变化并确保精准的转向响应。
Design911 提供全系列叉臂和衬套,精心打造,兼具强度、耐用性和舒适性。我们的零件采用优质合金和高性能橡胶或聚氨酯制成,可提供持久的稳定性和更佳的反馈。无论是用于保养、修复还是性能调校,我们的叉臂和衬套都能帮助您重现保时捷工程的灵敏操控和精致舒适性。
叉骨和叉套起什么作用?
这些部件共同作用,支持悬架运动,同时在负载下保持精确的几何形状。
核心功能:
• 将轮架连接至底盘以实现受控移动。
• 保持正确的外倾角、主销后倾角和前束对齐。
• 减少通过悬架传输的振动和噪音。
• 吸收道路冲击,使驾驶更平稳、更舒适。
• 增强转向精度和操控平衡性。
良好的叉臂和衬套对于保证您的保时捷在所有驾驶条件下都能保持灵敏、可预测和舒适的操控性至关重要。
为什么叉臂和叉套会失效或退化?
持续的压力、环境暴露和道路条件会导致这些部件随着时间的推移而磨损、腐蚀或疲劳。
常见的失败原因包括:
• 磨损或破裂的橡胶衬套会降低悬架稳定性。
• 叉臂腐蚀或疲劳。
• 坑洼或路缘造成的撞击损坏。
• 过度运动导致轮胎磨损不均匀。
• 因老化而导致的振动或敲击噪音。
磨损的叉臂或衬套会导致对准不良、转向间隙、振动和操控精度下降,从而影响舒适性和安全性。
为什么要更换或升级您的保时捷叉臂和衬套?
更换磨损的悬架部件可恢复车辆的校准、操控精度和驾乘舒适度。升级的高性能衬套还能改善反馈并减少车身晃动,是赛道或激情驾驶的理想之选。
主要优点:
• 恢复正确的悬架几何形状和对准。
• 提高转向响应和操纵稳定性。
• 减少振动、刺耳声和噪音。
• 提供标准或性能衬套选项。
• 适用于保时捷 911、Boxster、Cayman、Cayenne、Macan 和 Panamera 车型。
• 非常适合维修、修复或悬架调整项目。
Design911 的保时捷叉臂和衬套提供了保时捷驾驶员所期望的强度、精度和舒适度——确保控制和精致之间的完美平衡。
亮点
• 优质保时捷叉臂和衬套。
• 精密设计,用于对准和悬挂控制。
• 由耐腐蚀合金和高级材料制成。
• 恢复操控精度并减少噪音和振动。
• 适用于现代和经典保时捷车型。
• 非常适合维修、修复或性能升级。