气缸盖/凸轮轴托架
保时捷气缸盖端盖/冷却液出口垫片是一款原厂密封件,专为气缸盖上的冷却液法兰连接而设计。该垫片可确保气缸盖与冷却液出口壳体或软管法兰之间的连接无泄漏,防止冷却液流失,并保持正常的发动机温度调节。
每件均已售出。
每辆车需要 x2。
适合:
- 保时捷 944S 2.5L 16V 1987-88
- 保时捷 944S2 3.0L 16V 1989-91
- 保时捷968 3.0L 1992-94年
- 保时捷 968 运动版 3.0L 1994-95
- 保时捷 968 CS 3.0L 1993-95
- 保时捷 968 Turbo S 3.0L 1993-94
- 保时捷 928S2 4.7L 1985-86
- 保时捷 928S4 5.0L 1987-87
- 保时捷928GTS 5.4L 1992-95年
本产品的作用:
它密封气缸盖和水管或水颈/出口法兰之间的接头,防止冷却剂在该接头处泄漏。
有助于保持冷却系统的完整性,确保冷却剂正确流过头部并流出到冷却回路的其余部分而不会泄漏。
防止冷却剂流失、过热或冷却剂与发动机其他区域混合(例如发动机舱外部泄漏的冷却剂)。
垫圈失效的症状和迹象:
- 冷却液从出水口处的气缸盖/软管连接处周围泄漏。
- 冷却液积聚在发动机下方,尤其是在汽车停下之后。
- 如果冷却回路失压或泄漏,则会导致发动机温度过热或波动。
- 冷却液液位低,但水箱没有明显泄漏。
- 软管/法兰/头部接头周围有腐蚀或生锈的迹象,可能有绿色或白色的残留物。
- 软管连接处下方的头部表面有湿气(冷却剂滴落)。
为什么更换很重要:
- 防止冷却液泄漏
- 保持冷却效率
- 避免昂贵的维修
- 防止腐蚀和残留
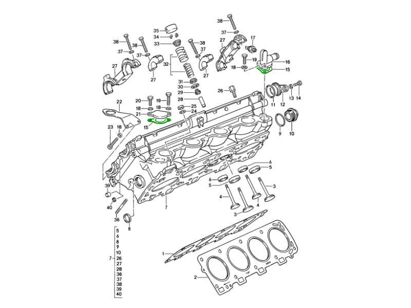
图表参考编号 15
相关参考编号
相关编号、被取代编号、交叉引用编号或替代编号,供比较之用。
92810616701
您正在查看的产品与这些编号存在交叉引用关系
- Porsche 944S 2.5L 16V 1987-88
- Porsche 944S2 3.0L 16V 1989-91
- Porsche 968 3.0L 1992-94
- Porsche 968 Sport 3.0L 1994-95
- Porsche 968 CS 3.0L 1993-95
- Porsche 968 Turbo S 3.0L 1993-94
- Porsche 928S2 4.7L 1984-86
- Porsche 928S4 5.0L 1987-92
- Porsche 928GTS 5.4L 1992-95

Fits:
Porsche 944 2.7L 1989
Porsche 944 S2 3.0L 1989-91
Porsche 968 1992-95
Click 'zoom in' for large parts diagram
Diagram ref no 2.
相关参考编号
相关编号、被取代编号、交叉引用编号或替代编号,供比较之用。
94410439404
您正在查看的产品与这些编号存在交叉引用关系
- Porsche 944 2.7L 8V 1988-89
- Porsche 944S2 3.0L 16V 1989-91
- Porsche 968 3.0L 1992-94
- Porsche 968 Sport 3.0L 1994-95
- Porsche 968 CS 3.0L 1993-95
- Porsche 968 Turbo S 3.0L 1993-94

Fits:
Porsche 944 2.7L 1989
Porsche 944 S2 3.0L 1989-91
Porsche 968 1992-95
Click 'zoom in' for large parts diagram
Diagram ref no 2.
相关参考编号
相关编号、被取代编号、交叉引用编号或替代编号,供比较之用。
94410439404
您正在查看的产品与这些编号存在交叉引用关系
- Porsche 944 2.7L 8V 1988-89
- Porsche 944S2 3.0L 16V 1989-91
- Porsche 968 3.0L 1992-94
- Porsche 968 Sport 3.0L 1994-95
- Porsche 968 CS 3.0L 1993-95
- Porsche 968 Turbo S 3.0L 1993-94
for reconditioned cylinder head only

Fits:
Porsche 944 / 944 S 1989-91
Porsche 968 1992-95
Click 'Zoom in' for large parts diagram.
Diagram ref no 1
相关参考编号
相关编号、被取代编号、交叉引用编号或替代编号,供比较之用。
94410439451
您正在查看的产品与这些编号存在交叉引用关系
- Porsche 944 2.7L 8V 1988-89
- Porsche 944S 2.5L 16V 1987-88
- Porsche 944S2 3.0L 16V 1989-91
- Porsche 968 3.0L 1992-94
- Porsche 968 Sport 3.0L 1994-95
- Porsche 968 CS 3.0L 1993-95
- Porsche 968 Turbo S 3.0L 1993-94

Fits:
Porsche 928 S2 / S4 / GT / GTS (1985-1995)
Porsche 944 S / S2 (1987-1991)
Porsche 968 (1992-1995)
Click 'Zoom in' for large parts diagram.
Diagram ref no 12
相关参考编号
相关编号、被取代编号、交叉引用编号或替代编号,供比较之用。
92810521500
您正在查看的产品与这些编号存在交叉引用关系
- Porsche 944S 2.5L 16V 1987-88
- Porsche 944S2 3.0L 16V 1989-91
- Porsche 968 3.0L 1992-94
- Porsche 968 Sport 3.0L 1994-95
- Porsche 968 CS 3.0L 1993-95
- Porsche 928S2 4.7L 1984-86
- Porsche 928S4 5.0L 1987-92
- Porsche 928GT 5.0L 1989-91
- Porsche 928GTS 5.4L 1992-95

Fits:
Porsche 928 S2 / S4 / GT / GTS (1985-1995)
Porsche 944 S / S2 (1987-1991)
Porsche 968 (1992-1995)
Click 'Zoom in' for large parts diagram.
Diagram ref no 12
相关参考编号
相关编号、被取代编号、交叉引用编号或替代编号,供比较之用。
92810521500
您正在查看的产品与这些编号存在交叉引用关系
- Porsche 944S 2.5L 16V 1987-88
- Porsche 944S2 3.0L 16V 1989-91
- Porsche 968 3.0L 1992-94
- Porsche 968 Sport 3.0L 1994-95
- Porsche 968 CS 3.0L 1993-95
- Porsche 928S2 4.7L 1984-86
- Porsche 928S4 5.0L 1987-92
- Porsche 928GT 5.0L 1989-91
- Porsche 928GTS 5.4L 1992-95
Fits:
Porsche 924 S 1986-88
Porsche 928 S4 / GT / GTS 1987-95
Porsche 944 1982-91
Porsche 968 1992-95
Click 'Zoom in' for large parts diagram.
Diagram ref no 40
相关参考编号
相关编号、被取代编号、交叉引用编号或替代编号,供比较之用。
94410422900
您正在查看的产品与这些编号存在交叉引用关系
- Porsche 924S 2.5L 1986-87
- Porsche 924S 2.5L 1988
- Porsche 944 2.5L 8V 1982-87
- Porsche 944 2.7L 8V 1988-89
- Porsche 944S 2.5L 16V 1987-88
- Porsche 944S2 3.0L 16V 1989-91
- Porsche 944 Turbo 2.5L 8V 1985-88
- Porsche 944 Turbo 2.5L 8V 1989-91
- Porsche 944 Turbo S 2.5L 8V 1988
- Porsche 968 3.0L 1992-94
- Porsche 968 Sport 3.0L 1994-95
- Porsche 968 CS 3.0L 1993-95
- Porsche 968 Turbo S 3.0L 1993-94
- Porsche 928S4 5.0L 1987-92
- Porsche 928GT 5.0L 1989-91
- Porsche 928GTS 5.4L 1992-95
#ARP#
適用於:
保时捷 944 S2 1989-91
保时捷 968 1992-95 M44.41
单击“放大”可查看大部件图。
图表参考编号 29
相关参考编号
相关编号、被取代编号、交叉引用编号或替代编号,供比较之用。
94410119703
您正在查看的产品与这些编号存在交叉引用关系
- Porsche 944S2 3.0L 16V 1989-91
- Porsche 968 3.0L 1992-94
- Porsche 968 Sport 3.0L 1994-95
- Porsche 968 CS 3.0L 1993-95
- Porsche 968 Turbo S 3.0L 1993-94
#保时捷#
適用於:
保时捷 944 3.0L S2 1989-91
保时捷 968 1992-95
单击“放大”可查看大部件图。
图表参考编号 29
相关参考编号
相关编号、被取代编号、交叉引用编号或替代编号,供比较之用。
94410119703
您正在查看的产品与这些编号存在交叉引用关系
- Porsche 944S2 3.0L 16V 1989-91
- Porsche 968 3.0L 1992-94
- Porsche 968 Sport 3.0L 1994-95
- Porsche 968 CS 3.0L 1993-95
- Porsche 968 Turbo S 3.0L 1993-94

適用於:
保时捷 968 3.0L 仅适用于工厂铝孔
缸径:104.50mm
行程:150mm
杆:150mm
高度:36mm
销直径:24mm
重量组别:501g
特殊订单 8-10 周
相关参考编号
相关编号、被取代编号、交叉引用编号或替代编号,供比较之用。
930130214
您正在查看的产品与这些编号存在交叉引用关系
- Porsche 968 3.0L 1992-94
- Porsche 968 Sport 3.0L 1994-95
- Porsche 968 CS 3.0L 1993-95
- Porsche 968 Turbo S 3.0L 1993-94

適用於:
保时捷 968 1992-95 发动机代码:4443 / 4444
保时捷 928 S 1985-86 发动机代码:2843 / 2844 / 2845 / 2846
保时捷 928 S4 / GT 1987-91 发动机代码:2841 / 2842 / 2847
保时捷 928 GTS 1992-95 发动机代码:2849 / 2850
保时捷 944 S 2.5L 1985-88 发动机代码:4440
保时捷 944 S2 3.0L 1989-91 发动机代码:4441
图表参考编号 21
相关参考编号
相关编号、被取代编号、交叉引用编号或替代编号,供比较之用。
92810520500
您正在查看的产品与这些编号存在交叉引用关系
- Porsche 944S 2.5L 16V 1987-88
- Porsche 944S2 3.0L 16V 1989-91
- Porsche 968 3.0L 1992-94
- Porsche 968 Sport 3.0L 1994-95
- Porsche 968 CS 3.0L 1993-95
- Porsche 968 Turbo S 3.0L 1993-94
- Porsche 928S2 4.7L 1984-86
- Porsche 928S4 5.0L 1987-92
- Porsche 928GT 5.0L 1989-91
- Porsche 928GTS 5.4L 1992-95
精密气缸盖和凸轮轴盖——保时捷车型的发动机保护和性能
气缸盖和凸轮轴罩在保护气门传动机构、凸轮轴和气缸盖等关键发动机部件免受灰尘、碎屑和油污侵害方面发挥着至关重要的作用。除了提供保护之外,它们还能确保良好的油封和通风,从而维持发动机内部的润滑和压力平衡。
Design911 为经典和现代保时捷发动机提供各种精密设计的气缸盖和凸轮轴罩。这些罩壳采用优质铝、镁和复合材料精心打造,完美贴合,持久可靠,同时保留了保时捷高性能传承所追求的简洁专业外观。
无论您是修复风冷 911 还是维修高输出 992,我们制造商品质的组件都能确保无泄漏运行和卓越的耐用性。
气缸盖和凸轮轴盖起什么作用?
这些部件是发动机气门机构和上部油道的保护壳。它们可以阻挡污染物,控制内部压力,并有助于维持持续润滑。
核心功能:
- 密封发动机上部区域,防止漏油和污染。
- 保护凸轮轴和气门机构免受碎屑和湿气的侵害。
- 调节曲轴箱通风,支持最佳发动机呼吸。
- 保持正确的油流量以提高冷却和润滑效率。
它们不仅对于可靠性至关重要,而且对于维护保时捷发动机舱的外观和机械完整性也至关重要。
为什么气缸盖/凸轮轴盖会失效?
随着时间的推移,高温、高压和油污会损坏材料、密封件和垫圈。这些问题可能导致泄漏、通风不良,甚至在极端情况下导致缺油。
常见的失败原因包括:
- 反复的热循环导致盖子破裂或变形。
- 密封件或垫圈老化,导致漏油。
- 紧固件松动或疲劳,导致密封压力不均匀。
- 通气通道堵塞,内部压力增加。
- 旧发动机的腐蚀或污染。
更换磨损的盖子和密封件可恢复油控制,防止泄漏,并保持发动机的长期健康。
为什么要更换精密设计的盖子?
升级或更换您的盖子可确保您的保时捷发动机按预期运行 - 无泄漏、通风良好且外观清洁。
主要优点:
- 恢复密封性能并消除漏油。
- 保护重要的气门机构部件免受灰尘和碎屑的侵害。
- 保持适当的曲轴箱压力和油控制。
- 采用优质材料制成,具有出色的耐热性和耐腐蚀性。
- 完美的装配和表面处理,确保长期可靠性。
- 兼容多种保时捷车型,从经典车型到现代 GT 车型。
精密的盖子也增强了发动机的美观度,保持了保时捷车主所期望的精致外观。
亮点:
- 适用于保时捷发动机的高强度气缸盖和凸轮轴盖。
- 精密加工的密封表面,具有长期的防油性能。
- 制造商品质的材料——铝、镁和复合材料选项。
- 改善油控制和内部通风。 非常适合发动机重建、升级或修复。
- 兼容风冷和水冷保时捷车型。