在此输入您的增值税号,然后单击验证:
您的详细信息已经过验证。增值税号注册至:
,
。
现在,您的订单的增值税税率为零。我们保留在您提出订单请求后验证这些详细信息的权利,并在需要时恢复增值税。
您的增值税详细信息无法识别或无效。您的增值税号必须与上面指定的帐单国家/地区相匹配。当前指定为 。您无需输入增值税号的国家/地区代码部分,因为已在上面的帐单地址详细信息中选择了该部分。
增值税号查询服务目前已离线。请在下面的评论或特殊说明字段中提供您的增值税详细信息,我们将在您提出订单请求后应用增值税折扣。
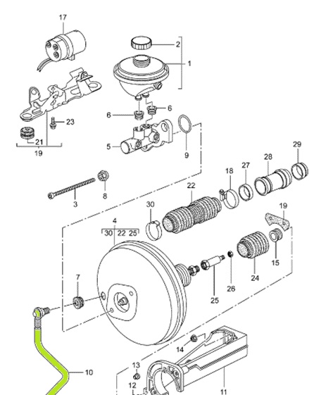
制动伺服装置 | 助力器
Fits:
Porsche 986 Boxster 1997-00
upto chassis numbers:
>> WP0ZZZ98ZYS600434
>> WP0ZZZ98ZYU600165
>> WP0ZZZ98ZYS640520
>> WP0ZZZ98ZYU640062
Porsche 996 1998-00
upto chassis numbers:
>> WP0ZZZ99ZYS600595
>> WP0ZZZ98ZYS640393
Porsche 996 GT3 1998-00
upto chassis numbers:
>> WP0ZZZ99ZYS690531
Click 'Zoom in' for large parts diagram.
Diagram ref no 18, 22, 27, 28, 29 and 30.
相关参考编号
相关编号、被取代编号、交叉引用编号或替代编号,供比较之用。
00004320466
您正在查看的产品与这些编号存在交叉引用关系
- Porsche Boxster 986 2.5L 1997-99
- Porsche Boxster 986 2.7L 1999-02
- Porsche Boxster S 986 3.2L 1999-02
- Porsche 996 C2 3.4L 1997-08/01
- Porsche 996 C4 3.4L 1997-08/01
- Porsche 996 GT3 MKI 1999-02
- Porsche Cayman S 3.4L 987C 2005-08
Fits:
Porsche 986 Boxster 1997-04
Porsche 987 Boxster S 2005-08 (I450 - cars with Ceramic Brake)
Porsche 987C Cayman S / Cayman R 2005-08 (I450- cars with Ceramic Brake)
Porsche 996 Carrera 1998-05
Porsche 996 Turbo 2001-05
Click 'Zoom in' for large parts diagram
Diagram ref no 4
相关参考编号
相关编号、被取代编号、交叉引用编号或替代编号,供比较之用。
99635592300
您正在查看的产品与这些编号存在交叉引用关系
- Porsche Boxster 986 2.5L 1997-99
- Porsche Boxster 986 2.7L 1999-02
- Porsche Boxster S 986 3.2L 1999-02
- Porsche Boxster 986 2.7L 2003-04
- Porsche Boxster S 986 3.2L 2003-04
- Porsche Boxster 987 S 3.2/3.4L 2005-08/08
- Porsche 996 C2 3.4L 1997-08/01
- Porsche 996 C4 3.4L 1997-08/01
- Porsche 996 C2 3.6L 09/01-2005
- Porsche 996 C4 3.6L 09/01-2005
- Porsche 996 C4S 3.6L 09/01-2005
- Porsche 996 TURBO 2000-05
- Porsche Cayman S 3.4L 987C 2005-08

制动液是汽车中最重要的液体之一,如果没有它,就不可能安全地停车。制动液将驾驶员踩在制动踏板上的力传递到车轮制动器上。
为了确保制动器完美运行,必须在检查或维护期间定期更换制动液,并使用正确的制动液测试仪进行测试。
每两年应更换一次刹车油。
DOT 等级越高,沸腾温度和湿沸点就越高。较高的 DOT 等级往往允许更长的维护间隔。DOT 标准基于美国运输部 (DOT) 的 FMVSS-116 标准。
沸点和粘度
干沸点- 描述密封的新制动液的特性。在这种状态下,制动液几乎无水(不含水的物质)。干沸点通常在 240 至 280°C 之间。
湿沸点- 确定制动液在其使用寿命结束时的特性,当含水量达到 3.5% 时,应更换制动液。此定义的湿沸点不得低于该值。
粘度——描述刹车液的流速。粘度越低,刹车液流经刹车系统的速度越快,刹车信号的传输速度也越快。
重要笔记
• 刹车油有毒,属于危险废物。
• 更换时要小心。液体会削弱油漆和塑料。
• 不得接触眼睛或皮肤。务必用水冲洗溢出的液体。
• 请勿将液体倒入饮用水中或与废油混合。
• 刹车液的颜色不能反映其质量。
• 制动液应存放在原包装中,并存放在干燥、阴凉且通风良好的地方。
点击此处了解 Textar 产品验证
#布雷博#
点4
沸点极高,粘度低于要求,符合甚至远远超出监管标准。也适用于配备 ABS 的车辆。
气锁形成
这种习惯很容易导致“气锁”现象,即制动液沸腾时形成的气泡会取代正常液体并被压缩,从而使制动踏板进入填充状态(海绵踏板)。其根源在于构成制动回路的管道的孔隙度,这些管道会及时将水分吸入液体中,从而大大降低沸点。结果就是制动效率降低。
Brembo 优质刹车液
Brembo Premium 制动液的沸点高于标准,因此具有出色的抗气锁性能,即使在低温下也能确保制动效率。Brembo 制动液具有高防腐性和抗氧化性,还可使液体在工作回路中的化学/物理特性长期保持不变,从而保持其完整性。
相关参考编号
相关编号、被取代编号、交叉引用编号或替代编号,供比较之用。
L040
您正在查看的产品与这些编号存在交叉引用关系
刹车液 DOT 4 LV(低粘度)Textar。
#文本#
Textar DOT 4 LV(低粘度)特别推荐用于配有 ESP、ABS 和 ASR 的车辆的液压制动器和离合器系统,它具有高沸点和在极低温度下出色的性能。
DOT 4 LV (低粘度)
干沸点≥260°C
湿沸点≥165℃
-40C 时粘度 < 750 mm2 /s
制动液是汽车中最重要的液体之一,如果没有它,就不可能安全地停车。制动液将驾驶员踩在制动踏板上的力传递到车轮制动器上。
为了确保制动器完美运行,必须在检查或维护期间定期更换制动液,并使用正确的制动液测试仪进行测试。
每两年应更换一次刹车油。
DOT 等级越高,沸腾温度和湿沸点就越高。较高的 DOT 等级往往允许更长的维护间隔。DOT 标准基于美国运输部 (DOT) 的 FMVSS-116 标准。
沸点和粘度
干沸点- 描述密封的新制动液的特性。在这种状态下,制动液几乎无水(不含水的物质)。干沸点通常在 240 至 280°C 之间。
湿沸点- 确定制动液在其使用寿命结束时的特性,当含水量达到 3.5% 时,应更换制动液。此定义的湿沸点不得降低。<
粘度——描述刹车液的流速。粘度越低,刹车液流经刹车系统的速度越快,刹车信号的传输速度也越快。
重要笔记
• 刹车油有毒,属于危险废物。
• 更换时要小心。液体会削弱油漆和塑料。
• 不得接触眼睛或皮肤。务必用水冲洗溢出的液体。
• 请勿将液体倒入饮用水中或与废油混合。
• 刹车液的颜色不能反映其质量。
• 制动液应存放在原包装中,并存放在干燥、阴凉且通风良好的地方。
点击此处了解 Textar 产品验证
相关参考编号
相关编号、被取代编号、交叉引用编号或替代编号,供比较之用。
95006
您正在查看的产品与这些编号存在交叉引用关系
#文本#
制动液是汽车中最重要的液体之一,如果没有它,就不可能安全地停车。制动液将驾驶员踩在制动踏板上的力传递到车轮制动器上。
为了确保制动器完美运行,必须在检查或维护期间定期更换制动液,并使用正确的制动液测试仪进行测试。
每两年应更换一次刹车油。
DOT 等级越高,沸腾温度和湿沸点就越高。较高的 DOT 等级往往允许更长的维护间隔。DOT 标准基于美国运输部 (DOT) 的 FMVSS-116 标准。
沸点和粘度
干沸点- 描述密封的新制动液的特性。在这种状态下,制动液几乎无水(不含水的物质)。干沸点通常在 240 至 280°C 之间。
湿沸点- 确定制动液在其使用寿命结束时的特性,当含水量达到 3.5% 时,应更换制动液。此定义的湿沸点不得低于该值。
粘度——描述刹车液的流速。粘度越低,刹车液流经刹车系统的速度越快,刹车信号的传输速度也越快。
重要笔记
• 刹车油有毒,属于危险废物。
• 更换时要小心。液体会削弱油漆和塑料。
• 不得接触眼睛或皮肤。务必用水冲洗溢出的液体。
• 请勿将液体倒入饮用水中或与废油混合。
• 刹车液的颜色不能反映其质量。
• 制动液应存放在原包装中,并存放在干燥、阴凉且通风良好的地方。
点击此处了解 Textar 产品验证
相关参考编号
相关编号、被取代编号、交叉引用编号或替代编号,供比较之用。
95002
您正在查看的产品与这些编号存在交叉引用关系
Seal ring brake master cylinder. 
Fits:
Porsche 996 - 1997 to 2005
Porsche 986 Boxster - 1997 to 2004
Click 'Zoom in' for large parts diagram.
Diagram ref no 9
相关参考编号
相关编号、被取代编号、交叉引用编号或替代编号,供比较之用。
99635591200
您正在查看的产品与这些编号存在交叉引用关系
- Porsche Boxster 986 2.5L 1997-99
- Porsche Boxster 986 2.7L 1999-02
- Porsche Boxster S 986 3.2L 1999-02
- Porsche Boxster 986 2.7L 2003-04
- Porsche Boxster S 986 3.2L 2003-04
- Porsche 996 C2 3.4L 1997-08/01
- Porsche 996 C4 3.4L 1997-08/01
- Porsche 996 C2 3.6L 09/01-2005
- Porsche 996 C4 3.6L 09/01-2005
- Porsche 996 C4S 3.6L 09/01-2005
- Porsche 996 TURBO 2000-05
- Porsche 996 GT2 2001-05
- Porsche 996 GT3 MKI 1999-02
- Porsche 996 GT3 MKII 2003>>
- Porsche 996 GT3 RS 2003-04

适合:
保时捷 986 Boxster - 2004 年
保时捷 996 Carrera 2 - 2004 年至 2005 年
对于带有选项代码的汽车
996
M338 - 后轮驱动
M476 - 保时捷稳定管理系统
单击“放大”可查看大部件图。
图表参考编号 10
相关参考编号
相关编号、被取代编号、交叉引用编号或替代编号,供比较之用。
99635557806
您正在查看的产品与这些编号存在交叉引用关系
- Porsche Boxster 986 2.7L 2003-04
- Porsche Boxster S 986 3.2L 2003-04
- Porsche 996 C2 3.6L 09/01-2005
- Porsche 996 C4 3.6L 09/01-2005
保时捷制动伺服器/助力器 | Design911 精密替换零件,增强制动力和控制力
制动助力器,也称为制动助力器,是保时捷制动系统中的关键部件。它利用发动机真空或液压来增强施加在制动踏板上的力度,使制动更平顺、响应更灵敏,并减少对身体的负担。正常工作的助力器可确保轻松制动,并保持保时捷标志性的踏板感。当助力器出现故障时,踏板压力会增加,制动性能也会下降——因此,为了安全和舒适,更换助力器至关重要。
Design911 提供种类繁多的制动伺服器和助力器,其设计旨在实现精准匹配和长期可靠性。每个单元均采用优质材料和先进的密封技术制造,以提供持续的真空助力和液压完整性。无论是道路使用、车辆修复还是性能升级,我们的制动伺服器都能确保您的保时捷获得应有的精准制动。
制动伺服器/助力器起什么作用?
制动伺服器将制动踏板的力倍增,然后再将其传输到主缸,从而减少了减速车辆所需的力。
核心功能:
• 增强踏板力,提高制动效率。
• 提供平稳、灵敏的制动踏板感觉。
• 支持在不同速度下保持一致的制动性能。
• 帮助驾驶员在减速时保持舒适度和控制力。
• 与 ABS 和稳定系统协同工作,确保平衡和安全。
高效的伺服系统可确保您的保时捷制动具有其设计的精度、强度和响应能力。
为什么制动伺服器/助力器会发生故障或性能下降?
随着时间的推移,伺服器会受到真空压力、湿气和机械磨损的影响,这些都会影响其内部密封、隔膜或阀门。
常见的失败原因包括:
• 因隔膜磨损或破裂而导致真空泄漏。
• 腐蚀或湿气侵入影响内部组件。
• 止回阀损坏或密封件损坏。
• 由于发动机问题导致真空供应减少。
• 助推器机构因年久而磨损。
当伺服器发生故障时,驾驶员可能会遇到刹车踏板过硬、停车距离增加或制动辅助不一致的情况,从而影响安全性和性能。
为什么要更换或升级您的保时捷制动伺服器/助力器?
更换故障或低效的制动助力器可恢复正确的制动辅助,并确保安全、可预测的制动响应。Design911 的精密设计助力器经久耐用,可直接安装,并兼容各种保时捷车型。
主要优点:
• 恢复适当的制动辅助和踏板感觉。
• 提高制动舒适度和控制力。
• 采用耐腐蚀材料制成,经久耐用。
• 专为一致的真空和液压性能而设计。
• 直接安装设计确保轻松安装。
• 适用于经典和现代保时捷车辆。
Design911 的保时捷制动伺服器和助力器可为各种驾驶情况(从城市交通到高速性能)提供所需的信心和可靠性。
亮点
• 优质保时捷制动伺服器和助力器。
• 精密设计,提高液压和真空效率。
• 恢复轻松的制动力和平稳的踏板响应。
• 耐腐蚀结构,使用寿命长。
• 非常适合性能、恢复或维护应用。
• 兼容多种保时捷车型。