OE Match
OE Match is a brand that provides a wide range of Porsche components, from gaskets to suspension hardware, engine parts, and interior trim. Over 4,000 individual part numbers, and over 8,700 OE cross-references catalogued, and are constantly developing new lines.
OE Match has over 100 new products currently in the engineering phase, which will be quality-controlled and added to their catalog. The mission is to keep all Porsche vehicles on the road by offering a vast selection of parts that can address various problems across different Porsche generations.
Restore the precise oil supply path for your Porsche 911’s timing chain assembly with this feed line extension. Designed for left-side feed from camshaft to chain tensioner in 911 models (1978-83 3.0 L/SC and 1984-89 3.2 L), this oil line ensures correct oil delivery, tensioner performance and timing stability.
Fits:
- Porsche 911 1974-1977 2.7L / 1976-77 3.0 Carrera
- Porsche 911 1978-1983 3.0L / SC
- Porsche 911 1984-1986 3.2L
- Porsche 911 1987-1989 3.2L G50
- Porsche 911 1978-1989 3.3L Turbo (930)
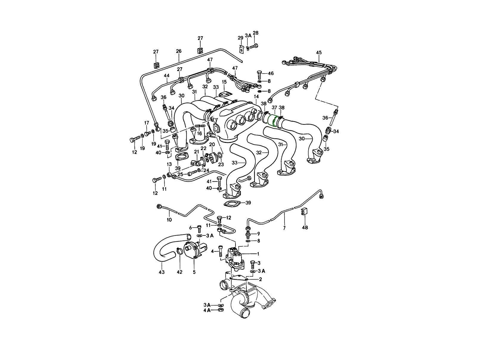
Diagram Ref No 9
What This Product Does:
- This oil line extension carries high-pressure oil from the camshaft feed (or appropriate oil gallery) to the timing chain tensioner mechanism. The tensioner ensures correct chain slack and timing of the engine’s valve train.
- Because the timing chain system is under constant stress (heat, RPM, vibration), the feed line must maintain integrity, correct diameter, correct routing, correct fittings and leak-free operation to protect the chain drive system.
Symptoms & Signs It May Need Replacement:
- Oil leakage around the chain-cover region, especially on the driver’s side near the timing chain housing or tensioner.
- Excess chain noise or slapping from the timing chain area — a failing feed line could reduce tensioner performance, allowing slack.
- Low oil pressure or warning associated with engine timing assembly (though this is less direct).
- During engine rebuild or timing chain service: if the original line is old, has suffered heat damage, is bent, kinked, or the wrong specification, replacement is highly recommended.
Why Replacement Matters:
- Protects critical components: The timing chain and tensioner are essential for proper valve timing; a failure here can lead to engine damage. A compromised oil feed line undermines that.
- Cost-effective preventative maintenance: Since access to the timing chain housing is complex (engine removal or major cover removal), replacing this feed line while you’re already working on the engine is much cheaper than later diagnosing a failure.
Related reference numbers
Related, superseded, cross reference or alternative numbers for comparison.
93010734715
The product you are viewing cross references to these numbers
- Porsche 911 1974-1977 2.7L / 1976-77 3.0 Carrera
- Porsche 911 1978-1983 3.0L / SC
- Porsche 911 1984-1986 3.2L
- Porsche 911 1987-1989 3.2L G50
- Porsche 911 1978-1989 3.3L Turbo (930)
Ensure proper oil supply to your timing chain tensioner with this oil line for the right-hand side. Designed for Porsche 911 models (1978-89) and Porsche 964 Turbo 3.3L (1991-93), this line delivers pressurised oil from the camshaft feed to the chain tensioner unit, maintaining correct chain tension and timing accuracy.
Fits:
- Porsche 911 1978-1983 3.0L / SC
- Porsche 911 1984-1986 3.2L
- Porsche 911 1987-1989 3.2L G50
- Porsche 964 (911) TURBO 3.3L 1991-93
Diagram Ref No 15
What This Product Does:
- The oil line delivers oil at pressure to the timing chain tensioner assembly (or chain guide/tensioner unit) on the right-hand side of the engine, ensuring the timing chain remains properly tensioned and lubricated.
- By maintaining correct oil flow, the tensioner can adjust chain slack, reduce vibration, ensure timing accuracy, and avoid premature wear.
- Because of the high-stress environment (heat, vibration, chain loads), the line must be in good condition, correctly fitted, and leak-free to maintain timing system health.
Symptoms & Signs You May Need Replacement:
- Oil leakage around the line, its fittings, or in the timing cover area, especially on the right-side chain housing. Since this is an oil line under pressure, any seepage or wetness is a warning.
- Low oil pressure or warning light tied to the tensioner circuit; if the tensioner isn’t getting oil it may cause slack in the chain and abnormal noise.
- Timing chain noise: rattling, clatter or slapping chains on the right side (chain tensioner unable to maintain correct tension because oil feed is blocked or leaking).
- During engine rebuild or timing cover removal: If you’re servicing the timing system, and the oil line is original or worn, it’s wise to replace it while accessible.
- Crucial for timing chain health: The tensioner system’s performance relies on this oil feed line; failure can lead to chain stretch/jump, catastrophic timing issues or engine damage.
- Maintains engine reliability: A faulty oil line might cause oil starvation or reduction in tensioner performance, which in a high-revving flat-six engine can lead to expensive damage.
- Ease during service: During engine or timing chain work, replacing this line avoids returning later for failure. Since access requires removal of timing covers or partial engine disassembly, proactive replacement is cost-effective.
Related reference numbers
Related, superseded, cross reference or alternative numbers for comparison.
93010734818
The product you are viewing cross references to these numbers
- Porsche 911 1978-1983 3.0L / SC
- Porsche 911 1984-1986 3.2L
- Porsche 911 1987-1989 3.2L G50
- Porsche 964 (911) TURBO 3.3L 1991-93
Complete Strut Assembly Kit for Porsche 996 911 (Carrera 4 / 4S / Turbo)
Restore the precise ride quality and confident handling your 996 911 was built for. Over time, struts wear gradually under normal driving conditions, making changes in handling hard to notice until performance declines. This complete strut assembly kit includes nearly everything you need to replace your worn components and bring your suspension back to life.
Each kit includes:
- Front and rear struts
- Strut mounts and bearings
- Bump stops
- Required hardware
With new struts installed, you’ll experience sharper handling, smoother ride quality, reduced braking distances, and more even tire wear.
Note: There are two available spring seat isolator sizes — 3.0mm (99634352500) and 6.5mm (99634352501) — sold separately. Please measure your existing isolator to ensure the correct size for your vehicle.
Additional information:
Coil springs are not included and can be purchased separately if needed.
Original washers and spacers can typically be reused, provided they show no signs of physical damage upon inspection.
Fits:Porsche 996 3.4L Carrera 4
Porsche 996 3.6L Carrera 4
Porsche 996 3.6L Carrera 4S
Porsche 996 3.6L Turbo
Porsche 996 3.6L Turbo S
Cars with and without sport suspension.
Restore your C4 four wheel drive ride comfort and handling with a complete Suspension Strut Assembly Kit. This kit includes replacement struts (shock absorbers) and essential mounting components designed to bring your suspension system back to factory performance.
Struts are critical to controlling your vehicle’s stability by absorbing bumps and managing the rebounding motion of the springs. When they wear out, ride quality and handling can decline gradually over time.
Common Signs of Worn or Failing Struts
- Bouncy ride: The vehicle continues to bounce after hitting a bump.
- Nose dive when braking: The front end dips noticeably under braking.
- Excessive body roll: The car leans or feels unstable when cornering.
- Uneven tire wear: Tires show irregular wear patterns such as cupping or scalloping.
- Fluid leaks: Visible oil or fluid seeping from the strut body.
Replacing your struts restores proper suspension damping, improves ride comfort, enhances stability, and helps extend tyres life.
Related reference numbers
Related, superseded, cross reference or alternative numbers for comparison.
99634304339
The product you are viewing cross references to these numbers
- Porsche 996 C4 3.4L 1997-08/01
- Porsche 996 C4 3.6L 09/01-2005
- Porsche 996 C4S 3.6L 09/01-2005
- Porsche 996 TURBO 2000-05
Restore the front mounting integrity of your Porsche 911 Targa’s / Cabrio's roof mechanism with this repair mount. Specifically designed for 911 Targa (1967-1985) and Cabriolet models (1982-1985), this kit includes 2 mounts and tension springs to replace worn or damaged front roof attachment points.
Fits:
- Porsche 911 1965-1968 2.0L / 912 SWB (F)
- Porsche 911 1968-1973 2.2L / 2.4L / 2.7L RS LWB (F)
- Porsche 911 1974-1977 2.7L / 1976-77 3.0 Carrera
- Porsche 911 1978-1983 3.0L / SC
- Porsche 911 1984-1986 3.2L
- Porsche 911 1975-1977 3.0L Turbo (930)
- Porsche 911 1978-1989 3.3L Turbo (930)
Fits On To Diagram Ref No 3
What This Product Does:
- The Targa roof or Convertible top mechanism on classic 911s uses mounts/attachments to latch, pivot or tension the roof panel correctly.
- This repair mount is likely a small but critical component: it could serve as a mount point or pivot for the front Targa roof bar, or the latch/hinge assembly.
- The included tension spring suggests it plays a role in the roof-mechanism’s spring-loaded or tensioned latch/pivot function.
- Because it is labeled “repair mount”, it is likely used when the original mount has worn, broken, or been replaced incorrectly.
Signs You Might Need It:
- The roof panel doesn’t line up correctly, has excessive play, or the front bar doesn’t seat flush with the body when the roof is closed.
- The roof mechanism (especially the front section) feels loose or worn, or you find the mount/pivot is broken, cracked or missing.
- The tension spring associated with the mount is missing, fatigued, weak or broken, causing the roof latch not to hold firmly.
- During a restoration or refurb, the original mount is corroded, has poor repair history, or rust has eaten the mounting point.
- The roof could be mis-aligned, rattles, leaks at the front edge, or the roof bar is not seating properly — indicating the mount that holds the bar might have failed.
Why Replacement Matters:
- Roof integrity & alignment: The roof’s fit and finish depend on correct mounts and tensioning. A worn mount can lead to misalignment, water ingress, wind noise and reduced value.
- Correct operation: The roof mechanism must pivot, latch and hold reliably. A compromised mount can affect the reliable opening/closing of the roof.
- Preserves structural & aesthetic value: On classic 911 models, original mechanism parts matter for authenticity, fitment and resale.
- Prevents further damage: A faulty mounting point can lead to stress on adjacent components (roof bar, hinge, seals) — replacing the mount helps prevent accelerated wear.
Related reference numbers
Related, superseded, cross reference or alternative numbers for comparison.
91156503141
The product you are viewing cross references to these numbers
- Porsche 911 1965-1968 2.0L / 912 SWB (F)
- Porsche 911 1968-1973 2.2L / 2.4L / 2.7L RS LWB (F)
- Porsche 911 1974-1977 2.7L / 1976-77 3.0 Carrera
- Porsche 911 1978-1983 3.0L / SC
- Porsche 911 1984-1986 3.2L
- Porsche 911 1975-1977 3.0L Turbo (930)
- Porsche 911 1978-1989 3.3L Turbo (930)
Restore the precision of your Porsche flat-six engine’s timing chain drive with this sprocket or intermediate shaft gear. Designed for Porsche 911/912 (verify engine code and part number), this sprocket mounts on the intermediate shaft and works in conjunction with the timing chain to drive the camshafts and maintain correct valve timing.
Fits:
- Porsche 911 1965-1968 2.0L / 912 SWB (F)
Fits On To Diagram Ref No 43
What This Product Does:
- The timing chain sprocket mounted on the intermediate shaft enables the correct transfer of rotational motion from the crank and timing chain to the camshaft drive or auxiliary drive components. In essence, it ensures proper timing of the valve train.
- The intermediate shaft (IMS) inside many Porsche air-cooled flat-six engines sits between the crankshaft and camshafts; the sprocket is part of that chain/gear drive mechanism. If the sprocket is worn, mis-dimensioned or damaged, then the timing chain may skip or the cam timing may drift.
- Because this component sits within the timing chain gear housing, correct fitment, tooth profile, heat-treatment, alignment and material spec matter a lot for high RPM reliability.
Symptoms & Signs You Might Need Replacement:
- Timing chain noise: rattling, clatter or audible chain slap in the timing chain housing, especially after startup or under load — this may indicate the sprocket tooth profile or mounting is compromised.
- Warning lights or mis-firing: If engine timing is off, cylinder performance may suffer, you might get rough running, mis-fires, or even engine damage.
- Wear/physical damage: On inspection of the sprocket, if tooth faces are chipped, worn, suspiciously polished, or suspect in dimension, replacement is required.
- During engine rebuild: If you are opening the timing chain case (IMS housing) or rebuilding the engine, it is good practice to replace the sprocket while access is open — because even if it looks OK, it’s a high-stress part and cheap insurance compared to major failure.
- High mileage or vintage engine: Because wear accumulates over decades, even if performance seems OK you might choose proactive replacement to avoid future major engine work.
- Engine timing integrity: The sprocket is a critical part of the chain drive that controls valve timing. A damaged sprocket could result in chain jump, incorrect cam timing, possible valve‐to‐piston contact or catastrophic failure.
- Longevity and reliability: Since this part operates hidden within the timing cover, failure often means heavy labour (engine out or major removal). Getting it right the first time reduces risk of future repair.
- Economical preventive maintenance: While replacing a sprocket adds cost at rebuild time, it’s far less expensive than engine damage that might result from a worn or failing sprocket – so replacing proactively is a wise choice.
Related reference numbers
Related, superseded, cross reference or alternative numbers for comparison.
90110501312
The product you are viewing cross references to these numbers
- Porsche 911 1965-1968 2.0L / 912 SWB (F)
This fog lamp set is engineered to replicate the original Porsche front bumper fog lights in every detail. Each unit matches the factory housing, lens design, mounting points, and light output, ensuring perfect alignment, reliable performance, and a seamless OEM appearance on your Porsche.
SET OF 2, for left and right side.
Fits:
Porsche 955 Cayenne 2005 - 2006 (cars with Aerokit package)
Porsche 958 Cayenne 2011 - 2017
Porsche 95B.1 Macan 2014 - 2018
The fog lamp assembly provides additional forward lighting under low-visibility conditions, projecting a wide, low beam pattern to illuminate the road ahead in fog, rain or snow. It complements the main headlamps by reducing glare and improving driver visibility in adverse weather.
Over time, fog lamps can deteriorate due to exposure to road debris, moisture, and heat. Lenses may turn cloudy, seals can fail, and reflectors lose brightness - all of which reduce visibility and compromise safety.
Replace your fog lamp when:
• The lens is cracked, yellowed, or foggy.
• Moisture or condensation forms inside the housing.
• The beam pattern appears dim or uneven.
• The lamp assembly is damaged from an impact or corrosion.
• You’re restoring your Porsche and want a clean, factory-fresh look.
Installing a high-quality fog lamp restores clear illumination, correct beam focus, and the original visual appeal of your Porsche’s front end.
Related reference numbers
Related, superseded, cross reference or alternative numbers for comparison.
95563116300
The product you are viewing cross references to these numbers
- Porsche 955 Cayenne 3.2L V6 2003-06
- Porsche 955 Cayenne S 4.5L V8 2003-06
- Porsche 955 Cayenne Turbo 4.5L 2003-06
- Porsche 955 Cayenne Turbo S 4.5L 2006>>
- Porsche 958 Cayenne V6 3.6L Petrol 300Hp 2010-17
- Porsche 958 Cayenne V6 3.0L Diesel 245HP 2010-17
- Porsche 958 Cayenne S V6 3.0L Hybrid 380HP 2010-17
- Porsche 958 Cayenne S V8 4.8L Petrol 400HP 2010-17
- Porsche 958 Cayenne S V8 4.2L Diesel 382HP 2010-17
- Porsche 958 Cayenne GTS V8 4.8L Petrol 400HP 2010-17
- Porsche 958 Cayenne Turbo V8 4.8L Petrol 500HP 2010-17
- Porsche 958 Cayenne Turbo S V8 4.8L Petrol 550HP 2010-17
- Porsche 95B.1 Macan Petrol 2.0L 237Bhp 2014-18
- Porsche 95B.1 Macan S Petrol 3.0L V6 340Bhp 2014-18
- Porsche 95B.1 Macan S Diesel 3.0L V6 258Bhp 2014-18
- Porsche 95B.1 Macan Turbo 3.6L V6 400Bhp 2014-18
These precision moulded rings sit between the rear shock absorber and its mounting point, ensuring a snug, vibration free fit. Over time, the original rubber rings can compress, harden or split, leading to unwanted movement or clunking noises from the suspension. Manufactured to OEM dimensions using high grade elastomer, this pair provides a simple, cost effective solution to maintain proper suspension alignment and comfort.
Fits:
Porsche 993 C2 / C4 / C2 / C4 1994-98
Porsche 993 Turbo
Diagram ref no 6
Related reference numbers
Related, superseded, cross reference or alternative numbers for comparison.
99733350400
The product you are viewing cross references to these numbers
- Porsche 993 (911) C2 1994-97
- Porsche 993 (911) C4 1994-97
- Porsche 993 (911) C2S 1994-97
- Porsche 993 (911) C4S 1994-97
- Porsche 993 (911) TURBO 1994-96

Fits: Standard Chassis - (WITHOUT M030 Sports Suspension.)
Fits Left & Right side
- Porsche 996 3.4L Carrera
- Porsche 996 3.6L Carrera
- Porsche 996 3.6L Carrera S
- Porsche 996 3.4L Carrera 4,
- Porsche 996 3.6 Carrera 4,
- Porsche 996 3.6 Turbo,
- Porsche 996 3.6 Turbo S
Related reference numbers
Related, superseded, cross reference or alternative numbers for comparison.
99633305185
The product you are viewing cross references to these numbers
- Porsche 996 C2 3.4L 1997-08/01
- Porsche 996 C4 3.4L 1997-08/01
- Porsche 996 C2 3.6L 09/01-2005
- Porsche 996 C4 3.6L 09/01-2005
- Porsche 996 C4S 3.6L 09/01-2005
- Porsche 996 TURBO 2000-05
Refresh rear end precision and ride comfort with this OE Match pair of rear suspension top mounts for Porsche 996. These mounts use premium rubber and a high-quality bearing interface to control strut movement, cut noise/harshness, and maintain correct geometry under load. Ideal when replacing rear dampers or chasing knocks, creaks, tramlining or uneven tyre wear. Supplied as a matched left/right pair for consistent handling.
Fits:
Porsche 996 C2 / C4 / C4S 1998-05
Porsche 996 Turbo / GT2 2001-05
Porsche 996 GT3 MKI
Diagram ref no 2
Manufactured using high-quality forged aluminium and fitted with durable rubber bushes and ball joints, they ensure excellent suspension response, ride comfort, and long-term reliability. Ideal for eliminating unwanted steering vibration, uneven tyre wear, or suspension noise.
Related reference numbers
Related, superseded, cross reference or alternative numbers for comparison.
99633305903
The product you are viewing cross references to these numbers
- Porsche 996 C2 3.4L 1997-08/01
- Porsche 996 C4 3.4L 1997-08/01
- Porsche 996 C2 3.6L 09/01-2005
- Porsche 996 C4 3.6L 09/01-2005
- Porsche 996 C4S 3.6L 09/01-2005
- Porsche 996 TURBO 2000-05
- Porsche 996 GT2 2001-05
- Porsche 996 GT3 MKI 1999-02
- Porsche 996 GT3 MKII 2003>>
REAR shock absorber top mounts fitting kit.
Restore the precise ride quality and confident handling your Porsche 996 911 Carrera was built to deliver. Over time, shocks gradually wear down, making changes in handling and comfort hard to notice until performance begins to fade. This complete shock absorber top mounts fitting kit nearly everything you need to replace your worn components—shock mounts, bump stops, dust boots, and all necessary hardware.

Fits:
Porsche 996 3.4L Carrera
Porsche 996 3.6L Carrera
Porsche 996 3.6L Carrera S
Porsche 996 3.4L Carrera 4,
Porsche 996 3.6 Carrera 4,
Porsche 996 3.6 Turbo,
Porsche 996 3.6 Turbo S
With fresh shocks installed, you can expect:
Sharper, more responsive handling Improved ride comfort and stability Reduced braking distances More even tire wear
Note: Coil springs are not included and can be purchased separately if needed. The original washers and spacers can typically be reused unless they show signs of damage upon inspection.
Related reference numbers
Related, superseded, cross reference or alternative numbers for comparison.
99633305903
The product you are viewing cross references to these numbers
- Porsche 996 C2 3.4L 1997-08/01
- Porsche 996 C4 3.4L 1997-08/01
- Porsche 996 C2 3.6L 09/01-2005
- Porsche 996 C4 3.6L 09/01-2005
- Porsche 996 TURBO 2000-05
This door seal kit includes two flap-type rubber seals - one for the left door and one for the right door. It designed for the Porsche 911 Coupé (1965-73). Manufactured to Porsche’s original specification, these seals ensure correct fit, profile and durability for both doors. Each seal mounts along the door edge, compressing against the chassis to keep out water, wind and debris while maintaining cabin comfort and sound insulation.
SET OF 2, for both left and right doors.
Fits:
Porsche 911 1965 - 1973 Coupe
Diagram ref no 26
This rubber seal mounts to the door edge and is compressed when the door closes, forming a tight barrier between the door and chassis. It prevents water ingress, reduces wind noise, and maintains cabin insulation - crucial for the comfort and integrity of your classic 911.
Over time, exposure to UV rays, weather and repeated door operations will degrade the rubber: it may harden, crack, shrink or lose its sealing ability. A compromised seal can lead to water leaks, wind noise, or interior damage. Installing this replacement restores the correct fit and sealing performance you expect from a Porsche-spec part.
Related reference numbers
Related, superseded, cross reference or alternative numbers for comparison.
91153109501
The product you are viewing cross references to these numbers
- Porsche 911 1965-1968 2.0L / 912 SWB (F)
- Porsche 911 1968-1973 2.2L / 2.4L / 2.7L RS LWB (F)
Porsche 996 911 Carrera Rear Shock Absorber Kit Fits cars WITHOUT M030 sports suspension.
Restore the precise ride quality and confident handling your Porsche 996 911 Carrera was built to deliver. Over time, shocks gradually wear down, making changes in handling and comfort hard to notice until performance begins to fade. This complete shock absorber kit includes nearly everything you need to replace your worn components—shock mounts, bump stops, dust boots, and all necessary hardware.

Fits:
Porsche 996 3.4L Carrera
Porsche 996 3.6L Carrera
Porsche 996 3.6L Carrera S
Porsche 996 3.4L Carrera 4,
Porsche 996 3.6 Carrera 4,
Porsche 996 3.6 Turbo,
Porsche 996 3.6 Turbo S
With fresh shocks installed, you can expect:
Sharper, more responsive handling Improved ride comfort and stability Reduced braking distances More even tire wear
Note: Coil springs are not included and can be purchased separately if needed. The original washers and spacers can typically be reused unless they show signs of damage upon inspection.
Quality direct replacement shock absorbers constructed and finished to a high standards often far and above what the car was originally supplied with. They can actually be a performance improvement if replacing plain, none gas charged, oil filled dampers. They dramatically reduce cavitation / oil foaming, thus give for more stable damping forces when driven 'spiritedly'. Some surprising cars come with plain oil filled dampers.
Key Features:
- Twin Tube Damper
- Gas pressurized
- OE damping forces
Related reference numbers
Related, superseded, cross reference or alternative numbers for comparison.
99633305185
The product you are viewing cross references to these numbers
- Porsche 996 C2 3.4L 1997-08/01
- Porsche 996 C4 3.4L 1997-08/01
- Porsche 996 C2 3.6L 09/01-2005
- Porsche 996 C4 3.6L 09/01-2005
- Porsche 996 TURBO 2000-05
For optimal engine efficiency, Porsche recommends replacing Ignition Coils & Spark plugs at regular intervals — every 30,000 miles for the Macan and every 40,000 miles for the Cayenne and Panamera. When ignition coils begin to fail, you may notice a check engine light triggered by a cylinder misfire. This can lead to reduced performance, rough running, poor fuel efficiency, and in severe cases, engine damage. OE Match ignition coils with Bosch spark plugs
Fits:
- · Porsche 958 Cayenne V6 3.6L Petrol 300Hp 2010-17
- · Porsche 958 Cayenne S V8 4.8L Petrol 400HP 2010-17
- · Porsche 970.2 Panamera V6 3.6L 2WD (310Hp) 2014-16
- · Porsche 970.2 Panamera 4 V6 3.6L 4WD (310Hp) 2014-16
- · Porsche 970.2 Panamera S V6 Turbo 3.0L 2WD (420Hp) 2014-16
- · Porsche 970.2 Panamera S V6 Turbo 3.0L 2WD Executive 2014-16
- · Porsche 970.2 Panamera 4S V6 Turbo 3.0L 4WD (420Hp) 2014-16
- · Porsche 970.2 Panamera 4S V6 Turbo 3.0L 4WD Executive 2014-16
- · Porsche 95B.1 Macan S Petrol 3.0L V6 340Bhp 2014-18
- · Porsche 95B.1 Macan GTS Petrol 3.0L V6 360Bhp 2014-18
- · Porsche 95B.1 Macan Turbo 3.6L V6 400Bhp 2014-18
- · Porsche 95B.2 Macan S Petrol 3.0L V6 354Bhp 2019-21
What Does an Ignition Coil Do?
An ignition coil is a crucial part of your vehicle’s ignition system. It converts the battery’s low voltage into the high-voltage current needed to create a spark at the spark plug — igniting the air-fuel mixture inside each cylinder.
- When an ignition coil starts to fail, you may experience:
- Engine misfires: Jerking or shuddering during acceleration due to incomplete combustion.
- Rough idling: Noticeable vibration or shaking when the vehicle is at rest.
- Reduced engine power:
- Sluggish acceleration or loss of performance.
- Illuminated check engine light:
- Often indicating a misfire code. Hard starting or backfiring: Caused by inconsistent or weak sparks.
Related reference numbers
Related, superseded, cross reference or alternative numbers for comparison.
94660210403
The product you are viewing cross references to these numbers
- Porsche 958 Cayenne V6 3.6L Petrol 300Hp 2010-17
- Porsche 958 Cayenne S V8 4.8L Petrol 400HP 2010-17
- Porsche 970.2 Panamera V6 3.6L 2WD (310Hp) 2014-16
- Porsche 970.2 Panamera 4 V6 3.6L 4WD (310Hp) 2014-16
- Porsche 970.2 Panamera S V6 Turbo 3.0L 2WD (420Hp) 2014-16
- Porsche 970.2 Panamera S V6 Turbo 3.0L 2WD Executive 2014-16
- Porsche 970.2 Panamera 4S V6 Turbo 3.0L 4WD (420Hp) 2014-16
- Porsche 970.2 Panamera 4S V6 Turbo 3.0L 4WD Executive 2014-16
- Porsche 95B.1 Macan S Petrol 3.0L V6 340Bhp 2014-18
- Porsche 95B.1 Macan GTS Petrol 3.0L V6 360Bhp 2014-18
- Porsche 95B.1 Macan Turbo 3.6L V6 400Bhp 2014-18
- Porsche 95B.2 Macan S Petrol 3.0L V6 354Bhp 2019-21
For optimal engine efficiency, Porsche recommends replacing ignition coils at regular intervals — every 30,000 miles for the Macan and every 40,000 miles for the Cayenne and Panamera. When ignition coils begin to fail, you may notice a check engine light triggered by a cylinder misfire. This can lead to reduced performance, rough running, poor fuel efficiency, and in severe cases, engine damage.
Fits:
- · Porsche 958 Cayenne V6 3.6L Petrol 300Hp 2010-17
- · Porsche 958 Cayenne S V8 4.8L Petrol 400HP 2010-17
- · Porsche 970.2 Panamera V6 3.6L 2WD (310Hp) 2014-16
- · Porsche 970.2 Panamera 4 V6 3.6L 4WD (310Hp) 2014-16
- · Porsche 970.2 Panamera S V6 Turbo 3.0L 2WD (420Hp) 2014-16
- · Porsche 970.2 Panamera S V6 Turbo 3.0L 2WD Executive 2014-16
- · Porsche 970.2 Panamera 4S V6 Turbo 3.0L 4WD (420Hp) 2014-16
- · Porsche 970.2 Panamera 4S V6 Turbo 3.0L 4WD Executive 2014-16
- · Porsche 95B.1 Macan S Petrol 3.0L V6 340Bhp 2014-18
- · Porsche 95B.1 Macan GTS Petrol 3.0L V6 360Bhp 2014-18
- · Porsche 95B.1 Macan Turbo 3.6L V6 400Bhp 2014-18
- · Porsche 95B.2 Macan S Petrol 3.0L V6 354Bhp 2019-21
What Does an Ignition Coil Do?
An ignition coil is a crucial part of your vehicle’s ignition system. It converts the battery’s low voltage into the high-voltage current needed to create a spark at the spark plug — igniting the air-fuel mixture inside each cylinder.
- When an ignition coil starts to fail, you may experience:
- Engine misfires: Jerking or shuddering during acceleration due to incomplete combustion.
- Rough idling: Noticeable vibration or shaking when the vehicle is at rest.
- Reduced engine power:
- Sluggish acceleration or loss of performance.
- Illuminated check engine light:
- Often indicating a misfire code. Hard starting or backfiring: Caused by inconsistent or weak sparks.
Related reference numbers
Related, superseded, cross reference or alternative numbers for comparison.
94660210403
The product you are viewing cross references to these numbers
- Porsche 958 Cayenne V6 3.6L Petrol 300Hp 2010-17
- Porsche 958 Cayenne S V8 4.8L Petrol 400HP 2010-17
- Porsche 970.2 Panamera V6 3.6L 2WD (310Hp) 2014-16
- Porsche 970.2 Panamera 4 V6 3.6L 4WD (310Hp) 2014-16
- Porsche 970.2 Panamera S V6 Turbo 3.0L 2WD (420Hp) 2014-16
- Porsche 970.2 Panamera S V6 Turbo 3.0L 2WD Executive 2014-16
- Porsche 970.2 Panamera 4S V6 Turbo 3.0L 4WD (420Hp) 2014-16
- Porsche 970.2 Panamera 4S V6 Turbo 3.0L 4WD Executive 2014-16
- Porsche 95B.1 Macan S Petrol 3.0L V6 340Bhp 2014-18
- Porsche 95B.1 Macan GTS Petrol 3.0L V6 360Bhp 2014-18
- Porsche 95B.1 Macan Turbo 3.6L V6 400Bhp 2014-18
- Porsche 95B.2 Macan S Petrol 3.0L V6 354Bhp 2019-21
SET OF 2, for both left and right doors.
Compatible with Coupe models :
Porsche 911 1965-1968 2.0L / 912 SWB (F)
Porsche 911 1968-1973 2.2L / 2.4L / 2.7L RS LWB (F)
Porsche 911 1974-1977 2.7L / 1976-77 3.0 Carrera
Porsche 911 1978-1983 3.0L / SC
Porsche 911 1984-1986 3.2L
Porsche 911 1987-1989 3.2L G50
Porsche 911 1975-1977 3.0L Turbo (930)
Porsche 911 1978-1989 3.3L Turbo (930)
Porsche 964 (911) C2 1989-93
Porsche 964 (911) C4 1989-93
Porsche 964 (911) RS 3.6L 1991-93
Porsche 964 (911) RS 3.8L 1991-93
Porsche 964 (911) TURBO 3.3L 1991-93
Porsche 964 (911) TURBO 3.6L 1991-93
Diagram ref no 24
Common Signs of Door Seal Failure
• Cracks or tears: Continuous exposure to weather and repeated door use can cause the rubber to dry out and crack.
• Shrinkage or compression: Temperature changes may cause the seal to shrink or lose shape, creating small gaps that reduce its sealing ability.
• Water leaks or wind noise: A damaged or worn seal can lead to water seeping into the cabin during rain or increased wind noise while driving at higher speeds.
Related reference numbers
Related, superseded, cross reference or alternative numbers for comparison.
91153109503
The product you are viewing cross references to these numbers
- Porsche 911 1965-1968 2.0L / 912 SWB (F)
- Porsche 911 1968-1973 2.2L / 2.4L / 2.7L RS LWB (F)
- Porsche 911 1974-1977 2.7L / 1976-77 3.0 Carrera
- Porsche 911 1978-1983 3.0L / SC
- Porsche 911 1984-1986 3.2L
- Porsche 911 1987-1989 3.2L G50
- Porsche 911 1975-1977 3.0L Turbo (930)
- Porsche 911 1978-1989 3.3L Turbo (930)
- Porsche 964 (911) C2 1989-93
- Porsche 964 (911) C4 1989-93
- Porsche 964 (911) RS 3.6L 1991-93
- Porsche 964 (911) RS 3.8L 1991-93
- Porsche 964 (911) TURBO 3.3L 1991-93
- Porsche 964 (911) TURBO 3.6L 1991-93
This door weatherstrip seal is engineered to meet the original Porsche specification for the door openings of Porsche 911 (1966-94) Targa and Cabriolet models.
SET OF 2, for both left and right doors.
Fits:
Porsche 911 1966 - 1989 Targa / Cabrio
Porsche 964 1989 - 1994 Targa / Cabrio
Diagram ref no 23
• Position: Door-to-body sealing location (left and right side)
• Also referenced by cross-numbers: 91153109340, 91153109345, 91153109446, 91153109540
Over years of use, door weather-strips are exposed to UV light, temperature cycling, door movement and moisture. They can stiffen, crack, shrink or deform — leading to wind noise, water leaks or reduced cabin comfort.
Replacing with a fresh seal restores the original fit, improves door closing feel, and ensures a watertight, quiet cabin.
Replace when:
• You detect water leakage into the door or cabin
• Wind noise is heard around the door frame
• The existing seal appears cracked, hard, compressed or missing
• You are performing door hinge or body-shell restoration and want correct sealing integrity
Related reference numbers
Related, superseded, cross reference or alternative numbers for comparison.
91153109541
The product you are viewing cross references to these numbers
- Porsche 911 1965-1968 2.0L / 912 SWB (F)
- Porsche 911 1968-1973 2.2L / 2.4L / 2.7L RS LWB (F)
- Porsche 911 1974-1977 2.7L / 1976-77 3.0 Carrera
- Porsche 911 1978-1983 3.0L / SC
- Porsche 911 1984-1986 3.2L
- Porsche 911 1987-1989 3.2L G50
- Porsche 911 1975-1977 3.0L Turbo (930)
- Porsche 911 1978-1989 3.3L Turbo (930)
- Porsche 964 (911) C2 1989-93
- Porsche 964 (911) C4 1989-93
- Porsche 964 (911) RS 3.6L 1991-93
- Porsche 964 (911) RS 3.8L 1991-93
- Porsche 964 (911) TURBO 3.3L 1991-93
- Porsche 964 (911) TURBO 3.6L 1991-93