Introduzca aquí su número de identificación fiscal (NIF o VAT number) y haga clic en Verificar:
No necesita incluir el código de país de su NIF, dado que ya lo ha indicado antes en su dirección de facturación.
Se han verificado sus datos. NIF registrado a nombre de:
###NUEVO MÉJICO###,
.
Su pedido cuenta ahora con una tasa cero a efectos de IVA. Nos reservamos el derecho a verificar estos datos después de que haya solicitado su pedido y a restablecer el IVA si fuese necesario.
Sus datos de identificación fiscal no han sido reconocidos o no son válidos. Su NIF debe coincidir con el país de facturación que especificó anteriormente. Actualmente se ha especificado como . No necesita incluir el código de país de su NIF, do que ya lo ha indicado antes en los datos de su dirección de facturación.
El servicio de verificación de NIF no está disponible en este momento. Le rogamos que indique sus datos del NIF en los comentarios e en el cuadro de instrucciones especiales que encontrará abajo y le aplicaremos un descuento en el IVA tras realizar su solicitud de pedido.
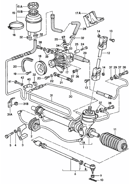
Bombas de dirección asistida
Se adapta a:
Modelos con dirección asistida (PR 657)
Porsche 924S 1986-88
Porsche 944-2 1985-91
Porsche 968 1992-95
Diagrama ref. 12.
Números de referencia relacionados
Números relacionados, reemplazados, de referencia cruzada o alternativos para comparación.
94434744104
El producto que está viendo hace referencia cruzada a estos números
- Porsche 924S 2.5L 1986-87
- Porsche 924S 2.5L 1988
- Porsche 944 2.5L 8V 1982-87
- Porsche 944 2.7L 8V 1988-89
- Porsche 944S 2.5L 16V 1987-88
- Porsche 944S2 3.0L 16V 1989-91
- Porsche 944 Turbo 2.5L 8V 1985-88
- Porsche 944 Turbo 2.5L 8V 1989-91
- Porsche 944 Turbo S 2.5L 8V 1988
- Porsche 968 3.0L 1992-94
- Porsche 968 Sport 3.0L 1994-95
- Porsche 968 CS 3.0L 1993-95
- Porsche 968 Turbo S 3.0L 1993-94

Encaja:
Porsche 924 S 1986-88 M657
Porsche 928 1983-95
Porsche 944 1982-91 M657
Porsche 968 1992-95
Haga clic en 'Acercar' para ver el diagrama de piezas grandes.
Diagrama ref no 15B.
Números de referencia relacionados
Números relacionados, reemplazados, de referencia cruzada o alternativos para comparación.
92834792700
El producto que está viendo hace referencia cruzada a estos números
- Porsche 924S 2.5L 1986-87
- Porsche 924S 2.5L 1988
- Porsche 944 2.5L 8V 1982-87
- Porsche 944 2.7L 8V 1988-89
- Porsche 944S 2.5L 16V 1987-88
- Porsche 944S2 3.0L 16V 1989-91
- Porsche 944 Turbo 2.5L 8V 1985-88
- Porsche 944 Turbo 2.5L 8V 1989-91
- Porsche 944 Turbo S 2.5L 8V 1988
- Porsche 968 3.0L 1992-94
- Porsche 968 Sport 3.0L 1994-95
- Porsche 968 CS 3.0L 1993-95
- Porsche 968 Turbo S 3.0L 1993-94
- Porsche 928 4.5L 1978-82
- Porsche 928S 4.7L 1981-83
- Porsche 928S2 4.7L 1984-86
- Porsche 928S4 5.0L 1987-92
- Porsche 928GT 5.0L 1989-91
- Porsche 928GTS 5.4L 1992-95

Encaja:
Porsche 924 S 1986-88 M657
Porsche 928 1983-95
Porsche 944 1982-91 M657
Porsche 968 1992-95
Haga clic en 'Acercar' para ver el diagrama de piezas grandes.
Diagrama ref no 15.
Números de referencia relacionados
Números relacionados, reemplazados, de referencia cruzada o alternativos para comparación.
92834701505
El producto que está viendo hace referencia cruzada a estos números
- Porsche 924S 2.5L 1986-87
- Porsche 924S 2.5L 1988
- Porsche 944 2.5L 8V 1982-87
- Porsche 944 2.7L 8V 1988-89
- Porsche 944S 2.5L 16V 1987-88
- Porsche 944S2 3.0L 16V 1989-91
- Porsche 944 Turbo 2.5L 8V 1985-88
- Porsche 944 Turbo 2.5L 8V 1989-91
- Porsche 944 Turbo S 2.5L 8V 1988
- Porsche 968 3.0L 1992-94
- Porsche 968 Sport 3.0L 1994-95
- Porsche 968 CS 3.0L 1993-95
- Porsche 968 Turbo S 3.0L 1993-94
- Porsche 928 4.5L 1978-82
- Porsche 928S 4.7L 1981-83
- Porsche 928S2 4.7L 1984-86
- Porsche 928S4 5.0L 1987-92
- Porsche 928GT 5.0L 1989-91
- Porsche 928GTS 5.4L 1992-95

Encaja:
Porsche 924 S 1986-88 M657
Porsche 928 1983-95
Porsche 944 1982-91 M657
Porsche 968 1992-95
Haga clic en 'Acercar' para ver el diagrama de piezas grandes.
Diagrama ref no 15.
Números de referencia relacionados
Números relacionados, reemplazados, de referencia cruzada o alternativos para comparación.
92834701505
El producto que está viendo hace referencia cruzada a estos números
- Porsche 924S 2.5L 1986-87
- Porsche 924S 2.5L 1988
- Porsche 944 2.5L 8V 1982-87
- Porsche 944 2.7L 8V 1988-89
- Porsche 944S 2.5L 16V 1987-88
- Porsche 944S2 3.0L 16V 1989-91
- Porsche 944 Turbo 2.5L 8V 1985-88
- Porsche 944 Turbo 2.5L 8V 1989-91
- Porsche 944 Turbo S 2.5L 8V 1988
- Porsche 968 3.0L 1992-94
- Porsche 968 Sport 3.0L 1994-95
- Porsche 968 CS 3.0L 1993-95
- Porsche 968 Turbo S 3.0L 1993-94
- Porsche 928 4.5L 1978-82
- Porsche 928S 4.7L 1981-83
- Porsche 928S2 4.7L 1984-86
- Porsche 928S4 5.0L 1987-92
- Porsche 928GT 5.0L 1989-91
- Porsche 928GTS 5.4L 1992-95

Encaja:
Porsche 924S 1986-88
Porsche 944 1985-91
Porsche 968 1992-95
Haga clic en 'Acercar' para ver el diagrama de piezas grandes.
Diagrama ref no 21.
Números de referencia relacionados
Números relacionados, reemplazados, de referencia cruzada o alternativos para comparación.
94434705302
El producto que está viendo hace referencia cruzada a estos números
- Porsche 924S 2.5L 1986-87
- Porsche 924S 2.5L 1988
- Porsche 944 2.5L 8V 1982-87
- Porsche 944 2.7L 8V 1988-89
- Porsche 944S 2.5L 16V 1987-88
- Porsche 944S2 3.0L 16V 1989-91
- Porsche 944 Turbo 2.5L 8V 1985-88
- Porsche 944 Turbo 2.5L 8V 1989-91
- Porsche 944 Turbo S 2.5L 8V 1988
- Porsche 968 3.0L 1992-94
- Porsche 968 Sport 3.0L 1994-95
- Porsche 968 CS 3.0L 1993-95
- Porsche 968 Turbo S 3.0L 1993-94

Encaja:
Porsche 924S 1986-88
Porsche 944 1985-91
Porsche 968 1992-95
Haga clic en 'Acercar' para ver un diagrama de piezas grandes.
Diagrama de referencia nº 21.
Números de referencia relacionados
Números relacionados, reemplazados, de referencia cruzada o alternativos para comparación.
94434705302
El producto que está viendo hace referencia cruzada a estos números
- Porsche 924S 2.5L 1986-87
- Porsche 924S 2.5L 1988
- Porsche 944 2.5L 8V 1982-87
- Porsche 944 2.7L 8V 1988-89
- Porsche 944S 2.5L 16V 1987-88
- Porsche 944S2 3.0L 16V 1989-91
- Porsche 944 Turbo 2.5L 8V 1985-88
- Porsche 944 Turbo 2.5L 8V 1989-91
- Porsche 944 Turbo S 2.5L 8V 1988
- Porsche 968 3.0L 1992-94
- Porsche 968 Sport 3.0L 1994-95
- Porsche 968 CS 3.0L 1993-95
- Porsche 968 Turbo S 3.0L 1993-94

Encaja:
Porsche 944 1982-85
M675 - Coche con dirección asistida
Haga clic en 'Acercar' para ver el diagrama de piezas grandes.
Diagrama ref no 21.
Números de referencia relacionados
Números relacionados, reemplazados, de referencia cruzada o alternativos para comparación.
94434705300
El producto que está viendo hace referencia cruzada a estos números
- Porsche 944 2.5L 8V 1982-87

Encaja:
Porsche 924S 1986-88
Porsche 944 1982-91
Porsche 968 1992-95
Números de referencia relacionados
Números relacionados, reemplazados, de referencia cruzada o alternativos para comparación.
94410114702
El producto que está viendo hace referencia cruzada a estos números
- Porsche 924S 2.5L 1986-87
- Porsche 924S 2.5L 1988
- Porsche 944 2.5L 8V 1982-87
- Porsche 944 2.7L 8V 1988-89
- Porsche 944S 2.5L 16V 1987-88
- Porsche 944S2 3.0L 16V 1989-91
- Porsche 944 Turbo 2.5L 8V 1985-88
- Porsche 944 Turbo 2.5L 8V 1989-91
- Porsche 944 Turbo S 2.5L 8V 1988
- Porsche 968 3.0L 1992-94
- Porsche 968 Sport 3.0L 1994-95
- Porsche 968 CS 3.0L 1993-95
- Porsche 968 Turbo S 3.0L 1993-94

Encaja:
Porsche 924S 1986-88
Porsche 944 1982-91
Porsche 968 1992-95
Diagrama ref no 18.
- Porsche 924S 2.5L 1986-87
- Porsche 924S 2.5L 1988
- Porsche 944 2.5L 8V 1982-87
- Porsche 944 2.7L 8V 1988-89
- Porsche 944S 2.5L 16V 1987-88
- Porsche 944S2 3.0L 16V 1989-91
- Porsche 944 Turbo 2.5L 8V 1985-88
- Porsche 944 Turbo 2.5L 8V 1989-91
- Porsche 944 Turbo S 2.5L 8V 1988
- Porsche 968 3.0L 1992-94
- Porsche 968 Sport 3.0L 1994-95
- Porsche 968 CS 3.0L 1993-95
- Porsche 968 Turbo S 3.0L 1993-94

Encaja:
Porsche 928 / 944 / 964 / 968 1982-1995
Números de referencia relacionados
Números relacionados, reemplazados, de referencia cruzada o alternativos para comparación.
94434743KIT
El producto que está viendo hace referencia cruzada a estos números
- Porsche 964 (911) C2 1989-93
- Porsche 964 (911) C4 1989-93
- Porsche 964 (911) RS 3.6L 1991-93
- Porsche 964 (911) RS 3.8L 1991-93
- Porsche 964 (911) TURBO 3.3L 1991-93
- Porsche 964 (911) TURBO 3.6L 1991-93
- Porsche 944 2.5L 8V 1982-87
- Porsche 944 2.7L 8V 1988-89
- Porsche 944S 2.5L 16V 1987-88
- Porsche 944S2 3.0L 16V 1989-91
- Porsche 944 Turbo 2.5L 8V 1985-88
- Porsche 944 Turbo 2.5L 8V 1989-91
- Porsche 944 Turbo S 2.5L 8V 1988
- Porsche 968 3.0L 1992-94
- Porsche 968 Sport 3.0L 1994-95
- Porsche 968 CS 3.0L 1993-95
- Porsche 968 Turbo S 3.0L 1993-94
- Porsche 928 4.5L 1978-82
- Porsche 928S 4.7L 1981-83
- Porsche 928S2 4.7L 1984-86
- Porsche 928S4 5.0L 1987-92
- Porsche 928GT 5.0L 1989-91
- Porsche 928GTS 5.4L 1992-95

Las unidades reacondicionadas se venden a cambio. Se aplicará un recargo que luego se reembolsará cuando se devuelva la anterior.
Se adapta a:
Para vehículos con dirección asistida (código de opción: M657)
Porsche 924S 1986-88 (M657)
Porsche 944 1982-91 (M657)
Porsche 968 1992-95 (M657)
Haga clic en "acercar" para ver el diagrama de piezas más grande.
Diagrama de referencia n.º 17.
- TENGA EN CUENTA:
- El recargo por esta pieza reacondicionada se reembolsará cuando recibamos la unidad de intercambio y la aprobemos nosotros y el fabricante correspondiente.
- Tenga en cuenta que los reembolsos de recargos suelen tardar un promedio de 6 a 8 semanas en ser aprobados por el fabricante.
- La aceptación de la pieza de cambio queda a discreción del fabricante, dependiendo de si la pieza es apta para el reacondicionamiento.
- Todos los recargos y cambios están sujetos a nuestros términos y condiciones.
Números de referencia relacionados
Números relacionados, reemplazados, de referencia cruzada o alternativos para comparación.
94434743208
El producto que está viendo hace referencia cruzada a estos números
- Porsche 924S 2.5L 1986-87
- Porsche 924S 2.5L 1988
- Porsche 944 2.5L 8V 1982-87
- Porsche 944 2.7L 8V 1988-89
- Porsche 944S 2.5L 16V 1987-88
- Porsche 944S2 3.0L 16V 1989-91
- Porsche 944 Turbo 2.5L 8V 1985-88
- Porsche 944 Turbo 2.5L 8V 1989-91
- Porsche 944 Turbo S 2.5L 8V 1988
- Porsche 968 3.0L 1992-94
- Porsche 968 Sport 3.0L 1994-95
- Porsche 968 CS 3.0L 1993-95
- Porsche 968 Turbo S 3.0L 1993-94

Para automóviles con dirección asistida (código de opción: M657)
Porsche 924S 1986-88 (M657)
Porsche 944 1982-91 (M657)
Porsche 968 1992-95 (M657)
Haga clic en "acercar" para ver un diagrama de piezas grandes.
Diagrama de referencia nº 17.
Problemas comunes de por qué debería cambiar su bomba de dirección asistida para Porsche 924S / 944 / 968 código de producto 94434743208
Fuga de líquido : una de las razones más comunes para reemplazar la bomba de dirección asistida es una fuga en el sistema. Si nota líquido de dirección asistida en el suelo debajo de su vehículo o un nivel bajo de líquido en el depósito, podría indicar una fuga en la bomba o sus componentes asociados.
Funcionamiento ruidoso : Los ruidos inusuales, como chirridos o chirridos, al girar el volante podrían ser una señal de una falla en la bomba de la dirección asistida. Esto podría deberse a componentes internos desgastados o a una falta de lubricación adecuada.
Dificultad en la dirección : si experimenta una mayor dificultad para conducir su Porsche, especialmente a velocidades más bajas, puede ser una señal de falla en la bomba de dirección asistida. Esto podría deberse a una pérdida de presión hidráulica en el sistema.
Daños a la bomba : los daños internos a la bomba, como un impulsor o cojinetes dañados, pueden provocar una disminución del rendimiento o una falla total. Este daño puede ser causado por factores como líquido contaminado o desgaste excesivo con el tiempo.
Kilometraje y antigüedad : como cualquier componente mecánico, las bombas de dirección asistida tienen una vida útil finita. Si su Porsche 924S, 944 o 968 tiene un alto kilometraje o está envejeciendo, es posible que sea necesario reemplazar la bomba de la dirección asistida como parte del mantenimiento de rutina.
Números de referencia relacionados
Números relacionados, reemplazados, de referencia cruzada o alternativos para comparación.
94434743208
El producto que está viendo hace referencia cruzada a estos números
- Porsche 924S 2.5L 1986-87
- Porsche 924S 2.5L 1988
- Porsche 944 2.5L 8V 1982-87
- Porsche 944 2.7L 8V 1988-89
- Porsche 944S 2.5L 16V 1987-88
- Porsche 944S2 3.0L 16V 1989-91
- Porsche 944 Turbo 2.5L 8V 1985-88
- Porsche 944 Turbo 2.5L 8V 1989-91
- Porsche 944 Turbo S 2.5L 8V 1988
- Porsche 968 3.0L 1992-94
- Porsche 968 Sport 3.0L 1994-95
- Porsche 968 CS 3.0L 1993-95
- Porsche 968 Turbo S 3.0L 1993-94
Esta pieza encaja en el número de pieza de la bomba: 94434743200, 94434743203, 94434743208.

Encaja:
Porsche 924S
Porsche 944 (también S, S2 y turbo) 1982-91
Porsche 968
El tornillo especial para suspender la servobomba se ha oxidado mucho con el paso de los años y es difícil desmontarlo de los soportes de la servobomba. Para la revisión de la servobomba, se recomienda el uso de tornillos nuevos, especialmente porque la superficie de la chaveta y la rosca a menudo no sobreviven intactas a la extracción.
Los tornillos ahora están galvanizados en negro y, por lo tanto, tienen una mejor protección contra la corrosión que los originales. (Imagen similar).
Haga clic en 'acercar' para ver el diagrama de piezas grandes.
Diagrama ref no 17.
Números de referencia relacionados
Números relacionados, reemplazados, de referencia cruzada o alternativos para comparación.
1082
El producto que está viendo hace referencia cruzada a estos números
- Porsche 924S 2.5L 1986-87
- Porsche 924S 2.5L 1988
- Porsche 944 2.5L 8V 1982-87
- Porsche 944 2.7L 8V 1988-89
- Porsche 944S 2.5L 16V 1987-88
- Porsche 944S2 3.0L 16V 1989-91
- Porsche 944 Turbo 2.5L 8V 1985-88
- Porsche 944 Turbo 2.5L 8V 1989-91
- Porsche 944 Turbo S 2.5L 8V 1988
- Porsche 968 3.0L 1992-94
- Porsche 968 Sport 3.0L 1994-95
- Porsche 968 CS 3.0L 1993-95
- Porsche 968 Turbo S 3.0L 1993-94
Bombas, mangueras y radiadores de dirección asistida Porsche | Componentes hidráulicos Design911 para un manejo suave y preciso
Las bombas, mangueras y radiadores de la dirección asistida son componentes clave que garantizan un funcionamiento suave, silencioso y eficiente del sistema de dirección de su Porsche. La bomba de la dirección asistida presuriza el fluido hidráulico, mientras que las mangueras lo transportan por todo el sistema, y los radiadores (o enfriadores) regulan la temperatura para evitar el sobrecalentamiento. Juntos, estos componentes proporcionan un control de dirección sin esfuerzo, una respuesta precisa y la respuesta de manejo que define el rendimiento de conducción de un Porsche.
En Design911, ofrecemos una amplia gama de bombas, mangueras y radiadores de dirección asistida diseñados para un ajuste preciso, durabilidad y funcionamiento a alta presión. Fabricados con materiales de primera calidad, cada componente está diseñado para rendir en condiciones exigentes, ya sea para conducción diaria, ajustes de rendimiento o proyectos de restauración. Nuestra gama ayuda a mantener la precisión de la dirección, prolongar la vida útil de los componentes y ofrecer fiabilidad a largo plazo.
⚙️ ¿Qué hacen las bombas, mangueras y radiadores de dirección asistida?
Estos componentes interconectados forman el núcleo del sistema de dirección hidráulica de su Porsche y brindan asistencia eléctrica y refrigeración constantes para un control máximo.
Funciones principales:
• La bomba genera presión hidráulica para ayudar a la dirección.
• Las mangueras y tuberías transportan fluido presurizado por todo el sistema.
• El radiador (enfriador) regula la temperatura para un funcionamiento constante.
• Mantenga un esfuerzo de dirección suave y controlado a todas las velocidades.
• Proteja la cremallera de dirección y la bomba del sobrecalentamiento y el desgaste.
Este sistema garantiza que la dirección se mantenga liviana pero sensible, lo cual es esencial tanto para un manejo preciso como para la comodidad del conductor.
¿Por qué fallan o se degradan los componentes de la dirección asistida?
Debido a la exposición constante al calor, la presión y el flujo de fluidos, estos componentes están sujetos a un desgaste y degradación gradual con el tiempo.
Las causas comunes de falla incluyen:
• Fugas de sellos viejos, accesorios o mangueras agrietadas.
• Líquido de dirección contaminado o deteriorado que reduce la lubricación.
• Desgaste de los cojinetes o paletas de la bomba debido a nivel bajo de fluido o fluido sucio.
• Corrosión o picaduras en tuberías metálicas y radiadores.
• Circuitos de refrigeración bloqueados que provocan sobrecalentamiento.
La falla de cualquiera de estas piezas puede provocar ruidos, fugas de líquidos, dirección rígida o incluso una falla total del sistema, lo que hace que el reemplazo oportuno sea fundamental para la seguridad y la confiabilidad.
¿Por qué reemplazar o actualizar las bombas, mangueras y radiadores de dirección asistida de su Porsche?
Reemplazar los componentes de la dirección asistida desgastados o dañados restaura la presión hidráulica, la eficiencia de refrigeración y la sensación general de la dirección. La mejora de los materiales aumenta la durabilidad y el rendimiento, especialmente en aplicaciones de alta exigencia o de competición.
Beneficios clave:
• Restaura un rendimiento de dirección suave y sensible.
• Elimina fugas, ruidos o vibraciones de componentes defectuosos.
• Prolonga la vida útil de las cremalleras y sellos de dirección.
• Construido con materiales resistentes a la corrosión y al calor.
• Disponible para los modelos Porsche 911, 944, 968, Boxster, Cayman, Panamera, Cayenne y Macan.
• Ideal para mantenimiento, restauraciones o actualizaciones de alto rendimiento.
Las bombas, mangueras y radiadores de dirección asistida Porsche de Design911 combinan precisión de ingeniería, confiabilidad y materiales superiores, lo que garantiza que la dirección de su Porsche se mantenga precisa, sensible y fluida.
Reflejos
• Bombas de dirección asistida, mangueras y radiadores Porsche de primera calidad.
• Diseñado para un ajuste preciso y un rendimiento confiable.
• Materiales resistentes a altas presiones y temperaturas.
• Reduce el esfuerzo de dirección y mejora la comodidad de manejo.
• Adecuado para modelos Porsche clásicos y modernos.
• Perfecto para mantenimiento, restauración o ajuste del rendimiento.