Elring
La marque de rechange Elring propose une offre globale : qualité d'équipement d'origine, fiabilité fonctionnelle et service haut de gamme de bout en bout.
Les produits originaux Elring sont reconnus parmi les concessionnaires, les mécaniciens et les clients Porsche du monde entier. Ces produits comprennent des systèmes de culasse et d'étanchéité, des joints d'huile et de tige de soupape, des produits d'étanchéité, des freins filetés ainsi que des boulons de culasse et des jeux de joints complets – pour un entretien complet et partiel.

Compatible avec :
Porsche 356 TYPE 1300 / 1500 / 1600 1950-65
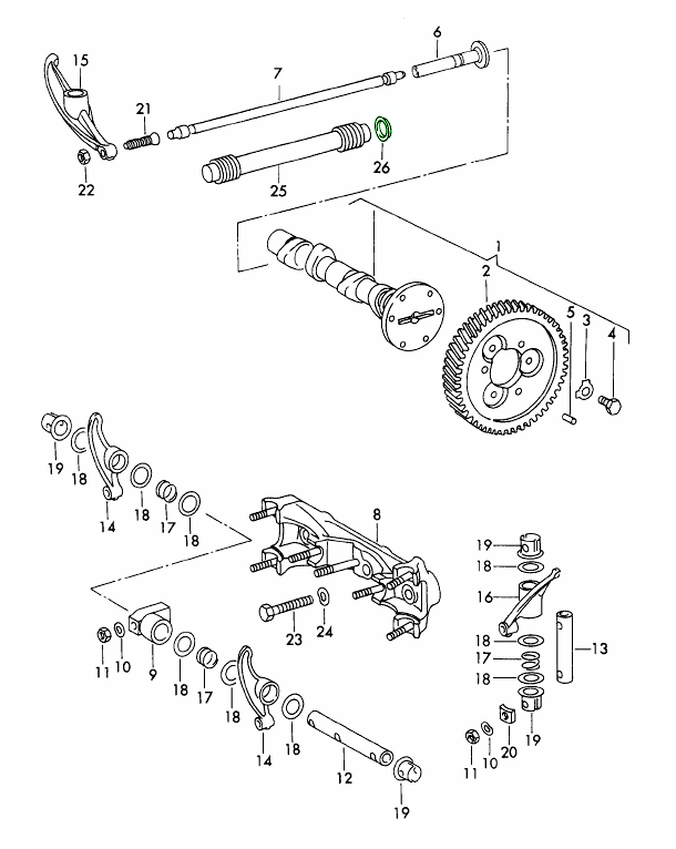
Porsche 912 1965-68
Le suiveur de came est utilisé pour la commande des soupapes des moteurs de type 1300 et 1600 et peut être utilisé pour la Porsche 356 des années modèles 1950 à 1959. Huit de ces suiveurs de came sont nécessaires pour une révision du moteur.
Cliquez sur « Zoom avant » pour un schéma de pièces de grande taille.
Schéma réf. n° 26
Numéros de référence associés
Numéros associés, remplacés, de référence croisée ou alternatifs à des fins de comparaison.
53905207
Le produit que vous consultez fait référence à ces numéros
- Porsche 911 1965-1968 2.0L / 912 SWB (F)
- Porsche 356 1950-55
- Porsche 356A 1955-59
- Porsche 356B 1959-63
- Porsche 356C 1963-65
2 trous, 1,15 mm
Compatible avec :
Porsche 957 Cayenne 3.0L DIESEL 2009-10
Porsche 958 Cayenne 3.0L DIESEL 2011
Schéma réf. n° 18 (cyl. 1-3) ou 17 (cyl. 4-6)
Numéros de référence associés
Numéros associés, remplacés, de référence croisée ou alternatifs à des fins de comparaison.
95510417
Le produit que vous consultez fait référence à ces numéros
- Porsche 957 Cayenne 3.0L Diesel 2007-10
- Porsche 958 Cayenne V6 3.0L Diesel 245HP 2010-17
3 trous, 1,2 mm
Compatible avec :
Porsche 957 Cayenne 3.0L DIESEL 2009-10
Porsche 958 Cayenne 3.0L DIESEL 2011
Schéma réf. n° 18 (cyl. 1-3) ou 17 (cyl. 4-6)
Numéros de référence associés
Numéros associés, remplacés, de référence croisée ou alternatifs à des fins de comparaison.
95510417
Le produit que vous consultez fait référence à ces numéros
- Porsche 957 Cayenne 3.0L Diesel 2007-10
- Porsche 958 Cayenne V6 3.0L Diesel 245HP 2010-17
1 trou, 1,1 mm
Compatible avec :
Porsche 957 Cayenne 3.0L DIESEL 2009-10
Porsche 958 Cayenne 3.0L DIESEL 2011
Schéma réf. n° 18 (cyl. 1-3) ou 17 (cyl. 4-6)
Numéros de référence associés
Numéros associés, remplacés, de référence croisée ou alternatifs à des fins de comparaison.
95510417
Le produit que vous consultez fait référence à ces numéros
- Porsche 957 Cayenne 3.0L Diesel 2007-10
- Porsche 958 Cayenne V6 3.0L Diesel 245HP 2010-17

Convient :
Porsche 955 Cayenne 3.2L 2004-06
Cliquez sur "Zoom avant" pour le schéma des grandes pièces.
Schéma réf n°3
Numéros de référence associés
Numéros associés, remplacés, de référence croisée ou alternatifs à des fins de comparaison.
95511032700
Le produit que vous consultez fait référence à ces numéros
- Porsche 955 Cayenne 3.2L V6 2003-06

Compatible avec :
Porsche 991 Carrera 2012-16
Cliquez sur « Zoom avant » pour un schéma de pièces de grande taille.
Schéma réf. n° 5
Numéros de référence associés
Numéros associés, remplacés, de référence croisée ou alternatifs à des fins de comparaison.
99111148200
Le produit que vous consultez fait référence à ces numéros
- Porsche 991.1 Carrera C2 3.4L (350Bhp) 2012-16
- Porsche 991.1 Carrera C2S 3.8L (400Bhp) 2012-16
- Porsche 991.1 Carrera C4 3.4L (350Bhp) 2012-16
- Porsche 991.1 Carrera C4S 3.8L (400Bhp) 2012-16
Compatible avec :
Porsche 958 Cayenne 3.0L HYBRIDE 2011-18
Porsche 970 Panamera 3.0L HYBRIDE 2012-16
Schéma réf. n° 4
Numéros de référence associés
Numéros associés, remplacés, de référence croisée ou alternatifs à des fins de comparaison.
95811118110
Le produit que vous consultez fait référence à ces numéros
- Porsche 958 Cayenne S V6 3.0L Hybrid 380HP 2010-17
- Porsche 970.1 Panamera S Hybrid V6 3.0L 2011-13
- Porsche 970.2 Panamera S E-Hybrid V6 3.0L (416Hp) 2014-16
1 par moteur.

Convient :
Porsche 955 Cayenne S V8 4.5L 2003-06
Porsche 955 Cayenne Turbo 4.5L 2003-06
Ce produit remplace les anciennes références Porsche :
- 94810417104 (1-4 cylindres) / 94810417204 (5-8 cylindres)
- 94810417105 (1-4 cylindres) / 94810417205 (5-8 cylindres)
Cliquez sur "Zoom avant" pour le schéma des grandes pièces.
Schéma réf n° 12
Numéros de référence associés
Numéros associés, remplacés, de référence croisée ou alternatifs à des fins de comparaison.
94810417
Le produit que vous consultez fait référence à ces numéros
- Porsche 955 Cayenne S 4.5L V8 2003-06
- Porsche 955 Cayenne Turbo 4.5L 2003-06
- Porsche 955 Cayenne Turbo S 4.5L 2006>>

Convient :
Porsche 970 Panamera S/4S 4.8L 2010-13
Porsche 970 Panamera GTS 4.8L 2010-16
Porsche 970 Panamera Turbo 4.8L 2010-16
Cliquez sur "Zoom avant" pour le schéma des grandes pièces.
Schéma réf n° 17
Numéros de référence associés
Numéros associés, remplacés, de référence croisée ou alternatifs à des fins de comparaison.
94810727521
Le produit que vous consultez fait référence à ces numéros
- Porsche 970.1 Panamera S V8 4.8L 2009-13
- Porsche 970.1 Panamera 4S V8 4.8L 2009-13
- Porsche 970.1 Panamera GTS V8 4.8L 2011-13
- Porsche 970.1 Panamera Turbo V8 4.8L 2009-13
- Porsche 970.1 Panamera Turbo S V8 4.8L 2009-13
- Porsche 970.2 Panamera GTS V8 4.8L 4WD (440Hp) 2014-16
- Porsche 970.2 Panamera Turbo V8 4.8L (520Hp) 2014-16
- Porsche 970.2 Panamera Turbo V8 Executive 2014-16
- Porsche 970.2 Panamera Turbo S V8 4.8L 2014-16

Convient :
Porsche 957 Cayenne 3.6L 2008-10
Porsche 958 Cayenne 3.6L 2011-18
Cliquez sur "Zoom avant" pour le schéma des grandes pièces.
Schéma réf n° 2
Numéros de référence associés
Numéros associés, remplacés, de référence croisée ou alternatifs à des fins de comparaison.
95510523101
Le produit que vous consultez fait référence à ces numéros
- Porsche 957 Cayenne 3.6L 2007-10
- Porsche 958 Cayenne V6 3.6L Petrol 300Hp 2010-17

Convient :
Porsche 955 Cayenne 3.2L 2004-05
Cliquez sur "Zoom avant" pour le schéma des grandes pièces.
Schéma réf n° 21
Numéros de référence associés
Numéros associés, remplacés, de référence croisée ou alternatifs à des fins de comparaison.
95510448300
Le produit que vous consultez fait référence à ces numéros
- Porsche 955 Cayenne 3.2L V6 2003-06

Convient :
Porsche 986 Boxster 1997-04 Tiptronique
Porsche 987 Boxster 2005-08 Tiptronic
Porsche 987C Cayman 2007>> Tiptronic
Porsche 996 1998-05 Tiptronique
Cliquez sur "Zoom avant" pour le schéma des grandes pièces.
Schéma réf n° 2
Numéros de référence associés
Numéros associés, remplacés, de référence croisée ou alternatifs à des fins de comparaison.
98639701600
Le produit que vous consultez fait référence à ces numéros
- Porsche Boxster 986 2.5L 1997-99
- Porsche Boxster 986 2.7L 1999-02
- Porsche Boxster S 986 3.2L 1999-02
- Porsche Boxster 986 2.7L 2003-04
- Porsche Boxster S 986 3.2L 2003-04
- Porsche Boxster 987 2.7L 2005 -08/08
- Porsche Boxster 987 S 3.2/3.4L 2005-08/08
- Porsche 996 C2 3.4L 1997-08/01
- Porsche 996 C4 3.4L 1997-08/01
- Porsche 996 C2 3.6L 09/01-2005
- Porsche 996 C4 3.6L 09/01-2005
- Porsche 996 C4S 3.6L 09/01-2005
- Porsche 996 TURBO 2000-05
- Porsche Cayman 2.7L 987C 2006-08
- Porsche Cayman S 3.4L 987C 2005-08

Convient :
Porsche 957 Cayenne 3.0L DIESEL 2009-10
Porsche 958 Cayenne 3.0L DIESEL 2011
Cliquez sur "Zoom avant" pour le schéma des grandes pièces.
Schéma réf n°3
Numéros de référence associés
Numéros associés, remplacés, de référence croisée ou alternatifs à des fins de comparaison.
95511024700
Le produit que vous consultez fait référence à ces numéros
- Porsche 957 Cayenne 3.0L Diesel 2007-10
- Porsche 958 Cayenne V6 3.0L Diesel 245HP 2010-17

Convient :
Porsche 970 Panamera 3.6L 2011-16
Cliquez sur "Zoom avant" pour le schéma des grandes pièces.
Schéma réf n°3
Numéros de référence associés
Numéros associés, remplacés, de référence croisée ou alternatifs à des fins de comparaison.
94610593500
Le produit que vous consultez fait référence à ces numéros
- Porsche 970.1 Panamera V6 3.6L 2WD 2009-13
- Porsche 970.2 Panamera V6 3.6L 2WD (310Hp) 2014-16

Convient :
Porsche 958 Cayenne 2011-18
Boîte tiptronic à 8 rapports
Cliquez sur 'Zoom avant' pour le schéma des grandes pièces.
Schéma réf n°3
Numéros de référence associés
Numéros associés, remplacés, de référence croisée ou alternatifs à des fins de comparaison.
95832124300
Le produit que vous consultez fait référence à ces numéros
- Porsche 958 Cayenne V6 3.6L Petrol 300Hp 2010-17
- Porsche 958 Cayenne V6 3.0L Diesel 245HP 2010-17
- Porsche 958 Cayenne S V6 3.0L Hybrid 380HP 2010-17
- Porsche 958 Cayenne S V8 4.8L Petrol 400HP 2010-17
- Porsche 958 Cayenne S V8 4.2L Diesel 382HP 2010-17
- Porsche 958 Cayenne GTS V8 4.8L Petrol 400HP 2010-17
- Porsche 958 Cayenne Turbo V8 4.8L Petrol 500HP 2010-17
- Porsche 958 Cayenne Turbo S V8 4.8L Petrol 550HP 2010-17

Convient :
Porsche 958 Cayenne 3.0L Diesel 2011
Cliquez sur "Zoom avant" pour le schéma des grandes pièces.
Schéma réf n° 4
Numéros de référence associés
Numéros associés, remplacés, de référence croisée ou alternatifs à des fins de comparaison.
95510523210
Le produit que vous consultez fait référence à ces numéros
- Porsche 958 Cayenne S V8 4.2L Diesel 382HP 2010-17