Saisissez votre numéro de TVA ici et cliquez sur Vérifier :
Il n'est pas nécessaire de saisir la partie code pays de votre numéro de TVA car elle a déjà été sélectionnée dans votre adresse de facturation ci-dessus.
Vos coordonnées ont été vérifiées. Numéro de TVA enregistré au nom de:
,
.
Votre commande sera désormais détaxée au titre de la TVA. Nous nous réservons le droit de vérifier ces détails une fois votre commande passée et de rétablir la TVA si nécessaire.
Vos données de TVA n'ont pas été reconnues ou n'étaient pas valides. Votre numéro de TVA doit correspondre à votre pays de facturation tel que spécifié ci-dessus. Il est actuellement spécifié comme . Vous n'avez pas besoin de saisir la partie code pays de votre numéro de TVA car elle a déjà été sélectionnée dans les détails de votre adresse de facturation ci-dessus.
Le service de vérification du numéro de TVA est actuellement hors ligne. Veuillez indiquer votre numéro de TVA dans le champ « Commentaires ou instructions spéciales » ci-dessous et nous appliquerons une remise de TVA après avoir passé votre commande.
Section avant
Convient à :
Porsche 914 - 1970 à 1976
La 914 était équipée de la climatisation d'origine. Cependant, de nombreux propriétaires ont essayé de l'équiper de condenseurs de rechange, ce qui a endommagé le plancher du coffre. Ce panneau de réparation restaurera proprement votre voiture comme d'origine, en remplaçant la tôle d'origine endommagée.
Dimensions approximatives = 23 pouces x 25 pouces
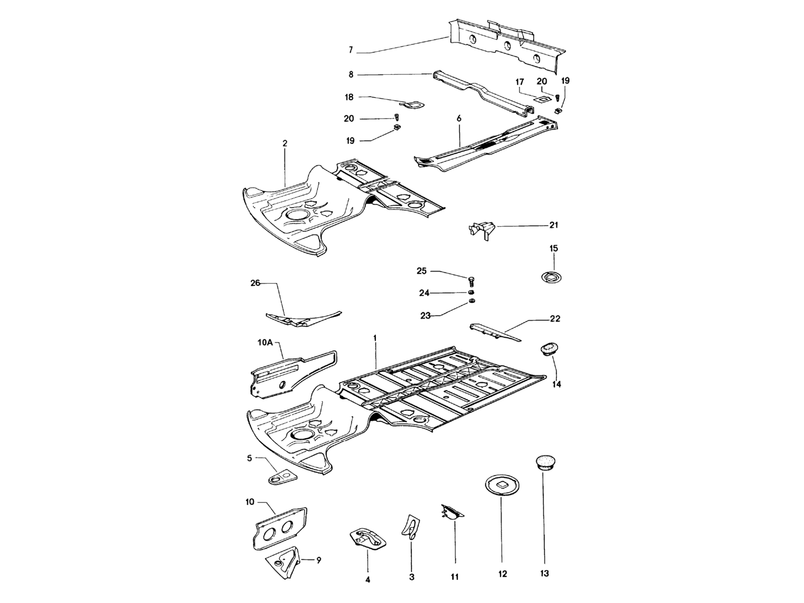
Partie avant du schéma réf. n° 1
Numéros de référence associés
Numéros associés, remplacés, de référence croisée ou alternatifs à des fins de comparaison.
91450193711
Le produit que vous consultez fait référence à ces numéros
- Porsche 914 (1970-1976)
Convient à :
Porsche 914 - 1970 à 1976
Partie avant du schéma réf. n° 1
Numéros de référence associés
Numéros associés, remplacés, de référence croisée ou alternatifs à des fins de comparaison.
91450193711
Le produit que vous consultez fait référence à ces numéros
- Porsche 914 (1970-1976)
Convient à :
Porsche 914 1970 - 1976
La partie avant est marquée en vert sur le schéma.
Numéros de référence associés
Numéros associés, remplacés, de référence croisée ou alternatifs à des fins de comparaison.
91450193811
Le produit que vous consultez fait référence à ces numéros
- Porsche 914 (1970-1976)

Convient :
Porsche 914
Numéros de référence associés
Numéros associés, remplacés, de référence croisée ou alternatifs à des fins de comparaison.
91450153110
Le produit que vous consultez fait référence à ces numéros
- Porsche 914 (1970-1976)
Convient à :
Porsche 914 - 1970 à 1976
Points de levage avant et arrière soudés aux coins du plancher.
Numéros de référence associés
Numéros associés, remplacés, de référence croisée ou alternatifs à des fins de comparaison.
91450104110
Le produit que vous consultez fait référence à ces numéros
- Porsche 914 (1970-1976)
Vendu à l'unité - 2 requis par voiture
Convient à :
Porsche 914 - 1970 à 1976
Schéma de référence n° 11
Numéros de référence associés
Numéros associés, remplacés, de référence croisée ou alternatifs à des fins de comparaison.
91450116410
Le produit que vous consultez fait référence à ces numéros
- Porsche 914 (1970-1976)
Vendu à l'unité - 2 requis par voiture
Convient à :
Porsche 914 - 1970 à 1976
Schéma de référence n° 4
Numéros de référence associés
Numéros associés, remplacés, de référence croisée ou alternatifs à des fins de comparaison.
91450105700
Le produit que vous consultez fait référence à ces numéros
- Porsche 914 (1970-1976)
Convient à :
Porsche 914 - 1970 à 1976
Schéma de référence n° 9
Numéros de référence associés
Numéros associés, remplacés, de référence croisée ou alternatifs à des fins de comparaison.
91450704
Le produit que vous consultez fait référence à ces numéros
- Porsche 914 (1970-1976)
Convient à :
Porsche 914 1970-76
Schéma de référence n° 9
Numéros de référence associés
Numéros associés, remplacés, de référence croisée ou alternatifs à des fins de comparaison.
91450116210
Le produit que vous consultez fait référence à ces numéros
- Porsche 914 (1970-1976)
Convient à :
Porsche 914 1970-76
Schéma de référence n° 9
Numéros de référence associés
Numéros associés, remplacés, de référence croisée ou alternatifs à des fins de comparaison.
91450116210
Le produit que vous consultez fait référence à ces numéros
- Porsche 914 (1970-1976)
Convient à :
Porsche 914 - 1970 à 1976
- Porsche 914 (1970-1976)
Convient à :
Porsche 914 - 1970 à 1976
Schéma de référence n° 5
Numéros de référence associés
Numéros associés, remplacés, de référence croisée ou alternatifs à des fins de comparaison.
91450153110
Le produit que vous consultez fait référence à ces numéros
- Porsche 914 (1970-1976)
Restaurez votre Porsche à la perfection d'origine grâce aux panneaux de restauration de la partie avant et de réparation du châssis de Design911. Notre gamme complète de panneaux de qualité OEM et de reproduction comprend des jupes avant, des ailes intérieures, des traverses et des renforts de châssis conçus pour les modèles Porsche classiques et modernes. Chaque pièce est conçue pour un ajustement précis, garantissant l'intégrité structurelle et l'authenticité lors des réparations ou des restaurations. Que vous reconstruisiez une 911 ancienne, répariez un Boxster ou restauriez une 356, Design911 fournit les composants de châssis et de carrosserie essentiels, reconnus par les restaurateurs Porsche professionnels du monde entier.
Tabliers avant et panneaux de nez
Jupes avant et panneaux de réparation avant Porsche de haute qualité, conçus pour restaurer les contours et l'alignement d'origine. Parfaits pour les réparations après collision et la reconstruction de véhicules anciens.
Ailes intérieures et panneaux d'ailes
Panneaux de restauration d'ailes et de garde-boue intérieurs de style OEM offrant une résistance structurelle et un ajustement de précision pour les réparations de carrosserie Porsche.
Traverses et renforts avant
Traverses et renforts de châssis Porsche robustes qui renforcent la structure avant et maintiennent la géométrie et la rigidité d'usine.
Pieds de châssis et panneaux de support
Pieds de châssis avant et panneaux de renfort de remplacement, fabriqués selon les spécifications d'usine. Idéals pour les réparations accidentelles ou corrosives.
Sections de cloison et de plancher avant
Reproduction précise des cloisons et des panneaux de plancher avant conçus pour une durabilité à long terme et un alignement avec l'ingénierie d'origine de Porsche.
Panneaux de restauration de Porsche classiques
Section avant et panneaux de châssis d'époque pour les modèles Porsche vintage tels que la 356, la 911 Classic et la 912, conçus pour l'authenticité et la restauration de précision.