Catalyseur / tuyau de dérivation

Composants:
- Convertisseurs catalytiques sport 100 cellules
- Silencieux sport
- Ensemble de tuyaux d'échappement
Convient à :
Porsche 993 1995-98 (pas Turbo)
Kit de montage non inclus dans le prix et disponible séparément.
REMARQUE : Au Royaume-Uni, les convertisseurs catalytiques et les tuyaux de dérivation sport ne sont pas homologués et ne sont pas autorisés sur les véhicules fabriqués après le 1er mars 2001. Ils ne sont pas conformes au contrôle technique et ne peuvent pas être utilisés sur la voie publique. Ces composants sont exclusivement destinés à la compétition et à la piste.
Pour les véhicules fabriqués avant le 1er mars 2001, un convertisseur catalytique sport non homologué peut être installé, à condition qu'il offre des performances comparables à l'original et que le véhicule continue de respecter les normes d'émissions applicables pour son âge.
Le véhicule doit encore passer le contrôle technique. Si vous résidez hors du Royaume-Uni, veuillez vérifier la législation et la réglementation locales pour vous assurer de leur conformité.
Numéros de référence associés
Numéros associés, remplacés, de référence croisée ou alternatifs à des fins de comparaison.
EXHAUSTKIT75
Le produit que vous consultez fait référence à ces numéros
- Porsche 993 (911) C2 1994-97
- Porsche 993 (911) C4 1994-97
- Porsche 993 (911) C2S 1994-97
- Porsche 993 (911) C4S 1994-97

Convient :
Porsche 993 Turbo 1994-98
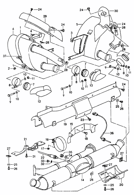
Cliquez sur « Zoomer » pour afficher le diagramme des grandes pièces.
Schéma Réf No 19
Numéros de référence associés
Numéros associés, remplacés, de référence croisée ou alternatifs à des fins de comparaison.
99311324751
Le produit que vous consultez fait référence à ces numéros
- Porsche 993 (911) TURBO 1994-96
- Porsche 993 (911) TURBO S 1994-97

Bouclier thermique de remplacement gauche pour Cat.
Convient :
Porsche 993 Turbo 1994-98
Schéma Ref No 34
- Porsche 993 (911) TURBO 1994-96
- Porsche 993 (911) TURBO S 1994-97

Bouclier thermique de remplacement droit pour Cat.
Convient :
Porsche 993 Turbo 1994-98
Schéma Ref No 23
- Porsche 993 (911) TURBO 1994-96
- Porsche 993 (911) TURBO S 1994-97
Bouclier thermique de remplacement pour Cat.

Convient :
Porsche 993 C2/4 1994-98 non turbo
Cliquez sur « Zoomer » pour afficher le diagramme des grandes pièces.
Schéma Réf No 19
Numéros de référence associés
Numéros associés, remplacés, de référence croisée ou alternatifs à des fins de comparaison.
99321121402
Le produit que vous consultez fait référence à ces numéros
- Porsche 993 (911) C2 1994-97
- Porsche 993 (911) C4 1994-97
- Porsche 993 (911) RS 1994-97
- Porsche 993 (911) C2S 1994-97
- Porsche 993 (911) C4S 1994-97

Convertisseur catalytique d'échappement de remplacement standard
Chats à essence approuvés fabriqués en acier inoxydable de qualité T409.
Convient :
Porsche 993 C2 / C4 / C2S / C4S / RS 1994-98
S'adapte aux échangeurs thermiques BISCHOFF avec joint 93011119206
Notre chat est composé des éléments suivants :
- Monolithe en céramique de conception en nid d'abeille pour permettre une libre circulation de l'air et une surface maximale, recouvert de métaux précieux pour permettre la conversion des gaz qui le traversent
- Tapis Interam pour maintenir le monolithe en place. Le tapis se dilate lorsqu'il est exposé à la chaleur pour fournir la pression nécessaire pour maintenir le monolithe en sécurité.
- Une boîte (ou un boîtier) en acier inoxydable de qualité 409 pour assurer la protection et permettre d'intégrer le chat dans le système d'échappement. La qualité 409 peut contenir jusqu'à 90 % de fer et sera sujette à la rouille. Il possède toujours des propriétés de résistance à la rouille plus élevées que l’acier doux.
Numéros de référence associés
Numéros associés, remplacés, de référence croisée ou alternatifs à des fins de comparaison.
99311321316
Le produit que vous consultez fait référence à ces numéros
- Porsche 993 (911) C2 1994-97
- Porsche 993 (911) C4 1994-97
- Porsche 993 (911) RS 1994-97
- Porsche 993 (911) C2S 1994-97
- Porsche 993 (911) C4S 1994-97
Convient à :
Porsche 993 C2 / C4 / C2S / C4S / RS 1994-98
Pots catalytiques sport DesignTek, fabriqués en acier inoxydable T304 cintré au mandrin. Puissance homologuée pour les émissions de CO2 supérieure de 15 chevaux. Installation simple. Cat-back. Plus sportif et plus rauque que les packs sonores et autres silencieux. Léger : gain de 12,2 kg par rapport à l'origine, pour une meilleure maniabilité. Pas de fissures, de fissures ni de pannes comme sur les systèmes concurrents ! Réponse de l'accélérateur nettement améliorée avec une température moteur plus basse. Le système fonctionne parfaitement avec toutes les améliorations de performances.
L'installation de ce produit peut ne pas passer le contrôle technique britannique.
Convient aux échangeurs de chaleur BISCHOFF avec joint 93011119206 ou aux échangeurs de chaleur GILLET avec joint 92811112702
Sélectionnez ci-dessous
Remarque : ces catalyseurs sport rendront votre voiture plus bruyante qu'avec des catalyseurs d'origine. Si vous possédez ou prévoyez d'installer des silencieux sport, le bruit risque d'être un peu trop fort. Nous vous recommandons d'utiliser un composant d'échappement sport si vous êtes préoccupé par le niveau sonore.
REMARQUE : Au Royaume-Uni, les convertisseurs catalytiques et les tuyaux de dérivation sport ne sont pas homologués et ne sont pas autorisés sur les véhicules fabriqués après le 1er mars 2001. Ils ne sont pas conformes au contrôle technique et ne peuvent pas être utilisés sur la voie publique. Ces composants sont exclusivement destinés à la compétition et à la piste.
Pour les véhicules fabriqués avant le 1er mars 2001, l'installation d'un catalyseur sport non homologué est autorisée, à condition qu'il offre des performances comparables à celles du catalyseur d'origine et que le véhicule continue de respecter les normes d'émissions applicables pour son âge. Le véhicule doit néanmoins passer le contrôle technique.
Si vous êtes situé en dehors du Royaume-Uni, veuillez vérifier vos lois et réglementations locales pour garantir leur conformité.
Numéros de référence associés
Numéros associés, remplacés, de référence croisée ou alternatifs à des fins de comparaison.
360620993
Le produit que vous consultez fait référence à ces numéros
- Porsche 993 (911) C2 1994-97
- Porsche 993 (911) C4 1994-97
- Porsche 993 (911) RS 1994-97
- Porsche 993 (911) C2S 1994-97
- Porsche 993 (911) C4S 1994-97

Convertisseur catalytique d'échappement de remplacement standard
Chats à essence approuvés fabriqués en acier inoxydable de qualité T409.
Convient :
Porsche 993 C2 / C4 / C2S / C4S / RS 1994-98
Pour échangeurs de chaleur GILLET avec joint 92811112702
Notre chat est composé des éléments suivants :
- Monolithe en céramique de conception en nid d'abeille pour permettre une libre circulation de l'air et une surface maximale, recouvert de métaux précieux pour permettre la conversion des gaz qui le traversent
- Tapis Interam pour maintenir le monolithe en place. Le tapis se dilate lorsqu'il est exposé à la chaleur pour fournir la pression nécessaire pour maintenir le monolithe en sécurité.
- Une boîte (ou un boîtier) en acier inoxydable de qualité 409 pour assurer la protection et permettre d'intégrer le chat dans le système d'échappement. La qualité 409 peut contenir jusqu'à 90 % de fer et sera sujette à la rouille. Il possède toujours des propriétés de résistance à la rouille plus élevées que l’acier doux.
Numéros de référence associés
Numéros associés, remplacés, de référence croisée ou alternatifs à des fins de comparaison.
99311321343
Le produit que vous consultez fait référence à ces numéros
- Porsche 993 (911) C2 1994-97
- Porsche 993 (911) C4 1994-97
- Porsche 993 (911) RS 1994-97
- Porsche 993 (911) C2S 1994-97
- Porsche 993 (911) C4S 1994-97
Brillant.

Convient à :
Porsche 993 / 993 4S 3.6-3.8 10/1993-09/1997
Remarque : ces catalyseurs sport rendront votre voiture plus bruyante qu'avec des catalyseurs d'origine. Si vous possédez ou prévoyez d'installer des silencieux sport, le bruit risque d'être un peu trop fort. Nous vous recommandons d'utiliser un composant d'échappement sport si vous êtes préoccupé par le niveau sonore.
REMARQUE : Au Royaume-Uni, les convertisseurs catalytiques et les tuyaux de dérivation sport ne sont pas homologués et ne sont pas autorisés sur les véhicules fabriqués après le 1er mars 2001. Ils ne sont pas conformes au contrôle technique et ne peuvent pas être utilisés sur la voie publique. Ces composants sont exclusivement destinés à la compétition et à la piste.
Pour les véhicules fabriqués avant le 1er mars 2001, un convertisseur catalytique sport non homologué peut être installé, à condition qu'il offre des performances comparables à l'original et que le véhicule continue de respecter les normes d'émissions applicables pour son âge.
Le véhicule doit encore passer le contrôle technique. Si vous résidez hors du Royaume-Uni, veuillez vérifier la législation et la réglementation locales pour vous assurer de leur conformité.
Numéros de référence associés
Numéros associés, remplacés, de référence croisée ou alternatifs à des fins de comparaison.
993PO93260S
Le produit que vous consultez fait référence à ces numéros
- Porsche 993 (911) C2 1994-97
- Porsche 993 (911) C4 1994-97

Convient à :
Porsche 993 C2 / C4 / C4S avec système d'échappement "Bischoff" remplace le convertisseur catalytique "Bischoff".
Livré avec trou et bouchon pour sonde lambda.
REMARQUE : Au Royaume-Uni, les convertisseurs catalytiques et les tuyaux de dérivation sport ne sont pas homologués et ne sont pas autorisés sur les véhicules fabriqués après le 1er mars 2001. Ils ne sont pas conformes au contrôle technique et ne peuvent pas être utilisés sur la voie publique. Ces composants sont exclusivement destinés à la compétition et à la piste.
Pour les véhicules fabriqués avant le 1er mars 2001, l'installation d'un catalyseur sport non homologué est autorisée, à condition qu'il offre des performances comparables à celles du catalyseur d'origine et que le véhicule continue de respecter les normes d'émissions applicables pour son âge. Le véhicule doit néanmoins passer le contrôle technique.
Si vous êtes situé en dehors du Royaume-Uni, veuillez vérifier vos lois et réglementations locales pour garantir leur conformité.
Numéros de référence associés
Numéros associés, remplacés, de référence croisée ou alternatifs à des fins de comparaison.
9930093400S
Le produit que vous consultez fait référence à ces numéros
- Porsche 993 (911) C2 1994-97
- Porsche 993 (911) C4 1994-97
- Porsche 993 (911) C4S 1994-97

Convient à :
Porsche 993 C2 / C4 / C4S avec système d'échappement "Gillet" remplace le convertisseur catalytique "Gillet".
Livré avec trou et bouchon pour sonde lambda.
REMARQUE : Au Royaume-Uni, les convertisseurs catalytiques et les tuyaux de dérivation sport ne sont pas homologués et ne sont pas autorisés sur les véhicules fabriqués après le 1er mars 2001. Ils ne sont pas conformes au contrôle technique et ne peuvent pas être utilisés sur la voie publique. Ces composants sont exclusivement destinés à la compétition et à la piste.
Pour les véhicules fabriqués avant le 1er mars 2001, l'installation d'un catalyseur sport non homologué est autorisée, à condition qu'il offre des performances comparables à celles du catalyseur d'origine et que le véhicule continue de respecter les normes d'émissions applicables pour son âge. Le véhicule doit néanmoins passer le contrôle technique.
Si vous êtes situé en dehors du Royaume-Uni, veuillez vérifier vos lois et réglementations locales pour garantir leur conformité.
Numéros de référence associés
Numéros associés, remplacés, de référence croisée ou alternatifs à des fins de comparaison.
9930093410S
Le produit que vous consultez fait référence à ces numéros
- Porsche 993 (911) C2 1994-97
- Porsche 993 (911) C4 1994-97
- Porsche 993 (911) C4S 1994-97

Compatible avec : tous les véhicules Porsche 993 Carrera 1994-1998 - 3,6 L / 3,8 L et moteurs
Le kit collecteur/silencieux RSR de Fabspeed est un système d'échappement complet, conçu pour la piste. Il offre une sonorité agressive tout en augmentant la puissance, le couple et la réactivité de l'accélérateur. Disponible en sortie simple ou double, avec ou sans échangeur thermique, il est également idéal pour les voitures de route. Ce kit collecteur/silencieux est conçu de A à Z pour optimiser les performances de la Porsche 993 Carrera. Outre l'amélioration de la puissance, du couple et de la réactivité de l'accélérateur, il réduit également le poids total de votre voiture de 20 kg, améliorant ainsi sa tenue de route et ses accélérations.
SON:
Ce kit est spécialement conçu pour une utilisation sur piste, mais fonctionne bien pour les conducteurs de rue qui souhaitent une note d'échappement agressive et inspirée de la piste.
POUVOIR:
Nous avons développé chaque détail pour exploiter pleinement les performances dynamiques de la Carrera. Sur notre banc d'essai, nous avons constaté des gains de 29 ch et 25 pi-lb de couple.
CARACTÉRISTIQUES:
• Son de voiture de coupe fort et agressif
• Tubes collecteurs de 1,75" / 45 mm, 26" de long
• Ce système peut être commandé avec des sorties simples ou doubles
• Maintenez la chaleur de votre cabine d'usine grâce à l'échangeur de chaleur en option sur les collecteurs
• Économise 43 lb à l'arrière du véhicule avec l'option d'échange de chaleur et économise 47 lb sans l'option d'échange de chaleur
• Fabriqué en acier inoxydable T304L plié au mandrin
• Installation simple à boulonner, aucune découpe ni soudure requise
• Tous les produits de performance Fabspeed sont couverts par la garantie à vie Fabspeed
NOTE:
Cet ensemble peut être acheté avec un échangeur thermique sur les collecteurs, qui contribuera à maintenir la température d'origine de l'habitacle. Sans ce système, vous gagnerez 1,8 kg supplémentaires, soit un gain de poids total de 22 kg.
AVIS DE NON-RESPONSABILITÉ : Fabspeed Motorsport n'autorise pas l'utilisation de dispositifs antipollution pour les véhicules circulant sur la voie publique. Fabspeed Motorsport s'engage à ne pas altérer, retirer, désactiver ou contourner les dispositifs antipollution d'un véhicule automobile, conformément à l'article 86.1854.12(a)(3) du titre 40 du CFR et à l'article 1068.101(b) du Clean Air Act. Cela inclut les logiciels, appelés « tunes », qui reprogramment le module de commande électronique d'un véhicule automobile afin de modifier les performances du moteur et de permettre le retrait des filtres, catalyseurs et autres dispositifs antipollution critiques.
Attention : il s'agit d'un article fabriqué sur commande. Dans certains cas, veuillez prévoir un délai de livraison de 4 à 5 semaines. Une fois la commande passée, les articles commandés auprès de ce fournisseur ne peuvent pas être annulés.
REMARQUE : Au Royaume-Uni, les convertisseurs catalytiques et les tuyaux de dérivation sport ne sont pas homologués et ne sont pas autorisés sur les véhicules fabriqués après le 1er mars 2001. Ils ne sont pas conformes au contrôle technique et ne peuvent pas être utilisés sur la voie publique. Ces composants sont exclusivement destinés à la compétition et à la piste.
Pour les véhicules fabriqués avant le 1er mars 2001, un convertisseur catalytique sport non homologué peut être installé, à condition qu'il offre des performances comparables à l'original et que le véhicule continue de respecter les normes d'émissions applicables pour son âge.
Le véhicule doit encore passer le contrôle technique. Si vous résidez hors du Royaume-Uni, veuillez vérifier la législation et la réglementation locales pour vous assurer de leur conformité.
Numéros de référence associés
Numéros associés, remplacés, de référence croisée ou alternatifs à des fins de comparaison.
FSPOR993RSRWH
Le produit que vous consultez fait référence à ces numéros
- Porsche 993 (911) C2 1994-97
- Porsche 993 (911) C4 1994-97
- Porsche 993 (911) RS 1994-97
- Porsche 993 (911) C2S 1994-97
- Porsche 993 (911) C4S 1994-97
Le prix est pour chacun

Convient :
Porsche 993 turbo - 1994 à 1997
Cliquez sur « Zoomer » pour afficher le diagramme des grandes pièces.
Schéma réf n°3
Numéros de référence associés
Numéros associés, remplacés, de référence croisée ou alternatifs à des fins de comparaison.
96511120500
Le produit que vous consultez fait référence à ces numéros
- Porsche 993 (911) TURBO 1994-96
- Porsche 993 (911) GT2 1994-97
- Porsche 993 (911) TURBO S 1994-97
Le X-Pipe à écoulement libre haute performance remplace le silencieux d'usine lourd et restrictif pour une puissance et un son améliorés.

Veuillez noter:
Ce produit est actuellement en cours de mise à jour et sera bientôt disponible à l'achat. Veuillez nous contacter pour plus d'informations.
CARACTÉRISTIQUES:
• Convient à tous les véhicules Porsche 993 Turbo / Turbo S (1995-1998)
• Améliore la puissance et la réponse de l'accélérateur
• Permet d'économiser 8 livres à l'arrière du véhicule
• Fabriqué en acier inoxydable T304L de calibre 14-16 de haute qualité, plié au mandrin CNC, pour un débit optimal et une durabilité maximale
• Remplacement direct par boulonnage du silencieux d'usine restrictif
• Tous les produits de performance Fabspeed sont couverts par la garantie limitée à vie Fabspeed
REMARQUE : les convertisseurs catalytiques à haut débit à 200 cellules de Fabspeed ne sont pas certifiés CARB et sont destinés à une utilisation hors route UNIQUEMENT dans l'État de Californie
Attention : il s'agit d'un article fabriqué sur commande. Dans certains cas, veuillez prévoir un délai de livraison de 4 à 5 semaines. Une fois la commande passée, les articles commandés auprès de ce fournisseur ne peuvent pas être annulés.
REMARQUE : Au Royaume-Uni, les convertisseurs catalytiques et les tuyaux de dérivation sport ne sont pas homologués et ne sont pas autorisés sur les véhicules fabriqués après le 1er mars 2001. Ils ne sont pas conformes au contrôle technique et ne peuvent pas être utilisés sur la voie publique. Ces composants sont exclusivement destinés à la compétition et à la piste.
Pour les véhicules fabriqués avant le 1er mars 2001, un convertisseur catalytique sport non homologué peut être installé, à condition qu'il offre des performances comparables à l'original et que le véhicule continue de respecter les normes d'émissions applicables pour son âge.
Le véhicule doit encore passer le contrôle technique. Si vous résidez hors du Royaume-Uni, veuillez vérifier la législation et la réglementation locales pour vous assurer de leur conformité.
Numéros de référence associés
Numéros associés, remplacés, de référence croisée ou alternatifs à des fins de comparaison.
FSPOR993TSCX
Le produit que vous consultez fait référence à ces numéros
- Porsche 993 (911) TURBO 1994-96
- Porsche 993 (911) TURBO S 1994-97

Joints composites inclus.
+8 CV et un couple nettement supérieur.
Permet d'économiser 11 lb/5 kg par rapport aux convertisseurs catalytiques d'origine.
Ce nouveau système modulaire comprend un convertisseur catalytique sport importé d'Allemagne à 200 cellules et une option de dérivation de catalyseur dans un système interchangeable.
Le tube en X du convertisseur catalytique sport 993 diffère selon les années. Les modèles 993 de 1994 à 1996 et toutes les 993 SUPERCUP (993CUP de 1994 à 1997) sont équipés de brides ovales Bischoff à 3 boulons. Les modèles 993 de 1996 et 1998 sont tous équipés de brides rondes Gillett à 3 boulons. Veuillez préciser le type de bride lors de votre commande.
En cas de doute, vérifiez en particulier les voitures de fin 1995 et de début 1996, car il s'agissait d'une « année de croisement » et le style de bride a changé au cours de l'année.
Mandrin CNC en acier inoxydable T304 plié avec un brillant de miroir de voiture d'exposition poli.
Simple et facile à visser et à dévisser quand vous en avez besoin !
Meilleur rapport qualité-prix PROUVÉ sur le marché.
Peut nécessiter un bouchon obturateur (90012300920) et une rondelle (90021901500). Disponibles séparément.
Attention : il s'agit d'un article fabriqué sur commande. Dans certains cas, veuillez prévoir un délai de livraison de 4 à 5 semaines. Une fois la commande passée, les articles commandés auprès de ce fournisseur ne peuvent pas être annulés.
REMARQUE : Au Royaume-Uni, les convertisseurs catalytiques et les tuyaux de dérivation sport ne sont pas homologués et ne sont pas autorisés sur les véhicules fabriqués après le 1er mars 2001. Ils ne sont pas conformes au contrôle technique et ne peuvent pas être utilisés sur la voie publique. Ces composants sont exclusivement destinés à la compétition et à la piste.
Pour les véhicules fabriqués avant le 1er mars 2001, l'installation d'un catalyseur sport non homologué est autorisée, à condition qu'il offre des performances comparables à celles du catalyseur d'origine et que le véhicule continue de respecter les normes d'émissions applicables pour son âge. Le véhicule doit néanmoins passer le contrôle technique.
Si vous êtes situé en dehors du Royaume-Uni, veuillez vérifier vos lois et réglementations locales pour garantir leur conformité.
Numéros de référence associés
Numéros associés, remplacés, de référence croisée ou alternatifs à des fins de comparaison.
FSPOR993
Le produit que vous consultez fait référence à ces numéros
- Porsche 993 (911) C2 1994-97
- Porsche 993 (911) C4 1994-97
- Porsche 993 (911) RS 1994-97
- Porsche 993 (911) C2S 1994-97
- Porsche 993 (911) C4S 1994-97

Joints composites inclus.
+8 CV et un couple nettement supérieur.
Permet d'économiser 11 lb/5 kg par rapport aux convertisseurs catalytiques d'origine.
Ce nouveau système modulaire comprend un convertisseur catalytique sport importé d'Allemagne à 200 cellules et une option de dérivation de catalyseur dans un système interchangeable.
Le tube en X du convertisseur catalytique sport 993 diffère selon les années. Les modèles 993 de 1994 à 1996 et toutes les 993 SUPERCUP (993CUP de 1994 à 1997) sont équipés de brides ovales Bischoff à 3 boulons. Les modèles 993 de 1996 et 1998 sont tous équipés de brides rondes Gillett à 3 boulons. Veuillez préciser le type de bride lors de votre commande.
En cas de doute, vérifiez en particulier les voitures de fin 1995 et de début 1996, car il s'agissait d'une « année de croisement » et le style de bride a changé au cours de l'année.
Mandrin CNC en acier inoxydable T304 plié avec un brillant de miroir de voiture d'exposition poli.
Simple et facile à visser et à dévisser quand vous en avez besoin !
Meilleur rapport qualité-prix PROUVÉ sur le marché.
Peut nécessiter un bouchon obturateur (90012300920) et une rondelle (90021901500). Disponibles séparément.
Attention : il s'agit d'un article fabriqué sur commande. Dans certains cas, veuillez prévoir un délai de livraison de 4 à 5 semaines. Une fois la commande passée, les articles commandés auprès de ce fournisseur ne peuvent pas être annulés.
REMARQUE : Au Royaume-Uni, les convertisseurs catalytiques et les tuyaux de dérivation sport ne sont pas homologués et ne sont pas autorisés sur les véhicules fabriqués après le 1er mars 2001. Ils ne sont pas conformes au contrôle technique et ne peuvent pas être utilisés sur la voie publique. Ces composants sont exclusivement destinés à la compétition et à la piste.
Pour les véhicules fabriqués avant le 1er mars 2001, l'installation d'un catalyseur sport non homologué est autorisée, à condition qu'il offre des performances comparables à celles du catalyseur d'origine et que le véhicule continue de respecter les normes d'émissions applicables pour son âge. Le véhicule doit néanmoins passer le contrôle technique.
Si vous êtes situé en dehors du Royaume-Uni, veuillez vérifier vos lois et réglementations locales pour garantir leur conformité.
Numéros de référence associés
Numéros associés, remplacés, de référence croisée ou alternatifs à des fins de comparaison.
FSPOR993
Le produit que vous consultez fait référence à ces numéros
- Porsche 993 (911) C2 1994-97
- Porsche 993 (911) C4 1994-97
- Porsche 993 (911) RS 1994-97
- Porsche 993 (911) C2S 1994-97
- Porsche 993 (911) C4S 1994-97
Convertisseurs catalytiques d'échappement et tuyaux de dérivation – Performances, efficacité et contrôle du débit
Le convertisseur catalytique joue un rôle crucial dans le système d'échappement de votre Porsche : il réduit les émissions nocives tout en maintenant un flux d'échappement optimal. Placé entre le collecteur d'échappement et le silencieux, il convertit les gaz toxiques tels que le monoxyde de carbone, les hydrocarbures et les oxydes d'azote en émissions moins nocives avant leur sortie du pot d'échappement.
Chez Design911, nous proposons une gamme complète de convertisseurs catalytiques et de by-pass pour les véhicules Porsche. Nos convertisseurs de qualité constructeur garantissent un contrôle fiable des émissions et des performances à long terme, tandis que nos options de by-pass sont conçues pour une utilisation sur circuit ou en compétition, optimisant le flux d'échappement pour une puissance et une réactivité maximales.
Que vous entreteniez votre Porsche pour répondre aux normes d'émissions ou que vous effectuiez une mise à niveau pour améliorer les performances d'échappement, notre sélection comprend à la fois des convertisseurs à montage direct et des kits de dérivation de performance construits en acier inoxydable de haute qualité pour plus de résistance, de résistance à la corrosion et de durabilité.
À quoi servent les convertisseurs catalytiques et les tuyaux de dérivation ?
Un convertisseur catalytique utilise un fin maillage de métaux précieux pour déclencher des réactions chimiques qui décomposent les polluants. L'alternative au by-pass élimine la restriction du flux d'échappement, améliorant ainsi les performances dans les environnements sans contrôle des émissions, comme la conduite sur circuit.
Fonctions principales :
- Convertit les gaz d’échappement toxiques en émissions respectueuses de l’environnement.
- Maintient la contre-pression d'échappement pour l'efficacité du moteur.
- Réduit les émissions nocives de NOx, CO et HC.
- Prend en charge des performances du moteur et un contrôle de l'accélérateur plus fluides.
- Les versions by-pass améliorent le flux d'échappement et améliorent la puissance de sortie des voitures de piste.
La mise à niveau vers un système de performance garantit que votre Porsche continue de répondre aux exigences en matière d'émissions ou atteint un débit et une réactivité supérieurs pour les applications de sport automobile.
Pourquoi les convertisseurs catalytiques tombent-ils en panne ?
Les convertisseurs catalytiques sont exposés à une chaleur extrême, au carburant non brûlé et aux contaminants, qui peuvent tous dégrader leurs performances au fil du temps.
Les causes courantes d’échec comprennent :
- Accumulation de carbone ou d’huile bloquant le nid d’abeilles interne.
- Dommages thermiques dus à une surchauffe ou à des mélanges de carburant riches.
- Dommages matériels causés par des débris de la route ou des ratés d’allumage des moteurs.
- Corrosion due à l'humidité et à la condensation des gaz d'échappement.
- L'usure liée à l'âge réduit l'efficacité catalytique.
Un convertisseur défectueux peut entraîner une baisse de puissance du moteur, une consommation de carburant réduite, des cliquetis ou l'allumage du voyant moteur. Son remplacement rétablit la conformité aux normes antipollution, les performances et l'efficacité des gaz d'échappement.
Pourquoi remplacer ou mettre à niveau avec des composants conçus avec précision ?
Le remplacement d'un convertisseur défaillant ou la mise à niveau vers un tuyau de dérivation garantit que votre Porsche conserve des performances et une fiabilité optimales.
Principaux avantages :
- Restaure les performances et l’efficacité optimales des émissions.
- Améliore le flux d'échappement et la réponse de l'accélérateur.
- Réduit le stress du moteur et la consommation de carburant.
- Construction durable en acier inoxydable pour une longévité accrue.
- Compatibilité directe pour Porsche 911, Cayman, Boxster, Panamera, Macan et plus.
- Options de contournement des performances disponibles pour les applications de piste et de réglage.
Que vous souhaitiez une conformité aux émissions ou un débit maximal pour une utilisation en compétition, nos pièces offrent fiabilité, précision et performances.
Points forts:
- Convertisseurs catalytiques et tuyaux de dérivation à montage direct pour modèles Porsche.
- Conçu avec précision pour un débit optimal et des émissions réduites.
- Fabriqué en acier inoxydable résistant à la chaleur pour plus de durabilité.
- Tuyaux de dérivation pour le réglage des performances et les applications sur piste.
- Restaure la puissance, l’efficacité et l’équilibre du bruit d’échappement.
- Disponible pour les véhicules Porsche classiques et modernes.