Goujons de culasse de moteur
Le kit comprend
11 x carter de manivelle Longs goujons à vis
2 x carter de manivelle goujons à vis courts
13 x rondelles de vis de carter de manivelle
13 x joints toriques pour vis de carter de vilebrequin
11 x écrous à vis de carter de manivelle
Convient :
Porsche 964 1989-94
Porsche 993 1994-98
Porsche 996 Turbo
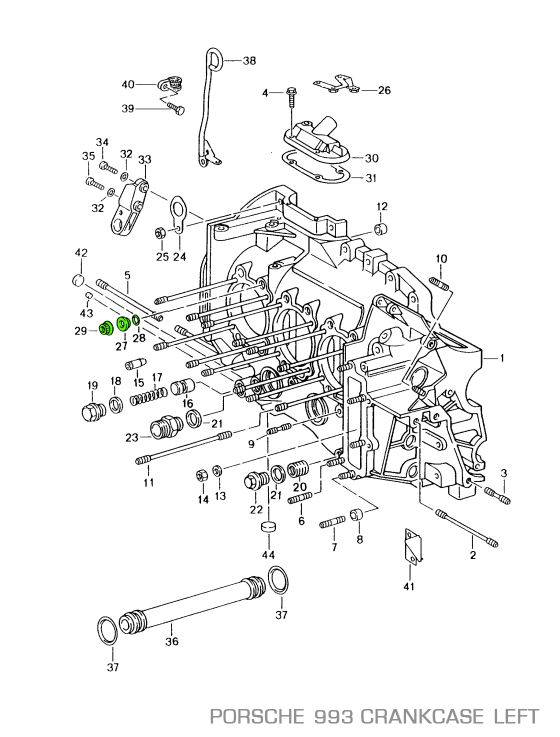
Cliquez sur "Zoom avant" pour le schéma des grandes pièces.
Schéma Ref No 26, 27, 28, 29, 46.
Numéros de référence associés
Numéros associés, remplacés, de référence croisée ou alternatifs à des fins de comparaison.
ENGINEKIT06
Le produit que vous consultez fait référence à ces numéros
- Porsche 964 (911) C2 1989-93
- Porsche 964 (911) C4 1989-93
- Porsche 964 (911) RS 3.6L 1991-93
- Porsche 964 (911) RS 3.8L 1991-93
- Porsche 964 (911) TURBO 3.3L 1991-93
- Porsche 964 (911) TURBO 3.6L 1991-93
- Porsche 993 (911) C2 1994-97
- Porsche 993 (911) C4 1994-97
- Porsche 993 (911) RS 1994-97
- Porsche 993 (911) C2S 1994-97
- Porsche 993 (911) C4S 1994-97
- Porsche 993 (911) TURBO 1994-96
- Porsche 993 (911) GT2 1994-97
- Porsche 993 (911) TURBO S 1994-97
- Porsche 996 TURBO 2000-05
PAQUET DE 12 . Normalement 24 goujons par moteur.

Convient :
Porsche911 1965-89
Porsche964 1989-94
Porsche993 1994-98
Ce produit remplace les anciens numéros de pièces Porsche :
- 99310117051
Résout les problèmes de goujons de culasse desserrés. La fuite d'échappement que vous entendez dans la 911 peut en fait être la fuite de la culasse là où les goujons se sont desserrés. À mesure que Porsche augmentait la cylindrée du moteur de la 911, les différents taux de dilatation thermique ont provoqué la rupture ou l'arrachement des goujons de culasse du carter moteur.
Cliquez sur « Zoomer » pour afficher le diagramme des grandes pièces.
Schéma réf n°2.
Numéros de référence associés
Numéros associés, remplacés, de référence croisée ou alternatifs à des fins de comparaison.
99310117054
Le produit que vous consultez fait référence à ces numéros
- Porsche 911 1965-1968 2.0L / 912 SWB (F)
- Porsche 911 1968-1973 2.2L / 2.4L / 2.7L RS LWB (F)
- Porsche 911 1974-1977 2.7L / 1976-77 3.0 Carrera
- Porsche 911 1978-1983 3.0L / SC
- Porsche 911 1984-1986 3.2L
- Porsche 911 1987-1989 3.2L G50
- Porsche 911 1975-1977 3.0L Turbo (930)
- Porsche 911 1978-1989 3.3L Turbo (930)
- Porsche 964 (911) C2 1989-93
- Porsche 964 (911) C4 1989-93
- Porsche 964 (911) RS 3.6L 1991-93
- Porsche 964 (911) RS 3.8L 1991-93
- Porsche 964 (911) TURBO 3.3L 1991-93
- Porsche 964 (911) TURBO 3.6L 1991-93
- Porsche 993 (911) C2 1994-97
- Porsche 993 (911) C4 1994-97
- Porsche 993 (911) RS 1994-97
- Porsche 993 (911) C2S 1994-97
- Porsche 993 (911) C4S 1994-97
- Porsche 993 (911) TURBO 1994-96
- Porsche 993 (911) GT2 1994-97
- Porsche 993 (911) TURBO S 1994-97
PAQUET DE 24 . Normalement 24 goujons par moteur.

Convient :
Porsche911 1965-89
Porsche964 1989-94
Porsche993 1994-98
Ce produit remplace les anciens numéros de pièces Porsche :
- 99310117051
Résout les problèmes de goujons de culasse desserrés. La fuite d'échappement que vous entendez dans la 911 peut en fait être la fuite de la culasse là où les goujons se sont desserrés. À mesure que Porsche augmentait la cylindrée du moteur de la 911, les différents taux de dilatation thermique ont provoqué la rupture ou l'arrachement des goujons de culasse du carter moteur.
Cliquez sur « Zoomer » pour afficher le diagramme des grandes pièces.
Schéma réf n°2.
Numéros de référence associés
Numéros associés, remplacés, de référence croisée ou alternatifs à des fins de comparaison.
99310117054
Le produit que vous consultez fait référence à ces numéros
- Porsche 911 1965-1968 2.0L / 912 SWB (F)
- Porsche 911 1968-1973 2.2L / 2.4L / 2.7L RS LWB (F)
- Porsche 911 1974-1977 2.7L / 1976-77 3.0 Carrera
- Porsche 911 1978-1983 3.0L / SC
- Porsche 911 1984-1986 3.2L
- Porsche 911 1987-1989 3.2L G50
- Porsche 911 1975-1977 3.0L Turbo (930)
- Porsche 911 1978-1989 3.3L Turbo (930)
- Porsche 964 (911) C2 1989-93
- Porsche 964 (911) C4 1989-93
- Porsche 964 (911) RS 3.6L 1991-93
- Porsche 964 (911) RS 3.8L 1991-93
- Porsche 964 (911) TURBO 3.3L 1991-93
- Porsche 964 (911) TURBO 3.6L 1991-93
- Porsche 993 (911) C2 1994-97
- Porsche 993 (911) C4 1994-97
- Porsche 993 (911) RS 1994-97
- Porsche 993 (911) C2S 1994-97
- Porsche 993 (911) C4S 1994-97
- Porsche 993 (911) TURBO 1994-96
- Porsche 993 (911) GT2 1994-97
- Porsche 993 (911) TURBO S 1994-97
ENSEMBLE DE 24

Convient :
Porsche 993 3.6L Carrera/Carrera 4 1989-94
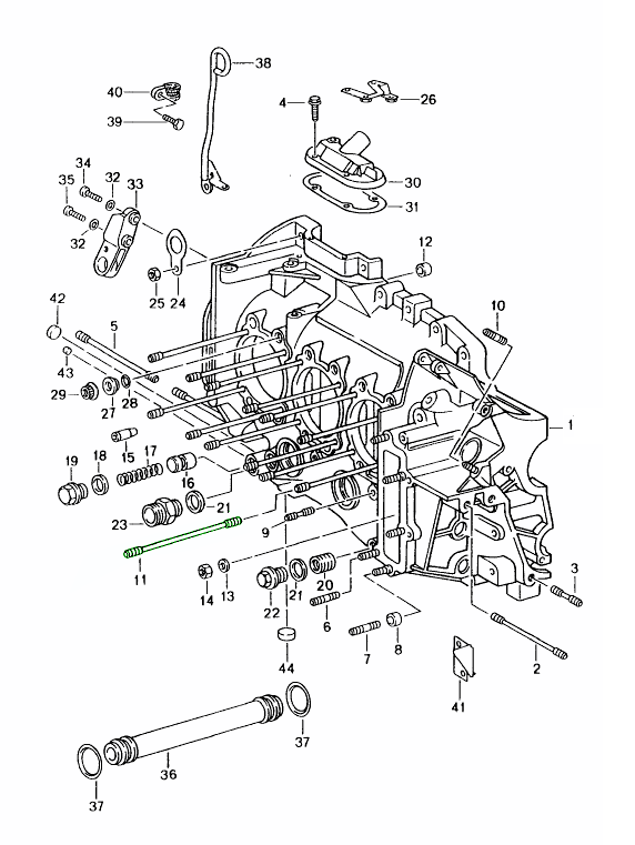
Cliquez sur « Zoomer » pour voir le diagramme des grandes pièces.
Schéma réf n°11
Numéros de référence associés
Numéros associés, remplacés, de référence croisée ou alternatifs à des fins de comparaison.
99310117203
Le produit que vous consultez fait référence à ces numéros
- Porsche 993 (911) C2 1994-97
- Porsche 993 (911) C4 1994-97
Goujon de culasse. 24 pièces par moteur.
JEU DE 24

Convient :
Porsche 993 3.6L Carrera / Carrera 4 1989-94
Cliquez sur 'Zoom avant' pour le diagramme des grandes pièces Diagramme ref no 11
Numéros de référence associés
Numéros associés, remplacés, de référence croisée ou alternatifs à des fins de comparaison.
99310117203
Le produit que vous consultez fait référence à ces numéros
- Porsche 993 (911) C2 1994-97
- Porsche 993 (911) C4 1994-97
- Porsche 993 (911) RS 1994-97
- Porsche 993 (911) C2S 1994-97
- Porsche 993 (911) C4S 1994-97
JEU DE 24 CLOUS (Qualité Origine Porsche)

Convient :
Porsche 911 1965-89
Porsche 964 1989-94
Porsche 993 1994-98
Cliquez sur l'image pour le schéma des grandes pièces.
Schéma Ref No 2.
Numéros de référence associés
Numéros associés, remplacés, de référence croisée ou alternatifs à des fins de comparaison.
99310117054
Le produit que vous consultez fait référence à ces numéros
- Porsche 911 1965-1968 2.0L / 912 SWB (F)
- Porsche 911 1968-1973 2.2L / 2.4L / 2.7L RS LWB (F)
- Porsche 911 1974-1977 2.7L / 1976-77 3.0 Carrera
- Porsche 911 1978-1983 3.0L / SC
- Porsche 911 1984-1986 3.2L
- Porsche 911 1987-1989 3.2L G50
- Porsche 911 1975-1977 3.0L Turbo (930)
- Porsche 911 1978-1989 3.3L Turbo (930)
- Porsche 964 (911) C2 1989-93
- Porsche 964 (911) C4 1989-93
- Porsche 964 (911) RS 3.6L 1991-93
- Porsche 964 (911) RS 3.8L 1991-93
- Porsche 964 (911) TURBO 3.3L 1991-93
- Porsche 964 (911) TURBO 3.6L 1991-93
- Porsche 993 (911) C2 1994-97
- Porsche 993 (911) C4 1994-97
- Porsche 993 (911) RS 1994-97
- Porsche 993 (911) C2S 1994-97
- Porsche 993 (911) C4S 1994-97
- Porsche 993 (911) TURBO 1994-96
- Porsche 993 (911) GT2 1994-97
- Porsche 993 (911) TURBO S 1994-97

Convient :
Porsche911 1965-89
Porsche964 1989-94
Porsche993 1994-98
Cliquez sur « Zoomer » pour afficher le diagramme des grandes pièces.
Schéma réf n°11
Numéros de référence associés
Numéros associés, remplacés, de référence croisée ou alternatifs à des fins de comparaison.
99310117054
Le produit que vous consultez fait référence à ces numéros
- Porsche 911 1965-1968 2.0L / 912 SWB (F)
- Porsche 911 1968-1973 2.2L / 2.4L / 2.7L RS LWB (F)
- Porsche 911 1974-1977 2.7L / 1976-77 3.0 Carrera
- Porsche 911 1978-1983 3.0L / SC
- Porsche 911 1984-1986 3.2L
- Porsche 911 1987-1989 3.2L G50
- Porsche 911 1975-1977 3.0L Turbo (930)
- Porsche 911 1978-1989 3.3L Turbo (930)
- Porsche 964 (911) C2 1989-93
- Porsche 964 (911) C4 1989-93
- Porsche 964 (911) RS 3.6L 1991-93
- Porsche 964 (911) RS 3.8L 1991-93
- Porsche 964 (911) TURBO 3.3L 1991-93
- Porsche 964 (911) TURBO 3.6L 1991-93
- Porsche 993 (911) C2 1994-97
- Porsche 993 (911) C4 1994-97
- Porsche 993 (911) RS 1994-97
- Porsche 993 (911) C2S 1994-97
- Porsche 993 (911) C4S 1994-97
- Porsche 993 (911) TURBO 1994-96
- Porsche 993 (911) GT2 1994-97
- Porsche 993 (911) TURBO S 1994-97
Normalement 24 goujons par moteur.

Résout les problèmes de goujons de tête desserrés. La fuite d'échappement que vous entendez dans la 911 peut en fait être la fuite de la culasse là où les goujons se sont détachés. Alors que Porsche augmentait la cylindrée du moteur 911, les différents taux de dilatation thermique ont provoqué la rupture ou l'arrachement des goujons de culasse du carter du moteur.
Résistance supérieure testée/prouvée. (par rapport à Dilavar & Raceware)
Convient :
Porsche 911 1965-89
Porsche 964 1989-94
Porsche 993 1994-98
Ce produit remplace les anciennes références Porsche :
- 993 101 170 51
Cliquez sur l'image pour le schéma des grandes pièces.
Schéma Ref No 2.
Numéros de référence associés
Numéros associés, remplacés, de référence croisée ou alternatifs à des fins de comparaison.
99310117054
Le produit que vous consultez fait référence à ces numéros
- Porsche 911 1965-1968 2.0L / 912 SWB (F)
- Porsche 911 1968-1973 2.2L / 2.4L / 2.7L RS LWB (F)
- Porsche 911 1974-1977 2.7L / 1976-77 3.0 Carrera
- Porsche 911 1978-1983 3.0L / SC
- Porsche 911 1984-1986 3.2L
- Porsche 911 1987-1989 3.2L G50
- Porsche 911 1975-1977 3.0L Turbo (930)
- Porsche 911 1978-1989 3.3L Turbo (930)
- Porsche 964 (911) C2 1989-93
- Porsche 964 (911) C4 1989-93
- Porsche 964 (911) RS 3.6L 1991-93
- Porsche 964 (911) RS 3.8L 1991-93
- Porsche 964 (911) TURBO 3.3L 1991-93
- Porsche 964 (911) TURBO 3.6L 1991-93
- Porsche 993 (911) C2 1994-97
- Porsche 993 (911) C4 1994-97
- Porsche 993 (911) RS 1994-97
- Porsche 993 (911) C2S 1994-97
- Porsche 993 (911) C4S 1994-97
- Porsche 993 (911) TURBO 1994-96
- Porsche 993 (911) GT2 1994-97
- Porsche 993 (911) TURBO S 1994-97
Normalement 24 goujons par moteur.

Résout les problèmes de goujons de culasse desserrés. La fuite d'échappement que vous entendez dans la 911 peut en fait être la fuite de la culasse là où les goujons se sont desserrés. À mesure que Porsche augmentait la cylindrée du moteur de la 911, les différents taux de dilatation thermique ont provoqué la rupture ou l'arrachement des goujons de culasse du carter moteur.
Résistance supérieure testée/prouvée. (par rapport à Dilavar & Raceware)
Convient :
Porsche911 1965-89
Porsche964 1989-94
Porsche993 1994-98
Ce produit remplace les anciens numéros de pièces Porsche :
- 993 101 170 51
Cliquez sur l'image pour voir le schéma des grandes pièces.
Schéma Réf No 2.
Numéros de référence associés
Numéros associés, remplacés, de référence croisée ou alternatifs à des fins de comparaison.
99310117054
Le produit que vous consultez fait référence à ces numéros
- Porsche 911 1965-1968 2.0L / 912 SWB (F)
- Porsche 911 1968-1973 2.2L / 2.4L / 2.7L RS LWB (F)
- Porsche 911 1974-1977 2.7L / 1976-77 3.0 Carrera
- Porsche 911 1978-1983 3.0L / SC
- Porsche 911 1984-1986 3.2L
- Porsche 911 1987-1989 3.2L G50
- Porsche 911 1975-1977 3.0L Turbo (930)
- Porsche 911 1978-1989 3.3L Turbo (930)
- Porsche 964 (911) C2 1989-93
- Porsche 964 (911) C4 1989-93
- Porsche 964 (911) RS 3.6L 1991-93
- Porsche 964 (911) RS 3.8L 1991-93
- Porsche 964 (911) TURBO 3.3L 1991-93
- Porsche 964 (911) TURBO 3.6L 1991-93
- Porsche 993 (911) C2 1994-97
- Porsche 993 (911) C4 1994-97
- Porsche 993 (911) RS 1994-97
- Porsche 993 (911) C2S 1994-97
- Porsche 993 (911) C4S 1994-97
- Porsche 993 (911) TURBO 1994-96
- Porsche 993 (911) GT2 1994-97
- Porsche 993 (911) TURBO S 1994-97
Kit de montage pour échangeur de chaleur d'échappement. Comprend des goujons et des écrous en titane .
Ces composants en titane résistent à la rouille et à la corrosion, ce qui peut constituer un problème courant avec les goujons et écrous en acier traditionnels. Cette résistance à la corrosion garantit que les goujons et les écrous conservent leur intégrité, permettant un retrait et une installation faciles si nécessaire. Ils constituent la mise à niveau parfaite pour les passionnés de Porsche qui exigent un accès facile au système d'échappement du véhicule.
Convient :
Porsche993
- Porsche 993 (911) C2 1994-97
- Porsche 993 (911) C4 1994-97
- Porsche 993 (911) C2S 1994-97
- Porsche 993 (911) C4S 1994-97

Convient :
Porsche 964 1990-94
Porsche 993 1995-98
Porsche 996 Turbo / GT3
Cliquez sur "Zoom avant" pour le schéma des grandes pièces.
Schéma réf n° 46
Numéros de référence associés
Numéros associés, remplacés, de référence croisée ou alternatifs à des fins de comparaison.
96410117401
Le produit que vous consultez fait référence à ces numéros
- Porsche 964 (911) C2 1989-93
- Porsche 964 (911) C4 1989-93
- Porsche 964 (911) RS 3.6L 1991-93
- Porsche 964 (911) RS 3.8L 1991-93
- Porsche 964 (911) TURBO 3.3L 1991-93
- Porsche 964 (911) TURBO 3.6L 1991-93
- Porsche 993 (911) C2 1994-97
- Porsche 993 (911) C4 1994-97
- Porsche 993 (911) RS 1994-97
- Porsche 993 (911) C2S 1994-97
- Porsche 993 (911) C4S 1994-97
- Porsche 993 (911) TURBO 1994-96
- Porsche 993 (911) GT2 1994-97
- Porsche 993 (911) TURBO S 1994-97
- Porsche 996 TURBO 2000-05
- Porsche 996 GT3 MKII 2003>>
- Porsche 996 GT3 RS 2003-04

Convient :
Porsche964 1990-94
Porsche993 1995-98
Porsche 996 Turbo / GT3
Cliquez sur « Zoomer » pour afficher le diagramme des grandes pièces.
Schéma réf n°46
Numéros de référence associés
Numéros associés, remplacés, de référence croisée ou alternatifs à des fins de comparaison.
96410117401
Le produit que vous consultez fait référence à ces numéros
- Porsche 964 (911) C2 1989-93
- Porsche 964 (911) C4 1989-93
- Porsche 964 (911) RS 3.6L 1991-93
- Porsche 964 (911) RS 3.8L 1991-93
- Porsche 964 (911) TURBO 3.3L 1991-93
- Porsche 964 (911) TURBO 3.6L 1991-93
- Porsche 993 (911) C2 1994-97
- Porsche 993 (911) C4 1994-97
- Porsche 993 (911) RS 1994-97
- Porsche 993 (911) C2S 1994-97
- Porsche 993 (911) C4S 1994-97
- Porsche 993 (911) TURBO 1994-96
- Porsche 993 (911) GT2 1994-97
- Porsche 993 (911) TURBO S 1994-97
- Porsche 996 TURBO 2000-05
- Porsche 996 GT3 MKII 2003>>
- Porsche 996 GT3 RS 2003-04

Convient :
Porsche993 1995-98
Cliquez sur « Zoomer » pour afficher le diagramme des grandes pièces.
Schéma réf n°2
Numéros de référence associés
Numéros associés, remplacés, de référence croisée ou alternatifs à des fins de comparaison.
99906228308
Le produit que vous consultez fait référence à ces numéros
- Porsche 993 (911) C2 1994-97
- Porsche 993 (911) C4 1994-97
- Porsche 993 (911) RS 1994-97
- Porsche 993 (911) C2S 1994-97
- Porsche 993 (911) C4S 1994-97
- Porsche 993 (911) TURBO 1994-96
- Porsche 993 (911) GT2 1994-97
- Porsche 993 (911) TURBO S 1994-97

Convient :
Porsche 911 1965-89
Porsche 964 1990-94
Porsche 993 1995-98
Porsche 914-6 1970-76
Cliquez sur "Zoom avant" pour le schéma des grandes pièces.
Schéma réf n°7.
Numéros de référence associés
Numéros associés, remplacés, de référence croisée ou alternatifs à des fins de comparaison.
99906205103
Le produit que vous consultez fait référence à ces numéros
- Porsche 911 1965-1968 2.0L / 912 SWB (F)
- Porsche 911 1968-1973 2.2L / 2.4L / 2.7L RS LWB (F)
- Porsche 911 1974-1977 2.7L / 1976-77 3.0 Carrera
- Porsche 911 1978-1983 3.0L / SC
- Porsche 911 1984-1986 3.2L
- Porsche 911 1987-1989 3.2L G50
- Porsche 911 1975-1977 3.0L Turbo (930)
- Porsche 911 1978-1989 3.3L Turbo (930)
- Porsche 964 (911) C2 1989-93
- Porsche 964 (911) C4 1989-93
- Porsche 964 (911) RS 3.6L 1991-93
- Porsche 964 (911) RS 3.8L 1991-93
- Porsche 964 (911) TURBO 3.3L 1991-93
- Porsche 964 (911) TURBO 3.6L 1991-93
- Porsche 993 (911) C2 1994-97
- Porsche 993 (911) C4 1994-97
- Porsche 993 (911) RS 1994-97
- Porsche 993 (911) C2S 1994-97
- Porsche 993 (911) C4S 1994-97
- Porsche 993 (911) TURBO 1994-96
- Porsche 993 (911) GT2 1994-97
- Porsche 993 (911) TURBO S 1994-97
- Porsche 914 (1970-1976)

Convient :
Porsche 964 1989-94
Porsche 993 1995-98
Porsche 996 Turbo / GT3
Porsche 997 Turbo / GT3 2007>>
Ce produit remplace l'ancien numéro de pièce de Porsche :
- 95910117301
Numéros de référence associés
Numéros associés, remplacés, de référence croisée ou alternatifs à des fins de comparaison.
95910117302
Le produit que vous consultez fait référence à ces numéros
- Porsche 964 (911) C2 1989-93
- Porsche 964 (911) C4 1989-93
- Porsche 964 (911) RS 3.6L 1991-93
- Porsche 964 (911) RS 3.8L 1991-93
- Porsche 964 (911) TURBO 3.6L 1991-93
- Porsche 993 (911) C2 1994-97
- Porsche 993 (911) C4 1994-97
- Porsche 993 (911) RS 1994-97
- Porsche 993 (911) C2S 1994-97
- Porsche 993 (911) C4S 1994-97
- Porsche 993 (911) TURBO 1994-96
- Porsche 993 (911) GT2 1994-97
- Porsche 993 (911) TURBO S 1994-97
- Porsche 996 TURBO 2000-05
- Porsche 996 GT3 MKI 1999-02
- Porsche 996 GT3 MKII 2003>>
- Porsche 996 GT3 RS 2003-04
- Porsche 997 MK1 TURBO 2007-09
- Porsche 997 MK1 GT3 2007-09
- Porsche 997 MKII GT3 2010-11
- Porsche 997 MKII Turbo 2010-13

Convient :
Porsche964 1989-94
Porsche993 1995-98
Porsche 996 Turbo / GT3
Porsche 997 Turbo / GT3 2007>>
Ce produit remplace l'ancien numéro de pièce de Porsche :
- 95910117301
Numéros de référence associés
Numéros associés, remplacés, de référence croisée ou alternatifs à des fins de comparaison.
95910117302
Le produit que vous consultez fait référence à ces numéros
- Porsche 964 (911) C2 1989-93
- Porsche 964 (911) C4 1989-93
- Porsche 964 (911) RS 3.6L 1991-93
- Porsche 964 (911) RS 3.8L 1991-93
- Porsche 964 (911) TURBO 3.6L 1991-93
- Porsche 993 (911) C2 1994-97
- Porsche 993 (911) C4 1994-97
- Porsche 993 (911) RS 1994-97
- Porsche 993 (911) C2S 1994-97
- Porsche 993 (911) C4S 1994-97
- Porsche 993 (911) TURBO 1994-96
- Porsche 993 (911) GT2 1994-97
- Porsche 993 (911) TURBO S 1994-97
- Porsche 996 TURBO 2000-05
- Porsche 996 GT3 MKI 1999-02
- Porsche 996 GT3 MKII 2003>>
- Porsche 996 GT3 RS 2003-04
- Porsche 997 MK1 TURBO 2007-09
- Porsche 997 MK1 GT3 2007-09
- Porsche 997 MKII GT3 2010-11
- Porsche 997 MKII Turbo 2010-13
Boulons et goujons de moteur de précision – Résistance, précision et fiabilité pour les moteurs Porsche
Les boulons et goujons du moteur sont les héros méconnus du moteur de votre Porsche : de petits composants essentiels qui garantissent l'intégrité structurelle sous des contraintes extrêmes. De la fixation des culasses et des bielles à la fixation des carters et des collecteurs, chaque élément de fixation doit offrir une résistance, une précision et une force de serrage irréprochables pour préserver les performances et la fiabilité de votre moteur.
Chez Design911, nous proposons une gamme complète de boulons, goujons, écrous et fixations standards et hautes performances, spécialement conçus pour les moteurs Porsche. Chaque composant haute performance est conçu avec précision en acier haute résistance, en titane ou en alliage de qualité ARP, offrant une résistance exceptionnelle à la chaleur, aux vibrations et à la fatigue due au couple.
Que vous reconstruisiez une 911 classique refroidie par air ou que vous régliez un modèle GT moderne, nos fixations de qualité fabricant garantissent un montage sûr, une rétention de couple constante et une durabilité à long terme.
À quoi servent les boulons et les goujons du moteur ?
Les boulons et goujons du moteur maintiennent ensemble les composants essentiels sous une pression intense. Ils maintiennent un couple et une tension précis, garantissant ainsi l'étanchéité et l'alignement parfaits du bloc moteur, des culasses et des assemblages internes.
Fonctions principales :
- Assure une force de serrage sûre pour les principaux assemblages du moteur (culasse, carter, bielles, etc.).
- Maintenir l'intégrité du couple en cas de dilatation thermique et de vibrations.
- Empêche le mouvement des composants , en préservant les jeux internes et les surfaces d'étanchéité.
- Prend en charge la précision de reconstruction , permettant aux composants d'être entretenus à plusieurs reprises sans distorsion.
Les fixations de qualité sport automobile sont conçues pour gérer des cycles de couple répétés et des contraintes extrêmes, ce qui les rend essentielles pour le réglage des performances et la restauration professionnelle du moteur.
Pourquoi les boulons et les goujons du moteur tombent-ils en panne ?
Au fil du temps, les fixations subissent étirement, fatigue et corrosion sous l'effet de la chaleur, de l'exposition à l'huile et des cycles de serrage répétés. Même les boulons les plus résistants ont une durée de vie limitée ; leur non-remplacement peut entraîner des dommages catastrophiques au moteur.
Les causes courantes d’échec comprennent :
- Fatigue ou étirement du métal dû à des applications de couple répétées.
- Corrosion et oxydation , notamment dans les environnements humides ou à forte chaleur.
- Serrage excessif ou insuffisant , compromettant la force de serrage.
- Usure ou endommagement du filetage dû à une installation incorrecte ou à des débris.
- Cycle thermique , affaiblissement de la structure du matériau au fil du temps.
Le remplacement des boulons et des goujons vieillis ou sollicités lors de chaque reconstruction ou entretien majeur garantit que le moteur de votre Porsche reste structurellement sain et sans fuite.
Pourquoi remplacer par des boulons et des goujons de précision ?
L'adoption de fixations haute performance offre la sécurité et la résistance exigées par les moteurs Porsche. Des boulons et goujons de précision garantissent un maintien constant du couple, une fiabilité accrue et une durée de vie prolongée des composants, notamment sous fortes charges ou températures élevées.
Principaux avantages :
Force de serrage et rétention de couple supérieures pour les assemblages critiques.
Haute résistance à la fatigue , empêchant le desserrage ou la rupture sous pression.
Protection améliorée contre la corrosion grâce à des revêtements en zinc, en nickel ou en oxyde noir.
Idéal pour les reconstructions, les mises à niveau et les applications de réglage des performances.
L'usinage de filetage de précision garantit une installation et un alignement répétables.
Disponible en titane et en acier haute résistance pour un rapport résistance/poids maximal.
Ces boulons et goujons offrent l'équilibre parfait entre les performances de niveau sport automobile et la durabilité sur route, gardant votre moteur Porsche en sécurité kilomètre après kilomètre.
Points forts:
- Gamme complète de boulons, goujons et fixations pour moteurs Porsche.
- Fabriqué en acier de qualité ARP, en titane ou en alliage à haute résistance.
- Filetages usinés avec précision pour un alignement parfait et un couple constant.
- Résistance améliorée à la chaleur, à la corrosion et aux vibrations.
- Indispensable pour les projets de reconstruction, de réglage et de restauration.
- Conçu pour les moteurs Porsche refroidis par air et par eau.