Saisissez votre numéro de TVA ici et cliquez sur Vérifier :
Il n'est pas nécessaire de saisir la partie code pays de votre numéro de TVA car elle a déjà été sélectionnée dans votre adresse de facturation ci-dessus.
Vos coordonnées ont été vérifiées. Numéro de TVA enregistré au nom de:
,
.
Votre commande sera désormais détaxée au titre de la TVA. Nous nous réservons le droit de vérifier ces détails une fois votre commande passée et de rétablir la TVA si nécessaire.
Vos données de TVA n'ont pas été reconnues ou n'étaient pas valides. Votre numéro de TVA doit correspondre à votre pays de facturation tel que spécifié ci-dessus. Il est actuellement spécifié comme . Vous n'avez pas besoin de saisir la partie code pays de votre numéro de TVA car elle a déjà été sélectionnée dans les détails de votre adresse de facturation ci-dessus.
Le service de vérification du numéro de TVA est actuellement hors ligne. Veuillez indiquer votre numéro de TVA dans le champ « Commentaires ou instructions spéciales » ci-dessous et nous appliquerons une remise de TVA après avoir passé votre commande.
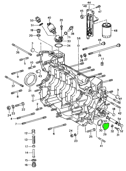
Pièces de carter
Vendu pièce.

Convient :
Porsche 911 1965-89
Porsche 964 1989-94
Porsche 993 1995-98
Porsche 996 Turbo 2001-05
Porsche 996 GT3 3.6L 1999-05
Porsche 997.1 Turbo 2007-09
Porsche 997 GT3 3.6L 2006-09
Porsche 914-6 1970-76
Cliquez sur "Zoom avant" pour le schéma des grandes pièces.
Schéma réf n° 11
Numéros de référence associés
Numéros associés, remplacés, de référence croisée ou alternatifs à des fins de comparaison.
90006010601
Le produit que vous consultez fait référence à ces numéros
- Porsche 911 1965-1968 2.0L / 912 SWB (F)
- Porsche 911 1968-1973 2.2L / 2.4L / 2.7L RS LWB (F)
- Porsche 911 1974-1977 2.7L / 1976-77 3.0 Carrera
- Porsche 911 1978-1983 3.0L / SC
- Porsche 911 1984-1986 3.2L
- Porsche 911 1987-1989 3.2L G50
- Porsche 911 1975-1977 3.0L Turbo (930)
- Porsche 911 1978-1989 3.3L Turbo (930)
- Porsche 964 (911) C2 1989-93
- Porsche 964 (911) C4 1989-93
- Porsche 964 (911) RS 3.6L 1991-93
- Porsche 964 (911) RS 3.8L 1991-93
- Porsche 964 (911) TURBO 3.3L 1991-93
- Porsche 964 (911) TURBO 3.6L 1991-93
- Porsche 993 (911) C2 1994-97
- Porsche 993 (911) C4 1994-97
- Porsche 993 (911) RS 1994-97
- Porsche 993 (911) C2S 1994-97
- Porsche 993 (911) C4S 1994-97
- Porsche 993 (911) TURBO 1994-96
- Porsche 993 (911) GT2 1994-97
- Porsche 993 (911) TURBO S 1994-97
- Porsche 996 TURBO 2000-05
- Porsche 996 GT2 2001-05
- Porsche 996 GT3 MKI 1999-02
- Porsche 996 GT3 MKII 2003>>
- Porsche 997 MK1 TURBO 2007-09
- Porsche 997 MK1 GT3 2007-09
- Porsche 997 MK1 GT2 2007-09
- Porsche 914 (1970-1976)
Vendu pièce.

Convient :
Porsche 911 1965-89
Porsche 964 1989-94
Porsche 993 1995-98
Porsche 996 Turbo 2001-05
Porsche 996 GT3 3.6L 1999-05
Porsche 997.1 Turbo 2007-09
Porsche 997 GT3 3.6L 2006-09
Porsche 914-6 1970-76
Cliquez sur "Zoom avant" pour le schéma des grandes pièces.
Schéma réf n° 11
Numéros de référence associés
Numéros associés, remplacés, de référence croisée ou alternatifs à des fins de comparaison.
90006010201
Le produit que vous consultez fait référence à ces numéros
- Porsche 911 1965-1968 2.0L / 912 SWB (F)
- Porsche 911 1968-1973 2.2L / 2.4L / 2.7L RS LWB (F)
- Porsche 911 1974-1977 2.7L / 1976-77 3.0 Carrera
- Porsche 911 1978-1983 3.0L / SC
- Porsche 911 1984-1986 3.2L
- Porsche 911 1987-1989 3.2L G50
- Porsche 911 1975-1977 3.0L Turbo (930)
- Porsche 911 1978-1989 3.3L Turbo (930)
- Porsche 964 (911) C2 1989-93
- Porsche 964 (911) C4 1989-93
- Porsche 964 (911) RS 3.6L 1991-93
- Porsche 964 (911) RS 3.8L 1991-93
- Porsche 964 (911) TURBO 3.3L 1991-93
- Porsche 964 (911) TURBO 3.6L 1991-93
- Porsche 993 (911) C2 1994-97
- Porsche 993 (911) C4 1994-97
- Porsche 993 (911) RS 1994-97
- Porsche 993 (911) C2S 1994-97
- Porsche 993 (911) C4S 1994-97
- Porsche 993 (911) TURBO 1994-96
- Porsche 993 (911) GT2 1994-97
- Porsche 993 (911) TURBO S 1994-97
- Porsche 996 TURBO 2000-05
- Porsche 996 GT2 2001-05
- Porsche 996 GT3 MKI 1999-02
- Porsche 996 GT3 MKII 2003>>
- Porsche 997 MK1 TURBO 2007-09
- Porsche 997 MK1 GT3 2007-09
- Porsche 997 MK1 GT2 2007-09
- Porsche 914 (1970-1976)

Avec de plus en plus de boulons d'échappement cassés signalés sur les moteurs refroidis à l'eau, le mal de tête de réparer un boulon cassé devient épidémique. Les tâches allant d'une simple mise à jour du système d'échappement au retrait du moteur sont constamment en proie à des boulons de collecteur d'échappement cassés, rouillés et cassés. Il est rare qu'un retrait précis du boulon cassé puisse être effectué avec le moteur dans la voiture, et même après le retrait, la tâche prend du temps et si elle n'est pas effectuée avec soin, elle peut entraîner une tête endommagée ou une réparation défectueuse. La réponse de STOMSKI RACING à ces problèmes est le SR067, un kit qui vous permet de percer facilement, avec précision et de manière flexible les boulons cassés - avec le moteur toujours dans la voiture, ce qui vous fait gagner du temps et des maux de tête. Une plaque fraisée CNC indexe avec précision les boulons cassés et/ou les trous de boulons. À l'aide de nos vis à oreilles de conception unique, la plaque SR067 est verrouillée en place (en enfilant une vis à oreilles sur un boulon cassé ou en utilisant un boulon fourni vissé à travers la vis à oreilles SR067). Avec les forets pilotes et les guides de perçage inclus, le boulon défectueux peut être percé, produisant un trou parfaitement perpendiculaire et centré qui, si nécessaire, peut être chassé avec un taraud M8x1,25 inclus.
Le kit comprend : fixation en aluminium anodisé, mèches, taraud avec rallonge, gabarits/guides de perçage, vis à oreilles et quincaillerie dans un étui de rangement robuste.
Inclut désormais également notre guide de perçage SR065D.
- Porsche Boxster 986 2.5L 1997-99
- Porsche Boxster 986 2.7L 1999-02
- Porsche Boxster S 986 3.2L 1999-02
- Porsche Boxster 986 2.7L 2003-04
- Porsche Boxster S 986 3.2L 2003-04
- Porsche Boxster 987 2.7L 2005-08/08
- Porsche Boxster 987 S 3.2/3.4L 2005-08/08
- Porsche 996 C2 3.4L 1997-08/01
- Porsche 996 C4 3.4L 1997-08/01
- Porsche 996 C2 3.6L 09/01-2005
- Porsche 996 C4 3.6L 09/01-2005
- Porsche 996 C4S 3.6L 09/01-2005
- Porsche 996 TURBO 2000-05
- Porsche 996 GT2 2001-05
- Porsche 996 GT3 MKI 1999-02
- Porsche 996 GT3 MKII 2003>>
- Porsche 996 GT3 RS 2003-04
- Porsche 997 MK1 Carrera 2 3.6L 2005-08
- Porsche 997 MK1 Carrera 2S 3.8L 2005-08
- Porsche 997 MK1 Carrera 4 3.6L 2005-08
- Porsche 997 MK1 Carrera 4S 3.8L 2005-08
- Porsche Cayman 2.7L 987C 2006-08
- Porsche Cayman S 3.4L 987C 2005-08

Convient :
Porsche 987.1 Boxster 2,7 L / 3,2 L 2005-06
Porsche 997.1 Carrera 3,6L / 3,8L 2005-08
Cliquez sur « Zoomer » pour afficher le diagramme des grandes pièces.
Schéma réf n°14
Numéros de référence associés
Numéros associés, remplacés, de référence croisée ou alternatifs à des fins de comparaison.
99610121358
Le produit que vous consultez fait référence à ces numéros
- Porsche Boxster 987 2.7L 2005-08/08
- Porsche Boxster 987 S 3.2/3.4L 2005-08/08
- Porsche 997 MK1 Carrera 2 3.6L 2005-08
- Porsche 997 MK1 Carrera 2S 3.8L 2005-08
- Porsche 997 MK1 Carrera 4 3.6L 2005-08
- Porsche 997 MK1 Carrera 4S 3.8L 2005-08

Convient :
Porsche 986 Boxster / Boxster S 1997-04
Porsche 987 Boxster / Boxster S 2005-08
Porsche 987C Cayman / Cayman S 2005-08
Porsche 996 C2 / C4 / C4S 1998-05
Porsche 997 C2 / C2S / C4 / C4S 2005-08
Cliquez sur "Zoom avant" pour le schéma des grandes pièces.
Schéma réf n° 16
Numéros de référence associés
Numéros associés, remplacés, de référence croisée ou alternatifs à des fins de comparaison.
99610133650
Le produit que vous consultez fait référence à ces numéros
- Porsche Boxster 986 2.5L 1997-99
- Porsche Boxster 986 2.7L 1999-02
- Porsche Boxster S 986 3.2L 1999-02
- Porsche Boxster 986 2.7L 2003-04
- Porsche Boxster S 986 3.2L 2003-04
- Porsche Boxster 987 2.7L 2005-08/08
- Porsche Boxster 987 S 3.2/3.4L 2005-08/08
- Porsche 996 C2 3.4L 1997-08/01
- Porsche 996 C4 3.4L 1997-08/01
- Porsche 996 C2 3.6L 09/01-2005
- Porsche 996 C4 3.6L 09/01-2005
- Porsche 996 C4S 3.6L 09/01-2005
- Porsche 997 MK1 Carrera 2 3.6L 2005-08
- Porsche 997 MK1 Carrera 2S 3.8L 2005-08
- Porsche 997 MK1 Carrera 4 3.6L 2005-08
- Porsche 997 MK1 Carrera 4S 3.8L 2005-08
- Porsche Cayman 2.7L 987C 2006-08
- Porsche Cayman S 3.4L 987C 2005-08

Convient :
Porsche 996 C2 / C4 / C4S 2002>>
Porsche 997 MKI C2 / C2S 2005-08 COUPE/CABRIO
Schéma réf n°37.
Ce produit remplace l'ancien numéro de pièce de Porsche :
- 996 104 445 01.
Numéros de référence associés
Numéros associés, remplacés, de référence croisée ou alternatifs à des fins de comparaison.
99610444502
Le produit que vous consultez fait référence à ces numéros
- Porsche 996 C2 3.6L 09/01-2005
- Porsche 996 C4 3.6L 09/01-2005
- Porsche 996 C4S 3.6L 09/01-2005
- Porsche 997 MK1 Carrera 2 3.6L 2005-08
- Porsche 997 MK1 Carrera 2S 3.8L 2005-08
- Porsche 997 MK1 Carrera 4 3.6L 2005-08
- Porsche 997 MK1 Carrera 4S 3.8L 2005-08

Convient :
Porsche 996 C2 / C4 / C4S - 2002>>
Porsche 997 MKI C2 / C2S - 2005 à 2008
Cliquez sur « Zoomer » pour afficher le diagramme des grandes pièces.
Schéma réf n°37
Ce produit remplace l'ancien numéro de pièce de Porsche :
- 996 104 445 01
Numéros de référence associés
Numéros associés, remplacés, de référence croisée ou alternatifs à des fins de comparaison.
99610444502
Le produit que vous consultez fait référence à ces numéros
- Porsche 996 C2 3.6L 09/01-2005
- Porsche 996 C4 3.6L 09/01-2005
- Porsche 996 C4S 3.6L 09/01-2005
- Porsche 997 MK1 Carrera 2 3.6L 2005-08
- Porsche 997 MK1 Carrera 2S 3.8L 2005-08
- Porsche 997 MK1 Carrera 4 3.6L 2005-08
- Porsche 997 MK1 Carrera 4S 3.8L 2005-08

Compatible avec :
Porsche 911 1978-89
Porsche 964 1989-94
Porsche 993 1994-98
Porsche 996 GT3 2000-2005
Porsche 997 GT3 2007-2011
Cliquez sur « Zoom avant » pour un schéma de pièces de grande taille.
Schéma réf. n° 29
Numéros de référence associés
Numéros associés, remplacés, de référence croisée ou alternatifs à des fins de comparaison.
93010516500
Le produit que vous consultez fait référence à ces numéros
- Porsche 911 1974-1977 2.7L / 1976-77 3.0 Carrera
- Porsche 911 1978-1983 3.0L / SC
- Porsche 911 1984-1986 3.2L
- Porsche 911 1987-1989 3.2L G50
- Porsche 911 1978-1989 3.3L Turbo (930)
- Porsche 964 (911) C2 1989-93
- Porsche 964 (911) C4 1989-93
- Porsche 964 (911) RS 3.6L 1991-93
- Porsche 964 (911) RS 3.8L 1991-93
- Porsche 964 (911) TURBO 3.3L 1991-93
- Porsche 964 (911) TURBO 3.6L 1991-93
- Porsche 993 (911) C2 1994-97
- Porsche 993 (911) C4 1994-97
- Porsche 993 (911) RS 1994-97
- Porsche 993 (911) C2S 1994-97
- Porsche 993 (911) C4S 1994-97
- Porsche 993 (911) TURBO 1994-96
- Porsche 993 (911) GT2 1994-97
- Porsche 993 (911) TURBO S 1994-97
- Porsche 996 GT3 MKI 1999-02
- Porsche 996 GT3 MKII 2003>>
- Porsche 996 GT3 RS 2003-04
- Porsche 997 MK1 GT3 2007-09
Attention : le joint torique d'étanchéité doit être commandé séparément – Référence 90012310630/2
Convient à :
Porsche 986 Boxster1997 - 2004
Porsche 987.1 Boxster2005 - 2008
Porsche 987.2 Boxster2009 - 2012
Porsche 987C.1 Cayman 2005 - 2008
Porsche 987C.2 Cayman 2009 - 2012
Porsche 981 Boxster2013 - 2016
Porsche 981 Caïman 2014 - 2016
Porsche 996 1998 - 2005
Porsche 997.1 2005 - 2008
Porsche 997.2 2009 - 2012
Porsche 991.1 2012 - 2016
Numéros de référence associés
Numéros associés, remplacés, de référence croisée ou alternatifs à des fins de comparaison.
90021900930
Le produit que vous consultez fait référence à ces numéros
- Porsche Boxster 986 2.5L 1997-99
- Porsche Boxster 986 2.7L 1999-02
- Porsche Boxster S 986 3.2L 1999-02
- Porsche Boxster 986 2.7L 2003-04
- Porsche Boxster S 986 3.2L 2003-04
- Porsche Boxster 987 2.7L 2005-08/08
- Porsche Boxster 987 S 3.2/3.4L 2005-08/08
- Porsche Boxster 987 MKII 2.9L 2009-12
- Porsche Boxster S 987 MKII 3.4L 2009-12
- Porsche Boxster 981 2.7L 2012-16
- Porsche Boxster 981 S / GTS 3.4L 2012-16
- Porsche 996 C2 3.4L 1997-08/01
- Porsche 996 C4 3.4L 1997-08/01
- Porsche 996 C2 3.6L 09/01-2005
- Porsche 996 C4 3.6L 09/01-2005
- Porsche 996 C4S 3.6L 09/01-2005
- Porsche 996 TURBO 2000-05
- Porsche 996 GT2 2001-05
- Porsche 996 GT3 MKI 1999-02
- Porsche 996 GT3 MKII 2003>>
- Porsche 996 GT3 RS 2003-04
- Porsche 997 MK1 Carrera 2 3.6L 2005-08
- Porsche 997 MK1 Carrera 2S 3.8L 2005-08
- Porsche 997 MK1 Carrera 4 3.6L 2005-08
- Porsche 997 MK1 Carrera 4S 3.8L 2005-08
- Porsche 997 MK1 TURBO 2007-09
- Porsche 997 MK1 GT3 2007-09
- Porsche 997 MK1 GT2 2007-09
- Porsche 997 MKII Carrera C2 3.6L 2009-12
- Porsche 997 MKII Carrera C4 3.6L 2009-12
- Porsche 997 MKII Carrera C2S 3.8L 2009-12
- Porsche 997 MKII Carrera C4S 3.8L 2009-12
- Porsche 997 MKII GT3 2010-11
- Porsche 997 MKII Turbo 2010-13
- Porsche 997 MKII GT2 RS 2011-13
- Porsche 991.1 Carrera C2 3.4L (350 Bhp) 2012-16
- Porsche 991.1 Carrera C2S / GTS 3.8L (400/430 Bhp) 2012-16
- Porsche 991.1 Carrera C4 3.4L (350 Bhp) 2012-16
- Porsche 991.1 Carrera C4S / GTS 3.8L (400/430 Bhp) 2012-16
- Porsche Cayman 2.7L 987C 2006-08
- Porsche Cayman S 3.4L 987C 2005-08
- Porsche Cayman 2.9L 987C MKII 2009-12
- Porsche Cayman S / R 3.4L 987C MKII 2009-12
- Porsche Cayman 2.7L 981 2013-16
- Porsche Cayman S / GTS 3.4L 981 2013-16
Attention : le joint torique d'étanchéité doit être commandé séparément – référence 90012310630/2
Convient à :
Porsche 986 Boxster1997 - 2004
Porsche 987.1 Boxster2005 - 2008
Porsche 987.2 Boxster2009 - 2012
Porsche 987C.1 Cayman 2005 - 2008
Porsche 987C.2 Cayman 2009 - 2012
Porsche 981 Boxster2013 - 2016
Porsche 981 Caïman 2014 - 2016
Porsche 996 1998 - 2005
Porsche 997.1 2005 - 2008
Porsche 997.2 2009 - 2012
Porsche 991.1 2012 - 2016
Numéros de référence associés
Numéros associés, remplacés, de référence croisée ou alternatifs à des fins de comparaison.
90021900930
Le produit que vous consultez fait référence à ces numéros
- Porsche Boxster 986 2.5L 1997-99
- Porsche Boxster 986 2.7L 1999-02
- Porsche Boxster S 986 3.2L 1999-02
- Porsche Boxster 986 2.7L 2003-04
- Porsche Boxster S 986 3.2L 2003-04
- Porsche Boxster 987 2.7L 2005-08/08
- Porsche Boxster 987 S 3.2/3.4L 2005-08/08
- Porsche Boxster 987 MKII 2.9L 2009-12
- Porsche Boxster S 987 MKII 3.4L 2009-12
- Porsche Boxster 981 2.7L 2012-16
- Porsche Boxster 981 S / GTS 3.4L 2012-16
- Porsche 996 C2 3.4L 1997-08/01
- Porsche 996 C4 3.4L 1997-08/01
- Porsche 996 C2 3.6L 09/01-2005
- Porsche 996 C4 3.6L 09/01-2005
- Porsche 996 C4S 3.6L 09/01-2005
- Porsche 996 TURBO 2000-05
- Porsche 996 GT2 2001-05
- Porsche 996 GT3 MKI 1999-02
- Porsche 996 GT3 MKII 2003>>
- Porsche 996 GT3 RS 2003-04
- Porsche 997 MK1 Carrera 2 3.6L 2005-08
- Porsche 997 MK1 Carrera 2S 3.8L 2005-08
- Porsche 997 MK1 Carrera 4 3.6L 2005-08
- Porsche 997 MK1 Carrera 4S 3.8L 2005-08
- Porsche 997 MK1 TURBO 2007-09
- Porsche 997 MK1 GT3 2007-09
- Porsche 997 MK1 GT2 2007-09
- Porsche 997 MKII Carrera C2 3.6L 2009-12
- Porsche 997 MKII Carrera C4 3.6L 2009-12
- Porsche 997 MKII Carrera C2S 3.8L 2009-12
- Porsche 997 MKII Carrera C4S 3.8L 2009-12
- Porsche 997 MKII GT3 2010-11
- Porsche 997 MKII Turbo 2010-13
- Porsche 997 MKII GT2 RS 2011-13
- Porsche 991.1 Carrera C2 3.4L (350 Bhp) 2012-16
- Porsche 991.1 Carrera C2S / GTS 3.8L (400/430 Bhp) 2012-16
- Porsche 991.1 Carrera C4 3.4L (350 Bhp) 2012-16
- Porsche 991.1 Carrera C4S / GTS 3.8L (400/430 Bhp) 2012-16
- Porsche Cayman 2.7L 987C 2006-08
- Porsche Cayman S 3.4L 987C 2005-08
- Porsche Cayman 2.9L 987C MKII 2009-12
- Porsche Cayman S / R 3.4L 987C MKII 2009-12
- Porsche Cayman 2.7L 981 2013-16
- Porsche Cayman S / GTS 3.4L 981 2013-16
Aluminium anodisé dur, avec aimant, 18 x 1,5 mm

Convient :
Porsche996 1997-04
Porsche997 2005-08
Porsche 986 Boxster 1997-04
Porsche 987 Boxster2005-08
Porsche 987C Caïman 2005-08
Un bouchon de vidange d'huile de carter magnétique est un type de bouchon de vidange d'huile qui contient un petit aimant conçu pour attirer et capturer les particules métalliques pouvant être présentes dans l'huile de votre moteur. Bien que ce type de bouchon de vidange ne soit pas exclusif à Porsche et puisse être utilisé dans divers véhicules, il peut apporter plusieurs avantages, notamment :
Longévité améliorée du moteur : l'aimant dans le bouchon de vidange aide à capturer les minuscules particules métalliques, telles que le fer, l'acier ou l'aluminium, qui peuvent circuler dans l'huile moteur. L'élimination de ces particules peut réduire l'usure des composants du moteur, prolongeant potentiellement la durée de vie du moteur.
Performances améliorées du moteur : en réduisant la présence de contaminants dans l'huile, un bouchon de vidange magnétique peut aider à maintenir les propriétés lubrifiantes de l'huile, ce qui est crucial pour le bon fonctionnement du moteur. Une huile propre peut également contribuer à améliorer le rendement énergétique.
Détection précoce des problèmes : comme le bouchon de vidange magnétique collecte les débris métalliques, il peut servir de système d'alerte précoce. En inspectant le bouchon de vidange lors des vidanges d'huile, vous pouvez avoir une idée de l'état du moteur et détecter toute usure ou dommage inhabituel avant que cela ne devienne un problème majeur.
Coûts de maintenance réduits : l'inspection et le nettoyage réguliers d'un bouchon de vidange magnétique peuvent empêcher l'apparition de problèmes plus importants au fil du temps. Résoudre les problèmes potentiels le plus tôt possible peut vous faire économiser de l’argent sur des réparations plus importantes ultérieurement.
Tranquillité d'esprit : Savoir que vous prenez des mesures pour protéger votre moteur de l'usure prématurée peut vous apporter une tranquillité d'esprit en tant que propriétaire de véhicule. Il s'agit d'une modification simple et relativement peu coûteuse qui peut offrir une assurance supplémentaire.
Installation facile : les bouchons de vidange magnétiques sont généralement simples à installer. Ils remplacent souvent le bouchon de vidange existant et ne nécessitent aucun outil ni modification spécial.
Bien que les bouchons de vidange magnétiques puissent offrir ces avantages, il est essentiel de se rappeler qu’ils ne remplacent pas les vidanges d’huile régulières et un entretien approprié. Des vidanges régulières avec l'huile et le filtre appropriés restent cruciales pour la santé et la longévité de votre moteur. De plus, les bouchons de vidange magnétiques peuvent ne pas capturer tous les types de contaminants, ils doivent donc être considérés comme une mesure supplémentaire plutôt que comme une solution globale.
Numéros de référence associés
Numéros associés, remplacés, de référence croisée ou alternatifs à des fins de comparaison.
90021900930
Le produit que vous consultez fait référence à ces numéros
- Porsche Boxster 986 2.5L 1997-99
- Porsche Boxster 986 2.7L 1999-02
- Porsche Boxster S 986 3.2L 1999-02
- Porsche Boxster 986 2.7L 2003-04
- Porsche Boxster S 986 3.2L 2003-04
- Porsche Boxster 987 2.7L 2005-08/08
- Porsche Boxster 987 S 3.2/3.4L 2005-08/08
- Porsche 996 C2 3.4L 1997-08/01
- Porsche 996 C4 3.4L 1997-08/01
- Porsche 996 C2 3.6L 09/01-2005
- Porsche 996 C4 3.6L 09/01-2005
- Porsche 996 C4S 3.6L 09/01-2005
- Porsche 997 MK1 Carrera 2 3.6L 2005-08
- Porsche 997 MK1 Carrera 2S 3.8L 2005-08
- Porsche 997 MK1 Carrera 4 3.6L 2005-08
- Porsche 997 MK1 Carrera 4S 3.8L 2005-08
- Porsche 997 MK1 TURBO 2007-09
- Porsche 997 MK1 GT3 2007-09
- Porsche 997 MK1 GT2 2007-09
- Porsche 997 MKII Carrera C2 3.6L 2009-12
- Porsche 997 MKII Carrera C4 3.6L 2009-12
- Porsche 997 MKII Carrera C2S 3.8L 2009-12
- Porsche 997 MKII Carrera C4S 3.8L 2009-12
- Porsche Cayman 2.7L 987C 2006-08
- Porsche Cayman S 3.4L 987C 2005-08

Convient :
Porsche 997 C2 / C4 / C2S / C4S 2005-08 Coupé / Cabriolet
Cliquez sur "Zoom avant" pour le schéma des grandes pièces.
Schéma réf n° 37
Numéros de référence associés
Numéros associés, remplacés, de référence croisée ou alternatifs à des fins de comparaison.
99710703401
Le produit que vous consultez fait référence à ces numéros
- Porsche 997 MK1 Carrera 2 3.6L 2005-08
- Porsche 997 MK1 Carrera 2S 3.8L 2005-08
- Porsche 997 MK1 Carrera 4 3.6L 2005-08
- Porsche 997 MK1 Carrera 4S 3.8L 2005-08

Convient :
Porsche Boxster 986
Porsche 996
Porsche 997
Numéro OE précédent :
00004320373
Cliquez sur "Zoom avant" pour le schéma des grandes pièces.
Diagramme réf. 30
Numéros de référence associés
Numéros associés, remplacés, de référence croisée ou alternatifs à des fins de comparaison.
00004330546
Le produit que vous consultez fait référence à ces numéros
- Porsche Boxster 986 2.5L 1997-99
- Porsche Boxster 986 2.7L 1999-02
- Porsche Boxster S 986 3.2L 1999-02
- Porsche Boxster 986 2.7L 2003-04
- Porsche Boxster S 986 3.2L 2003-04
- Porsche 996 C2 3.4L 1997-08/01
- Porsche 996 C4 3.4L 1997-08/01
- Porsche 996 C2 3.6L 09/01-2005
- Porsche 996 C4 3.6L 09/01-2005
- Porsche 996 C4S 3.6L 09/01-2005
- Porsche 997 MK1 Carrera 2 3.6L 2005-08
- Porsche 997 MK1 Carrera 2S 3.8L 2005-08
- Porsche 997 MK1 Carrera 4 3.6L 2005-08
- Porsche 997 MK1 Carrera 4S 3.8L 2005-08

Convient :
Porsche 996 C2 / C4 / C4S 1998-05
Porsche 997.1 C2 / C2S / C4 / C4S 2005-08
Cliquez sur "Zoomer" pour le schéma des grandes pièces
Schéma réf n° 22
Numéros de référence associés
Numéros associés, remplacés, de référence croisée ou alternatifs à des fins de comparaison.
99610724341
Le produit que vous consultez fait référence à ces numéros
- Porsche 996 C2 3.4L 1997-08/01
- Porsche 996 C4 3.4L 1997-08/01
- Porsche 996 C2 3.6L 09/01-2005
- Porsche 996 C4 3.6L 09/01-2005
- Porsche 996 C4S 3.6L 09/01-2005
- Porsche 997 MK1 Carrera 2 3.6L 2005-08
- Porsche 997 MK1 Carrera 2S 3.8L 2005-08
- Porsche 997 MK1 Carrera 4 3.6L 2005-08
- Porsche 997 MK1 Carrera 4S 3.8L 2005-08

Convient :
Porsche 986 Boxster 1997-04
Porsche 987.1 Boxster 2005-08
Porsche 987C.1 Caïman 2005-08
Porsche 996 C2 / C4 / C4S 1998-05
Porsche 997.1 C2 / C2S / C4 / C4S 2005-08
Ce produit remplace les anciennes références Porsche :
99610703155, 99610703157, 99610703158,
Cliquez sur "Zoomer" pour le schéma des grandes pièces
Schéma réf n° 22
Numéros de référence associés
Numéros associés, remplacés, de référence croisée ou alternatifs à des fins de comparaison.
99610703160
Le produit que vous consultez fait référence à ces numéros
- Porsche Boxster 986 2.5L 1997-99
- Porsche Boxster 986 2.7L 1999-02
- Porsche Boxster S 986 3.2L 1999-02
- Porsche Boxster 986 2.7L 2003-04
- Porsche Boxster S 986 3.2L 2003-04
- Porsche Boxster 987 2.7L 2005-08/08
- Porsche Boxster 987 S 3.2/3.4L 2005-08/08
- Porsche 996 C2 3.4L 1997-08/01
- Porsche 996 C4 3.4L 1997-08/01
- Porsche 996 C2 3.6L 09/01-2005
- Porsche 996 C4 3.6L 09/01-2005
- Porsche 996 C4S 3.6L 09/01-2005
- Porsche 997 MK1 Carrera 2 3.6L 2005-08
- Porsche 997 MK1 Carrera 2S 3.8L 2005-08
- Porsche 997 MK1 Carrera 4 3.6L 2005-08
- Porsche 997 MK1 Carrera 4S 3.8L 2005-08
- Porsche Cayman 2.7L 987C 2006-08
- Porsche Cayman S 3.4L 987C 2005-08
Symptômes de défaillance du carter d'huile moteur
- Craquement
- Fuites d'huile

Convient à :
Porsche 986 Boxster 1997-2004
Porsche 987.1 Boxster 2005-2008
Porsche 987C.1 Cayman 2005-08
Porsche 996 C2 / C4 / C4S 1998-2005
Porsche 997.1 C2 / C2S / C4 / C4S 2005-08
Ce produit remplace les anciennes références Porsche :
99610703155, 99610703157, 99610703158,
Cliquez sur « Zoom avant » pour afficher le schéma des pièces en grand format
Diagramme de référence n° 22
Numéros de référence associés
Numéros associés, remplacés, de référence croisée ou alternatifs à des fins de comparaison.
99610703160
Le produit que vous consultez fait référence à ces numéros
- Porsche Boxster 986 2.5L 1997-99
- Porsche Boxster 986 2.7L 1999-02
- Porsche Boxster S 986 3.2L 1999-02
- Porsche Boxster 986 2.7L 2003-04
- Porsche Boxster S 986 3.2L 2003-04
- Porsche Boxster 987 2.7L 2005-08/08
- Porsche Boxster 987 S 3.2/3.4L 2005-08/08
- Porsche 996 C2 3.4L 1997-08/01
- Porsche 996 C4 3.4L 1997-08/01
- Porsche 996 C2 3.6L 09/01-2005
- Porsche 996 C4 3.6L 09/01-2005
- Porsche 996 C4S 3.6L 09/01-2005
- Porsche 997 MK1 Carrera 2 3.6L 2005-08
- Porsche 997 MK1 Carrera 2S 3.8L 2005-08
- Porsche 997 MK1 Carrera 4 3.6L 2005-08
- Porsche 997 MK1 Carrera 4S 3.8L 2005-08
- Porsche Cayman 2.7L 987C 2006-08
- Porsche Cayman S 3.4L 987C 2005-08
-
crankcase for 997.1 M96.05 3.6L COUPE / CABRIO and 997.1 M97.01 3.8L CABRIO S / COUPE S 2005-08 101-05
-
culasse pour 997.1 M96.05 3.6L COUPE / CABRIO et 997.1 M97.01 3.8L COUPE S / CABRIO S 2005-08 103-00
-
fuel collection pipe for 997.1 M96.05 3.6L COUPE / CABRIO and 997.1 M97.01 3.8L COUPE S / CABRIO S 2005-08 107-05
-
crankcase left for 997.1 TURBO/GT2 M97.70 2007-09 and 997.1 GT2 RS M97.70 2011 101-05
-
crankcase right for 997.1 TURBO/GT2 M97.70 2007-09 and 997.1 GT2 RS M97.70 2011 101-10
-
crankcase left 997 GT3 M97.76 2007-09 101-05
-
crankcase left 997 GT3 / GT3 RS M97.77 2010-11 and 997 GT3 RS 4.0 M97.74 2011 101-06
-
crankcase right 997 GT3 M97.76 2007-09 101-10
-
crankcase right 997 GT3 / GT3 RS M97.77 2010-11 and 997 GT3 RS 4.0 M97.74 2011 101-11
-
oil supply return line 997 GT3 / GT3 RS M97.77 2010-11 and 997 GT3 RS 4.0 M97.74 2011 104-21
-
pompe à eau, carter de pompe à eau 997 GT3 / GT3 RS M97.77 2010-11 et 997 GT3 RS 4.0 M97.74 2011 105-01
Pièces de carter de précision – Résistance, équilibre et fiabilité pour moteurs Porsche
Le carter moteur constitue le cœur de chaque moteur Porsche et abrite les principaux composants rotatifs tels que le vilebrequin, les paliers et les bielles. Il assure la rigidité structurelle, la rétention d'huile et l'alignement précis des pièces mobiles du moteur, ce qui en fait un élément essentiel à la performance et à la longévité du moteur.
Chez Design911, nous proposons une large gamme de composants de carter de précision, notamment des coussinets de palier, des joints, des soupapes de reniflard, des goujons, des bouchons et des fixations, tous fabriqués selon des tolérances rigoureuses. Chaque pièce est fabriquée à partir de matériaux haute résistance et résistants à la chaleur pour garantir durabilité et performances dans les conditions de conduite les plus exigeantes.
Que vous restauriez une 911 refroidie par air ou que vous entreteniez une 992 moderne, nos pièces de carter de qualité fabricant garantissent un ajustement parfait, une étanchéité à l'huile et des performances fiables pour les années à venir.
À quoi servent les pièces du carter ?
Les composants du carter jouent des rôles structurels et de lubrification essentiels dans le moteur, protégeant les pièces internes et maintenant l'équilibre de la pression.
Fonctions principales :
- Abritez et soutenez le vilebrequin, les bielles et les roulements.
- Contenir et distribuer l’huile pour lubrifier les composants mobiles.
- Maintenir la rigidité structurelle pour éviter les vibrations et les désalignements.
- Contrôlez la ventilation du carter pour réduire la contamination de l'huile et l'accumulation de pression.
Dans les moteurs Porsche classiques comme dans les moteurs hautes performances, le carter assure la stabilité, une rotation fluide et une gestion fiable de l'huile, essentielles à une puissance constante et à une usure réduite.
Pourquoi les pièces du carter tombent-elles en panne ?
Au fil du temps, les composants du carter peuvent se dégrader sous l'effet des cycles thermiques, des vibrations, de la contamination de l'huile et de la fatigue mécanique. Négligées, ces défaillances peuvent entraîner des fuites d'huile, un déséquilibre de pression, voire des dommages catastrophiques au moteur.
Les causes courantes d’échec comprennent :
- Usure du joint d'huile provoquant des fuites et des pertes de pression.
- Fatigue des roulements due à une charge élevée prolongée ou à une faible pression d'huile.
- Surfaces déformées en raison d'une surchauffe ou de la corrosion.
- Soupapes de reniflard obstruées provoquant une accumulation de pression et une fuite d'huile.
- Fatigue des fixations entraînant un desserrage structurel ou des vibrations.
Le remplacement des pièces usées du carter lors d'une reconstruction ou d'un intervalle d'entretien du moteur est essentiel pour préserver le contrôle de l'huile, l'alignement et l'intégrité du vilebrequin.
Pourquoi remplacer par des pièces de carter conçues avec précision ?
Des composants de carter de haute qualité garantissent que votre moteur Porsche conserve sa résistance, sa capacité d'étanchéité et son alignement précis, essentiels pour les performances, la fiabilité et la longévité.
Principaux avantages :
- Restaure l'alignement interne pour une rotation en douceur du vilebrequin.
- Empêche les fuites d'huile et les pertes de pression , préservant ainsi les performances du moteur.
- Améliore le contrôle de la lubrification et la durée de vie des roulements.
- Réduit les vibrations et le bruit causés par des composants usés ou desserrés.
- Fabriqué à partir de matériaux résistants à la corrosion et à la chaleur pour une résistance durable.
- Ajustement et tolérance parfaits pour les moteurs Porsche refroidis par air et par eau .
Les ingénieurs et les restaurateurs font confiance aux pièces de carter de précision pour maintenir la fiabilité légendaire et l'équilibre mécanique de Porsche, que ce soit sur la route ou sur la piste.
Points forts:
- Gamme complète de joints de carter, de roulements, de boulons et de composants de reniflard.
- Pièces usinées avec précision conçues pour des performances à haute charge et à haute température.
- Matériaux et tolérances de qualité fabricant.
- Parfait pour les restaurations de moteurs classiques et les reconstructions hautes performances.
- Améliore la gestion de l’huile, la rigidité structurelle et la fiabilité.
- Compatible avec les architectures de moteurs Porsche refroidies par air et modernes.