Inserisci il tuo numero di partiva IVA qui e fai clic su Verifica:
Nessuna necessità di inserire la parte del numero di partita IVA relativa al codice del paese poiché questa è già stato selezionata nel predetto indirizzo di fatturazione.
I tuoi dati sono stati verificati. Numero di partita IVA registrato a:
,
.
Al tuo ordine sarà applicata un’aliquota pari a zero ai fini dell’IVA. Ci riserviamo il diritto di verificare questi dettagli dopo che la tua richiesta d’ordine è stata fatta e di reintegrare l’IVA se necessario.
I tuoi dati IVA non sono stati riconosciuti o non erano validi. Il tuo numero di partita IVA deve corrispondere al tuo paese di fatturazione come specificato sopra. Attualmente è specificato come . Non occorre inserire inserire la parte del numero di partita IVA relativa al codice del paese poiché questa è già stato selezionata nei dettagli del predetto indirizzo di fatturazione.
Il servizio di verifica della partita IVA è attualmente offline. Per favore fornisci i tuoi dati IVA all’interno dei commenti o nel campo delle istruzioni speciali sotto e noi applicheremo uno sconto IVA dopo aver fatto la richiesta d’ordine.
Adatto a:
Porsche 986 Boxster 2.7L 2000-04
Porsche 986 Boxster S 3.2L 2000-04
Porsche 996-1 Carrera 3.4L 1999 *
Porsche 996-1 Carrera 3.4L 2000-01
Porsche 996-2 Carrera 3.6L 2002-05
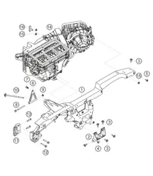
Rif. diagramma 14.
*NOTA: Esiste una divisione del VIN per i modelli Carrera 996 del 1999 e questo bullone è destinato al tipo di motore successivo, in particolare ai motori dal numero M66X 06241 in poi (Carrera 2) o M68X 02731 in poi (modelli Carrera 4 con acceleratore elettronico, codice optional 620). In caso di dubbi sulla compatibilità, non esitate a contattarci fornendoci il VIN del vostro veicolo o misurando il bullone esistente per verificarne la compatibilità...
- Se misura M8 x 60 , questa è la parte corretta .
- Se misura M8 x 55 , avrai bisogno della versione precedente.
Numeri di riferimento correlati
Numeri correlati, sostituiti, riferimenti incrociati o alternativi per il confronto.
90037815901
Il prodotto che stai visualizzando fa riferimento a questi numeri
- Porsche Boxster 986 2.7L 1999-02
- Porsche Boxster S 986 3.2L 1999-02
- Porsche Boxster 986 2.7L 2003-04
- Porsche Boxster S 986 3.2L 2003-04
- Porsche 996 C2 3.4L 1997-08/01
- Porsche 996 C4 3.4L 1997-08/01
- Porsche 996 C2 3.6L 09/01-2005
- Porsche 996 C4 3.6L 09/01-2005
- Porsche 996 C4S 3.6L 09/01-2005