Inserisci il tuo numero di partiva IVA qui e fai clic su Verifica:
Nessuna necessità di inserire la parte del numero di partita IVA relativa al codice del paese poiché questa è già stato selezionata nel predetto indirizzo di fatturazione.
I tuoi dati sono stati verificati. Numero di partita IVA registrato a:
,
.
Al tuo ordine sarà applicata un’aliquota pari a zero ai fini dell’IVA. Ci riserviamo il diritto di verificare questi dettagli dopo che la tua richiesta d’ordine è stata fatta e di reintegrare l’IVA se necessario.
I tuoi dati IVA non sono stati riconosciuti o non erano validi. Il tuo numero di partita IVA deve corrispondere al tuo paese di fatturazione come specificato sopra. Attualmente è specificato come . Non occorre inserire inserire la parte del numero di partita IVA relativa al codice del paese poiché questa è già stato selezionata nei dettagli del predetto indirizzo di fatturazione.
Il servizio di verifica della partita IVA è attualmente offline. Per favore fornisci i tuoi dati IVA all’interno dei commenti o nel campo delle istruzioni speciali sotto e noi applicheremo uno sconto IVA dopo aver fatto la richiesta d’ordine.
Approvato dalla Commissione Europea.
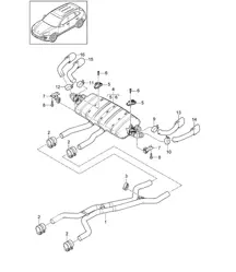
Diametro del tubo: 2,76 pollici (70,00 mm)
Adatto a:
Porsche Cayenne 958 Turbo 4.8L V8 (Pre-Facelift) 2010>>2014
Assemblaggio delle parti:
MSPO224: Gruppo silenziatore anteriore sinistro
MSPO225: Gruppo silenziatore anteriore destro
MSPO226: Tubo di collegamento centrale sinistro
MSPO227: Tubo di collegamento centrale destro
MSPO228: Staffa di montaggio allentata
MSPO229: Gruppo silenziatore posteriore sinistro (senza punta)
MSPO230: Gruppo silenziatore posteriore destro (senza punta)
Numeri di riferimento correlati
Numeri correlati, sostituiti, riferimenti incrociati o alternativi per il confronto.
SSXPO109
Il prodotto che stai visualizzando fa riferimento a questi numeri
- Porsche 958 Cayenne Turbo V8 4.8L Petrol 500HP 2010-17
- Porsche 958 Cayenne Turbo S V8 4.8L Petrol 550HP 2010-17
