Inserisci il tuo numero di partiva IVA qui e fai clic su Verifica:
Nessuna necessità di inserire la parte del numero di partita IVA relativa al codice del paese poiché questa è già stato selezionata nel predetto indirizzo di fatturazione.
I tuoi dati sono stati verificati. Numero di partita IVA registrato a:
,
.
Al tuo ordine sarà applicata un’aliquota pari a zero ai fini dell’IVA. Ci riserviamo il diritto di verificare questi dettagli dopo che la tua richiesta d’ordine è stata fatta e di reintegrare l’IVA se necessario.
I tuoi dati IVA non sono stati riconosciuti o non erano validi. Il tuo numero di partita IVA deve corrispondere al tuo paese di fatturazione come specificato sopra. Attualmente è specificato come . Non occorre inserire inserire la parte del numero di partita IVA relativa al codice del paese poiché questa è già stato selezionata nei dettagli del predetto indirizzo di fatturazione.
Il servizio di verifica della partita IVA è attualmente offline. Per favore fornisci i tuoi dati IVA all’interno dei commenti o nel campo delle istruzioni speciali sotto e noi applicheremo uno sconto IVA dopo aver fatto la richiesta d’ordine.
Testata
Kit guarnizione testata motore
La guarnizione della testata è un componente fondamentale che sigilla la testata al blocco motore. Svolge diverse funzioni chiave: sigilla la camera di combustione, garantendo una compressione adeguata per prestazioni efficienti del motore; impedisce la miscelazione del liquido di raffreddamento e dell'olio motore sigillando i passaggi del fluido tra la testata e il blocco motore.
Segni di guasto della guarnizione della testata del cilindro
Una guarnizione della testata difettosa può causare gravi problemi al motore. I sintomi più comuni includono:
- surriscaldamento del motore
- Bassa compressione del cilindro
- Perdite esterne di refrigerante o olio
- Fumo bianco dallo scarico
- Bolle nel radiatore o nel serbatoio del liquido di raffreddamento
- Olio motore di colore lattiginoso o bianco

Adatto a:
Porsche 996 C2 3.4L 1997-08/01
Porsche 996 C4 3.4L 1997-08/01
Fare clic su "Ingrandisci" per il diagramma delle parti di grandi dimensioni
Diagramma di riferimento n. 19 e 20.
Numeri di riferimento correlati
Numeri correlati, sostituiti, riferimenti incrociati o alternativi per il confronto.
99610418059
Il prodotto che stai visualizzando fa riferimento a questi numeri
- Porsche 996 C2 3.4L 1997-08/01
- Porsche 996 C4 3.4L 1997-08/01
Kit guarnizione testata motore
La guarnizione della testata è un componente fondamentale che sigilla la testata al blocco motore. Svolge diverse funzioni chiave: sigilla la camera di combustione, garantendo una compressione adeguata per prestazioni efficienti del motore; impedisce la miscelazione del liquido di raffreddamento e dell'olio motore sigillando i passaggi del fluido tra la testata e il blocco motore.
Segni di guasto della guarnizione della testata del cilindro
Una guarnizione della testata difettosa può causare gravi problemi al motore. I sintomi più comuni includono:
- surriscaldamento del motore
- Bassa compressione del cilindro
- Perdite esterne di refrigerante o olio
- Fumo bianco dallo scarico
- Bolle nel radiatore o nel serbatoio del liquido di raffreddamento
- Olio motore di colore lattiginoso o bianco

Adatto a:
- Porsche 996 C2 3.6L 09/01-2005
- Porsche 996 C4 3.6L 09/01-2005
- Porsche 996 C4S 3.6L 09/01-2005
- Porsche Cayman S3.4L 987C 2005-08
- Porsche Boxster 987 S 3.4L 2005-08/08
- Porsche Boxster S987 MKII 3.4L 2009-2012
- Porsche Boxster 981 S/GTS 3.4L 2012-16
Fare clic su "Ingrandisci" per il diagramma delle parti di grandi dimensioni
Diagramma rif. n. 19 e 20.
Numeri di riferimento correlati
Numeri correlati, sostituiti, riferimenti incrociati o alternativi per il confronto.
99610418059
Il prodotto che stai visualizzando fa riferimento a questi numeri
- Porsche Boxster 987 S 3.2/3.4L 2005-08/08
- Porsche Boxster S 987 MKII 3.4L 2009-12
- Porsche Boxster 981 S / GTS 3.4L 2012-16
- Porsche 996 C2 3.6L 09/01-2005
- Porsche 996 C4 3.6L 09/01-2005
- Porsche 996 C4S 3.6L 09/01-2005
- Porsche Cayman S 3.4L 987C 2005-08
SET DA 12

Adatto a:
- Porsche Boxster 986 2.5L 1997-99
- Porsche Boxster 986 2.7L 1999-02
- Porsche Boxster S 986 3.2L 1999-02
- Porsche Boxster 986 2.7L 2003-04
- Porsche Boxster S 986 3.2L 2003-04
- Porsche Boxster 987 2.7L 2005 -08/08
- Porsche Boxster 987 S 3.2/3.4L 2005-08/08
- Porsche 996 C2 3.4L 1997-08/01
- Porsche 996 C4 3.4L 1997-08/01
- Porsche 996 C2 3.6L 09/01-2005
- Porsche 996 C4 3.6L 09/01-2005
- Porsche 996 C4S 3.6L 09/01-2005
- Porsche 996 GT2 2001-05
- Porsche 996 GT3 MKI 1999-02
- Porsche 996 GT3 MKII 2003>>
- Porsche 996 GT3 RS 2003-04
- Porsche 997 MK1 Carrera 2 3.6L 2005-08
- Porsche 997 MK1 Carrera 2S 3.8L 2005-08
- Porsche 997 MK1 Carrera 4 3.6L 2005-08
- Porsche 997 MK1 Carrera 4S 3.8L 2005-08
- Porsche Cayman 2.7L 987C 2006-08
- Porsche Cayman S3.4L 987C 2005-08
Fare clic su "Ingrandisci" per il diagramma delle parti di grandi dimensioni
Schema rif. n. 20.
Numeri di riferimento correlati
Numeri correlati, sostituiti, riferimenti incrociati o alternativi per il confronto.
99610418059
Il prodotto che stai visualizzando fa riferimento a questi numeri
- Porsche Boxster 986 2.5L 1997-99
- Porsche Boxster 986 2.7L 1999-02
- Porsche Boxster S 986 3.2L 1999-02
- Porsche Boxster 986 2.7L 2003-04
- Porsche Boxster S 986 3.2L 2003-04
- Porsche Boxster 987 2.7L 2005-08/08
- Porsche Boxster 987 S 3.2/3.4L 2005-08/08
- Porsche 996 C2 3.4L 1997-08/01
- Porsche 996 C4 3.4L 1997-08/01
- Porsche 996 C2 3.6L 09/01-2005
- Porsche 996 C4 3.6L 09/01-2005
- Porsche 996 C4S 3.6L 09/01-2005
- Porsche 996 GT2 2001-05
- Porsche 996 GT3 MKI 1999-02
- Porsche 996 GT3 MKII 2003>>
- Porsche 996 GT3 RS 2003-04
- Porsche 997 MK1 Carrera 2 3.6L 2005-08
- Porsche 997 MK1 Carrera 2S 3.8L 2005-08
- Porsche 997 MK1 Carrera 4 3.6L 2005-08
- Porsche 997 MK1 Carrera 4S 3.8L 2005-08
- Porsche Cayman 2.7L 987C 2006-08
- Porsche Cayman S 3.4L 987C 2005-08

Si adatta:
Porsche 996 C2/C4/C4S 2002-05
Fare clic su "Zoom avanti" per il diagramma delle parti di grandi dimensioni.
Rif. diagramma n. 15
Numeri di riferimento correlati
Numeri correlati, sostituiti, riferimenti incrociati o alternativi per il confronto.
99610404205
Il prodotto che stai visualizzando fa riferimento a questi numeri
- Porsche 996 C2 3.6L 09/01-2005
- Porsche 996 C4 3.6L 09/01-2005
- Porsche 996 C4S 3.6L 09/01-2005

Si adatta:
Porsche 986 Boxster/S >>
Porsche 996 C2 / C4 >>2001
Fare clic su "Zoom avanti" per il diagramma delle parti di grandi dimensioni.
Rif. diagramma n. 20
Numeri di riferimento correlati
Numeri correlati, sostituiti, riferimenti incrociati o alternativi per il confronto.
99610522352
Il prodotto che stai visualizzando fa riferimento a questi numeri
- Porsche Boxster 986 2.5L 1997-99
- Porsche Boxster 986 2.7L 1999-02
- Porsche Boxster S 986 3.2L 1999-02
- Porsche 996 C2 3.4L 1997-08/01
- Porsche 996 C4 3.4L 1997-08/01
Si tratta di un anello di tenuta per il tenditore della catena di distribuzione utilizzato nei motori Porsche M96/M97 (996, primi modelli Boxster, Cayman, ecc.). Il suo scopo è sigillare il tenditore idraulico della catena di distribuzione, che sfrutta la pressione dell'olio motore per mantenere la catena di distribuzione tesa e correttamente tesa.
Adatto a:
Porsche 986 Boxster/S >>2001
Porsche 996 C2 / C4 >>2001
Schema rif. n. 20
• Posizione sul veicolo: installato all'interno dell'area del coperchio della distribuzione del motore/alloggiamento del tenditore - interagisce direttamente con il meccanismo del tenditore della catena per mantenere correttamente la pressione idraulica e il flusso dell'olio.
• Applicazioni: Particolarmente consigliato quando si esegue la manutenzione della catena di distribuzione, la sostituzione della guida/tenditore della catena o quando la guarnizione originale presenta infiltrazioni d'olio o è stata riutilizzata in condizioni di servizio ad alto carico.
Nel complesso sistema di distribuzione a catena dei motori M96/M97, la guarnizione del tenditore è fondamentale per mantenere la corretta pressione idraulica e prevenire perdite d'olio. Una guarnizione usurata o difettosa può causare perdite di pressione, allentamento della catena, deriva della distribuzione o aumento delle sollecitazioni del motore, con conseguenti danni in caso di fasatura compromessa. La sostituzione di questa guarnizione garantisce il corretto funzionamento del tenditore, contribuisce a mantenere l'allineamento della catena di distribuzione e preserva la salute generale del motore.
Quando e perché sostituire:
• Stai già eseguendo la manutenzione della catena di distribuzione, del tenditore o delle guide.
• Si notano perdite o infiltrazioni d'olio attorno al coperchio della distribuzione o all'area del tenditore.
• Il motore presenta rumore della catena di distribuzione, fasatura irregolare o problemi di pressione idraulica.
• Motore ad alto chilometraggio in cui le guarnizioni originali sono invecchiate o potrebbero essere fragili.
• Manutenzione preventiva durante i tagliandi principali per evitare futuri guasti alla catena di distribuzione.
Numeri di riferimento correlati
Numeri correlati, sostituiti, riferimenti incrociati o alternativi per il confronto.
99610522352
Il prodotto che stai visualizzando fa riferimento a questi numeri
- Porsche Boxster 986 2.5L 1997-99
- Porsche Boxster 986 2.7L 1999-02
- Porsche Boxster S 986 3.2L 1999-02
- Porsche 996 C2 3.4L 1997-08/01
- Porsche 996 C4 3.4L 1997-08/01
24 bulloni per motore. Il prezzo è per CIASCUNO.

Si adatta:
Porsche 986 Boxster 2.7L / S 3.4L 2003-04
Porsche 987 Boxster 2005-08
Porsche 987C Cayman 2005-08
Porsche 996 C2/C4/C4S 2002-05
Porsche 997 Carrera 2005-08
Fai clic su "Ingrandisci" per il diagramma delle parti di grandi dimensioni
Diagramma rif. 20.
Numeri di riferimento correlati
Numeri correlati, sostituiti, riferimenti incrociati o alternativi per il confronto.
99610418059
Il prodotto che stai visualizzando fa riferimento a questi numeri
- Porsche Boxster 986 2.5L 1997-99
- Porsche Boxster 986 2.7L 1999-02
- Porsche Boxster S 986 3.2L 1999-02
- Porsche Boxster 986 2.7L 2003-04
- Porsche Boxster S 986 3.2L 2003-04
- Porsche Boxster 987 2.7L 2005-08/08
- Porsche Boxster 987 S 3.2/3.4L 2005-08/08
- Porsche 996 C2 3.4L 1997-08/01
- Porsche 996 C4 3.4L 1997-08/01
- Porsche 996 C2 3.6L 09/01-2005
- Porsche 996 C4 3.6L 09/01-2005
- Porsche 996 C4S 3.6L 09/01-2005
- Porsche 996 GT2 2001-05
- Porsche 996 GT3 MKI 1999-02
- Porsche 996 GT3 MKII 2003>>
- Porsche 996 GT3 RS 2003-04
- Porsche 997 MK1 Carrera 2 3.6L 2005-08
- Porsche 997 MK1 Carrera 2S 3.8L 2005-08
- Porsche 997 MK1 Carrera 4 3.6L 2005-08
- Porsche 997 MK1 Carrera 4S 3.8L 2005-08
- Porsche Cayman 2.7L 987C 2006-08
- Porsche Cayman S 3.4L 987C 2005-08
24 bulloni per motore. Il prezzo è per CIASCUNO .

Si adatta:
Porsche 986 Boxster 2.7L / S 3.4L 2003-04
Porsche 987 Boxster 2005-08
Porsche 987C Cayman 2005-08
Porsche 996 C2/C4/C4S 2002-05
Porsche 997 Carrera 2005-08
Fai clic su "Ingrandisci" per il diagramma delle parti di grandi dimensioni
Diagramma rif. 20.
Numeri di riferimento correlati
Numeri correlati, sostituiti, riferimenti incrociati o alternativi per il confronto.
99610418059
Il prodotto che stai visualizzando fa riferimento a questi numeri
- Porsche Boxster 986 2.5L 1997-99
- Porsche Boxster 986 2.7L 1999-02
- Porsche Boxster S 986 3.2L 1999-02
- Porsche Boxster 986 2.7L 2003-04
- Porsche Boxster S 986 3.2L 2003-04
- Porsche Boxster 987 2.7L 2005-08/08
- Porsche Boxster 987 S 3.2/3.4L 2005-08/08
- Porsche 996 C2 3.4L 1997-08/01
- Porsche 996 C4 3.4L 1997-08/01
- Porsche 996 C2 3.6L 09/01-2005
- Porsche 996 C4 3.6L 09/01-2005
- Porsche 996 C4S 3.6L 09/01-2005
- Porsche 996 GT2 2001-05
- Porsche 996 GT3 MKI 1999-02
- Porsche 996 GT3 MKII 2003>>
- Porsche 996 GT3 RS 2003-04
- Porsche 997 MK1 Carrera 2 3.6L 2005-08
- Porsche 997 MK1 Carrera 2S 3.8L 2005-08
- Porsche 997 MK1 Carrera 4 3.6L 2005-08
- Porsche 997 MK1 Carrera 4S 3.8L 2005-08
- Porsche Cayman 2.7L 987C 2006-08
- Porsche Cayman S 3.4L 987C 2005-08

Si adatta:
Porsche 987 Boxster 2005-08
Porsche 987C Cayman 2005-08
Porsche 996 C2/C4/C4S 2002-05
Porsche 997 Carrera 2005-08
Fare clic su "ingrandisci" per il diagramma delle parti di grandi dimensioni
Rif. diagramma n. 27.
Numeri di riferimento correlati
Numeri correlati, sostituiti, riferimenti incrociati o alternativi per il confronto.
99610420300
Il prodotto che stai visualizzando fa riferimento a questi numeri
- Porsche Boxster 986 2.7L 2003-04
- Porsche Boxster S 986 3.2L 2003-04
- Porsche Boxster 987 2.7L 2005-08/08
- Porsche Boxster 987 S 3.2/3.4L 2005-08/08
- Porsche 996 C2 3.6L 09/01-2005
- Porsche 996 C4 3.6L 09/01-2005
- Porsche 996 C4S 3.6L 09/01-2005
- Porsche 997 MK1 Carrera 2 3.6L 2005-08
- Porsche 997 MK1 Carrera 2S 3.8L 2005-08
- Porsche 997 MK1 Carrera 4 3.6L 2005-08
- Porsche 997 MK1 Carrera 4S 3.8L 2005-08
- Porsche Cayman 2.7L 987C 2006-08
- Porsche Cayman S 3.4L 987C 2005-08

Si adatta:
Porsche 987 Boxster 2005-08
Porsche 987C Cayman 2005-08
Porsche 996 C2/C4/C4S 2002-05
Porsche 997 Carrera 2005-08
Fai clic su "ingrandisci" per il diagramma delle parti di grandi dimensioni
Diagramma rif. 27.
Numeri di riferimento correlati
Numeri correlati, sostituiti, riferimenti incrociati o alternativi per il confronto.
99610420300
Il prodotto che stai visualizzando fa riferimento a questi numeri
- Porsche Boxster 986 2.7L 2003-04
- Porsche Boxster S 986 3.2L 2003-04
- Porsche Boxster 987 2.7L 2005-08/08
- Porsche Boxster 987 S 3.2/3.4L 2005-08/08
- Porsche 996 C2 3.6L 09/01-2005
- Porsche 996 C4 3.6L 09/01-2005
- Porsche 996 C4S 3.6L 09/01-2005
- Porsche 997 MK1 Carrera 2 3.6L 2005-08
- Porsche 997 MK1 Carrera 2S 3.8L 2005-08
- Porsche 997 MK1 Carrera 4 3.6L 2005-08
- Porsche 997 MK1 Carrera 4S 3.8L 2005-08
- Porsche Cayman 2.7L 987C 2006-08
- Porsche Cayman S 3.4L 987C 2005-08

Si adatta:
Porsche 986 Boxster 2.7L / S 3.4L 2003-04
Porsche 987 Boxster 2005-08
Porsche 987C Cayman 2005-08
Porsche 996 C2/C4/C4S 2002-05
Porsche 997 Carrera 2005-08
Fai clic su "ingrandisci" per il diagramma delle parti di grandi dimensioni
Diagramma rif. n. 41.
Numeri di riferimento correlati
Numeri correlati, sostituiti, riferimenti incrociati o alternativi per il confronto.
99610524403
Il prodotto che stai visualizzando fa riferimento a questi numeri
- Porsche Boxster 986 2.7L 2003-04
- Porsche Boxster S 986 3.2L 2003-04
- Porsche Boxster 987 2.7L 2005-08/08
- Porsche Boxster 987 S 3.2/3.4L 2005-08/08
- Porsche 996 C2 3.4L 1997-08/01
- Porsche 996 C4 3.4L 1997-08/01
- Porsche 996 C2 3.6L 09/01-2005
- Porsche 996 C4 3.6L 09/01-2005
- Porsche 996 C4S 3.6L 09/01-2005
- Porsche 997 MK1 Carrera 2 3.6L 2005-08
- Porsche 997 MK1 Carrera 2S 3.8L 2005-08
- Porsche 997 MK1 Carrera 4 3.6L 2005-08
- Porsche 997 MK1 Carrera 4S 3.8L 2005-08
- Porsche Cayman 2.7L 987C 2006-08
- Porsche Cayman S 3.4L 987C 2005-08
Adatto a:
Porsche 986 Boxster 2.7L/S 3.4L 2003-04
Porsche 987 Boxster 2005-08
Porsche 987C Cayman 2005-08
Porsche 996 C2 / C4 / C4S 2002-05
Porsche 997 Carrera 2005-08
Fare clic su "ingrandisci" per il diagramma delle parti di grandi dimensioni
Schema rif. n. 41.
Numeri di riferimento correlati
Numeri correlati, sostituiti, riferimenti incrociati o alternativi per il confronto.
99610524403
Il prodotto che stai visualizzando fa riferimento a questi numeri
- Porsche Boxster 986 2.7L 2003-04
- Porsche Boxster S 986 3.2L 2003-04
- Porsche Boxster 987 2.7L 2005-08/08
- Porsche Boxster 987 S 3.2/3.4L 2005-08/08
- Porsche 996 C2 3.4L 1997-08/01
- Porsche 996 C4 3.4L 1997-08/01
- Porsche 996 C2 3.6L 09/01-2005
- Porsche 996 C4 3.6L 09/01-2005
- Porsche 996 C4S 3.6L 09/01-2005
- Porsche 997 MK1 Carrera 2 3.6L 2005-08
- Porsche 997 MK1 Carrera 2S 3.8L 2005-08
- Porsche 997 MK1 Carrera 4 3.6L 2005-08
- Porsche 997 MK1 Carrera 4S 3.8L 2005-08
- Porsche Cayman 2.7L 987C 2006-08
- Porsche Cayman S 3.4L 987C 2005-08

Si adatta:
Porsche 986 Boxster 1997-04
Porsche 987 Boxster 2005-08
Porsche 987C Cayman 2005-08
Porsche 996 C2/C4/C4S 1997-05
Porsche 997 Carrera 2005-08
Fai clic su "ingrandisci" per il diagramma delle parti di grandi dimensioni
Diagramma rif. n. 28.
Numeri di riferimento correlati
Numeri correlati, sostituiti, riferimenti incrociati o alternativi per il confronto.
99610421554
Il prodotto che stai visualizzando fa riferimento a questi numeri
- Porsche Boxster 986 2.5L 1997-99
- Porsche Boxster 986 2.7L 1999-02
- Porsche Boxster S 986 3.2L 1999-02
- Porsche Boxster 986 2.7L 2003-04
- Porsche Boxster S 986 3.2L 2003-04
- Porsche Boxster 987 2.7L 2005-08/08
- Porsche Boxster 987 S 3.2/3.4L 2005-08/08
- Porsche 996 C2 3.4L 1997-08/01
- Porsche 996 C4 3.4L 1997-08/01
- Porsche 996 C2 3.6L 09/01-2005
- Porsche 996 C4 3.6L 09/01-2005
- Porsche 996 C4S 3.6L 09/01-2005
- Porsche 997 MK1 Carrera 2 3.6L 2005-08
- Porsche 997 MK1 Carrera 2S 3.8L 2005-08
- Porsche 997 MK1 Carrera 4 3.6L 2005-08
- Porsche 997 MK1 Carrera 4S 3.8L 2005-08
- Porsche Cayman 2.7L 987C 2006-08
- Porsche Cayman S 3.4L 987C 2005-08

Si adatta:
Porsche 986 Boxster 1997-04
Porsche 987 Boxster 2005-08
Porsche 987C Cayman 2005-08
Porsche 996 C2/C4/C4S 1997-05
Porsche 997 Carrera 2005-08
Fai clic su "ingrandisci" per il diagramma delle parti di grandi dimensioni
Diagramma rif. n. 28.
Numeri di riferimento correlati
Numeri correlati, sostituiti, riferimenti incrociati o alternativi per il confronto.
99610421554
Il prodotto che stai visualizzando fa riferimento a questi numeri
- Porsche Boxster 986 2.5L 1997-99
- Porsche Boxster 986 2.7L 1999-02
- Porsche Boxster S 986 3.2L 1999-02
- Porsche Boxster 986 2.7L 2003-04
- Porsche Boxster S 986 3.2L 2003-04
- Porsche Boxster 987 2.7L 2005-08/08
- Porsche Boxster 987 S 3.2/3.4L 2005-08/08
- Porsche 996 C2 3.4L 1997-08/01
- Porsche 996 C4 3.4L 1997-08/01
- Porsche 996 C2 3.6L 09/01-2005
- Porsche 996 C4 3.6L 09/01-2005
- Porsche 996 C4S 3.6L 09/01-2005
- Porsche 997 MK1 Carrera 2 3.6L 2005-08
- Porsche 997 MK1 Carrera 2S 3.8L 2005-08
- Porsche 997 MK1 Carrera 4 3.6L 2005-08
- Porsche 997 MK1 Carrera 4S 3.8L 2005-08
- Porsche Cayman 2.7L 987C 2006-08
- Porsche Cayman S 3.4L 987C 2005-08

Si adatta:
Porsche 986 Boxster 2,7 L/3,2 L 2003-04
Porsche 987 Boxster 2005-08
Porsche 987C Cayman 2005-08
Porsche 996 C2/C4/C4S 2002-05
Porsche 997 Carrera 2005-08
Fare clic su "ingrandisci" per il diagramma delle parti di grandi dimensioni
Rif. diagramma n. 29.
Numeri di riferimento correlati
Numeri correlati, sostituiti, riferimenti incrociati o alternativi per il confronto.
99610421602
Il prodotto che stai visualizzando fa riferimento a questi numeri
- Porsche Boxster 986 2.7L 2003-04
- Porsche Boxster S 986 3.2L 2003-04
- Porsche Boxster 987 2.7L 2005-08/08
- Porsche Boxster 987 S 3.2/3.4L 2005-08/08
- Porsche 996 C2 3.6L 09/01-2005
- Porsche 996 C4 3.6L 09/01-2005
- Porsche 996 C4S 3.6L 09/01-2005
- Porsche 997 MK1 Carrera 2 3.6L 2005-08
- Porsche 997 MK1 Carrera 2S 3.8L 2005-08
- Porsche 997 MK1 Carrera 4 3.6L 2005-08
- Porsche 997 MK1 Carrera 4S 3.8L 2005-08
- Porsche Cayman 2.7L 987C 2006-08
- Porsche Cayman S 3.4L 987C 2005-08
24 pezzi per motore. Il prezzo è per ciascuno.

Si adatta:
Porsche 996 Turbo 2001-05
Porsche 997.1 Turbo/GT2 2007-09
Porsche 997.2 GT2 RS 2011
Porsche 996 GT3 2000-05
Porsche 997 GT3 2007-11
Fai clic su "Ingrandisci" per il diagramma delle parti di grandi dimensioni
Diagramma rif. 6
Numeri di riferimento correlati
Numeri correlati, sostituiti, riferimenti incrociati o alternativi per il confronto.
99610117270
Il prodotto che stai visualizzando fa riferimento a questi numeri
- Porsche 996 TURBO 2000-05
- Porsche 996 GT2 2001-05
- Porsche 996 GT3 MKI 1999-02
- Porsche 996 GT3 MKII 2003>>
- Porsche 996 GT3 RS 2003-04
- Porsche 997 MK1 GT3 2007-09
- Porsche 997 MKII GT3 2010-11
- Porsche 997 MKII GT2 RS 2011-13
-
motore sostitutivo: senza disco di trasmissione tiptronic, senza volano cambio manuale, senza compressore per 996 CARRERA 2/4/4S M96.01/02/03/04 1998-05 101-00
-
cylinder head 996 CARRERA 2/4 M96.01/02/04 UPTO 2001 103-00
-
cylinder head 996 CARRERA 2/4/4S M96.03 2002 ONWARDS 103-01
-
crankcase left 996 TURBO 2001-05 101-05
-
crankcase left 996 GT3-1 M96.76 2000-01 and 996 GT3-1/GT3 RS M96.79 2004-05 101-05
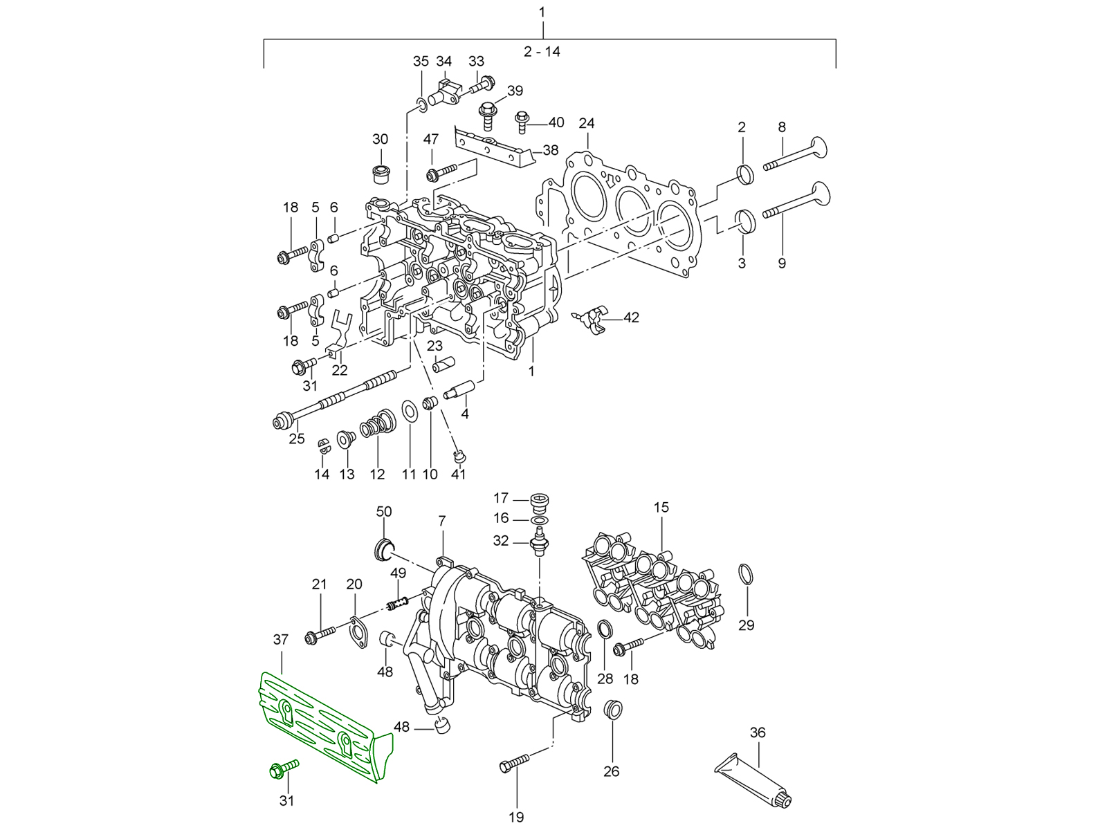
Coperchi di precisione per testate e alberi a camme: protezione e prestazioni del motore per i modelli Porsche
I coperchi della testata e dell'albero a camme svolgono un ruolo fondamentale nella protezione dei componenti chiave del motore, come il gruppo valvole, gli alberi a camme e la testata, da sporco, detriti e contaminazione da olio. Oltre alla protezione, garantiscono la corretta tenuta e ventilazione dell'olio, mantenendo una lubrificazione e un equilibrio di pressione costanti all'interno del motore.
Da Design911 offriamo un'ampia selezione di coperchi per testate e alberi a camme di precisione per motori Porsche classici e moderni. Realizzati in alluminio, magnesio e materiali compositi di alta qualità, questi coperchi offrono una vestibilità perfetta e un'affidabilità duratura, mantenendo al contempo l'aspetto pulito e professionale che contraddistingue la tradizione Porsche in termini di prestazioni.
Che tu stia restaurando una 911 raffreddata ad aria o eseguendo la manutenzione di una 992 ad alte prestazioni, i nostri componenti di qualità garantita dal produttore garantiscono un funzionamento senza perdite e una durata eccezionale.
A cosa servono le coperture della testata del cilindro e dell'albero a camme?
Questi componenti fungono da guscio protettivo per il sistema di distribuzione e i canali superiori dell'olio del motore. Impediscono l'ingresso di contaminanti, gestiscono la pressione interna e contribuiscono a mantenere una lubrificazione costante.
Funzioni principali:
- Sigillare la zona superiore del motore , prevenendo perdite di olio e contaminazione.
- Proteggere gli alberi a camme e il gruppo valvole da detriti e umidità.
- Regola la ventilazione del basamento , favorendo una respirazione ottimale del motore.
- Mantenere un flusso d'olio corretto per un raffreddamento e una lubrificazione efficienti.
Sono essenziali non solo per l'affidabilità, ma anche per preservare l'integrità visiva e meccanica del vano motore della tua Porsche.
Perché i coperchi della testata del cilindro/albero a camme si rompono?
Nel tempo, il calore, la pressione e l'esposizione all'olio possono degradare materiali, guarnizioni e tenute. Questi problemi possono causare perdite, scarsa ventilazione e persino, in casi estremi, carenza di olio.
Le cause più comuni di guasto includono:
- Coperture screpolate o deformate a causa di ripetuti cicli di calore.
- Guarnizioni o guarnizioni deteriorate , che causano perdite di olio.
- Elementi di fissaggio allentati o affaticati , che determinano una pressione di tenuta non uniforme.
- Passaggi respiratori bloccati , aumento della pressione interna.
- Corrosione o contaminazione nei motori più vecchi.
La sostituzione di coperchi e guarnizioni usurati ripristina il controllo dell'olio, previene le perdite e preserva la salute del motore a lungo termine.
Perché sostituirli con coperture di precisione?
L'aggiornamento o la sostituzione delle coperture garantisce che il motore della tua Porsche funzioni come previsto: senza perdite, correttamente ventilato e visivamente pulito.
Vantaggi principali:
- Ripristina le prestazioni di tenuta ed elimina le perdite di olio.
- Protegge i componenti vitali del sistema di distribuzione da sporco e detriti.
- Mantiene la corretta pressione del basamento e il controllo dell'olio.
- Realizzato con materiali di prima qualità per una maggiore resistenza al calore e alla corrosione.
- Montaggio e finitura perfetti , per garantire affidabilità a lungo termine.
- Compatibile con un'ampia gamma di modelli Porsche , dalle classiche alle moderne auto GT.
Anche le coperture di precisione contribuiscono all'estetica del motore, mantenendo l'aspetto raffinato che i proprietari di Porsche si aspettano.
Punti salienti:
- Coperchi ad alta resistenza per testate cilindri e alberi a camme per motori Porsche.
- Superfici di tenuta lavorate con precisione per prestazioni di tenuta all'olio a lungo termine.
- Materiali di qualità del produttore : alluminio, magnesio e opzioni composite.
- Controllo dell'olio e ventilazione interna migliorati . Ideale per la ricostruzione, l'aggiornamento o il restauro del motore.
- Compatibile con i modelli Porsche raffreddati ad aria e ad acqua.