Voer hier uw btw-nummer in en klik op Verifiëren:
U hoeft het landcode-deel van uw btw-nummer niet in te voeren, omdat dit al is geselecteerd in uw factuuradres hierboven.
Uw gegevens zijn geverifieerd. Btw-nummer geregistreerd bij:
,
.
Uw bestelling wordt nu voor BTW-doeleinden op een nultarief gezet. Wij behouden ons het recht voor deze gegevens na uw bestelaanvraag te controleren en indien nodig opnieuw btw aan te rekenen.
Uw btw-gegevens werden niet herkend of waren ongeldig. Uw btw-nummer moet overeenkomen met het land van facturering zoals hierboven aangegeven. Dit wordt momenteel gespecificeerd als . U hoeft het landcode-deel van uw btw-nummer niet in te voeren, omdat dit al is geselecteerd in uw factuuradres hierboven.
De dienst voor het controleren van btw-nummers is momenteel offline. Geef uw btw-gegevens op in het veld opmerkingen of speciale instructies hieronder en wij passen een btw-korting toe na het plaatsen van uw bestelaanvraag.
Achterste draagarm
- Porsche 911 1965-1968 2.0L / 912 SWB (F)
- Porsche 911 1968-1973 2.2L / 2.4L / 2.7L RS LWB (F)
- Porsche 911 1974-1977 2.7L / 1976-77 3.0 Carrera
- Porsche 911 1978-1983 3.0L / SC
- Porsche 911 1984-1986 3.2L
- Porsche 911 1987-1989 3.2L G50
- Porsche 911 1975-1977 3.0L Turbo (930)
- Porsche 911 1978-1989 3.3L Turbo (930)

SET VAN 4
Past bij:
Porsche 911/912/930 Alle 1966-89 voor en achter
Op zoek naar het ultieme op het gebied van veerpootbevestigingen? De Rennline Monoball-set voor en achter combineert zowel onze monoball-bussen aan de voorkant als de achterste monoball-bussen in één pakket om u een eenvoudige oplossing te bieden om de handling van uw 911 enorm te verbeteren. Deze set combineert onze onderdeelnummers MB11 en MB12, inclusief de voorste en achterste monoball-kit. veerpootbruggen en monoball-bevestigingen voor de achterste draagarmen. Alle monoballen zijn CNC-gefreesd en geassembleerd in eigen huis hier in de VS en zijn voorzien van met teflon beklede motorsport-bollagers van de hoogste kwaliteit en nauwkeurig bewerkte behuizingen. Deze zijn bewezen op straat en op het circuit en zorgen voor een optimale ophangingsgeometrie over het gehele bewegingsbereik van de ophanging. Inclusief 2x monoball-bevestigingen voor de voorste en 2x achterste draagarm.
Gerelateerde referentienummers
Gerelateerde, vervangen, kruisverwijzingen of alternatieve nummers ter vergelijking.
MB11KIT
Het product dat u bekijkt, verwijst naar deze nummers
- Porsche 911 1965-1968 2.0L / 912 SWB (F)
- Porsche 911 1968-1973 2.2L / 2.4L / 2.7L RS LWB (F)
- Porsche 911 1974-1977 2.7L / 1976-77 3.0 Carrera
- Porsche 911 1978-1983 3.0L / SC
- Porsche 911 1984-1986 3.2L
- Porsche 911 1987-1989 3.2L G50
- Porsche 911 1975-1977 3.0L Turbo (930)
- Porsche 911 1978-1989 3.3L Turbo (930)
Voor- en achteras
Past op:
Porsche 911- 1977 tot 1986
Porsche 911 turbo - 1977 tot 1988
Revisieset voor ophangingsbussen met standaard Shore-classificatie (niet opgewaardeerd)
Gerelateerde referentienummers
Gerelateerde, vervangen, kruisverwijzingen of alternatieve nummers ter vergelijking.
SUSPBUSHKIT
Het product dat u bekijkt, verwijst naar deze nummers
- Porsche 911 1978-1983 3.0L / SC
- Porsche 911 1984-1986 3.2L
- Porsche 911 1975-1977 3.0L Turbo (930)
- Porsche 911 1978-1989 3.3L Turbo (930)
Past op:
Porsche 911E - 1970 tot 1973
Porsche 911T - 1970 tot 1973
Porsche 911S - 1970 tot 1973
Revisieset voor ophangingsbussen met standaard Shore-classificatie (niet opgewaardeerd)
Gerelateerde referentienummers
Gerelateerde, vervangen, kruisverwijzingen of alternatieve nummers ter vergelijking.
SUSPBUSHKIT
Het product dat u bekijkt, verwijst naar deze nummers
- Porsche 911 1968-1973 2.2L / 2.4L / 2.7L RS LWB (F)
Past op:
Porsche 911- 1974 tot 1976
Controleer de dikte van de voorste stabilisatorstang: 16 mm of 20 mm
Revisieset voor ophangingsbussen met standaard Shore-classificatie (niet opgewaardeerd)
- Porsche 911 1974-1977 2.7L / 1976-77 3.0 Carrera
Voor- en achteras
Past op:
Porsche 911- 1987 tot 1989 - G50 versnellingsbak
Revisieset voor ophangingsbussen met standaard Shore-classificatie (niet opgewaardeerd)
Gerelateerde referentienummers
Gerelateerde, vervangen, kruisverwijzingen of alternatieve nummers ter vergelijking.
SUSPBUSHKIT
Het product dat u bekijkt, verwijst naar deze nummers
- Porsche 911 1987-1989 3.2L G50
Voor- en achteras
Past op:
Porsche 911 turbo 3.0ltr - 1975 tot 1976
Revisieset voor ophangingsbussen met standaard Shore-classificatie (niet opgewaardeerd)
Gerelateerde referentienummers
Gerelateerde, vervangen, kruisverwijzingen of alternatieve nummers ter vergelijking.
SUSPBUSHKIT
Het product dat u bekijkt, verwijst naar deze nummers
- Porsche 911 1975-1977 3.0L Turbo (930)
Voor- en achteras
Past op:
Porsche 911 turbo - 1989 - G50 versnellingsbak
Revisieset voor ophangingsbussen met standaard Shore-classificatie (niet opgewaardeerd)
Gerelateerde referentienummers
Gerelateerde, vervangen, kruisverwijzingen of alternatieve nummers ter vergelijking.
SUSPBUSHKIT
Het product dat u bekijkt, verwijst naar deze nummers
- Porsche 911 1978-1989 3.3L Turbo (930)
Een rubbergelijmde bus die in de bovenste bevestiging van de achterste draagarm wordt geperst. Deze isoleert geluid/trillingen en fixeert de draaipuntgeometrie van de draagarm, zodat sporing/camber stabiel blijft onder belasting. Porsche vermeldt deze bus voor de 911/912 (ook de 912E en 930) van 1965 tot en met 1989. Er worden er vier per auto gebruikt.
Past op:
Porsche 911/912/930 1965-89
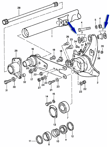
Diagram Ref. nr. 3
• Club Sport-versie
• 30% stijver dan OE-onderdeel
• Gegarandeerde pasvorm
• OE-afmetingen van de sleeparmbus voor een correcte uitlijning en een soepele rit
• Herstelt de juiste vering en remstabiliteit
• Hoogwaardige hittebestendige elastomeer- en metaalmaterialen voor maximale duurzaamheid
• 24 maanden onbeperkte kilometergarantie
Aantal bevestigingsgaten: 1
Binnendiameter: 14,12 mm
Buitendiameter: 46 mm
Diameter bevestigingsgat: 34,4 mm
Materiaal: Steel
Kleur: Goud
Waarom vervangen en typische leeftijdsgerelateerde defecten : Gebarsten of versleten rubber → bonken, piepen en een "achteruitstuur"-gevoel bij gas/rem. Ovale binnenbus → onstabiele uitlijning; de auto slingert en loopt vast. Door olie/hitte opgezwollen rubber → overmatige flexibiliteit en reminstabiliteit. Vervanging herstelt de juiste uitlijning, wegligging en remstabiliteit.
Veelvoorkomende problemen die u zult zien: speling bij het draaipunt van de draagarm (zichtbaar met een koevoet); gescheurd rubber. Ongelijkmatige slijtage van de achterband (binnenranden door sporing onder belasting). Lawaaierige achtervering bij kleine oneffenheden. Uitlijning blijft niet goed na een set-up (bussen buigen terug).
Gerelateerde referentienummers
Gerelateerde, vervangen, kruisverwijzingen of alternatieve nummers ter vergelijking.
90133105900HD
Het product dat u bekijkt, verwijst naar deze nummers
- Porsche 911 1965-1968 2.0L / 912 SWB (F)
- Porsche 911 1968-1973 2.2L / 2.4L / 2.7L RS LWB (F)
- Porsche 911 1974-1977 2.7L / 1976-77 3.0 Carrera
- Porsche 911 1978-1983 3.0L / SC
- Porsche 911 1984-1986 3.2L
- Porsche 911 1987-1989 3.2L G50
- Porsche 911 1975-1977 3.0L Turbo (930)
- Porsche 911 1978-1989 3.3L Turbo (930)
Een rubbergelijmde bus die in de bovenste bevestiging van de achterste draagarm wordt geperst. Deze isoleert geluid/trillingen en fixeert de draaipuntgeometrie van de draagarm, zodat sporing/camber stabiel blijft onder belasting. Porsche vermeldt deze bus voor de 911/912 (ook de 912E en 930) van 1965 tot en met 1989. Er worden er vier per auto gebruikt.

Past op:
Porsche 911/912/930 1965-89
Waarom vervangen en typische leeftijdsgerelateerde defecten : Gebarsten of versleten rubber → bonken, piepen en een "achteruitstuur"-gevoel bij gas/rem. Ovale binnenbus → onstabiele uitlijning; de auto slingert en loopt vast. Door olie/hitte opgezwollen rubber → overmatige flexibiliteit en reminstabiliteit. Vervanging herstelt de juiste uitlijning, wegligging en remstabiliteit.
Veelvoorkomende problemen die u zult zien: speling bij het draaipunt van de draagarm (zichtbaar met een koevoet); gescheurd rubber. Ongelijkmatige slijtage van de achterband (binnenranden door sporing onder belasting). Lawaaierige achtervering bij kleine oneffenheden. Uitlijning blijft niet goed na een set-up (bussen buigen terug).
Klik op 'Inzoomen' voor een groter onderdeeloverzicht.
Diagram Ref. nr. 3
Gerelateerde referentienummers
Gerelateerde, vervangen, kruisverwijzingen of alternatieve nummers ter vergelijking.
90133105900
Het product dat u bekijkt, verwijst naar deze nummers
- Porsche 911 1965-1968 2.0L / 912 SWB (F)
- Porsche 911 1968-1973 2.2L / 2.4L / 2.7L RS LWB (F)
- Porsche 911 1974-1977 2.7L / 1976-77 3.0 Carrera
- Porsche 911 1978-1983 3.0L / SC
- Porsche 911 1984-1986 3.2L
- Porsche 911 1987-1989 3.2L G50
- Porsche 911 1975-1977 3.0L Turbo (930)
- Porsche 911 1978-1989 3.3L Turbo (930)
Wordt geleverd als complete set, (1) per auto met bussen voor beide achterzijden. vervanging voor OE 90133105900

Past bij:
Porsche 911 / 912 / 930 1965-89
High Density draagarmbussen voor de 911 kunnen zowel klonters van falende fabriekseenheden elimineren als de juiste ophangingsgeometrie in uw straat- of circuitauto herstellen. Gemaakt van 25% hogere durometer dan OEM (901.331.050.00) onderdelen, dit zijn de ideale vervanging voor defecte of gewoon verouderde voorraadrubbereenheden. Deze bussen plaatsen de achterste draagarmen beter onder de aanhoudende belastingen die vaak worden ervaren op het circuit en in de ontberingen van het dagelijkse rijden.
Gerelateerde referentienummers
Gerelateerde, vervangen, kruisverwijzingen of alternatieve nummers ter vergelijking.
90133105900
Het product dat u bekijkt, verwijst naar deze nummers
- Porsche 911 1965-1968 2.0L / 912 SWB (F)
- Porsche 911 1968-1973 2.2L / 2.4L / 2.7L RS LWB (F)
- Porsche 911 1974-1977 2.7L / 1976-77 3.0 Carrera
- Porsche 911 1978-1983 3.0L / SC
- Porsche 911 1984-1986 3.2L
- Porsche 911 1987-1989 3.2L G50
- Porsche 911 1975-1977 3.0L Turbo (930)
- Porsche 911 1978-1989 3.3L Turbo (930)
Upgrade de achterwielophanging van uw Porsche met de Heavy Duty Rear Trailing Arm Bushings Set, ontworpen voor een scherper rijgedrag en een langere levensduur.
Deze bussen bevestigen de achterste draagarmen aan het chassis en zijn essentieel voor het behoud van een correcte wieluitlijning en ophangingsgeometrie. Na verloop van tijd worden de originele rubberen bussen zachter of scheuren ze, wat leidt tot overmatige flex, een onvoorspelbare wegligging en onregelmatige bandenslijtage.
De HD-bussen zijn gemaakt van een stijvere rubbersamenstelling met een hoge hardheid die vervorming onder belasting tegengaat. Dit stevigere materiaal minimaliseert ongewenste armbewegingen tijdens accelereren, remmen en bochtenwerk, waardoor uw Porsche stabiel, voorspelbaar en nauwkeurig blijft.
Verkocht als set van 4
1 set vereist per auto.
Past op:
Diagram Ref. nr. 3
Wat dit product doet:
Symptomen van versleten of defecte draagarmbussen:
- Klappen of stoten van de achterkant over hobbels of tijdens acceleratie/deceleratie
- Los of vaag achtergedrag – de achterkant kan minder stevig aanvoelen of onder belasting afdrijven
- Ongelijkmatige of versnelde slijtage van de achterband door veranderende uitlijning of veranderingen in de teenhoek
- Slechte wegligging / verminderde grip in bochten of bij belasting van de vering
- Trillingen of ruwheid die worden overgedragen door bewegingen van de achtervering
- Betere feedback en precisie bij het sturen: minder meegevendheid betekent dat de achterkant directer reageert op invoer. Zo voelt u meer verbondenheid en vertrouwen.
- Verbeterde geometrie onder belasting - Tijdens het nemen van bochten of onder dynamische spanningen zorgt een stijvere bus voor een betere uitlijning (camber, toe).
- Minder doorbuiging en beweging - Beperkt ongewenste beweging in de achtervering, vooral tijdens acceleratie, remmen of hoge zijdelingse krachten.
- Verhoogde duurzaamheid - Robuuste verbindingen zijn beter bestand tegen vermoeidheid, hitte en veroudering dan zacht OEM-rubber, vooral bij prestatiegericht gebruik.
- Beter bandenslijtagegedrag: dankzij een consistentere uitlijning slijten uw achterbanden gelijkmatiger en voorspelbaarder.
- Verbeterd gevoel zonder ruwheid - Volledig stijve bevestigingen kunnen ruwheid en lawaai veroorzaken, maar een hoogwaardige heavy-duty bus biedt een betere balans: stevigere controle met acceptabel comfort voor gebruik op de weg.
Gerelateerde referentienummers
Gerelateerde, vervangen, kruisverwijzingen of alternatieve nummers ter vergelijking.
90133105900
Het product dat u bekijkt, verwijst naar deze nummers
- Porsche 911 1965-1968 2.0L / 912 SWB (F)
- Porsche 911 1968-1973 2.2L / 2.4L / 2.7L RS LWB (F)
- Porsche 911 1974-1977 2.7L / 1976-77 3.0 Carrera
- Porsche 911 1978-1983 3.0L / SC
- Porsche 911 1984-1986 3.2L
- Porsche 911 1987-1989 3.2L G50
- Porsche 911 1975-1977 3.0L Turbo (930)
- Porsche 911 1978-1989 3.3L Turbo (930)

Past bij:
Porsche 911 1965-73
Deze set is inclusief
1 X SPF0893K Gear Linkage Bush Kit 2 Bushes, SuperPro Grease
1 x SPF1436K veerpootbevestigingsset voor, 2 bussen, 2 stalen buizen, SuperPro-vet
1 X SPF0526K Voorste stabilisatorstang-buskit 4 bussen, SuperPro-vet
1 X SPF1450-18K Voorste stabilisatorstang naar dwarsbalkmontageset 2 bussen, SuperPro-vet
1 x SPF0236AK voorste torsiestang scharnierbusset 4 bussen, SuperPro-vet
1 x SPF1375K motorbevestigingsbusset achter, 8 bussen, 4 stalen buizen, SuperPro-vet
1 X SPF0095-22K Achterste stabilisatorstang Bush Kit 2 Bushes, SuperPro Grease
1 X SPF0134-22K Stabilisatorstang achter naar chassisbus 2 bussen, SuperPro-vet
1 x SPF0236K torsiestang scharnierbusset 4 bussen, SuperPro-vet
1 X SPF0988K Kit achteraan (banaan) draagarm voor, 4 struiken, SuperPro-vet
Als u de rubberen ophangingsbussen van uw auto vervangt door polyurethaan ophangingsbussen, krijgt u:
- Betere wegligging
- Constante stuurgeometrie
- Verhoogde levensduur van de band
- Meer responsieve besturing
- Langere levensduur van ophangingscomponenten.
- Porsche 911 1965-1968 2.0L / 912 SWB (F)
- Porsche 911 1968-1973 2.2L / 2.4L / 2.7L RS LWB (F)

Past bij:
Porsche 911 1974-85 Auto's met 18 mm voorste en 22 mm achterste stabilisatorstangen
Deze set is inclusief
1 x SPF0893K Gear Linkage Bush Kit 2 Bushes, SuperPro Grease
1 x SPF1436K Strut Mount Bush Kit voor, 2 Bushes, 2 Steel Tubes, SuperPro Grease
1 x SPF0526K Sway Bar link Bush Kit 4 Bushes, SuperPro Grease
1 x SPF1450-18K Voorste stabilisatorstang naar dwarsbalkmontageset 2 bussen, SuperPro-vet
1x SPF0236AK Front Torsion Bar Pivot Bush Kit 4 Bushes, SuperPro Grease
1 x SPF1375K montagebusset achter motor 4 bussen, 2 stalen buizen, SuperPro-vet
1 x SPF0095-22K Achterste stabilisatorstang Bush Kit 2 Bushes, SuperPro Grease
1 x SPF0134-22K Achterste stabilisatorstang naar chassisbus 2 bussen, SuperPro-vet
1 x SPF0236K Torsiestang-scharnierbusset 4 bussen, SuperPro-vet
1 x SPF0988K Achterste sleeparm (banaan) Arm voorste struikenkit 4 struiken, SuperPro-vet
Als u de rubberen ophangingsbussen van uw auto vervangt door polyurethaan ophangingsbussen, krijgt u:
- Betere wegligging
- Constante stuurgeometrie
- Verhoogde levensduur van de band
- Meer responsieve besturing
- Langere levensduur van ophangingscomponenten.
- Porsche 911 1974-1977 2.7L / 1976-77 3.0 Carrera
- Porsche 911 1978-1983 3.0L / SC
- Porsche 911 1984-1986 3.2L
- Porsche 911 1975-1977 3.0L Turbo (930)
- Porsche 911 1978-1989 3.3L Turbo (930)

Vervangende draagarm achteras. Porsche 911 1974-89 Gereviseerd
Past op:
Porsche 911 1974-89
Klik op 'Inzoomen' voor een groter onderdeeloverzicht.
Diagram ref. nr. 2
Let op:
Gereviseerde producten worden verkocht op basis van ruil. Er wordt een toeslag in rekening gebracht, die u vervolgens terugkrijgt wanneer u het oude product retourneert.
De toeslag voor dit gereviseerde onderdeel wordt terugbetaald zodra het ruilonderdeel door ons en de betreffende fabrikant is ontvangen en goedgekeurd. Houd er rekening mee dat het gemiddeld 6 tot 8 weken duurt voordat de fabrikant de toeslag goedkeurt. De acceptatie van het ruilonderdeel is ter beoordeling van de fabrikant, op basis van de geschiktheid van het onderdeel voor revisie. Alle toeslagen en ruilingen zijn onderworpen aan onze algemene voorwaarden.
Gerelateerde referentienummers
Gerelateerde, vervangen, kruisverwijzingen of alternatieve nummers ter vergelijking.
91133151
Het product dat u bekijkt, verwijst naar deze nummers
- Porsche 911 1974-1977 2.7L / 1976-77 3.0 Carrera
- Porsche 911 1978-1983 3.0L / SC
- Porsche 911 1984-1986 3.2L
- Porsche 911 1987-1989 3.2L G50

Past bij:
Porsche 930 Turbo 1978-89
Klik op 'Inzoomen' voor een groot onderdelenschema.
Schema ref nr. 2
Gerelateerde referentienummers
Gerelateerde, vervangen, kruisverwijzingen of alternatieve nummers ter vergelijking.
93033151
Het product dat u bekijkt, verwijst naar deze nummers
- Porsche 911 1978-1989 3.3L Turbo (930)

Past bij:
Porsche 356 B / 356 C
Porsche 911 1965-83
Porsche 911 Turbo 1975-77
Klik op 'Inzoomen' voor een groot onderdelenschema.
Schema ref. nr. 28.
Gerelateerde referentienummers
Gerelateerde, vervangen, kruisverwijzingen of alternatieve nummers ter vergelijking.
90003403601
Het product dat u bekijkt, verwijst naar deze nummers
- Porsche 911 1965-1968 2.0L / 912 SWB (F)
- Porsche 911 1968-1973 2.2L / 2.4L / 2.7L RS LWB (F)
- Porsche 911 1974-1977 2.7L / 1976-77 3.0 Carrera
- Porsche 911 1978-1983 3.0L / SC
- Porsche 911 1975-1977 3.0L Turbo (930)
- Porsche 356B 1959-63
- Porsche 356C 1963-65
-
transmissieophanging 911 1978-83 306-00
-
vooras stabilisator 911 1978-83 401-00
-
schokbreker veerpoot 911 1978-83 402-00
-
stuurtoebehoren onder 911 1978-83 403-00
-
achteras 911 1978-83 501-00
-
trillingsdemper stabilisator 911 1978-83 502-00
-
Pedalen voor auto's met stuur links 911 1978-83 702-00
-
Motorophanging achter 911 1970-73 109-00
-
vooras stabilisator 911 1987-89 401-00
-
schokbreker veerpoot 911 1987-89 402-00
-
stuurdelen onder 911 1987-89 403-00
-
achteras 911 1987-89 501-00
-
trillingsdemper stabilisator 911 1987-89 502-00
-
vervangende transmissie transmissiehuis spuitgieten voor 911 TOT 1971 302-10
-
pedalen voor AUTO'S MET LINKSGEDREVEN 911 TURBO 1987-88 702-00
-
Spring strut, shock absorber strut, lubricants 911 1970-73 402-00
-
Stuurinrichting, stuuroverbrenging 911 1970-73 403-00
-
pedalen voor LINKS BESTUURDE AUTO'S 911 CARRERA 1978-89 / TURBO 1989- 702-06
-
pedalen voor RIGHT HAND DRIVE 911 CARRERA 19787-89 / TURBO 1989- 702-07
-
transmissieophanging 911 1984-86 306-00
-
vooras stabilisator 911 1984-86 401-00
-
schokbreker veerpoot 911 1984-86 402-00
-
stuurdelen onder 911 1984-86 403-00
-
achteras 911 1984-86 501-00
-
trillingsdemper stabilisator 911 1984-86 502-00
-
Pedalen voor auto's met stuur links 911 1984-86 702-00
-
Engine electrics 911 1970-73 901-00
-
Motorophanging 911 1974-77 109-00
-
Transmission Suspension 911 1974-77 306-00
-
Front axle, stabiliser, steel auxiliary support 911 1974-77 401-00
-
Shock Absorber Strut 911 1974-77 402-00
-
Stuurinrichting, Stuurinrichting, Spoorstang 911 1974-77 403-00
-
Achteras 911 1974-77 501-00
-
Trillingsdemper stabilisator 911 1974-77 502-00
-
Pedals for cars with brake booster 911 1974-77 702-10
-
transmissiehuis TYP 915. voor 911 vanaf 1972 302-20
-
front axle stabiliser 911 1970-73 401-00
-
achteras 911 1970-73 501-00
-
Stabilisator achteras voor 911S, CARRERA 2.7 en 911 T/E:M 1970-73 502-00
-
motorophanging achter 911 1965-69 109-00
-
engine suspension rear not for (S) + (D) F >> 074 6699, for (S) + (D) F >> 083 2813. For 912 UPTO 1961 109-05
-
engine suspension rear not for (S) + (D) F 074 6700 >>, for (S) + (D) F 083 2814 >>. FOR 912 1966 onwards 109-10
-
vervangende transmissie, transmissiehuis, spuitgieten 911 vanaf 1969 302-10
-
front axle stabiliser for 911 T/E/S and 912 / USA. 1969 401-10
-
spring strut, shock absorber strut 911 1969 402-05
-
stuurinrichting stuuroverbrenging 911 t/m 1968 403-00
-
stuurinrichting, stuuroverbrenging 911 1969 403-05
-
rear axle 911 UPTO 1968 501-00
-
rear axle 911 1969 501-05
-
stabilisator achteras voor 912:M TOT 1968 en 911 S 911 /TU/L/T 1965-69 502-00
-
interior panelling 911 COUPE 1965-69 801-20
-
engine electrics 911 1965-69 901-00
-
engine electrics 912 1965-69 901-05
-
front axle, stabiliser, auxiliary support, light alloy 911 TURBO 1975-77 401-00
-
shock absorber strut 911 TURBO 1975-77 402-00
-
rear axle 911 TURBO 1975-77 501-00
-
trillingsdemper, stabilisator 911 TURBO 1975-77 502-00
-
pedals for cars with brake booster 911 TURBO 1975-77 702-10
Porsche achterste draagarmen | Design911 ophangingscomponenten voor stabiliteit, uitlijning en nauwkeurige handling
De achterste draagarmen zijn essentiële onderdelen van het ophangingssysteem van uw Porsche en verbinden de achteras of wielnaafdrager met het chassis. Ze regelen de voor- en achterwaartse beweging van het achterwiel en zorgen tegelijkertijd voor een correcte uitlijning, geometrie en stabiliteit tijdens het remmen, bochtenwerk en acceleratie. Goed functionerende draagarmen zijn essentieel voor het behoud van de balans, grip en het rijcomfort waar Porsche bekend om staat.
Bij Design911 leveren we een compleet assortiment achterste draagarmen, bussen en bijbehorende componenten, ontworpen voor nauwkeurige pasvorm, sterkte en duurzaamheid. Onze draagarmen zijn gemaakt van hoogwaardig staal of aluminiumlegeringen en bieden de perfecte combinatie van stijfheid en lichtgewicht prestaties. Of het nu gaat om routineonderhoud, restauratie of circuitgerichte upgrades, onze onderdelen herstellen de integriteit van de ophanging en verbeteren zowel het comfort als de controle.
Wat doen achterste draagarmen?
Draagarmen vormen een structurele verbinding tussen het chassis en het achterwiel. Ze zorgen ervoor dat het wiel onder alle rijomstandigheden correct gepositioneerd en uitgelijnd blijft.
Kernfuncties:
• Controleer de beweging van het achterwiel bij accelereren en remmen.
• Zorg voor een correcte achterasgeometrie en wieluitlijning.
• Absorberen schokken van de weg om comfort en stabiliteit te verbeteren.
• Verbeter de tractie, grip en prestaties op rechte stukken.
• Ondersteunt de ophanging en de balans van het chassis.
Hoogwaardige achterste draagarmen zorgen voor een stabiele ophangingsgeometrie van uw Porsche, wat zorgt voor voorspelbaar, nauwkeurig rijgedrag op zowel de weg als het circuit.
Waarom gaan achterste draagarmen kapot of verslechteren ze?
Draagarmen staan onder constante belasting en beweging, waardoor ze op den duur gevoelig zijn voor slijtage, corrosie en metaalmoeheid.
Veelvoorkomende oorzaken van storingen zijn onder meer:
• Versleten of gebarsten bussen, waardoor er overmatige speling ontstaat.
• Corrosie of roest verzwakt de armstructuur.
• Schade door wegvuil of stoeprandschade.
• Metaalmoeheid door herhaaldelijk rijden met hoge belasting.
• Losse of beschadigde bevestigingsbouten die de uitlijning beïnvloeden.
Wanneer draagarmen kapot gaan, zijn de symptomen onder meer bonkende geluiden, instabiel rijgedrag, onregelmatige bandenslijtage en slechte uitlijning van de achterwielen. Tijdige vervanging is daarom essentieel voor de prestaties en veiligheid.
Waarom moet u de achterste draagarmen van uw Porsche vervangen of upgraden?
Het vervangen van versleten of beschadigde draagarmen herstelt de geometrie, stabiliteit en controle van de ophanging. Verbeterde performance-armen verbeteren de stijfheid, instelbaarheid en precisie van het chassis – ideaal voor sportief rijden of gebruik in de motorsport.
Belangrijkste voordelen:
• Herstelt de uitlijning en stabiliteit van de ophanging.
• Verbetert de rijprecisie en het evenwicht in bochten.
• Elimineert trillingen, lawaai en overmatige speling op het achterwiel.
• Gemaakt van corrosiebestendige, zeer sterke materialen.
• Geschikt voor Porsche 911, 944, 968, Boxster, Cayman, Cayenne en Macan.
• Ideaal voor onderhoud, prestatie-upgrades of volledige restauraties.
De Porsche-draagarmen van Design911 zijn van uitzonderlijke kwaliteit en zorgen ervoor dat uw Porsche rijdt met de kracht, precisie en controle waarvoor deze is ontworpen.
Hoogtepunten
• Premium Porsche achterste draagarmen en montagecomponenten.
• Nauwkeurig ontworpen voor nauwkeurige en sterke ophanging.
• Herstelt de wegligging, uitlijning en het rijcomfort.
• Verkrijgbaar in standaard- of prestatie-kwaliteitmaterialen.
• Geschikt voor zowel klassieke als moderne Porsche modellen.
• Ideaal voor restauratie, onderhoud of voorbereiding van het spoor.