Enter your VAT number here and click Verify:
Your details have been verified. VAT number registered to:
,
.
Your order will now be zero rated for VAT purposes. We reserve the right to verify these details after your order request has been made and reinstate VAT if required.
Your VAT details were not recognised or were invalid. Your VAT number must be matched to your Billing Country as specified above. This is currently specified as . You do not need to enter the country code part of your VAT number as this has already been selected in your billing address details above.
The VAT number checking service is currently offline. Please supply your VAT details within the comments or special instructions field below and we will apply a VAT discount after placing your order request.
Track Control Arm REAR
Fits:
Porsche 997 REAR only
Porsche 997 Turbo REAR only
Porsche 997 GT3 MKI 2005>>2009 FRONT and REAR
Porsche 997.2 REAR only
Porsche 997.2 Turbo REAR only
Porsche 997.2 GT3 REAR only
Porsche 997 GT3 Front only
Porsche 997 GT2 Front only
Porsche 997 GT2 Gen 2 Front only
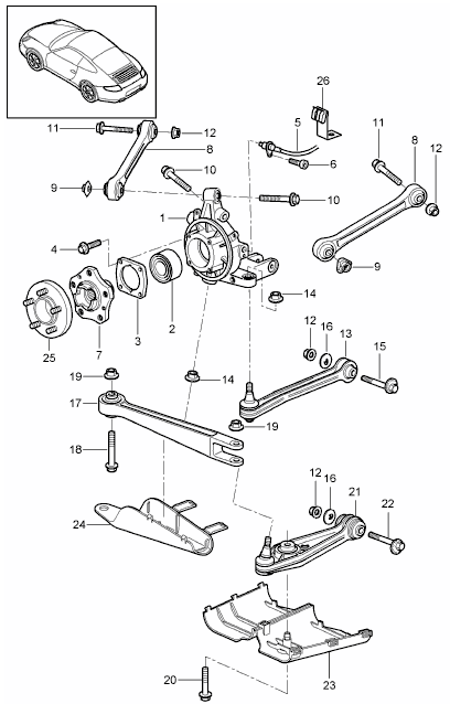
Please click 'Zoom in' to view the diagram.
Diagram ref No 17
Related reference numbers
Related, superseded, cross reference or alternative numbers for comparison.
99733104302
The product you are viewing cross references to these numbers
- Porsche 997 MK1 Carrera 2 3.6L 2005-08
- Porsche 997 MK1 Carrera 2S 3.8L 2005-08
- Porsche 997 MK1 Carrera 4 3.6L 2005-08
- Porsche 997 MK1 Carrera 4S 3.8L 2005-08
- Porsche 997 MK1 TURBO 2007-09
- Porsche 997 MK1 GT3 2007-09
- Porsche 997 MK1 GT2 2007-09
- Porsche 997 MKII Carrera C2 3.6L 2009-12
- Porsche 997 MKII Carrera C4 3.6L 2009-12
- Porsche 997 MKII Carrera C2S 3.8L 2009-12
- Porsche 997 MKII Carrera C4S 3.8L 2009-12
- Porsche 997 MKII GT3 2010-11
- Porsche 997 MKII Turbo 2010-13
- Porsche 997 MKII GT2 RS 2011-13
The high-quality replacement built to OE specifications, it delivers the same fit, strength, and performance as the original part. This suspension component connects the wheel hub to the chassis, maintaining proper alignment and ensuring stable handling.
Fits:
Porsche 986 Boxster 1997 - 2004
Porsche 987 Boxster 2005 - 2012
Porsche 987c Cayman 2006 - 2012
Porsche 996 C2 / C4 1997 - 2005
Porsche 996 Turbo 2000 - 2005
Porsche 996 GT3 1999 - 2005
Porsche 997 MKI 2006 - 2009
Porsche 997 GT3 2006 - 2009
Diagram ref no 13
This product supersedes Porsche's old part numbers:
99633104506, 99633104508, 99633104510, 99633104512, 99733104504 , 99633104512
What this product does:
• Provides a secure connection between the chassis and wheel hub
• Maintains wheel alignment for safe, predictable handling
• Absorbs suspension forces while keeping steering precise
Over time, control arms can bend, wear, or develop excessive play in the bushings and ball joints. This can cause uneven tire wear, knocking noises, wheel alignment issues, and a noticeable loss of steering precision. Replacement will restore the correct wheel alignment and suspension stability for which your Porsche was designed.
Related reference numbers
Related, superseded, cross reference or alternative numbers for comparison.
99733104505
The product you are viewing cross references to these numbers
- Porsche Boxster 986 2.5L 1997-99
- Porsche Boxster 986 2.7L 1999-02
- Porsche Boxster S 986 3.2L 1999-02
- Porsche Boxster 986 2.7L 2003-04
- Porsche Boxster S 986 3.2L 2003-04
- Porsche Boxster 987 2.7L 2005 -08/08
- Porsche Boxster 987 S 3.2/3.4L 2005-08/08
- Porsche Boxster 987 MKII 2.9L 2009-2012
- Porsche Boxster S 987 MKII 3.4L 2009-2012
- Porsche 996 C2 3.4L 1997-08/01
- Porsche 996 C4 3.4L 1997-08/01
- Porsche 996 C2 3.6L 09/01-2005
- Porsche 996 C4 3.6L 09/01-2005
- Porsche 996 C4S 3.6L 09/01-2005
- Porsche 996 TURBO 2000-05
- Porsche 996 GT2 2001-05
- Porsche 996 GT3 MKI 1999-02
- Porsche 996 GT3 MKII 2003>>
- Porsche 996 GT3 RS 2003-04
- Porsche 997 MK1 Carrera 2 3.6L 2005-08
- Porsche 997 MK1 Carrera 2S 3.8L 2005-08
- Porsche 997 MK1 Carrera 4 3.6L 2005-08
- Porsche 997 MK1 Carrera 4S 3.8L 2005-08
- Porsche 997 MK1 TURBO 2007-09
- Porsche 997 MK1 GT3 2007-09
- Porsche 997 MK1 GT2 2007-09
- Porsche 997 MKII Carrera C2 3.6L 2009-12
- Porsche 997 MKII Carrera C4 3.6L 2009-12
- Porsche 997 MKII Carrera C2S 3.8L 2009-12
- Porsche 997 MKII Carrera C4S 3.8L 2009-12
- Porsche 997 MKII GT3 2010-11
- Porsche 997 MKII Turbo 2010-13
- Porsche Cayman 2.7L 987C 2006-08
- Porsche Cayman S 3.4L 987C 2005-08
- Porsche Cayman 2.9L 987C MKII 2009-12
- Porsche Cayman S / R 3.4L 987C MKII 2009-12
Includes 8 monoballs
1 kit required per car

Fits
Porsche 996 - 1997 to 2005
Porsche 997.1 - 2005 to 2008
Porsche 997.2 - 2009 to 2012
Complete kit for the rear 996 and 997 upper control arms. Includes weather-sealed monoball cartridge replacements for the bushings of the rear upper control arms. Includes 8 cartridges.
Performance – Sticky tires generate corner loads that compress rubber bushings. Camber and toe wander, requiring constant driver correction to compensate. Monoballs replace rubber with spherical bearings that hold precise camber and toe, making the car predictable and easier to drive fast.
Weather Seals – Our proprietary-design Monoball cartridges have weather seals to keep dirt out and extend product life.Dirt and water contaminate ordinary products and accelerate wear.
Click 'Zoom in' for large parts diagram.
Diagram ref no 8
Related reference numbers
Related, superseded, cross reference or alternative numbers for comparison.
2260010
The product you are viewing cross references to these numbers
- Porsche 996 C2 3.4L 1997-08/01
- Porsche 996 C4 3.4L 1997-08/01
- Porsche 996 C2 3.6L 09/01-2005
- Porsche 996 C4 3.6L 09/01-2005
- Porsche 996 C4S 3.6L 09/01-2005
- Porsche 996 TURBO 2000-05
- Porsche 996 GT2 2001-05
- Porsche 996 GT3 MKI 1999-02
- Porsche 996 GT3 MKII 2003>>
- Porsche 996 GT3 RS 2003-04
- Porsche 997 MK1 Carrera 2 3.6L 2005-08
- Porsche 997 MK1 Carrera 2S 3.8L 2005-08
- Porsche 997 MK1 Carrera 4 3.6L 2005-08
- Porsche 997 MK1 Carrera 4S 3.8L 2005-08
- Porsche 997 MK1 TURBO 2007-09
- Porsche 997 MK1 GT3 2007-09
- Porsche 997 MK1 GT2 2007-09
- Porsche 997 MKII Carrera C2 3.6L 2009-12
- Porsche 997 MKII Carrera C4 3.6L 2009-12
- Porsche 997 MKII Carrera C2S 3.8L 2009-12
- Porsche 997 MKII Carrera C4S 3.8L 2009-12
- Porsche 997 MKII GT3 2010-11
- Porsche 997 MKII Turbo 2010-13
- Porsche 997 MKII GT2 RS 2011-13


Fits:
Porsche 987 Boxster 2005-08 Rear
Porsche 987C Cayman 2006-08 Rear
Porsche 987.2 Boxster 2009-12 Rear
Porsche 987C.2 Cayman 2009-12 Rear
Porsche 981 Boxster 2012-16 Rear
Porsche 981C Cayman 2014-16 Rear
Porsche 982 (718) Boxster including Spyder 2017-24 Rear
Porsche 982C (718) Cayman 2017-24 Rear
Porsche 997 C2 / C4 / C4S / Turbo / GT3 2005-08 Rear
Porsche 997.2 C2 / C4 / C4S / Turbo / GT3 2009-12 Rear
Please note this arm is not an adjustable type (not motorsport - M004 option)
Please click 'Zoom in' to view the diagram (No 21)
Related reference numbers
Related, superseded, cross reference or alternative numbers for comparison.
99634105319
The product you are viewing cross references to these numbers
- Porsche Boxster 987 2.7L 2005 -08/08
- Porsche Boxster 987 S 3.2/3.4L 2005-08/08
- Porsche Boxster 987 MKII 2.9L 2009-2012
- Porsche Boxster S 987 MKII 3.4L 2009-2012
- Porsche Boxster 981 2.7L 2012-16
- Porsche Boxster 981 S / GTS 3.4L 2012-16
- Porsche Boxster 981 Spyder 3.8L 2016
- Porsche Boxster 718 2.0L Manual (300 Bhp)
- Porsche Boxster 718 2.0L PDK (300 Bhp)
- Porsche Boxster S 718 2.5L Manual (350 Bhp)
- Porsche Boxster S 718 2.5L PDK (350 Bhp)
- Porsche Boxster T 718 2.0L Manual (300 Bhp)
- Porsche Boxster T 718 2.0L PDK (300 Bhp)
- Porsche Boxster GTS 718 2.5L Manual (365 Bhp)
- Porsche Boxster GTS 718 2.5L PDK (365 Bhp)
- Porsche Boxster GTS 718 4.0L Manual (400 Bhp)
- Porsche Boxster GTS 718 4.0L PDK (400 Bhp)
- Porsche 997 MK1 Carrera 2 3.6L 2005-08
- Porsche 997 MK1 Carrera 2S 3.8L 2005-08
- Porsche 997 MK1 Carrera 4 3.6L 2005-08
- Porsche 997 MK1 Carrera 4S 3.8L 2005-08
- Porsche 997 MK1 TURBO 2007-09
- Porsche 997 MK1 GT3 2007-09
- Porsche 997 MKII Carrera C2 3.6L 2009-12
- Porsche 997 MKII Carrera C4 3.6L 2009-12
- Porsche 997 MKII Carrera C2S 3.8L 2009-12
- Porsche 997 MKII Carrera C4S 3.8L 2009-12
- Porsche 997 MKII GT3 2010-11
- Porsche 997 MKII Turbo 2010-13
- Porsche Cayman 2.7L 987C 2006-08
- Porsche Cayman S 3.4L 987C 2005-08
- Porsche Cayman 2.9L 987C MKII 2009-12
- Porsche Cayman S / R 3.4L 987C MKII 2009-12
- Porsche Cayman 2.7L 981 2013-16
- Porsche Cayman S / GTS 3.4L 981 2013-16
- Porsche Cayman 718 2.0L Manual (300Bhp)
- Porsche Cayman 718 2.0L PDK (300Bhp)
- Porsche Cayman S 718 2.5L Manual (350Bhp)
- Porsche Cayman S 718 2.5L PDK (350Bhp)
- Porsche Cayman T 718 2.0L Manual (300Bhp)
- Porsche Cayman T 718 2.0L PDK (300 Bhp)
- Porsche Cayman GTS 718 2.5L Manual (365 Bhp)
- Porsche Cayman GTS 718 2.5L PDK (365 Bhp)
- Porsche Cayman GTS 718 4.0L Manual (400 Bhp)
- Porsche Cayman GTS 718 4.0L PDK (400 Bhp)

Fits:
Porsche 986 1997-04 FRONT only
Porsche 996 All 1998-2005 FRONT and REAR
Porsche 997 REAR only
Porsche 997 Turbo REAR only
Porsche 997 GT3 MKI 2005>>2009 FRONT and REAR
Porsche 997.2 REAR only
Porsche 997.2 Turbo REAR only
Porsche 997.2 GT3 REAR only
Please click 'Zoom in' to view the diagram (No 17)
Related reference numbers
Related, superseded, cross reference or alternative numbers for comparison.
99733104302
The product you are viewing cross references to these numbers
- Porsche Boxster 986 2.5L 1997-99
- Porsche Boxster 986 2.7L 1999-02
- Porsche Boxster S 986 3.2L 1999-02
- Porsche Boxster 986 2.7L 2003-04
- Porsche Boxster S 986 3.2L 2003-04
- Porsche 996 C2 3.4L 1997-08/01
- Porsche 996 C4 3.4L 1997-08/01
- Porsche 996 C2 3.6L 09/01-2005
- Porsche 996 C4 3.6L 09/01-2005
- Porsche 996 C4S 3.6L 09/01-2005
- Porsche 996 TURBO 2000-05
- Porsche 996 GT2 2001-05
- Porsche 996 GT3 MKI 1999-02
- Porsche 996 GT3 MKII 2003>>
- Porsche 996 GT3 RS 2003-04
- Porsche 997 MK1 Carrera 2 3.6L 2005-08
- Porsche 997 MK1 Carrera 2S 3.8L 2005-08
- Porsche 997 MK1 Carrera 4 3.6L 2005-08
- Porsche 997 MK1 Carrera 4S 3.8L 2005-08
- Porsche 997 MK1 TURBO 2007-09
- Porsche 997 MK1 GT3 2007-09
- Porsche 997 MK1 GT2 2007-09
- Porsche 997 MKII Carrera C2 3.6L 2009-12
- Porsche 997 MKII Carrera C4 3.6L 2009-12
- Porsche 997 MKII Carrera C2S 3.8L 2009-12
- Porsche 997 MKII Carrera C4S 3.8L 2009-12
- Porsche 997 MKII GT3 2010-11
- Porsche 997 MKII Turbo 2010-13
- Porsche 997 MKII GT2 RS 2011-13

Fits:
Porsche 986 Boxster
Porsche 987 Boxster 2006>>
Porsche 987c Cayman 2005>>
Porsche 996 C2/C4 1998-2005
Porsche 996 Turbo 2000-2005
Porsche 996 GT3 1999-2005
Porsche 997 MKI 2006-2009
Porsche 997 GT3 2006-2009
Please click 'Zoom in' to view the diagram (No 13)
This product supersedes Porsche's old part numbers:
99633104506, 99633104508, 99633104510, 99633104512, 99733104504 , 99633104512
Related reference numbers
Related, superseded, cross reference or alternative numbers for comparison.
99733104505
The product you are viewing cross references to these numbers
- Porsche Boxster 986 2.5L 1997-99
- Porsche Boxster 986 2.7L 1999-02
- Porsche Boxster S 986 3.2L 1999-02
- Porsche Boxster 986 2.7L 2003-04
- Porsche Boxster S 986 3.2L 2003-04
- Porsche Boxster 987 2.7L 2005 -08/08
- Porsche Boxster 987 S 3.2/3.4L 2005-08/08
- Porsche Boxster 987 MKII 2.9L 2009-2012
- Porsche Boxster S 987 MKII 3.4L 2009-2012
- Porsche 996 C2 3.4L 1997-08/01
- Porsche 996 C4 3.4L 1997-08/01
- Porsche 996 C2 3.6L 09/01-2005
- Porsche 996 C4 3.6L 09/01-2005
- Porsche 996 C4S 3.6L 09/01-2005
- Porsche 996 TURBO 2000-05
- Porsche 996 GT2 2001-05
- Porsche 996 GT3 MKI 1999-02
- Porsche 996 GT3 MKII 2003>>
- Porsche 996 GT3 RS 2003-04
- Porsche 997 MK1 Carrera 2 3.6L 2005-08
- Porsche 997 MK1 Carrera 2S 3.8L 2005-08
- Porsche 997 MK1 Carrera 4 3.6L 2005-08
- Porsche 997 MK1 Carrera 4S 3.8L 2005-08
- Porsche 997 MK1 TURBO 2007-09
- Porsche 997 MK1 GT3 2007-09
- Porsche 997 MK1 GT2 2007-09
- Porsche 997 MKII Carrera C2 3.6L 2009-12
- Porsche 997 MKII Carrera C4 3.6L 2009-12
- Porsche 997 MKII Carrera C2S 3.8L 2009-12
- Porsche 997 MKII Carrera C4S 3.8L 2009-12
- Porsche 997 MKII GT3 2010-11
- Porsche 997 MKII Turbo 2010-13
- Porsche Cayman 2.7L 987C 2006-08
- Porsche Cayman S 3.4L 987C 2005-08
- Porsche Cayman 2.9L 987C MKII 2009-12
- Porsche Cayman S / R 3.4L 987C MKII 2009-12
The high-quality replacement built to OE specifications, it delivers the same fit, strength, and performance as the original part. This suspension component connects the wheel hub to the chassis, maintaining proper alignment and ensuring stable handling.
Fits:
Porsche 986 Boxster - 1997 to 2004
Porsche 987 Boxster - 2005 to 2012
Porsche 987c Cayman - 2006 to 2012
Porsche 996 C2 / C4 - 1997 to 2005
Porsche 996 turbo - 2000 to 2005
Porsche 996 GT3 - 1999 to 2005
Porsche 997 MKI - 2006 to 2009
Porsche 997 GT3 - 2006 to 2009
Diagram ref no 13
This product supersedes Porsche's old part numbers:
99633104506, 99633104508, 99633104510, 99633104512, 99733104504 , 99633104512
What this product does:
• Provides a secure connection between the chassis and wheel hub
• Maintains wheel alignment for safe, predictable handling
• Absorbs suspension forces while keeping steering precise
Over time, control arms can bend, wear, or develop excessive play in the bushings and ball joints. This can cause uneven tire wear, knocking noises, wheel alignment issues, and a noticeable loss of steering precision. Replacement will restore the correct wheel alignment and suspension stability for which your Porsche was designed.
Related reference numbers
Related, superseded, cross reference or alternative numbers for comparison.
99733104505
The product you are viewing cross references to these numbers
- Porsche Boxster 986 2.5L 1997-99
- Porsche Boxster 986 2.7L 1999-02
- Porsche Boxster S 986 3.2L 1999-02
- Porsche Boxster 986 2.7L 2003-04
- Porsche Boxster S 986 3.2L 2003-04
- Porsche Boxster 987 2.7L 2005 -08/08
- Porsche Boxster 987 S 3.2/3.4L 2005-08/08
- Porsche Boxster 987 MKII 2.9L 2009-2012
- Porsche Boxster S 987 MKII 3.4L 2009-2012
- Porsche 996 C2 3.4L 1997-08/01
- Porsche 996 C4 3.4L 1997-08/01
- Porsche 996 C2 3.6L 09/01-2005
- Porsche 996 C4 3.6L 09/01-2005
- Porsche 996 C4S 3.6L 09/01-2005
- Porsche 996 TURBO 2000-05
- Porsche 996 GT2 2001-05
- Porsche 996 GT3 MKI 1999-02
- Porsche 996 GT3 MKII 2003>>
- Porsche 996 GT3 RS 2003-04
- Porsche 997 MK1 Carrera 2 3.6L 2005-08
- Porsche 997 MK1 Carrera 2S 3.8L 2005-08
- Porsche 997 MK1 Carrera 4 3.6L 2005-08
- Porsche 997 MK1 Carrera 4S 3.8L 2005-08
- Porsche 997 MK1 TURBO 2007-09
- Porsche 997 MK1 GT3 2007-09
- Porsche 997 MK1 GT2 2007-09
- Porsche 997 MKII Carrera C2 3.6L 2009-12
- Porsche 997 MKII Carrera C4 3.6L 2009-12
- Porsche 997 MKII Carrera C2S 3.8L 2009-12
- Porsche 997 MKII Carrera C4S 3.8L 2009-12
- Porsche 997 MKII GT3 2010-11
- Porsche 997 MKII Turbo 2010-13
- Porsche Cayman 2.7L 987C 2006-08
- Porsche Cayman S 3.4L 987C 2005-08
- Porsche Cayman 2.9L 987C MKII 2009-12
- Porsche Cayman S / R 3.4L 987C MKII 2009-12

Fits:
Porsche 986 Boxster
Porsche 987 Boxster 2006>>
Porsche 987c Cayman 2005>>
Porsche 996 C2/C4 1998-2005
Porsche 996 Turbo 2000-2005
Porsche 996 GT3 1999-2005
Porsche 997 MKI 2006-2009
Porsche 997 GT3 2006-2009
Please click 'Zoom in' to view the diagram.
Diagram ref no 13
This product supersedes Porsche's old part numbers:
99633104506, 99633104508, 99633104510, 99633104512, 99733104504 , 99633104512
Related reference numbers
Related, superseded, cross reference or alternative numbers for comparison.
99733104505
The product you are viewing cross references to these numbers
- Porsche Boxster 986 2.5L 1997-99
- Porsche Boxster 986 2.7L 1999-02
- Porsche Boxster S 986 3.2L 1999-02
- Porsche Boxster 986 2.7L 2003-04
- Porsche Boxster S 986 3.2L 2003-04
- Porsche Boxster 987 2.7L 2005 -08/08
- Porsche Boxster 987 S 3.2/3.4L 2005-08/08
- Porsche Boxster 987 MKII 2.9L 2009-2012
- Porsche Boxster S 987 MKII 3.4L 2009-2012
- Porsche 996 C2 3.4L 1997-08/01
- Porsche 996 C4 3.4L 1997-08/01
- Porsche 996 C2 3.6L 09/01-2005
- Porsche 996 C4 3.6L 09/01-2005
- Porsche 996 C4S 3.6L 09/01-2005
- Porsche 996 TURBO 2000-05
- Porsche 996 GT2 2001-05
- Porsche 996 GT3 MKI 1999-02
- Porsche 996 GT3 MKII 2003>>
- Porsche 996 GT3 RS 2003-04
- Porsche 997 MK1 Carrera 2 3.6L 2005-08
- Porsche 997 MK1 Carrera 2S 3.8L 2005-08
- Porsche 997 MK1 Carrera 4 3.6L 2005-08
- Porsche 997 MK1 Carrera 4S 3.8L 2005-08
- Porsche 997 MK1 TURBO 2007-09
- Porsche 997 MK1 GT3 2007-09
- Porsche 997 MK1 GT2 2007-09
- Porsche 997 MKII Carrera C2 3.6L 2009-12
- Porsche 997 MKII Carrera C4 3.6L 2009-12
- Porsche 997 MKII Carrera C2S 3.8L 2009-12
- Porsche 997 MKII Carrera C4S 3.8L 2009-12
- Porsche 997 MKII GT3 2010-11
- Porsche 997 MKII Turbo 2010-13
- Porsche Cayman 2.7L 987C 2006-08
- Porsche Cayman S 3.4L 987C 2005-08
- Porsche Cayman 2.9L 987C MKII 2009-12
- Porsche Cayman S / R 3.4L 987C MKII 2009-12

Fits:
Porsche 986 Boxster
Porsche 987 Boxster 2006>>
Porsche 987c Cayman 2005>>
Porsche 996 C2/C4 1998-2005
Porsche 996 Turbo 2000-2005
Porsche 996 GT3 1999-2005
Porsche 997 MKI 2006-2009
Porsche 997 GT3 2006-2009
Please click 'Zoom in' to view the diagram.
Diagram ref no 13
This product supersedes Porsche's old part numbers:
99633104506, 99633104508, 99633104510, 99633104512, 99733104504 , 99633104512
Related reference numbers
Related, superseded, cross reference or alternative numbers for comparison.
99733104505
The product you are viewing cross references to these numbers
- Porsche Boxster 986 2.5L 1997-99
- Porsche Boxster 986 2.7L 1999-02
- Porsche Boxster S 986 3.2L 1999-02
- Porsche Boxster 986 2.7L 2003-04
- Porsche Boxster S 986 3.2L 2003-04
- Porsche Boxster 987 2.7L 2005 -08/08
- Porsche Boxster 987 S 3.2/3.4L 2005-08/08
- Porsche Boxster 987 MKII 2.9L 2009-2012
- Porsche Boxster S 987 MKII 3.4L 2009-2012
- Porsche 996 C2 3.4L 1997-08/01
- Porsche 996 C4 3.4L 1997-08/01
- Porsche 996 C2 3.6L 09/01-2005
- Porsche 996 C4 3.6L 09/01-2005
- Porsche 996 C4S 3.6L 09/01-2005
- Porsche 996 TURBO 2000-05
- Porsche 996 GT2 2001-05
- Porsche 996 GT3 MKI 1999-02
- Porsche 996 GT3 MKII 2003>>
- Porsche 996 GT3 RS 2003-04
- Porsche 997 MK1 Carrera 2 3.6L 2005-08
- Porsche 997 MK1 Carrera 2S 3.8L 2005-08
- Porsche 997 MK1 Carrera 4 3.6L 2005-08
- Porsche 997 MK1 Carrera 4S 3.8L 2005-08
- Porsche 997 MK1 TURBO 2007-09
- Porsche 997 MK1 GT3 2007-09
- Porsche 997 MK1 GT2 2007-09
- Porsche 997 MKII Carrera C2 3.6L 2009-12
- Porsche 997 MKII Carrera C4 3.6L 2009-12
- Porsche 997 MKII Carrera C2S 3.8L 2009-12
- Porsche 997 MKII Carrera C4S 3.8L 2009-12
- Porsche 997 MKII GT3 2010-11
- Porsche 997 MKII Turbo 2010-13
- Porsche Cayman 2.7L 987C 2006-08
- Porsche Cayman S 3.4L 987C 2005-08
- Porsche Cayman 2.9L 987C MKII 2009-12
- Porsche Cayman S / R 3.4L 987C MKII 2009-12
Fits:
Porsche 997 REAR only
Porsche 997 Turbo REAR only
Porsche 997 GT3 MKI 2005>>2009 FRONT and REAR
Porsche 997.2 REAR only
Porsche 997.2 Turbo REAR only
Porsche 997.2 GT3 REAR only
Please click 'Zoom in' to view the diagram.
Diagram ref No 17
Related reference numbers
Related, superseded, cross reference or alternative numbers for comparison.
99733104302
The product you are viewing cross references to these numbers
- Porsche 997 MK1 Carrera 2 3.6L 2005-08
- Porsche 997 MK1 Carrera 2S 3.8L 2005-08
- Porsche 997 MK1 Carrera 4 3.6L 2005-08
- Porsche 997 MK1 Carrera 4S 3.8L 2005-08
- Porsche 997 MK1 TURBO 2007-09
- Porsche 997 MK1 GT3 2007-09
- Porsche 997 MK1 GT2 2007-09
- Porsche 997 MKII Carrera C2 3.6L 2009-12
- Porsche 997 MKII Carrera C4 3.6L 2009-12
- Porsche 997 MKII Carrera C2S 3.8L 2009-12
- Porsche 997 MKII Carrera C4S 3.8L 2009-12
- Porsche 997 MKII GT3 2010-11
- Porsche 997 MKII Turbo 2010-13
- Porsche 997 MKII GT2 RS 2011-13

Fits:
Porsche 997 REAR only
Porsche 997 Turbo REAR only
Porsche 997 GT3 MKI 2005>>2009 FRONT and REAR
Porsche 997.2 REAR only
Porsche 997.2 Turbo REAR only
Porsche 997.2 GT3 REAR only
Please click 'Zoom in' to view the diagram.
Diagram ref No 17
Related reference numbers
Related, superseded, cross reference or alternative numbers for comparison.
99733104302
The product you are viewing cross references to these numbers
- Porsche 997 MK1 Carrera 2 3.6L 2005-08
- Porsche 997 MK1 Carrera 2S 3.8L 2005-08
- Porsche 997 MK1 Carrera 4 3.6L 2005-08
- Porsche 997 MK1 Carrera 4S 3.8L 2005-08
- Porsche 997 MK1 TURBO 2007-09
- Porsche 997 MK1 GT3 2007-09
- Porsche 997 MK1 GT2 2007-09
- Porsche 997 MKII Carrera C2 3.6L 2009-12
- Porsche 997 MKII Carrera C4 3.6L 2009-12
- Porsche 997 MKII Carrera C2S 3.8L 2009-12
- Porsche 997 MKII Carrera C4S 3.8L 2009-12
- Porsche 997 MKII GT3 2010-11
- Porsche 997 MKII Turbo 2010-13
- Porsche 997 MKII GT2 RS 2011-13
Sold each.

Fits:
Porsche 996 C2/C4/C4S 1998-2005
Porsche 996 TURBO/GT3
Porsche 997 MKI 2006-2009
Porsche 997 TURBO/GT3
Please click 'Zoom in' to view the diagram.
Diagram ref no.8
This product supersedes Porsche's old part numbers:
- 99633104702
- 99633104703
- 99633104705
- 99633104706
- 99733104700
Related reference numbers
Related, superseded, cross reference or alternative numbers for comparison.
99733104701
The product you are viewing cross references to these numbers
- Porsche 996 C2 3.4L 1997-08/01
- Porsche 996 C4 3.4L 1997-08/01
- Porsche 996 C2 3.6L 09/01-2005
- Porsche 996 C4 3.6L 09/01-2005
- Porsche 996 C4S 3.6L 09/01-2005
- Porsche 996 TURBO 2000-05
- Porsche 996 GT2 2001-05
- Porsche 996 GT3 MKI 1999-02
- Porsche 996 GT3 MKII 2003>>
- Porsche 996 GT3 RS 2003-04
- Porsche 997 MK1 Carrera 2 3.6L 2005-08
- Porsche 997 MK1 Carrera 2S 3.8L 2005-08
- Porsche 997 MK1 Carrera 4 3.6L 2005-08
- Porsche 997 MK1 Carrera 4S 3.8L 2005-08
- Porsche 997 MK1 TURBO 2007-09
- Porsche 997 MK1 GT3 2007-09
- Porsche 997 MK1 GT2 2007-09
- Porsche 997 MKII Carrera C2 3.6L 2009-12
- Porsche 997 MKII Carrera C4 3.6L 2009-12
- Porsche 997 MKII Carrera C2S 3.8L 2009-12
- Porsche 997 MKII Carrera C4S 3.8L 2009-12
- Porsche 997 MKII GT3 2010-11
- Porsche 997 MKII Turbo 2010-13

Fits:
Porsche 996 C2/C4/C4S 1998-2005
Porsche 996 TURBO/GT3
Porsche 997 MKI 2006-2009
Porsche 997 TURBO/GT3
Please click 'Zoom in' to view the diagram.
Diagram ref no.8
This product supersedes Porsche's old part numbers:
- 99633104702
- 99633104703
- 99633104705
- 99633104706
- 99733104700
Related reference numbers
Related, superseded, cross reference or alternative numbers for comparison.
99733104701
The product you are viewing cross references to these numbers
- Porsche 996 C2 3.4L 1997-08/01
- Porsche 996 C4 3.4L 1997-08/01
- Porsche 996 C2 3.6L 09/01-2005
- Porsche 996 C4 3.6L 09/01-2005
- Porsche 996 C4S 3.6L 09/01-2005
- Porsche 996 TURBO 2000-05
- Porsche 996 GT2 2001-05
- Porsche 996 GT3 MKI 1999-02
- Porsche 996 GT3 MKII 2003>>
- Porsche 996 GT3 RS 2003-04
- Porsche 997 MK1 Carrera 2 3.6L 2005-08
- Porsche 997 MK1 Carrera 2S 3.8L 2005-08
- Porsche 997 MK1 Carrera 4 3.6L 2005-08
- Porsche 997 MK1 Carrera 4S 3.8L 2005-08
- Porsche 997 MK1 TURBO 2007-09
- Porsche 997 MK1 GT3 2007-09
- Porsche 997 MK1 GT2 2007-09
- Porsche 997 MKII Carrera C2 3.6L 2009-12
- Porsche 997 MKII Carrera C4 3.6L 2009-12
- Porsche 997 MKII Carrera C2S 3.8L 2009-12
- Porsche 997 MKII Carrera C4S 3.8L 2009-12
- Porsche 997 MKII GT3 2010-11
- Porsche 997 MKII Turbo 2010-13

Fits:
Porsche 996 C2/C4/C4S 1998-2005
Porsche 996 TURBO/GT3
Porsche 997 MKI 2006-2009
Porsche 997 TURBO/GT3
Please click 'Zoom in' to view the diagram.
Diagram ref no.8
This product supersedes Porsche's old part numbers:
- 99633104702
- 99633104703
- 99633104705
- 99633104706
- 99733104700
Related reference numbers
Related, superseded, cross reference or alternative numbers for comparison.
99733104701
The product you are viewing cross references to these numbers
- Porsche 996 C2 3.4L 1997-08/01
- Porsche 996 C4 3.4L 1997-08/01
- Porsche 996 C2 3.6L 09/01-2005
- Porsche 996 C4 3.6L 09/01-2005
- Porsche 996 C4S 3.6L 09/01-2005
- Porsche 996 TURBO 2000-05
- Porsche 996 GT2 2001-05
- Porsche 996 GT3 MKI 1999-02
- Porsche 996 GT3 MKII 2003>>
- Porsche 996 GT3 RS 2003-04
- Porsche 997 MK1 Carrera 2 3.6L 2005-08
- Porsche 997 MK1 Carrera 2S 3.8L 2005-08
- Porsche 997 MK1 Carrera 4 3.6L 2005-08
- Porsche 997 MK1 Carrera 4S 3.8L 2005-08
- Porsche 997 MK1 TURBO 2007-09
- Porsche 997 MK1 GT3 2007-09
- Porsche 997 MK1 GT2 2007-09
- Porsche 997 MKII Carrera C2 3.6L 2009-12
- Porsche 997 MKII Carrera C4 3.6L 2009-12
- Porsche 997 MKII Carrera C2S 3.8L 2009-12
- Porsche 997 MKII Carrera C4S 3.8L 2009-12
- Porsche 997 MKII GT3 2010-11
- Porsche 997 MKII Turbo 2010-13

Fits:
Porsche 996 C2 / C4 / C4S 1998-2005
Porsche 996 TURBO / GT3
Porsche 997 MKI 2006-2009
Porsche 997 TURBO / GT3
Please click 'Zoom in' to view the diagram.
Diagram ref no.8
This product supersedes Porsche's old part numbers:
- 99633104702
- 99633104703
- 99633104705
- 99633104706
- 99733104700
Related reference numbers
Related, superseded, cross reference or alternative numbers for comparison.
99733104701
The product you are viewing cross references to these numbers
- Porsche 996 C2 3.4L 1997-08/01
- Porsche 996 C4 3.4L 1997-08/01
- Porsche 996 C2 3.6L 09/01-2005
- Porsche 996 C4 3.6L 09/01-2005
- Porsche 996 C4S 3.6L 09/01-2005
- Porsche 996 TURBO 2000-05
- Porsche 996 GT2 2001-05
- Porsche 996 GT3 MKI 1999-02
- Porsche 996 GT3 MKII 2003>>
- Porsche 996 GT3 RS 2003-04
- Porsche 997 MK1 Carrera 2 3.6L 2005-08
- Porsche 997 MK1 Carrera 2S 3.8L 2005-08
- Porsche 997 MK1 Carrera 4 3.6L 2005-08
- Porsche 997 MK1 Carrera 4S 3.8L 2005-08
- Porsche 997 MK1 TURBO 2007-09
- Porsche 997 MK1 GT3 2007-09
- Porsche 997 MK1 GT2 2007-09
- Porsche 997 MKII Carrera C2 3.6L 2009-12
- Porsche 997 MKII Carrera C4 3.6L 2009-12
- Porsche 997 MKII Carrera C2S 3.8L 2009-12
- Porsche 997 MKII Carrera C4S 3.8L 2009-12
- Porsche 997 MKII GT3 2010-11
- Porsche 997 MKII Turbo 2010-13


Fits:
Porsche 987 Boxster 2005-08 Rear
Porsche 987C Cayman 2006-08 Rear
Porsche 987.2 Boxster 2009-12 Rear
Porsche 987C.2 Cayman 2009-12 Rear
Porsche 981 Boxster 2012-16 Rear
Porsche 981C Cayman 2014-16 Rear
Porsche 982 (718) Boxster including Spyder 2017-24 Rear
Porsche 982C (718) Cayman 2017-24 Rear
Porsche 997 C2 / C4 / C4S / Turbo / GT3 2005-08 Rear
Porsche 997.2 C2 / C4 / C4S / Turbo / GT3 2009-12 Rear
Please note this arm is not an adjustable type (not motorsport - M004 option)
Please click 'Zoom in' to view the diagram (No 21)
Related reference numbers
Related, superseded, cross reference or alternative numbers for comparison.
99634105319
The product you are viewing cross references to these numbers
- Porsche Boxster 987 2.7L 2005 -08/08
- Porsche Boxster 987 S 3.2/3.4L 2005-08/08
- Porsche Boxster 987 MKII 2.9L 2009-2012
- Porsche Boxster S 987 MKII 3.4L 2009-2012
- Porsche Boxster 981 2.7L 2012-16
- Porsche Boxster 981 S / GTS 3.4L 2012-16
- Porsche Boxster 981 Spyder 3.8L 2016
- Porsche Boxster 718 2.0L Manual (300 Bhp)
- Porsche Boxster 718 2.0L PDK (300 Bhp)
- Porsche Boxster S 718 2.5L Manual (350 Bhp)
- Porsche Boxster S 718 2.5L PDK (350 Bhp)
- Porsche Boxster T 718 2.0L Manual (300 Bhp)
- Porsche Boxster T 718 2.0L PDK (300 Bhp)
- Porsche Boxster GTS 718 2.5L Manual (365 Bhp)
- Porsche Boxster GTS 718 2.5L PDK (365 Bhp)
- Porsche Boxster GTS 718 4.0L Manual (400 Bhp)
- Porsche Boxster GTS 718 4.0L PDK (400 Bhp)
- Porsche 997 MK1 Carrera 2 3.6L 2005-08
- Porsche 997 MK1 Carrera 2S 3.8L 2005-08
- Porsche 997 MK1 Carrera 4 3.6L 2005-08
- Porsche 997 MK1 Carrera 4S 3.8L 2005-08
- Porsche 997 MK1 TURBO 2007-09
- Porsche 997 MK1 GT3 2007-09
- Porsche 997 MKII Carrera C2 3.6L 2009-12
- Porsche 997 MKII Carrera C4 3.6L 2009-12
- Porsche 997 MKII Carrera C2S 3.8L 2009-12
- Porsche 997 MKII Carrera C4S 3.8L 2009-12
- Porsche 997 MKII GT3 2010-11
- Porsche 997 MKII Turbo 2010-13
- Porsche Cayman 2.7L 987C 2006-08
- Porsche Cayman S 3.4L 987C 2005-08
- Porsche Cayman 2.9L 987C MKII 2009-12
- Porsche Cayman S / R 3.4L 987C MKII 2009-12
- Porsche Cayman 2.7L 981 2013-16
- Porsche Cayman S / GTS 3.4L 981 2013-16
- Porsche Cayman 718 2.0L Manual (300Bhp)
- Porsche Cayman 718 2.0L PDK (300Bhp)
- Porsche Cayman S 718 2.5L Manual (350Bhp)
- Porsche Cayman S 718 2.5L PDK (350Bhp)
- Porsche Cayman T 718 2.0L Manual (300Bhp)
- Porsche Cayman T 718 2.0L PDK (300 Bhp)
- Porsche Cayman GTS 718 2.5L Manual (365 Bhp)
- Porsche Cayman GTS 718 2.5L PDK (365 Bhp)
- Porsche Cayman GTS 718 4.0L Manual (400 Bhp)
- Porsche Cayman GTS 718 4.0L PDK (400 Bhp)
-
cross member wishbone 997 GT3 2007-11 401-00
-
rear axle, wheel carrier, control arm and wheel hub 997 GT3 2007-11 501-00
-
Rear axle / Wheel carrier / Guide / Wheel hub 997.2 Carrera 2009-12 501-000
-
Cross member / Wishbone 997.2 Turbo / GT2 RS 2010-13 401-000
-
Rear axle / Wheel carrier / Guide / Wheel hub 997.2 Turbo / GT2 RS 2010-13 501-000
Porsche Rear Track Control Arms | Design911 Suspension Components for Alignment, Grip & Handling Stability
Rear track control arms are vital suspension components that maintain your Porsche’s precise wheel alignment, handling balance, and stability under cornering and braking. These arms connect the chassis to the rear wheel hubs, allowing controlled suspension movement while keeping the wheels correctly positioned relative to the road. High-quality track control arms ensure consistent tyre contact, optimal geometry, and the responsive, agile performance that defines Porsche handling.
At Design911, we stock a wide range of rear track control arms and related hardware — precision-engineered for strength, durability, and perfect fitment. Crafted from reinforced steel or lightweight aluminium alloys, these components provide lasting rigidity and improved performance. Whether for suspension servicing, alignment correction, or performance upgrades, our control arms restore confidence, stability, and cornering precision to your Porsche.
What Do Rear Track Control Arms Do?
Rear track control arms play a key role in ensuring stable suspension geometry and consistent handling.
Core Functions:
• Maintain rear wheel alignment and suspension geometry.
• Control lateral and longitudinal wheel movement.
• Enhance traction, grip, and cornering stability.
• Distribute load and stress evenly across the chassis.
• Reduce vibration and improve overall ride comfort.
Properly functioning track control arms ensure precise steering response, improved grip, and the balanced handling Porsche vehicles are renowned for.
Why Do Rear Track Control Arms Fail or Degrade?
Rear control arms are subject to high loads, constant motion, and environmental exposure, which lead to wear or fatigue over time.
Common Causes of Failure Include:
• Worn or perished rubber or polyurethane bushes.
• Corrosion weakening the arm’s structure.
• Ball joint wear leading to play or noise.
• Impact damage from potholes or curbs.
• Fatigue or cracking under heavy cornering forces.
When rear control arms wear or fail, symptoms can include uneven tyre wear, vibration, poor handling stability, and rear-end noise — all of which affect safety and performance.
Why Replace or Upgrade Your Porsche Rear Track Control Arms?
Replacing worn control arms restores your Porsche’s precise handling, ride comfort, and alignment accuracy. Upgraded arms offer stiffer construction and improved adjustability for performance driving or track use.
Key Benefits:
• Restores correct wheel alignment and suspension geometry.
• Improves traction, cornering balance, and braking stability.
• Eliminates noise, vibration, and harshness.
• Available with rubber or performance bush options.
• Fits Porsche 911, 944, 968, Boxster, Cayman, Panamera, Cayenne, and other models.
• Ideal for maintenance, restorations, or performance upgrades.
Design911’s Porsche rear track control arms combine strength, precision, and reliability — ensuring your Porsche delivers the control and composure it was built for.
Highlights
• Premium Porsche rear track control arms and components.
• Engineered from high-strength steel or lightweight alloys.
• Restores suspension geometry, handling, and alignment.
• Available in fixed or adjustable performance designs.
• Perfect for both classic and modern Porsche models.
• Ideal for servicing, suspension upgrades, or race preparation.