在此输入您的增值税号,然后单击验证:
您的详细信息已经过验证。增值税号注册至:
,
。
现在,您的订单的增值税税率为零。我们保留在您提出订单请求后验证这些详细信息的权利,并在需要时恢复增值税。
您的增值税详细信息无法识别或无效。您的增值税号必须与上面指定的帐单国家/地区相匹配。当前指定为 。您无需输入增值税号的国家/地区代码部分,因为已在上面的帐单地址详细信息中选择了该部分。
增值税号查询服务目前已离线。请在下面的评论或特殊说明字段中提供您的增值税详细信息,我们将在您提出订单请求后应用增值税折扣。
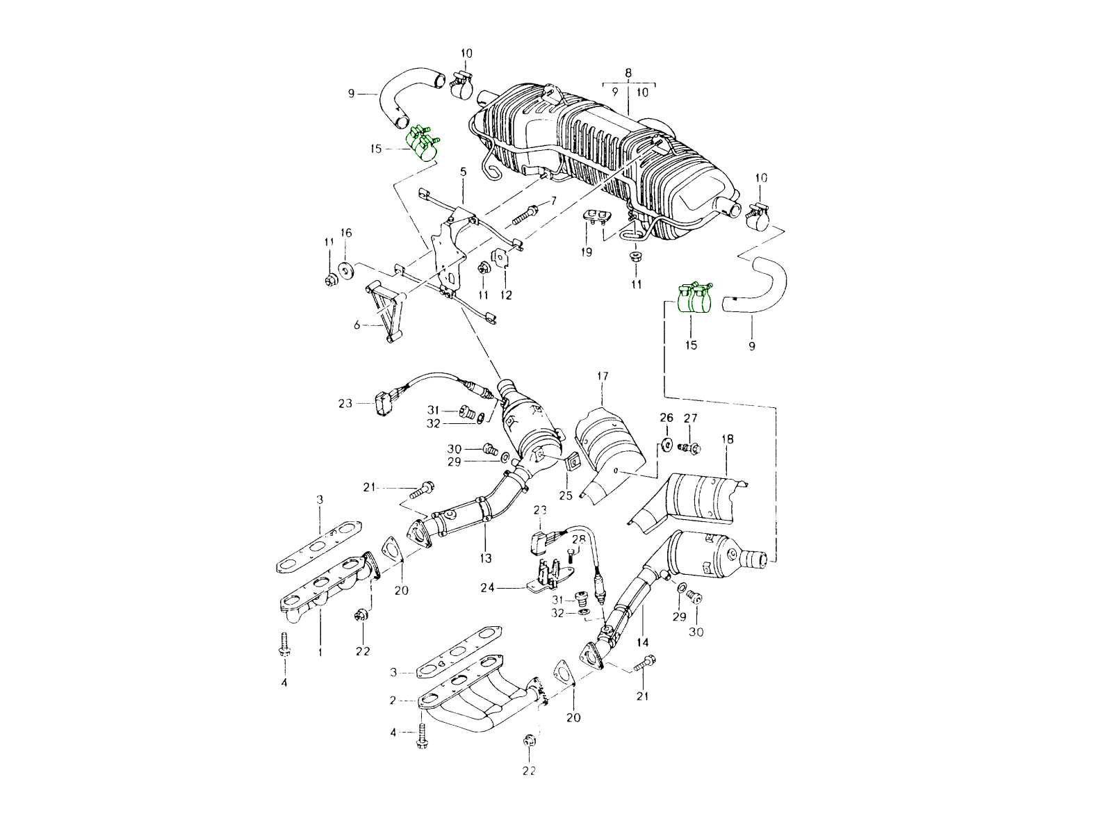
支架 / 夹具 / 带子

适合:
保时捷 Boxster 986 猫。
单击“放大”可查看大部件图。
图表参考编号 17、18、25、26 和 27。
相关参考编号
相关编号、被取代编号、交叉引用编号或替代编号,供比较之用。
HEATKIT986
您正在查看的产品与这些编号存在交叉引用关系
- Porsche Boxster 986 2.5L 1997-99
- Porsche Boxster 986 2.7L 1999-02
- Porsche Boxster S 986 3.2L 1999-02
- Porsche Boxster 986 2.7L 2003-04
- Porsche Boxster S 986 3.2L 2003-04
適用於:
保时捷 986 Boxster 2.7L / 3.2L 1999-04
套件包含:
2 x 集管垫片(图 3)
2 x 集管至 Cat 垫圈(图参考 20)
2 x 猫到消声器夹(图参考 15)
2 x 消声器至尾管夹(图参考 10)
*单击图像可查看大部件图。
相关参考编号
相关编号、被取代编号、交叉引用编号或替代编号,供比较之用。
EXHFITTING.986.1
您正在查看的产品与这些编号存在交叉引用关系
- Porsche Boxster 986 2.7L 1999-02
- Porsche Boxster S 986 3.2L 1999-02
- Porsche Boxster 986 2.7L 2003-04
- Porsche Boxster S 986 3.2L 2003-04
#保时捷#
另一种常见的物品通常会生锈并开始发出嘎嘎声。保时捷 Boxster 986 cat 的隔热板。
此价格为每个隔热罩的价格
单击“放大”可查看大部件图。
图表参考编号 19 和 20
相关参考编号
相关编号、被取代编号、交叉引用编号或替代编号,供比较之用。
99611342
您正在查看的产品与这些编号存在交叉引用关系
- Porsche Boxster 986 2.5L 1997-99
- Porsche Boxster 986 2.7L 1999-02
- Porsche Boxster S 986 3.2L 1999-02
- Porsche Boxster 986 2.7L 2003-04
- Porsche Boxster S 986 3.2L 2003-04
#斯托姆斯基#
随着水冷发动机排气管螺栓断裂的报道越来越多,修复断裂螺栓的麻烦也越来越普遍。从简单的排气系统更新到发动机拆卸,各种任务都不断受到排气歧管螺栓断裂、生锈和断裂的困扰。在发动机还在车上的情况下,很少能准确地拆除断裂的螺栓,即使拆除后,这项任务也很耗时,如果不小心,可能会导致头部损坏或维修失误。STOMSKI RACING 针对这些问题的解决方案是 SR067,这套工具可让您轻松、准确、灵活地钻出断裂的螺栓 - 发动机仍在车内 - 节省时间和麻烦。CNC 铣削板可精确地定位断裂的螺栓和/或螺栓孔。使用我们独特设计的翼形螺钉,SR067 板可锁定到位(通过将翼形螺钉拧到断裂的螺栓上或使用提供的螺栓穿过 SR067 翼形螺钉)。使用附带的导向钻和钻孔导向器,可以钻出故障的螺栓,形成一个完全垂直且居中的孔,如果需要,可以使用附带的 M8x1.25 丝锥进行钻孔。
套件包括:阳极氧化铝固定装置、钻头、带延长杆的丝锥、钻夹具/导轨、翼形螺钉以及坚固的储物盒中的硬件。
现在还包括我们的 SR065D 钻孔指南。
- Porsche Boxster 986 2.5L 1997-99
- Porsche Boxster 986 2.7L 1999-02
- Porsche Boxster S 986 3.2L 1999-02
- Porsche Boxster 986 2.7L 2003-04
- Porsche Boxster S 986 3.2L 2003-04
- Porsche Boxster 987 2.7L 2005-08/08
- Porsche Boxster 987 S 3.2/3.4L 2005-08/08
- Porsche 996 C2 3.4L 1997-08/01
- Porsche 996 C4 3.4L 1997-08/01
- Porsche 996 C2 3.6L 09/01-2005
- Porsche 996 C4 3.6L 09/01-2005
- Porsche 996 C4S 3.6L 09/01-2005
- Porsche 996 TURBO 2000-05
- Porsche 996 GT2 2001-05
- Porsche 996 GT3 MKI 1999-02
- Porsche 996 GT3 MKII 2003>>
- Porsche 996 GT3 RS 2003-04
- Porsche 997 MK1 Carrera 2 3.6L 2005-08
- Porsche 997 MK1 Carrera 2S 3.8L 2005-08
- Porsche 997 MK1 Carrera 4 3.6L 2005-08
- Porsche 997 MK1 Carrera 4S 3.8L 2005-08
- Porsche Cayman 2.7L 987C 2006-08
- Porsche Cayman S 3.4L 987C 2005-08
安装运动型排气管时应使用此安装套件,该排气管通常仅适用于 Boxster 986 2.7L 或 3.2L。
将把排气箱改装成适合 2.5L Boxster 986 的型号。
相关参考编号
相关编号、被取代编号、交叉引用编号或替代编号,供比较之用。
00004420011
您正在查看的产品与这些编号存在交叉引用关系
- Porsche Boxster 986 2.5L 1997-99
- Porsche Boxster 986 2.7L 1999-02
- Porsche Boxster S 986 3.2L 1999-02
- Porsche Boxster 986 2.7L 2003-04
- Porsche Boxster S 986 3.2L 2003-04

Fits:
Porsche 986 Boxster 2000>>
Click 'Zoom in' for large parts diagram.
Diagram ref no 11
相关参考编号
相关编号、被取代编号、交叉引用编号或替代编号,供比较之用。
99611124100
您正在查看的产品与这些编号存在交叉引用关系
- Porsche Boxster 986 2.7L 1999-02
- Porsche Boxster S 986 3.2L 1999-02
- Porsche Boxster 986 2.7L 2003-04
- Porsche Boxster S 986 3.2L 2003-04
you will require the nuts code 90038000501
Fits:
Porsche 986 Boxster 1998-04
Click 'Zoom in' for large parts diagram.
Diagram ref no 21
相关参考编号
相关编号、被取代编号、交叉引用编号或替代编号,供比较之用。
99611331101
您正在查看的产品与这些编号存在交叉引用关系
- Porsche Boxster 986 2.5L 1997-99
- Porsche Boxster 986 2.7L 1999-02
- Porsche Boxster S 986 3.2L 1999-02
- Porsche Boxster 986 2.7L 2003-04
- Porsche Boxster S 986 3.2L 2003-04
您将需要螺母代码 90038000501

適用於:
保时捷 986 Boxster 1998-04
单击“放大”可查看大部件图。
图表参考编号 21
相关参考编号
相关编号、被取代编号、交叉引用编号或替代编号,供比较之用。
99611331101
您正在查看的产品与这些编号存在交叉引用关系
- Porsche Boxster 986 2.5L 1997-99
- Porsche Boxster 986 2.7L 1999-02
- Porsche Boxster S 986 3.2L 1999-02
- Porsche Boxster 986 2.7L 2003-04
- Porsche Boxster S 986 3.2L 2003-04

Fits:
Porsche 986 Boxster S 3.2ltr Tiptronic
Porsche 986 2.7ltr - Manual and Tiptronic
Click 'Zoom in' for large parts diagram.
Diagram ref no 5
相关参考编号
相关编号、被取代编号、交叉引用编号或替代编号,供比较之用。
99611122602
您正在查看的产品与这些编号存在交叉引用关系
- Porsche Boxster 986 2.7L 1999-02
- Porsche Boxster S 986 3.2L 1999-02
- Porsche Boxster 986 2.7L 2003-04
- Porsche Boxster S 986 3.2L 2003-04
正品保时捷排气管夹——也称为夹紧套筒——用于保时捷 986 Boxster 车型上催化转化器与下一段排气管(U 形弯管/消音管)连接处。
出售规格:单个夹具(每个完整接头可能需要两个)。
适用:
保时捷 986 Boxster 1997 - 2004
图示编号 15
排气管卡箍用于固定和密封催化转化器与相邻排气管段之间的连接。正常运转时,排气部件会经历升温、冷却和振动;该卡箍可保持紧密的机械连接,防止排气泄漏、过度移动和噪音。保时捷原厂卡箍采用耐用材料制成,能够承受高温、腐蚀和振动,符合原厂设计要求。
功能:
•固定排气管接头:将排气管紧密连接在一起
•防止排气泄漏:在关键接口处保持密封连接。
•耐腐蚀:专为高温环境设计
•确保排气管正确对齐:减少噪音、异响和对支架的压力
作为排气系统硬件的一部分,正确的夹具完整性有助于整个排气组件在各种条件下平稳可靠地运行。
排气管卡箍长期暴露在极端温度、道路盐分和潮湿环境中——这些因素都会加速腐蚀和疲劳。随着时间的推移,原装卡箍可能会老化、生锈或失去夹紧力,从而导致:
•排气泄漏导致噪音或振动增大
•排气管对准不良
•可能对相邻部件造成损坏
使用保时捷原厂卡箍可确保接头恢复到出厂规格的紧固程度,保持正确的排气压力密封和对齐,与原设计一致。
何时更换。排气管夹在以下情况下需要更换:
•您正在对排气系统进行维修或改装。
•原夹具出现锈蚀、变形或断裂。
•您听到催化转化器连接处有排气泄漏或异常噪音
•卡箍已无法牢固地固定管道。
相关参考编号
相关编号、被取代编号、交叉引用编号或替代编号,供比较之用。
99611111001
您正在查看的产品与这些编号存在交叉引用关系
- Porsche Boxster 986 2.5L 1997-99
- Porsche Boxster 986 2.7L 1999-02
- Porsche Boxster S 986 3.2L 1999-02
- Porsche Boxster 986 2.7L 2003-04
- Porsche Boxster S 986 3.2L 2003-04
这款 OE Match 排气管夹紧套筒/排气管卡箍专为固定和连接保时捷 Boxster 986(1997-2004 年款)排气系统中的排气部件而设计。它可作为催化转化器和 U 型弯管/消音器管之间的耐用连接器,有助于保持排气管接头的紧密性。
出售规格:单个夹具(每个完整接头可能需要两个)。
适用:
保时捷 986 Boxster 1997 - 2004
图示编号 15
排气管夹紧套筒用于固定排气管的两部分——通常是催化转化器出口与U型弯管或消音器管的连接处。它能确保连接牢固、抗震,防止排气泄漏,降低噪音,并有助于排气管的正确布置。优质的夹紧套筒有助于排气管在热膨胀和路面振动下保持对齐,从而减轻附近吊架和部件的压力。
功能:
•将排气管各部分牢固连接(催化转化器与U型弯管/消音器)
•通过保持管道连接紧密,防止排气泄漏
•吸收运动和热膨胀,不易松动。
•支持排气系统在运行负荷下的正确对准。
如果没有隔音夹,排气接头可能会泄漏高温气体,导致性能下降、噪音增大,并可能造成部件磨损。
排气管夹钳处于高温、腐蚀性环境中,随着时间的推移,原装套管可能会出现以下情况:
•腐蚀或生锈,降低夹具的有效性
•热循环导致夹紧力下降
•允许管道连接处存在排气泄漏
•导致排气噪音或振动过大。
用原厂配套的卡箍替换磨损或损坏的卡箍有助于确保密封严实,防止废气泄漏,并保护其他排气部件免受过度移动或应力的影响。
何时更换。当出现以下情况时,请更换此排气管夹:
•您拆除或重新安装排气系统(例如,催化转化器或消音器)
•现有夹具已腐蚀、弯曲或拉伸。
• 您注意到接头处有排气泄漏、噪音或振动。
•更换或维修排气部件会导致安装问题
相关参考编号
相关编号、被取代编号、交叉引用编号或替代编号,供比较之用。
99611111001
您正在查看的产品与这些编号存在交叉引用关系
- Porsche Boxster 986 2.5L 1997-99
- Porsche Boxster 986 2.7L 1999-02
- Porsche Boxster S 986 3.2L 1999-02
- Porsche Boxster 986 2.7L 2003-04
- Porsche Boxster S 986 3.2L 2003-04
#罗勒#
適用於:
保时捷 986 Boxster 1997-04
5级钛合金可耐300°C以下的盐水和多种腐蚀介质
价格为每个袖子的价格。
相关参考编号
相关编号、被取代编号、交叉引用编号或替代编号,供比较之用。
99611111001
您正在查看的产品与这些编号存在交叉引用关系
- Porsche Boxster 986 2.5L 1997-99
- Porsche Boxster 986 2.7L 1999-02
- Porsche Boxster S 986 3.2L 1999-02
- Porsche Boxster 986 2.7L 2003-04
- Porsche Boxster S 986 3.2L 2003-04

Fits:
Porsche Boxster 986 2.7L & 3.2L 2000>>
Click picture for large parts diagram.
Diagram Ref no 12
Price is for each.
相关参考编号
相关编号、被取代编号、交叉引用编号或替代编号,供比较之用。
99611131400
您正在查看的产品与这些编号存在交叉引用关系
- Porsche Boxster 986 2.7L 1999-02
- Porsche Boxster S 986 3.2L 1999-02
- Porsche Boxster 986 2.7L 2003-04
- Porsche Boxster S 986 3.2L 2003-04
#保时捷#
适合:
保时捷 986 Boxster
单击“放大”可查看大部件图。
图表参考编号 13
价格为每个价格。
相关参考编号
相关编号、被取代编号、交叉引用编号或替代编号,供比较之用。
99611120900
您正在查看的产品与这些编号存在交叉引用关系
- Porsche Boxster 986 2.5L 1997-99
- Porsche Boxster 986 2.7L 1999-02
- Porsche Boxster S 986 3.2L 1999-02
- Porsche Boxster 986 2.7L 2003-04
- Porsche Boxster S 986 3.2L 2003-04
OE Match 排气 U 型管夹用于固定保时捷 986 Boxster 应用中的排气连接管在 U 型弯管(U 型管)处的位置。
单价出售,每辆车需要2个。
适用:
保时捷 986 Boxster 2.5L / 2.7L / 3.2L 1997 - 2004
图示编号 13
它能将排气管接头在连接管/U型弯管的接口处牢牢固定,保持对齐,并有助于防止排气泄漏、振动以及热膨胀引起的位移。拆卸排气管后,更换新的卡箍尤为重要,因为旧的卡箍经常会卡死或变形,无法可靠地重复使用。
功能:
•在U型管/连接管接头处提供牢固的夹紧力
•有助于在热循环下保持紧密、防漏的密封。
•有助于正确安装排气管,减少异响和接头处的压力
排气管卡箍的工作环境恶劣,容易生锈、卡死,甚至无法在不损坏部件的情况下拧松。在排气系统维修过程中更换卡箍有助于确保接头重新密封良好,避免泄漏和异响,并防止因卡箍腐蚀而浪费时间。
何时更换:
•拆卸/重新安装 U 形弯管或连接管时
•如果夹具腐蚀、卡死、拉伸或变形
•如果接头处有排气吹气/泄漏噪音
•如果螺栓/螺纹损坏或无法正确拧紧
相关参考编号
相关编号、被取代编号、交叉引用编号或替代编号,供比较之用。
99611120900
您正在查看的产品与这些编号存在交叉引用关系
- Porsche Boxster 986 2.5L 1997-99
- Porsche Boxster 986 2.7L 1999-02
- Porsche Boxster S 986 3.2L 1999-02
- Porsche Boxster 986 2.7L 2003-04
- Porsche Boxster S 986 3.2L 2003-04
#罗勒#
适合:
保时捷 986 Boxster
5级钛合金可耐300°C以下的盐水和多种腐蚀介质
单击“放大”可查看大部件图。
图表参考编号 13
相关参考编号
相关编号、被取代编号、交叉引用编号或替代编号,供比较之用。
99611120900
您正在查看的产品与这些编号存在交叉引用关系
- Porsche Boxster 986 2.5L 1997-99
- Porsche Boxster 986 2.7L 1999-02
- Porsche Boxster S 986 3.2L 1999-02
- Porsche Boxster 986 2.7L 2003-04
- Porsche Boxster S 986 3.2L 2003-04
排气安装支架、带子和夹具——安全、安静、坚固
保时捷排气系统不仅仅依靠管道和消音器,它还通过一系列安装支架、绑带和夹具将各个部件牢固地固定到位。这些重要部件可以吸收振动、保持正确对准,并防止排气管和消音器受到应力或损坏。
Design911 提供全系列排气安装硬件,包括支架、吊架、绑带、夹具、垫圈和紧固件,所有配件均经过精心设计,持久耐用,完美贴合。这些组件采用高强度不锈钢和耐腐蚀材料制成,确保您的排气系统得到妥善支撑,并避免不必要的噪音或移动。
无论您是进行完整的排气管更换还是小修,更换磨损或生锈的安装硬件都可以恢复正确的安装,并保护您的保时捷排气管免受因振动或错位造成的损坏。
排气安装支架、带子和夹具起什么作用?
这些虽小但至关重要的部件为排气系统的稳定性和完整性提供了支撑。
核心功能:
- 将排气系统固定到车辆底盘上。
- 保持正确的对齐以防止接头和法兰受到拉伤。
- 吸收发动机振动以减少应力和开裂。
- 确保管道和消音器之间的连接无泄漏。
- 防止加速和转弯时出现嘎嘎声和不必要的噪音。
如果没有正常工作的支架和夹具,您的排气管可能会下垂、振动,甚至脱落,从而造成昂贵的损坏和性能损失。
排气支架和夹具为何会失效?
持续的高温、振动和暴露在自然环境中使得排气安装部件随着时间的推移容易磨损。
常见的失败原因包括:
- 道路盐和湿气导致的腐蚀或生锈。
- 由热循环和振动引起的金属疲劳。
- 由于反复的压力,带子出现破裂或拉伸。
- 夹子松动或断裂导致排气泄漏。
- 橡胶支架老化导致产生噪音或排气运动。
这些部件的故障可能导致排气错位、嘎嘎作响、泄漏或管道过早损坏——如果忽视这些问题,问题会迅速恶化。
为什么要更换组件?
更换磨损或损坏的排气安装硬件可确保您的保时捷排气系统保持稳定、安静和畅通。
主要优点:
- 恢复排气管的对准和装配。
- 防止消声器、管道和接头损坏。
- 消除嘎嘎声、振动和泄漏。
- 耐用的不锈钢和耐热结构。
- 直接兼容所有保时捷车型,包括经典款和现代款。
- 非常适合维护、修复或性能升级。
安全的排气系统不仅可以提高舒适度和性能,还可以延长其他部件的使用寿命 - 确保您的保时捷保持精致和可靠。
亮点:
- 高品质排气支架、夹具和安装带。
- 精心设计,符合保时捷的适配性和耐用性。
- 防止振动、移动和排气泄漏。
- 由耐腐蚀不锈钢制成。
- 非常适合修复或排气维护。
- 确保长期稳定性和安静运行。